Ответ на вопрос по этике №737646: Что обозначено буквой «Т» на «Кинематической схеме двухконцевой подъемной лебедки»? Двигатель Тормоз Редуктор Кабина Что обозначено буквой «Т» на «Кинематической схеме - Ответ на вопрос по этике №737646Что обозначено буквой «Т» на «Кинематической схеме - Ответ на вопрос по этике №737646
2025-06-182025-06-18СтудИзба
Что обозначено буквой «Т» на «Кинематической схеме - Ответ на вопрос по этике №737646
Вопрос
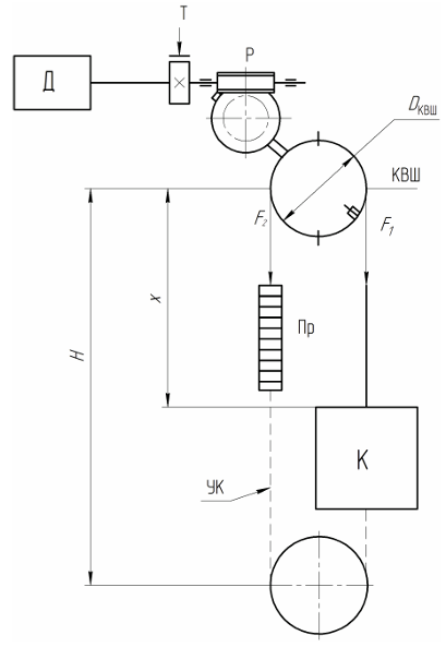
Что обозначено буквой «Т» на «Кинематической схеме двухконцевой подъемной лебедки»?
- Двигатель
- Тормоз
- Редуктор
- Кабина
-
id133069387























