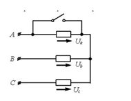
В симметричной трехфазной цепи линейное напряжение UЛ = 100 В. Сопротивление фазы приемника r = 10 Ом. При обрыве провода А показания амперметра электромагнитной системы равны ... А.
В симметричной трехфазной цепи линейное напряжение = 100 В Если сопротивление фазы = 80 Ом, то показания амперметра электромагнитной системы равны … А. Ответ округлить до целых чисел.
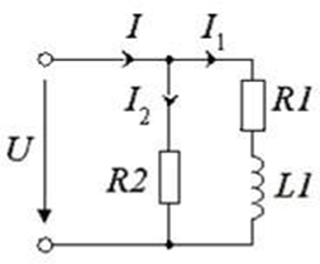
На рисунке указан участок электрической цепи. Напряжение U 1 на сопротивлении R 1 равно 15 В. Напряжение U 2 на сопротивлении R 2 равно 25 В. Ток через сопротивление R 2 равен 1 А. Определите общее сопротивление R 12.
На рисунке указан участок электрической цепи. Напряжение U 1 на сопротивлении R 1 равно 15 В. Общее напряжение U = 20 В. Ток через сопротивление R 2 = 2,5 А. Определите величину сопротивления R 2.
На рисунке указан участок электрической цепи. Напряжение U 1 на сопротивлении R 1 равно 15 В. Сопротивление R 1 = 5 Ом. Сопротивление R 2 = 4 Ом. Определите напряжение U 2 на сопротивлении R 2.
На рисунке указан участок электрической цепи. Напряжение U 1 на сопротивлении R 1 равно 15 В. Общее напряжение U = 45 В. Определите напряжение U 2 на сопротивлении R 2.
В магнитной цепи с постоянной МДС напряженность магнитного поля H = 300 А/м, а длина средней силовой линии магнитопровода lср = 1 м. Обмотка электромагнита имеет w = 30 витков. Величина тока в обмотке равна … А.
В электрической цепи 2 абсолютно одинаковых сопротивления подключены согласно схеме. Их ВАХ задана графиком. На вход цепи подано напряжение 20 В. Определите неизвестный ток I.
В симметричной трехфазной цепи линейное напряжение UЛ = 200 В.Если сопротивление фазы zф = 20 Ом, то показания амперметра электромагнитной системы равны … А. Ответ округлить до целых чисел.
В симметричной трехфазной цепи линейное напряжение UЛ = 100 В. После обрыва линейного провода В показания вольтметра электродинамической системы равны … В.
Если величина МДС F = 450 А, длина средней линии lср = 0,5 м, площадь поперечного сечения S = 2∙ 10-2 м2 магнитопровода и дана основная кривая намагничивания материала сердечника,то магнитный поток Ф составит …
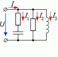
В электрической цепи постоянного тока показания амперметров и вольтметра соответственно равны IA1 = 6 A, IA2 = 12 A, UV = 54 В. Тогда величина сопротивления резистора r равна … Ом.
В симметричной трехфазной цепи линейное напряжение UЛ = 50 В. Сопротивление фазы приемника r = 2,5 Ом. При обрыве провода А показания амперметра электромагнитной системы равны … А.
На рисунке указан участок электрической цепи. Направление токов согласно направлению на рисунке. Ток I 3 = 1 5 А , ток I 2 = 70 А. Определите ток I 1.– 55
В электрической цепи 2 абсолютно одинаковых сопротивления подключены согласно схеме. Их ВАХ задана графиком. В цепи протекает ток 6 А. Определите входное напряжение.
В электрической цепи 2 абсолютно одинаковых сопротивления подключены согласно схеме. Их ВАХ задана графиком. На вход подано напряжение 20 В. Определите ток через сопротивление R 1.
В симметричной трехфазной цепи линейное напряжение UЛ = 10 В. Сопротивление фазы приемника r = 1 Ом. При обрыве провода А показания амперметра электромагнитной системы равны ... А.
В симметричной трехфазной цепи линейное напряжение UЛ = 300 В После обрыва линейного провода А показания вольтметра электродинамической системы равны … В.
Какой группы источников вторичного электропитания, использующих электроэнергию, получаемую от сети переменного напряжения через силовой трансформатор, не существует?
В электрической цепи переменного тока мгновенные значения тока и входного напряжения равны: i (t) = 10 √ 2 • sin (ωt + 20°) A, u (t) = 20 √ 2 • sin (ωt + 20°) B. Напряжение на конденсаторе UC = 50 B. Величина полного сопротивления цепи z равна … Ом.
В электрической цепи 2 абсолютно одинаковых сопротивления подключены согласно схеме. Их ВАХ задана графиком. На вход электрической цепи подано напряжение 10 В. Определите ток через сопротивление R 1.
В электрической цепи 2 абсолютно одинаковых сопротивления подключены согласно схеме. Их ВАХ задана графиком. Через сопротивление R 2 протекает электрический ток 2 А. Определите ток через сопротивление R 1.
В электрической цепи переменного тока Z1 = 7 – j9 Ом, Z2 = 3 + j9 Ом и мощность, измеряемая ваттметром, равна 200 Вт, тогда полная мощность цепи S равна … В•А.
Зачем заказывать выполнение своего задания, если оно уже было выполнено много много раз? Его можно просто купить или даже скачать бесплатно на СтудИзбе. Найдите нужный учебный материал у нас!
Да! У нас любой человек может выложить любую учебную работу и зарабатывать на её продажах! Но каждый учебный материал публикуется только после тщательной проверки администрацией.
Вернём деньги! А если быть более точными, то автору даётся немного времени на исправление, а если не исправит или выйдет время, то вернём деньги в полном объёме!
Да! На равне с готовыми студенческими работами у нас продаются услуги. Цены на услуги видны сразу, то есть Вам нужно только указать параметры и сразу можно оплачивать.
Отзывы студентов
Ставлю 10/10 Все нравится, очень удобный сайт, помогает в учебе. Кроме этого, можно заработать самому, выставляя готовые учебные материалы на продажу здесь. Рейтинги и отзывы на преподавателей очень помогают сориентироваться в начале нового семестра. Спасибо за такую функцию. Ставлю максимальную оценку.
Лучшая платформа для успешной сдачи сессии Познакомился со СтудИзбой благодаря своему другу, очень нравится интерфейс, количество доступных файлов, цена, в общем, все прекрасно. Даже сам продаю какие-то свои работы.
Студизба ван лав ❤ Очень офигенный сайт для студентов. Много полезных учебных материалов. Пользуюсь студизбой с октября 2021 года. Серьёзных нареканий нет. Хотелось бы, что бы ввели подписочную модель и сделали материалы дешевле 300 рублей в рамках подписки бесплатными.
Отличный сайт Лично меня всё устраивает - и покупка, и продажа; и цены, и возможность предпросмотра куска файла, и обилие бесплатных файлов (в подборках по авторам, читай, ВУЗам и факультетам). Есть определённые баги, но всё решаемо, да и администраторы реагируют в течение суток.
Маленький отзыв о большом помощнике! Студизба спасает в те моменты, когда сроки горят, а работ накопилось достаточно. Довольно удобный сайт с простой навигацией и огромным количеством материалов.
Студ. Изба как крупнейший сборник работ для студентов Тут дофига бывает всего полезного. Печально, что бывают предметы по которым даже одного бесплатного решения нет, но это скорее вопрос к студентам. В остальном всё здорово.
Спасательный островок Если уже не успеваешь разобраться или застрял на каком-то задание поможет тебе быстро и недорого решить твою проблему.
Всё и так отлично Всё очень удобно. Особенно круто, что есть система бонусов и можно выводить остатки денег. Очень много качественных бесплатных файлов.
Отзыв о системе "Студизба" Отличная платформа для распространения работ, востребованных студентами. Хорошо налаженная и качественная работа сайта, огромная база заданий и аудитория.
Отличный помощник Отличный сайт с кучей полезных файлов, позволяющий найти много методичек / учебников / отзывов о вузах и преподователях.
Отлично помогает студентам в любой момент для решения трудных и незамедлительных задач Хотелось бы больше конкретной информации о преподавателях. А так в принципе хороший сайт, всегда им пользуюсь и ни разу не было желания прекратить. Хороший сайт для помощи студентам, удобный и приятный интерфейс. Из недостатков можно выделить только отсутствия небольшого количества файлов.
Спасибо за шикарный сайт Великолепный сайт на котором студент за не большие деньги может найти помощь с дз, проектами курсовыми, лабораторными, а также узнать отзывы на преподавателей и бесплатно скачать пособия.