Арки
Лекция № 8
Арки. Общая характеристика. Схемы арок, конструкция и расчет
Арки также как и рамные относятся к распорным конструкциям, т. е. для них характерно наличие горизонтальной составляющей опорной реакции (распора).
Арки используются в качестве основных несущих конструкций зданий различного назначения. Их применяют в покрытиях промышленных, сельскохозяйственных и общественных зданий пролетом от 12 до 70 м. В зарубежном строительстве с успехом применяют арки пролетом до 100 м и более.
По статической схеме арки разделяют на трехшарнирные и двухшарнирные без ключевого шарнира:

Рисунок 1 – Трехшарнирная и двухшарнирная арка
По схеме опирания их делят на арки с затяжками, воспринимающими распор и на арки без затяжек, распор которых передается на опоры.

Рекомендуемые материалы
Рисунок 2 - Арка без затяжки и с затяжкой
Затяжки изготовливают в большинстве случаев из арматуры или профильной стали. Возможно применение деревянных клееных затяжек, в условиях химически агрессивных сред, где металл будет корродировать.
По форме оси арки делят на:
- треугольные из прямых полуарок
- пятиугольные

Рисунок 3
- сегментные, оси полуарок располагаются на общей окружности
- стрельчатые, состоящие из полуарок, оси которых располагаются на двух окружностях, смыкающихся в ключе под углом.

Рисунок 4
По конструкции арки делятся на:
1) цельные (только треугольной формы);
2) арки из ферм

Рисунок 5 – Арка из фермы (l=30…60 м, f=l/3…l/2)
3) арки из балок на пластинчатых нагелях (Деревягина)
4) кружальные арки, состоящие из двух или более рядов косяков, соединенных между собой нагелями

Рисунок 6 – Кружальная арка
5) арки с перекрестной дощатой стенкой на гвоздях

Рисунок 7 – Арка с перекрестной дощатой стенкой (l=20…40 м, f≥l/6)
6) клееные арки (дощатоклееные и клеефанерные)
Из перечисленных видов арок наиболее широкое применение получили клееные арки заводского изготовления. Распоры и несущая способность таких арок могут отвечать требованиям сооружения покрытий самого различного назначения, в том числе уникальных по своим размерам.
Арки остальных видов являются арками построечного изготовления и сейчас почти не применяются. Дощатоклееные деревянные арки представляют собой пакет склеенных по пласте гнутых досок.
По форме оси дощатоклееные арки могут иметь любой из перечисленных выше видов, т.е. они могут быть треугольными (без затяжек – при высоте 1/2 l и с затяжками – при высоте 1/6 … 1/8 l в покрытиях до 24 м), пятиугольными с гнутыми участками в местах переломов осей, пологими сегментными двух- или трехшарнирными со стрелой подъема не менее 1/6 l (в редких случаях 1/7…1/8 l) и высокими трехшарнирными стрельчатыми из элементов кругового очертания со стрелой подъема 1/3…2/3 l. Последние два вида клееных арок (сегментные и стрельчатые) рекомендуются в качестве основных.
Поперечное сечение клееных арок рекомендуется принимать прямоугольным и постоянным по всей длине. Высота поперечного сечения назначается от 1/30…1/50 пролета. Толщина слоев для изготовления арок при радиусе кривизны до 15 м принимается не более 4 см.
Клееные арки имеют перспективы применения в легких покрытиях. Они, как правило, имеют треугольную форму и состоят из коробчатых клеефанерных полуарок. Такие арки имеют малую массу и позволяют получать существенную экономию древесины. Однако, они требуют расхода водостойкой фанеры, являются более трудоемкими при изготовлении, чем дощатоклееные и имеют меньший предел огнестойкости.
Самым распространенным и перспективным видом арок являются дощатоклееные арки.
Расчет арок
Расчет арок производится по правилам строительной механики, причем распор пологих двухшарнирных арок при стреле подъема не более 1/4 пролета разрешается определять в предположении наличия шарнира в ключе.
Расчет арок после сбора нагрузок выполняется в следующем порядке:
1) геометрический расчет арки;
2) статический расчет;
3) подбор сечений и проверка напряжений;
4) расчет узлов арки.
Нагрузки, действующие на арку, могут быть распределенными и сосредоточенными. Постоянную равномерную нагрузку g от массы покрытия и самой арки определяют с учетом шага арок. Она обычно условно считается в запас прочности, равномерно распределенной по длине пролета, для чего ее фактическое значение умножают на отношение длины арки к ее пролету S/l.
Массой арки можно задаться предварительно с использованием коэффициентов собственной массы kсв=2…4, и определить его в зависимости от массы покрытия gn, снега p и других нагрузок из выражения

Снеговую нагрузку р определяют по нормам нагрузок и воздействий, условно равномерно распределенную по длине пролета покрытия.
При расчете сегментных арок при f/l≥1/8 нужно учитывать также распределение снеговой нагрузки по треугольным эпюрам при значении коэффициента перехода в ключе 0, близ опор – от 1.6 до 2.2 с одной стороны и от 0.8 до 1.1 – с другой.
Стрельчатые арки при определении снеговых нагрузок могут условно считаться треугольными.
Ветровую нагрузку q определяют по нормам нагрузок и воздействий с учетом шага арок и считают приложенной нормально к поверхности покрытия. При этом для упрощения расчета криволинейные эпюры этой нагрузки можно заменять прямолинейными нормальными к хордам полуарок.
При стрельчатых арках они условно могут считаться треугольными, и нагрузка распределится нормально к хордам полуарок.
Сосредоточенные, временные нагрузки Р включают в себя массу подвесного оборудования и временных нагрузок на нем.
Геометрический расчет арки заключается в определении всех размеров, углов и их тригонометрических функций полуарки, необходимых для дальнейших расчетов. Исходными данными при этом являются пролет l, высота f, а в стрельчатых арках также радиус полуарки r или ее высота f.
По этим данным в треугольных арках определяют длину S/2 и угол наклона полуарки α. В сегментных арках определяют радиус
,
центральный угол φ из условия
и длину дуги
полуарки и находят уравнение дуги в координатах с центром в левой опоре 

Рисунок 8 – Геометрическая и расчетная схема арки
В стрельчатых арках определяют угол наклона α и длину l хорды, центральный угол φ и длину S/2 полуарки, координаты центра a и b, угол наклона опорного радиуса φ0 и уравнение дуги левой полуарки
. Затем половину пролета арки делят на четное число, но не менее шести равных частей и в этих сечениях определяют координаты х и у, углы наклона касательных α и их тригонометрические функции.
Статический расчет
Опорные реакции трехшарнирной арки состоят из вертикальных и горизонтальных составляющих. Вертикальные реакции Ra и Rb определяют как в однопролетной свободно опертой балке из условия равенства нулю моментов в опорных шарнирах. Горизонтальные реакции (распор) Ha и Hb определяют из условия равенства нулю моментов в коньковом шарнире.
Определение реакций и усилий удобно производить в сечениях только одной левой полуарки в следующем порядке:
сначала усилия от единичной нагрузки справа и слева, затем от левостороннего, правостороннего снега, ветра слева, ветра справа и массы оборудования.
Изгибающие моменты следует определять во всех сечениях и иллюстрировать эпюрами.
Продольные и поперечные силы можно определять только в сечениях у шарниров, где они достигают максимальных величин и необходимы для расчетов узлов. Необходимо также определять продольную силу в месте действия максимального изгибающего момента при таком же сочетании нагрузок.
Усилия от двустороннего снега и собственной массы определяют путем суммирования усилий от односторонних нагрузок.
Полученные результаты сводят в таблицу усилий, по которой затем определяют максимальные расчетные усилия при основных наиболее не выгодных сочетаниях нагрузок.
В число таких сечений должны входить:
1) собственная масса и снег;
2) собственная масса, снег и масса оборудования;
3) все действующие нагрузки, включая ветровую с коэффициентом 0.9, вводимого в усилия от временных нагрузок.
Для клееных арок «Пособие» к СНиП II-25-80 расчет на прочность рекомендует выполнять при следующих сочетаниях нагрузок.
а) в пологих арках (f<1/3l)
– расчетная постоянная и временная (снеговая) нагрузка на всем пролете и временная нагрузка от подвесного оборудования;
- расчетная постоянная нагрузка на всем пролете, односторонняя временная (снеговая) нагрузка на половине пролета и временная нагрузка от подвесного оборудования;
- расчетная постоянная нагрузка на всем пролете, односторонняя временная (снеговая) нагрузка, распределенная по треугольнику на l/2, и временная нагрузка от подвесного оборудования;
б) стрельчатых арках (f≥1/3l)
- расчетная постоянная и временная (снеговая) нагрузки на всем пролете и временная нагрузка от подвесного оборудования;
- расчетная постоянная нагрузка на всем пролете, временная (снеговая) на S/2 или части пролета в соответствии со СНиП «Нагрузки и воздействия» и временная нагрузка от подвесного оборудования;
- ветровая нагрузка с постоянной и остальными временными (с учетом коэффициента сочетания 0.9).
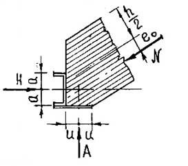
Максимальные изгибающие моменты возникают обычно в сечениях близ четверти пролета арки при действии односторонних временных нагрузок. В треугольных арках моменты от вертикальных нагрузок уменьшаются за счет обратных моментов М от эксцентриситета е продольных сил N

Рисунок 9 – Силовые воздействия в опорном узле арки
Наибольшие продольные силы возникают в сечениях близ опор, а наибольшие поперечные силы – в сечениях близ шарниров.
Усилия в подвесках затяжек возникают от подвешенных к ним грузов и от собственной массы затяжек.
Подбор сечений и проверка напряжений производятся по максимальным значениям расчетных усилий. При этом ветровые нагрузки учитываются только в тех случаях, если ветер более чем на 20 % увеличивает расчетные усилия.
Арки работают и рассчитываются на сжатие с изгибом по прочности и устойчивости в плоскости и из плоскости арки.
Подбор сечений производится методом попыток по величине изгибающего момента при условно пониженном, например, до 0.8 Ru расчетном сопротивлении древесины изгибу.
При расчете арок выполняются следующие проверки
1. Проверка прочности по нормальным напряжениям:

2. Расчет на устойчивость плоской формы деформирования (из плоскости арки)

3. Проверка устойчивости в плоскости арки выполняется по формуле

где φ=f(λ) – коэффициент продольного изгиба,
.
Расчетную длину элемента l0 следует принимать по СНиП II-25-80 в зависимости от расчетной схемы и схемы загружения арки.
При расчете арки на прочность и устойчивость плоской формы деформирования N и Mg следует принимать в сечении с максимальным моментом (Mmax), а расчет на устойчивость в плоскости кривизны и определение коэффициента ξ к моменту Mg нужно определять, подставляя значения сжимающей силы N0 в ключевом сечении арки, т.к. в этом сечении сила имеет наибольшее значение.
Затяжки и подвески арок работают и рассчитываются на растяжение.
Узлы арок
Основными узловыми соединениями трехшарнирных арок являются опорные и коньковые шарниры.
Опорные узлы арок без затяжек выполняют, как правило, в виде лобовых упоров в сочетании с металлическими башмаками сваркой листовой конструкции, служащими для крепления их к опорам.
Башмак состоит из опорного листа с отверстиями для анкерных болтов и двух вертикальных фасонок с отверстиями для болтов крепления полуарок.

Рисунок 10 – Опорный узел
Узлы сегментных и стрельчатых арок, в которых действуют изгибающие моменты разного знака и незначительные поперечные силы, центрируются по осям полуарок, а опорный лист башмака перпендикулярен им.
Узлы треугольных арок, в которых действуют в основном положительные моменты и значительные поперечные силы, центрируются по расчетным осям, расположенным с эксцентриситетом относительно осей полуарок, а опорный башмак перпендикулярен равнодействующей вертикальной и горизонтальной опорных реакций.

Рисунок 11 – Опорная площадка, воспринимающая опорную реакцию без сдвига
Расчет опорного узла заключается в расчете торца полуарки на смятие от действия максимальной сжимающей силы Nсм. В сегментных и стрельчатых арках она равна максимальной продольной силе N и действует вдоль волокон. В треугольных арках она равна равнодействующей опорных усилий

и действует под углом к волокнам α, определяемом из выражения

Болты крепления полуарки к фасонкам рассчитывают на действие максимальной поперечной силы Q, как симметрично изгибаемые, двухсрезные. На эту же силу рассчитываются анкерные болты на срез и смятие. Бетон фундамента рассчитывается на смятие от силы Nсм.
Опорный лист башмака работает на изгиб от действия равномерного давления лобового торца полуарки.
Опорные узлы большепролетных арок без затяжек выполняют с применением металлических шарниров качающегося типа

Рисунок 12 – Опорный узел с шарниром
Опорные узлы клееных арок, работающих в условиях химической агрессии, могут быть выполнены при помощи стержней, одним концом вклеенных в конец полуарки, а другим – заанкерованных в фундамент.
Опорные узлы арок с затяжками
Опорные узлы клееных арок с затяжками выполняются обычно при помощи лобового упора и сварных металлических башмаков несколько другой конструкции

Рисунок 13 – Опорный узел с металлической затяжкой
Опорный узел сегментной арки с деревянной затяжкой на болтах:

Рисунок 14 – Опорный узел с деревянной затяжкой
Опорный лист в арках с затяжками располагается горизонтально, поэтому арки ставятся на горизонтальную поверхность опор, на которые не действует распор. Вертикальные фасонки могут опираться на опорный лист или опорный лист может размещаться между фасонками.
При опирании на бетон опорный лист удлиняют за пределы фасонок для крепления анкеров, а при опирании на деревянную стойку фасонки опирают ниже опорного листа для крепления их к стойке болтами. Между фасонками располагается упорная диафрагма. Наклон диафрагмы и центрирование узла производятся по тем же соображениям, что и в узлах арок без затяжек.
Металлическую затяжку приваривают к фасонкам, деревянную распологают между фасонками и крепят к ним болтами.
Расчет опорного узла предполагает:
1) расчет диафрагмы на изгиб как балки заделанной в фасонках, на давление лобового упора δg.
При этом изгибающий момент при ширине 1 см равен
;
2) расчет опорного листа на изгиб как двухконсольной или заделанной в фасонках балки на реактивное давление фундаментов δб;
3) определяют длину сварных швов крепления затяжки или число крепежных болтов – для деревянных затяжек из условия восприятия или усилия в затяжке.
Опорные узлы дощатых арок с затяжками выполняется при помощи гвоздевых или болтовых соединений досок пояса и затяжки.
Затяжки брусчатых арок из арматурной стали пропускаются через отверстия в конце полуарки и закрепляются гайкой на шайбе.
Расчет таких узлов производят на смятие торцевых обрезов.

Рисунок 15 – Опорный узел арки
Коньковые узлы сплошных арок малых и средних пролетов решаются в виде прямых или наклонных лобовых упоров со стальными креплениями или деревянными накладками на болтах. Сегментные и стрельчатые клееные арки центрируются в этих узлах по осям полуарок, а треугольные – с эксцентриситетами (с той же целью, что и в опорных узлах).

Рисунок 16 – Коньковый узел треугольной арки

Рисунок 17 – Коньковый узел сегментной арки
Лобовые упоры конькового узла рассчитывают на смятие под углом или вдоль волокон на действие продольной силы N. Количество болтов в стальных креплениях определяется в зависимости от величины поперечной силы Q с учетом угла смятия древесины под болтами. Монтажные болты рассчитывают на срез и смятие от действия той же силы Q.
В лекции "2 Адсорбция на границе твердое тело - раствор" также много полезной информации.
Коньковые узлы большепролетных арок выполняются в виде стальных шарниров качающегося типа

Рисунок 18 – Стальной шарнир качающегося типа
Стыки элементов арок.
Стыки клееных арок представляют собой зубчатые соединения досок по длине и стыки по пласти слоев досок между собой. Арки больших пролетов соединяются по длине жесткими стыками с помощью двусторонних накладок из профильной стали и болтов.
Эти стыки рассчитываются на усилия, действующие в данном сечении арки.






















