Основные гидравлические схемы автономных источников
Основные гидравлические схемы автономных источников
Существует множество гидравлических схем при применении различных автономных источников (котлов). Мы же в данном пособии рассмотрим только схемы, относящиеся к применению гидронных котлов в качестве тепловых источников. На рынке СНГ и стран Восточной Европы представительство корпорации “LAARS Heating Systems” успешно работает с 1993 года. За эти годы в России и странах СНГ было смонтировано около 2000 котельных установок различной мощности. При этом, в соответствии с рекомендациями “LAARS Heating Systems”, были применены тепломеханические схемы, которые являются, практичеки, типовыми для использования данного вида котельного оборудования – гидронных котлов. Причём эти схемы являются типовыми для различных систем (отопление, ГВС, кондиционирование и т.п.). Российские проектировщики по достоинству оценили простоту проектирования и подбора оборудования для систем, включающих в себя гидронные котлы.
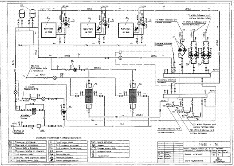
В качестве примера тепломеханической схемы в настоящем пособии приводится проект существующей крышной котельной, находящейся в г.Москве на крыше 4-этажного торгового комплекса, общей площадью 16000 кв.м, расположенного на ул.Новослободской 2/1, выполненный институтом МосгазНИИпроект.

Рис.3. Тепломеханическая схема автономной газовой котельной
Принципы, лежащие в основе проектирования гидравлических и тепломеханических схем для гидронных котлов, подробно изложены в брошюре «Многокотловые системы с первичными-вторичными кольцами. Концепция корпорации LAARS Heating Systems».





















