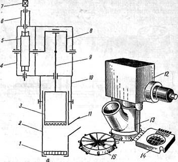
Картофелеочистительные машины мок - 250

картофелеочистительные машины* мок - 250
а- разрез:
1- сливной патрубок
2- основание
3- камера отходов
Рекомендуемые материалы
4- резиновый патрубок
5- конусный диск
6- разгрузочный лоток
7- пульт управления
8- откидная крышка
9- рабочая камера
10- абразивные вставки
11- дно камеры
12- зубчатый редуктор
13- эл.двигатель
б- схема:
14- сборник мезги
15- дверца
16- гнездо конуса
17- загрузочная крышка
18- стойка
19- шип вала
20- облицовка
в- общий вид
Назначение: для очистки картофеля и корнеплодов
Техническая характеристика:
- -производительность – 250кг/час
- единовременная загрузка – 11 – 12 кг
- вместимость рабочей камеры – 28л
- расход воды – 300л в час
Устройство:
Рабочая камера выполнена в виде литого цилиндрического корпуса, верхняя часть открыта и служит для загрузки картофеля. Загрузочная воронка сверху закрывается крышкой. В верхней части камеры – отверстие для подачи воды. На боковой части камеры – люк с разгрузочным лотком и дверцей для выгрузки овощей. В нижней части камеры – сливной патрубок. Рабочий орган машины – конусный диск, покрытый абразивной массой из зерен корунда или карбида кремния. Дно конусного диска имеет три радиальных волны для лучшего перемешивания клубней.
На дне расположены две лопатки для удаления отходов из рабочей камеры. Стенки рабочей камеры состоят из съемных абразивных сегментов, которые легко вынимаются и заменяются новыми. Вблизи машины монтируется пульт управления. В нижней части машины расположен болт заземления.
Принцип действия:
Овощи при загрузке через воронку получают вращательное движение, падая на вращающийся конусный диск с абразивным покрытием, и под действием центробежной силы прижимаются к стенкам машины. За счет трения об абразивные поверхности происходит снятие кожуры с овощей. Образующаяся мезга удаляется через сливной патрубок в канализацию, непрерывно поступающей в рабочую камеру из водопровода водой.
Правила эксплуатации:
Перед началом работы:
1. Производят внешний осмотр машины: заземление, сан.состояние
2. Машину включают и проверяют работу на холостом ходу
Во время работы машины:
3. Загружают овощи только пуска машины и при подаче в камеру воды (картофель должен пройти калибровку и мытье, т.к. немытый картофель приводит к быстрому износу абразивного покрытия камеры)
4. Нельзя допускать:
- перегруз машины, т.к. ухудшается качество очистки и ускоряется износ двигателя;
- недогруз машины, т.к. это приводит к быстрому вращению клубней и ударам их о стенки камеры, в результате чего нарушается целостность их внешнего слоя
5. Время очистки- 2-4 мин, зависит:
- от сорта картофеля
- от качества картофеля
- от состояния абразивного покрытия конуса и стенок камеры
6. Производительность машины больше при очистки крупного картофеля, чем мелкого
7. Овощи выгружают из машины, не прекращая её работы.
Для этого открывают дверцу, и овощи центробежной силой выбрасываются через люк по лотку в подставленную тару (воду перед выгрузкой отключают). Затем овощи дочищают.
По окончанию работы:
8. Машину промывают на холостом ходу, корпус протирают тканью
Правила техники безопасности:
- включать машину только при закрытом окне загрузки
- заклинившие клубни следует извлекать только после остановки машины специальным крючком
- запрещается работать на машине без заземления
- во время работы запрещается опускать руки в рабочую камеру
- при промывании следить за тем, чтобы вода не попала на двигатель и кнопки управления
Машины: МОК – 125 МОК – 400 отличаются друг от друга:
- габаритами (масса) 85кг 140кг
- объемом рабочей камеры 16л 50л
- производительностью 125кг/ч 400кг/ч
- единовременной загрузкой 6кг 22кг
Возможные неисправности картофелеочистительных машин
| Неисправности | Причины | Способы устранения |
| Очистка продуктов происходит медленно, процент отходов превышает норму | 1. сильно загрязнены овощи 2. недостаточное поступление воды в рабочую камеру 3. перегрузка рабочей камеры овощами 4. сработался абразив | 1. промыть овощи 2. увеличить поступление воды в рабочую камеру 3. уменьшить единовременную загрузку овощей 4. заменить абразивы рабочего органа и стенки камеры |
| Через закрытую дверцу рабочей камеры просачивается вода | 1. чрезмерное поступление воды в рабочую камеру 2. засорилось отверстие в дне рабочей камеры | 1. уменьшить подачу воды, несколько прикрыв вентиль на водопроводе 2. прочистить отверстие проволокой |
| Рабочий орган вращается медленно | 1. проскальзывание ремня 2. перегрузка машины овощами | 1. усилить напряжение ремня 2. уменьшить загрузку |
| После очистки продукт получается битым | Частично выкрошился абразив и образовались острые углы в рабочей камере | Заменить абразив рабочего органа и абразивные сегменты камеры |
Рис. Поточная линия ПЛСК-63:
I—бункер; 2—вибрационная моечная машина; 3 — камнеловушка;
4—картофелечистка КНА-600М; 5—конвейер дочистки;
6—сульфитационная машина; 7 —весовой дозатор
Поточная линия по переработке овощей-
это машины и аппараты, соединенные между собой конвейером и выполняющие единый технологический процесс.
Преимущества поточных линий: - облегчают труд работников
- повышают производительность труда
- механизируют производственные процессы
Назначение: для механизации процессов очистки и сульфитации картофеля (предохранение очищенного картофеля от потемнения)
Техническая характеристика: производительность линии – 400кг/час ПЛСК -63
Линия состоит:1) загрузочный бункер с транспортером
2) вибромоечная машина
3) камнеловушка
4) картофелечистка непрерывного действия КНА- 600М
5) наклонный транспортер
6) конвейер доочистки
7) машина для сульфитации картофеля
8) весовой дозатор
9) пульт управления
Принцип действия:
Картофель, поступивший из хранилища, сгружается в бункер вместимостью 4,5т.
Транспортер бункера подает клубни в вибромоечную машину.
Вымытый картофель поступает в камнеловушку для отделения от картофеля камней и других предметов.
Далее картофель попадает в картофелеочистительную машину непрерывного действия. Очищенный картофель направляется на доочистку, затем по наклонному транспортеру попадает в машину для сульфитации, где 5мин обрабатывается 1%-ным раствором бисульфита натрия.
Бесплатная лекция: "Дети с нарушениями в развитии" также доступна.
После сульфитации картофель поступает в дозатор и ополаскивается из душевого устройства для снижения содержания раствора.
Готовую продукцию расфасовывают и отвозят в охлаждаемые камеры, где она хранится до отправки на ПОП.
Срок хранения очищенного картофеля без воды: - при температуре не выше 7°С – 48ч
- при комнатной температуре (18-20°С) – 24ч






















