Приводы главного движения
Приводы главного движения.
В приводах главного движения станков с ЧПУ преимущественно применяют регулируемые приводы с двигателем постоянного тока и тиристерным преобразователем. Необходимая мощность привода главного движения металлорежущего станка изменяется в функции частоты вращения шпинделя. При этом полностью номинальная мощность не используется при высоких и низких частотах вращения. До 0,5 диапазона регулирования мощность возрастает пример но пропорционально частоте вращения и регулирование нужно производить с постоянным моментом М. Затем мощность достигает максимума и затем незначительно снижается при наибольшей частоте вращения. На этом участке привод можно регулировать с постоянной максимально допустимой мощностью. Таким образом, привод главного движения станка нуждается в двухзонном регулировании, которое обеспечивают разными способами.
Регулирование с постоянной максимально допустимой мощностью осуществляется путем изменения тока возбуждения при неизменном напряжении на якоре. При этом частота вращения изменяется вверх от номинальной в небольшом диапазоне, который определяется коммутационными возможностями двигателей постоянного тока. Для двигателей постоянного тока серии 2П этот диапазон Др=соnst = 1:4.В этом случае, когда по технологическим требованиям диапазон Др необходимо увеличить, вводят дополнительную коробку скоростей с автоматическим переключением ступеней с помощью электромагнитных муфт.
Для регулирования с постоянным максимально допустимым моментом необходимо изменять напряжение на якоре при неизменном возбуждении. Частота вращения при этом регулируется вниз от номинала и диапазон регулирования может быть достаточно большим, обычно по технологическим требованиям необходимо иметь Дм=соnst = 1:20.Однако в многооперационных станках этот диапазон может быть значительно увеличен. Это связано с необходимостью точного позиционирования шпинделя при смене инструмента.
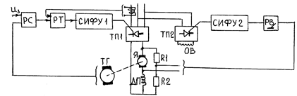
В связи с этим привод главного движения должен иметь два тиристорных преобразователя: один для питания цепи якоря, другой - для цепи возбуждения. Соответственно этому образуются два контура управления.
Регулирование частоты вращения изменением напряжения на якоре и изменением потока возбуждения можно производить независимо. Однако, во избежании пуска двигателя при пониженном возбуждении в современных приводах главного движения применяют двухзонное зависимое управление. При зависимом управлении магнитный поток остается номинальным до тех пор, пока частота вращения двигателя меньше основной. Повышение частоты вращения двигателя обеспечивается путем ослабления магнитного потока. Схема управления имеет один задатчик скорости
Обратите внимание на лекцию "33 - Инженерно-геологические исследования".
![]() |
общий на обе зоны регулирования. Система управления напряжением якоря (ТП1 – тиристорный преобразователь этой цепи) имеет замкнутый контур по скорости двигателя с регулятором скорости (РС) и подчиненный ему контур тока с регулятором тока (РТ).
![]() |
В некоторых случаях такой контур может быть заменен системой токоограничения. В целом эта система совпадает с системой регулируемого привода и оптимизируется теми же методами. Некоторое отличие заключается в том, что привод главного движения имеет большую мощность и больший момент инерции. Вследствие этого входная цепь привода обычно имеет задатчик интенсивности, ограничивающей скорость нарастания управляющего сигнала; это необходимо во избежание резких толчков тока при больших значениях задания, поскольку медленно нарастающая ЭДС двигателя не может обеспечить эффективного токоограничения.
Система управления током возбуждения связана с системой управления напряжением якоря через ЭДС двигателя. Сигнал пропорциональный ЭДС снимается с диагонали тахометрического моста образованного якорем двигателя, обмоткой дополнительных полюсов (ДП) и резисторами R1 и R2.Этот сигнал подается на регулятор возбуждения (РВ),имеющий зоны насыщения, и далее через СИФУ-2 управляет работой теристорного преобразователя ТП-2,питающего обмотку возбуждения (ОВ) двигателя. Поскольку мощность возбуждения не велика применяют упрощенный однофазный преобразователь.
Кроме сигнала, пропорционального ЭДС двигателя, на вход регулятора (РВ) подается опорное напряжение, соответствующее номинальной частоте вращения двигателя. До тех пор пока частота вращения двигателя меньше номинальной, регулятор РВ находится в состоянии насыщения, и по обмотке насыщения протекает номинальный ток. При больших частотах вращения регулятор вступает в работу и начинает уменьшать поток возбуждения двигателя. Совместное действие регуляторов скорости и возбуждения приводит к тому, что во второй зоне регулирования ЭДС остается все время неизменной. Поэтому систему регулирования возбуждения считают контуром регулирования ЭДС, зависимым от контура скорости.
В первой зоне регулирования за счет изменения напряжения на якоре двигателя ЭДС возрастает при неизменном потоке.
Во второй зоне регулируется ток в области возбуждения. При этом стабилизируется ЭДС, а магнитный поток уменьшается.
























