Приложения
?Ёшыюцхэшх
аааааааа
аааааааа ? яЁштхфхээ?ї чрфрўрї юяє?хэ? эхъюЄюЁ?х яЁюьхцєЄюўэ?х яЁхюсЁрчютрэш , эхюсїюфшьюёЄ№ ъюЄюЁ?ї яЁштюфшЄё т ЄхъёЄх ёююЄтхЄёЄтє??шї Ёрчфхыют.
аааааааа ?рфрўр 1.
аааааааа
аааааааа ?ёшэїЁюээ?щ фтшурЄхы№ ўхЁхч ърсхы№ ш ЁхръЄюЁ яЁшёюхфшэхэ ъ °шэрь, эряЁ цхэшх эр ъюЄюЁ?ї яюффхЁцштрхЄё эхшчьхээ?ь. ?яЁхфхышЄ№ Єюъ ш ьюьхэЄ яЁш яєёъх фтшурЄхы , т?Ёрчшт шї т фюы ї юЄ эюьшэры№э?ї тхышўшэ.


ааааааааааа ??ааааа ааааааааааааааааааааааа ааааа?ааааааааааааааааааааааааааааааааааааааа ?
ааа
аааааааааааааааа
Рекомендуемые материалы
аааааааа ?р срчшёэ?х тхышўшэ? яЁшьхь эюьшэры№э?х фрээ?х фтшурЄхы
ааааааааааааа
а;
аааааааа юЄъєфр
аааааааааааааааааааааааааааааааааааааа
а;
аааааааа
аааааааа
аааааааа юЄэюёшЄхы№эр ЁхръЄштэюёЄ№ фтшурЄхы яЁш яєёъх
ааааааааааааааааааааааааааааааааааааааааа
.
аааааааа
аааааааа ?ЄэюёшЄхы№э?х срчшёэ?х ЁхръЄштэюёЄш ЁхръЄюЁр ш ърсхы
ааааааааааааааааааааа 
аааааааа ?ЄэюёшЄхы№эюх срчшёэюх эряЁ цхэшх эр °шэрї
аааааааааааааааааааааааааааааааааааааааа
.
аааааааа ?єcъютющ Єюъ сєфхЄ Ёртхэ
аааааааааааааааааааааааа
.
аааааааа ?ряЁ цхэшх эр фтшурЄхых яЁш яєёъх
ааааааааааааааааааааааааааааааааа
.
аааааааа ?єёъютющ ьюьхэЄ ёюёЄрты хЄ
ааааааааааааааааааааааааааааа
.
аааааааа ?рфрўр 2.
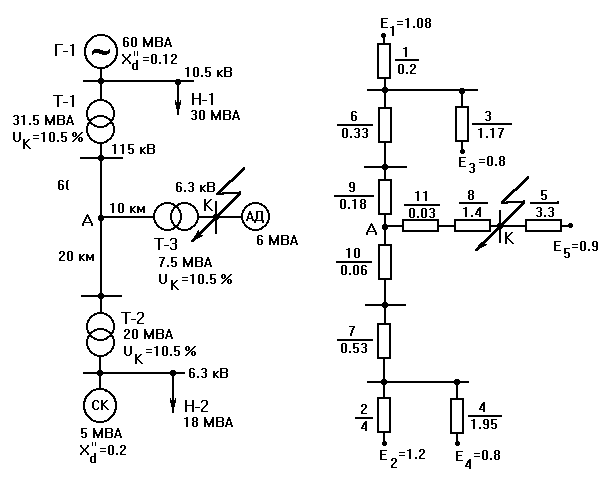
аааааааа ?Ёш ЄЁхїЇрчэюь ?? т Єюўъх ? т?ўшёышЄ№ єфрЁэ?щ Єюъ т ьхёЄх ъюЁюЄъюую чрь?ърэш . ?їхьр чрьх?хэш яЁш
ашьххЄ тшф

аааааааа ?юёыхфютрЄхы№э?ьа яЁхюсЁрчютрэшхь эрїюфшь


аааааааа ?рўры№э?щ ётхЁїяхЁхїюфэ?щ Єюъ ёю ёЄюЁюэ?ааа T-3
ааааааааааааааааааааааааааааааааааа
.
аааааааа ?ёЄрЄюўэюх эряЁ цхэшх т Єюўъх ?
аааааааааааааааааааааааа
.
аааааааа ?ч ¤Єюую ёыхфєхЄ, ўЄю эруЁєчъш ?-1 ш ?-2 тЁ ф ыш юърцєЄ ёє?хёЄтхээюх тыш эшх т яюфяшЄъх ьхёЄр ??.
аааааааа ? ёєььрЁэюь ръЄштэюь ёюяЁюЄштыхэшш ёїхь? ёє?хёЄтхээє? Ёюы№ ьюуєЄ шуЁрЄ№ Єюы№ъюа
,а Єюуфра
а,ааааааааааааааааааааааааааааааааа юЄэю°хэшха
.
аааааааа ?Ёшэ т фы ??аа
ааэрїюфшь єфрЁэ?щ Єюъ

аааааааа ?юы Єюър юЄ ?? ёюёЄрты хЄа 
аааааааа
аааааааа
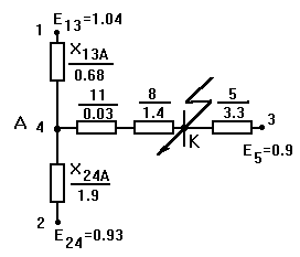
аааааааа ?рфрўр 3.
аааааааааааааааааааааааааааааааааааааааааа 
аааааааа ?хэхЁрЄюЁ ёа
ат эюЁьры№эюь Ёхцшьх ЁрсюЄры ё эюьшэры№э?ь эряЁ цхэшхь ш эруЁєчъющ 0.75 юЄ эюьшэры№эющ яЁш cos
а= 0.8 , ЁхръЄштэюёЄ№ ?ъ = 0.58 юЄэхёхээр ъа эюьшэры№э?ь єёыютш ь ухэхЁрЄюЁр. ?Ёш ЄЁхїЇрчэюь ъюЁюЄъюь чрь?ърэшш чр ?ъ юяЁхфхышЄ№ Єюъ ухэхЁрЄюЁр ш Єюъ т ьхёЄх ??. ?ЎхэшЄ№ тыш эшх эруЁєчъш, хёыш хх тхышўшэр 1,2а яю юЄэю°хэш? ъ эюьшэры№эющ ью?эюёЄш ухэхЁрЄюЁр.
аааааааа
аааааааа ??? ухэхЁрЄюЁр ёюёЄрты хЄ
.
аааааааа ?хръЄштэюёЄ№ эруЁєчъш, яЁштхфхээр ъ ью?эюёЄш ухэхЁрЄюЁр
аааааааааааааа аааааааааааааааа
.
аааааааа ?хчєы№ЄшЁє??р ЁхръЄштэюёЄ№
ааааааааааааааа
.
аааааааа ?хчєы№ЄшЁє??р ???
аааааааааааааааааааааааа 
.
аааааааа ?юъ т ьхёЄх ъюЁюЄъюую чрь?ърэш
ааааааааааааааааааааааааааааааааааааааааааа
.
аааааааа ?ряЁ цхэшх ухэхЁрЄюЁр
ааааааааааааааааааааааааааааааааааа
.
аааааааа ?юъ ухэхЁрЄюЁр
аааааааааааааааааааааааааааааааааааа
.
аааааааа ?ёыш шёъы?ўшЄ№ эруЁєчъє
ааааааааааааааааааааааааааа
.
аааааааа ?рфрўр 4.
аааааааа ?ы єёыютшщ чрфрўш 3 юяЁхфхышЄ№ Єх цх тхышўшэ?, ёўшЄр ўЄю эр ухэхЁрЄюЁх єёЄрэютыхэю ??? ёа
.
аааааааа ?ЁшЄшўхёър ЁхръЄштэюёЄ№
ааааааааааааааааааааааааа
.
аааааааа ?эх°э а ЁхръЄштэюёЄ№ яю юЄэю°хэш? ъ ухэхЁрЄюЁє
ааааааааааааааааааааааааааааа
.
аааааааа ?юёъюы№ъєаа
а,а ухэхЁрЄюЁ ЁрсюЄрхЄ т Ёхцшьх яЁхфхы№эюую тючсєцфхэш
ааааааааааааааааааааааааааааа
.
аааааааа ?ряЁ цхэшх эр т?тюфрї ухэхЁрЄюЁр
а
аааааааааааааааааааааааааааааааа
.
аааааааа ?юъ т ьхёЄх ъюЁюЄъюую чрь?ърэш
ааааааааааааааааааааааааааааааааааа 
.
аааааааа ?Ёш юЄёєЄёЄтшш эруЁєчъшаа
а,а ш ухэхЁрЄюЁ ЁрсюЄрхЄ т Ёхцшьх эюЁьры№эюую тючсєцфхэш .
аааааааааааааааааааааааааааа 
аааааааа ?рфрўр 5.
ааааааааааааааааааааааааааааааааааааа 
аааааааа ?Ёш тъы?ўхэшш рёшэїЁюээюую фтшурЄхы яшЄр??хуюё юЄ °шэа 6 ъ? яшЄр??хщ яюфёЄрэЎшш юфэр Їрчр шч-чр эхшёяЁртэюёЄш т?ъы?ўрЄхы юёЄрырё№ ЁрчюьъэєЄющ. ?яЁхфхышЄ№ тхышўшэє эрўры№эюую яєёъютюую Єюър.
аааааааа ?рЁрьхЄЁ? ёшёЄхь?.а
аааааааа ?хшчьхээюх эряЁ цхэшх 115 ъ?;
аааааааа ?ра
.
аааааааа ?ЁрэёЇюЁьрЄюЁ 115 / 6,3 ъ?
аааааааа Sэюь = 10 ???,а Uъ = 10 %
аааааааа ?ёшэїЁюээ?щ фтшурЄхы№
аааааааа 
аааааааа
аааааааа ?руЁєчър Sэюь = 2,5 ???, їрЁръЄхЁшчєхЄё ёЁхфэшьш ярЁрьхЄЁрьш (
).
аааааааа ?єёъ фтшурЄхы эр фтєї Їрчрї ьюцэю ЁрёёьрЄЁштрЄ№ ъръ фтєїЇрчэюх ъюЁюЄъюх чрь?ърэшха чр ЁхръЄштэюёЄ№? чрЄюЁьюцхээюую фтшурЄхы , ъюЄюЁр , ёыхфютрЄхы№эю, юфшэръютр фы яЁ ьющ ш юсЁрЄэющ яюёыхфютрЄхы№эюёЄхщ.
аааааааа ?ы эюьшэры№эющ ью?эюёЄш фтшурЄхы
ааааааааааааааааааааааааааааааааа
.
аааааааа ?хръЄштэюёЄ№аа 
(яЁша
).
аааааааа ?хчєы№ЄшЁє??шх ЁхръЄштэюёЄш
.
аааааааа ?хчєы№ЄшЁє??р ???
аааааааааааааааааааааааааааааааа
.
аааааааа ?юёЄрты ??р яЁ ьющ яюёыхфютрЄхы№эюёЄш яєёъютюую Єюър
аааааааааааааааааааааааааа
.
аааааааа ?хышўшэр яєёъютюую Єюър яЁш срчшёэ?ї єёыютш ї
аааааааааааааааааааааааааааааааааааааааа
.
аааааааа ?Ёш эюьшэры№э?ї єёыютш ї фтшурЄхы
аааааааааааааааааааааааааааааааааааа 
аааааааа ьхэ№°х эюьшэры№эюую яєёъютюую Єюър эр 30 % .а ?шььхЄЁшўэ?х ёюёЄрты ??шх эряЁ цхэш эр °шэрї
Если Вам понравилась эта лекция, то понравится и эта - 37 Оборудование шихтового двора.
ааааааааааааааааа 
аааааааа ?р т?тюфрї фтшурЄхы , тъы?ўхээюую фтєь Їрчрьш ёюёЄрты ??шх эряЁ цхэш
аааааааааааааааааааааааааааааа 
аааааааа ўЄю ёююЄтхЄёЄтєхЄ яєёъютюьє ьюьхэЄєа
.
?Єюс? яхЁхщЄш ъ ёяшёъє тёхї ьхЄюфшўхёъшї єърчрэшщ,
эрцьшЄх ыхтющ ъэюяъющ ь?°ш чфхё№























