Цифровые системы передачи
5 цифровые системы передачи
В разделе представлены: понятие о цифровом сигнале; дискретизация, квантование, кодирование и декодирование; приводятся схемы кодеров и декодеров; иерархия ЦСП с ИКМ; методы синхронизации; синхронная цифровая иерархия.
5.1 Цифровые сигналы: дискретизация, квантование, кодирование
В настоящее время во всём мире развивается цифровая форма передачи сигналов: цифровая телефония, цифровое кабельное телевидение, цифровые системы коммутации и системы передачи, цифровые сети связи. Качество цифровой связи значительно выше, чем аналоговой, так как цифровые сигналы гораздо более помехоустойчивы: нет накопления шумов, легко обрабатываются, цифровые сигналы можно «сжимать», что позволяет в одной полосе частот организовать больше каналов с высокой скоростью передачи и отличным качеством.
Цифровой сигнал – это последовательность импульсов. Общепринято импульсную последовательность представлять как чередование двух символов: 0 и 1. «Binary Digit» – «двоичная цифра». Отсюда и пошло понятие бит, то есть одна позиция в цифровом сигнале есть 1 бит; это может быть либо 0, либо 1. Восемь позиций в цифровом сигнале определяется понятием байт.
При передаче цифровых сигналов вводится понятие скорости передачи – это количество бит, передаваемых в единицу времени (в секунду).
Для передачи непрерывных сообщений цифровыми методами необходимо произвести преобразование этих сообщений в дискретные, которое осуществляется путём дискретизации непрерывных сигналов во времени и квантования их по уровню, и преобразования квантованных отсчётов в цифровой сигнал.
Дискретизация сигналов заключается в замене непрерывного сообщения uк(t) последовательностью его отсчётов, то есть последовательностью импульсов, модулированных по амплитуде (смотри рисунок 5.1.1, а). Частота дискретизации Fд выбирается из условия (4.4.1). Полученный аналоговый АИМ сигнал uАИМ(iTд), где i = 1, 2, 3 …, приведённый на рисунке 5.1.1, а, затем подвергается операции квантования, которая состоит в замене отсчётов мгновенных значений сигнала uАИМ (iTд) дискретными значениями u0, u1, u2 … u7 разрешённых уровней uкв (iTд). В процессе квантования мгновенные значения АИМ сигнала уровней uАИМ(iTд) заменяются ближайшими разрешёнными уровнями сигнала uкв(iTд) (смотри рисунок 5.1.1, а).

Рисунок 5.1.1 – Принцип ИКМ: а – дискретизация; б – ошибка квантования; в – цифровой сигнал с ИКМ
Такое преобразование первичных сигналов можно называть квантованной амплитудно-импульсной модуляцией (КАИМ). Особенностью такого сигнала является то, что все его уровни можно пронумеровать и тем самым свести передачу КАИМ-сигнала к передаче последовательностей номеров уровней, которые этот сигнал принимает в моменты i∙tд.
Рекомендуемые материалы
Расстояние между ближайшими разрешёнными уровнями квантования (u0 … u7 на рисунке 5.1.1, а) ∆ называется шагом квантования. Шкала квантования называется равномерной, если все шаги квантования равны между собой ∆j = ∆0.
Если в момент взятия i-го отсчёта мгновенное значение непрерывного сообщения uк(ti) удовлетворяет условию
uj – ∆j/2 ≤ uАИМ(iTд) ≤ uj + ∆j/2, (5.5.1)
то квантованному импульсу uкв(iTд) присваивается амплитуда разрешённого uj уровня квантования (смотри рисунок 5.1.1, а). При этом возникает ошибка квантования δкв, представляющая разность между передаваемой квантованной величиной uкв(iTд) и истинным значением непрерывного сигнала в данный момент времени uАИМ(iTд) (смотри рисунок 5.1.1, б):
δкв(iTд) = uкв(iTд) – uАИМ(iTд). (5.1.2)
Как следует из рисунков 5.1.1, б и (5.1.1), ошибка квантования лежит в пределах
–∆0/2 ≤ δкв ≤ ∆0/2. (5.1.3)
Амплитудная характеристика квантующего устройства при равномерной шкале квантования приведена на рисунке 5.1.2, а. Она имеет ступенчатую форму, и при изменении непрерывного сообщения uк(t) и соответствующего ему АИМ сигнала uАИМ(iTд) в пределах одной ступени выходной сигнал остаётся постоянным, а при достижении границы этой ступени изменяется скачком на величину шага квантования. При этом ошибка квантования зависит от uк(t) и имеет вид, изображённый на рисунке 5.1.2, б.

Рисунок 5.1.2 – Амплитудная характеристика квантователя
(а) и зависимость ошибки квантования от амплитуды импульсов (б)
Как следует из рисунка 5.1.2, б, из-за нелинейности амплитудной характеристики квантователя ошибка квантования δкв представляет собой функцию с большим числом резких скачков, частота следования которых существенно выше частоты исходного сообщения uк(t), то есть при квантовании происходит расширение спектра сигнала. При этом соседние боковые полосы будут накладываться друг на друга и в полосу пропускания ФНЧ на выходе канала попадут составляющие спектра искажений от квантования, распределение которых в полосе ФНЧ считается равномерным. Поскольку практически все дискретные значения непрерывного сообщения находятся в пределах зоны квантования от –uогр до +uогр, то при равномерной шкале квантования ∆j = ∆0 и тогда:
Ркв = (1/12) ∆20. (5.1.4)
Из выражения (5.1.4) видно, что при равномерной шкале квантования мощность шума квантования не зависит от уровня квантуемого сигнала и определяется только шагом квантования ∆0.
Рассмотрим теперь кодирование и декодирование сигналов. Следующий шаг в преобразовании сигнала состоит в переводе квантованного АИМ-сигнала в цифровой. Эта операция называется кодированием КАИМ-сигнала. Кодом называется закон, устанавливающий соответствие между квантованной амплитудой и структурой кодовой группы.
Различают равномерный и неравномерный коды. Если все кодовые группы состоят из равного числа символов, то код называется равномерным. Если же кодовые группы состоят из различного числа символов, то код называется неравномерным. В системах передачи с импульсно-кодовой модуляцией, как правило, используется равномерный двоичный код.
Для определения структуры двоичной кодовой комбинации на выходе кодера в простейшем случае необходимо в двоичном коде записать амплитуду АИМ отсчётов, выраженную в шагах квантования
, (5.1.5)
где ai = {0,1} – состояние соответствующего разряда комбинации; 2i – вес соответствующего разряда в шагах квантования.
Если в десятичной системе “вес” каждой позиции числа равен числу десять в некоторой степени, то в двоичной системе вместо числа десять используют число два. «Веса» первых тринадцати позиций двоичного числа имеют следующие значения:
| 212 | 211 | 210 | 29 | 28 | 27 | 26 | 25 | 24 | 23 | 22 | 21 | 20 |
| 4096 | 2048 | 1024 | 512 | 256 | 128 | 64 | 32 | 16 | 8 | 4 | 2 | 1 |
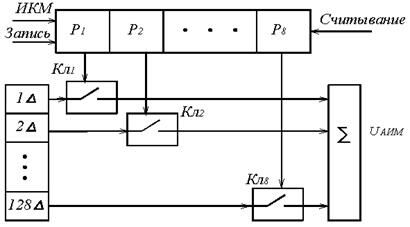
По принципу действия кодеры делятся на кодеры счётного типа, матричные, взвешивающего типа и другие. Наиболее часто используются кодеры взвешивающего типа, простейшим из которых является кодер поразрядного взвешивания (рисунок 5.1.3), реализующий функцию (5.1.5) с формирования натурального двоичного кода. Принцип работы такого кодера заключается в уравновешивании кодируемых АИМ отсчётов суммой эталонных напряжений. Схема линейного кодера поразрядного взвешивания содержит восемь ячеек (при m = 8), обеспечивающих формирование значения коэффициента аi соответствующего разряда (5.1.5). В состав каждой ячейки (за исключением последней, соответствующей младшему по весу разряду) входит схема сравнения СС и схема вычитания СВ.
Схема сравнения обеспечивает сравнение амплитуды поступающего АИМ сигнала с эталонными сигналами, амплитуды которых равны весам соответствующих разрядов
Uэт8 = 27∆ = 128∆; Uэт7 = 26∆ = 64∆; … Uэт1 = 20∆ = 1∆.
Если на входе ССi амплитуда поступающего АИМ сигнала равна или превышает Uэтi, то на выходе схемы сравнения формируется «1», а в СВi из входного сигнала вычитается Uэтi, после чего он поступает на вход следующей ячейки. Если же амплитуда АИМ сигнала на входе ССi меньше Uэтi, то на выходе ССi формируется «0» и АИМ сигнал проходит через СВi без изменений. После окончания процесса кодирования текущего отсчёта на выходе кодера получается восьмиразрядный параллельный код, кодер устанавливается в исходное состояние и начинается кодирование следующего отсчёта.

Рисунок 5.1.3 – Линейный кодер поразрядного действия
Если, например, на вход кодера поступил АИМ отсчёт с амплитудой UАИМ = 185∆, то СС8 формирует Р8 = 1 и на вход седьмой ячейки поступил сигнал с амплитудой UАИМ = 185∆ – 128∆ = 57∆. На выходе СС7 сформируется Р7 = 0 и на вход шестой ячейки кодера поступит сигнал с той же амплитудой UАИМ = 57∆. На выходе СС6 сформируется Р6 = 1 и на вход следующей ячейки поступит сигнал с амплитудой UАИМ = 57∆ – 32∆ = 25∆ и так далее. В результате будет сформирована кодовая комбинация 10111001.
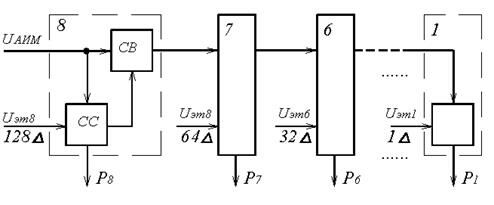
В процессе декодирования сигнала m – разрядные кодовые комбинации преобразуются в АИМ отсчёты соответствующей амплитуды. Сигнал на выходе декодера получается в результате суммирования эталонных сигналов Uэтi тех разрядов кодовой комбинации, значения которых равно 1 (рисунок 5.1.4). Так, если на вход декодера поступила кодовая комбинация 10111001, то амплитуда АИМ отсчёта на его выходе будет равна UАИМ = 128∆ + 32∆ + 16∆ + 8∆ + 1∆ = 185∆.
В линейном декодере (рисунок 5.1.4) под воздействием управляющих сигналов, поступающих от генераторного оборудования, в регистр сдвига записывается очередная восьмиразрядная кодовая комбинация. В момент прихода импульса считывания замыкаются только те ключи Кл1 … Кл8, которые соответствуют разрядам, имеющим значения «1». В результате в сумматоре объединяются соответствующие эталонные напряжения и на его выходе получается соответствующая амплитуда АИМ отсчёта.

Рисунок 5.1.4 – Линейный декодер взвешивающего типа
Рассмотренная схема кодера (рисунок 5.1.3) поразрядного взвешивания содержит большое число схем сравнения, которые являются относительно сложными устройствами. На практике чаще используется кодер взвешивающего типа с одной схемой сравнения и цепью обратной связи, содержащей декодер. Как следует из выражения (5.1.4), мощность шума квантования при линейном кодировании будет равной при различных амплитудах квантованных сигналов. Для синусоидальных сигналов отношение сигнал/шум квантования, рассчитывается по формуле:
, (5.1.6)
где Um – амплитуда квантуемого сигнала.
Из формулы видно, что для слабых входных сигналов это отношение гораздо хуже, чем для сигналов большой амплитуды. Для устранения этого недостатка было предложено использовать неравномерное квантование, то есть изменять шаг квантования пропорционально изменению амплитуды входного сигнала.
Для кодирования с неравномерной шкалой квантования могут быть использованы:
прямое нелинейное кодирование, при котором кодер сочетает в себе функции аналого-цифрового преобразования (АЦП) и компрессора;
аналоговое компандирование, при котором компрессирование сигнала осуществляется перед линейным кодером и экспандирование сигнала после линейного декодера;
преобразование на основе линейного кодирования, при котором кодирование сигнала осуществляется в линейном кодере с большим числом разрядов с последующим цифровым компандированием.
Переменную величину шага квантования можно получить с помощью устройства с нелинейной амплитудной характеристикой (рисунок 5.1.5) (которая называется компрессором, поскольку сжимает динамический диапазон входного сигнала) и равномерного квантователя (смотри рисунок 5.1.2). На приёмной стороне осуществляется расширение динамического диапазона экспандером, имеющим характеристику, противоположную компрессору, что обеспечивает линейность системы передачи. Совокупность операций сжатия динамического диапазона компрессором и расширение его экспандером называется компадированием сигнала.
В настоящее время в системах ВРК с ИКМ применяется характеристика компадирования типа А (рисунок 5.1.5).

Рисунок 5.1.5 – Характеристика компрессирования типа А
На этом рисунке сегментированная характеристика компрессии типа А для положительных сигналов (для отрицательных сигналов характеристика имеет аналогичный вид). Общее число сегментов характеристики Nс = 16, однако четыре центральных сегмента (по два в положительной и отрицательной областях) имеют одинаковый шаг квантования и фактически образуют один сегмент, вследствие чего число сегментов равно Nс = 13. Поэтому такая характеристика получила название типа А = 87.16/13. В центральном сегменте (Nс =1 или 2) значение ∆0 минимально (то есть равно ∆0) и соответствует двенадцатиразрядной равномерной шкале (m = 12), а в каждом последующем сегменте к краям характеристики шаг квантования увеличивается вдвое.
Представление ИКМ сигнала восьмиразрядными кодовыми комбинациями использует формат «знак – абсолютное значение», где один разряд отображает полярность АИМ сигнала П, а остальные – определяют его абсолютное значение. Семь разрядов, отображающих абсолютное значение, подразделяются на определитель номера сегмента С из трёх разрядов и определитель шага квантования К из четырёх разрядов (рисунок 5.1.6).

Рисунок 5.1.6 – Формат восьмиразрядной ИКМ комбинации
Для реализации такого кодера необходимо задать величины эталонных напряжений для нижней границы каждого сегмента и при кодировании внутри сегмента (таблица 5.1.1).
Схемы и принцип действия нелинейных кодеков взвешивающего типа в основном те же, что и у линейных кодеков. Отличие заключается в последовательности включения эталонных напряжений в процессе кодирования исходного сигнала.
Таблица 5.1.1 – Эталонные напряжения для нелинейного кодека
| Номер сегмента Nс | Эталонное напряжение нижней границы сегмента | Эталонные напряжения при кодировании в пределах сегмента | |||
| 8∆i(A) | 4∆i(B) | 2∆iI(С) | ∆i(D) | ||
| 0 | 0 | 8∆0 | 4∆0 | 2∆0 | 1∆0 |
| 1 | 16∆0 | 8∆0 | 4∆0 | 2∆0 | 1∆0 |
| 2 | 32∆0 | 16∆0 | 8∆0 | 4∆0 | 2∆0 |
| 3 | 64∆0 | 32∆0 | 16∆0 | 8∆0 | 4∆0 |
| 4 | 128∆0 | 64∆0 | 32∆0 | 16∆0 | 8∆0 |
| 5 | 256∆0 | 128∆0 | 64∆0 | 32∆0 | 16∆0 |
| 6 | 512∆0 | 256∆0 | 128∆0 | 64∆0 | 32∆0 |
| 7 | 1024∆0 | 512∆0 | 256∆0 | 128∆0 | 64∆0 |
Таким образом, максимальный шаг квантования (в седьмом сегменте) в 64 раза превышает минимальный шаг квантования, а отношение сигнал/шум квантования (для максимального значения синусоидального сигнала) может быть определено по выражению (5.1.6) и составит: для второго сегмента
Рс – Рш кв = 7.78 + 20lg(А/∆) = 7.78 + 20 lg(32∆0/∆0) = 37.88 дБ;
Для седьмого сегмента
Рс – Рш кв = 7.78 + 20 lg(2048∆0/64∆0) = 37.88 дБ.
Зависимость отношения сигнал/шум квантования от уровня входного сигнала при компадировании по закону А = 87.6/13 приведена на рисунке 5.1.7. Для сигналов в пределах нулевого и первого сегментов осуществляется равномерное квантование с шагом ∆0, поэтому Рс – Рш кв увеличивается с ростом рс. При переходе ко второму сегменту шаг квантования увеличивается в два раза, вследствие чего Рс – Рш кв резко уменьшается на 6 дБ, а затем в пределах данного сегмента возрастает с ростом рс, поскольку внутри сегмента осуществляется равномерное квантование. После попадания сигнала в зону ограничения отношение сигнал/шум резко уменьшается за счёт перегрузки кодера.

Рисунок 5.1.7 – Зависимость Рс/Рш кв = f(рс)
На рисунке 5.1.8 представлена упрощённая схема нелинейного кодера взвешивающего типа, реализующего прямое кодирование АИМ сигнала.

Рисунок 5.1.8 – Нелинейный кодер взвешивающего типа
Кодирование осуществляется за восемь тактовых интервалов, в каждом из которых формируется один из символов кодовой комбинации (рисунок 5.1.6). В первом такте определяется знак поступившего на вход кодера отсчёта. Если отсчёт положительный, то в знаковом разряде формируется «1» и к схеме переключения и суммирования эталонов СПСЭ подключается формирователь положительных эталонных напряжений ФЭ1, в противном случае формируется «0» и к схеме подключается ФЭ2. Затем происходит формирование кода номера сегмента методом деления их числа пополам (рисунок 5.1.9).

Рисунок 5.1.9 – Алгоритм формирования кода номера сегмента
Во втором такте управляющая логическая схема УЛС и СПСЭ обеспечивают подачу на вход схемы сравнения эталонного сигнала Uэт = 128 ∆0, соответствующего нижней границе четвёртого (среднего) сегмента. Если амплитуда отсчёта UАИМ ≥ Uэт = 128 ∆0, то принимается решение, что амплитуда отсчёта попадёт в один из четырёх вышележащих сегментов и формируется очередной символ X = 1, который по цепи обратной связи поступает на вход УЛС. В противном случае принимается решение, что амплитуда отсчёта попадает в один из нижележащих сегментов и формируется X = 0.
В третьем такте в зависимости от значения предыдущего символа X уточняется номер сегмента, в который попадает амплитуда кодируемого отсчёта. Если X = 1, то УЛС и СПСЭ подают на вход СС эталонное напряжение Uэт = 512 ∆0, соответствующего нижней границе шестого сегмента. При этом, если UАИМ ≥ Uэт = 512 ∆0 то принимается решение, что отсчёт попадает в один из двух вышележащих сегментов и формируется очередной символ Y = 1. В противном случае, если UАИМ ≤ Uэт = 512 ∆0, принимается решение, что отсчёт попадает в два нижележащих сегмента и формируется Y = 0.
Если же X = 0, то УЛС с помощью СПСЭ обеспечивает подачу на вход СС эталонного напряжения Uэт = 32 ∆0, соответствующего нижней границе второго сегмента. Если UАИМ ≥ Uэт = 32 ∆0, то принимается решение, что отсчёт попадает во второй и третий сегменты и формируется Y = 1. Если UАИМ ≤ Uэт = 32 ∆0, то принимается решение, что отсчёт попадает в два нижележащих сегмента и формируется Y = 0.
В четвёртом такте аналогичным образом формируется символ Z и окончательно формируется код номера сегмента. В результате, после четырёх тактов кодирования, сформируется четыре символа восьмиразрядной кодовой комбинации PXYZ (рисунок 5.1.6) и к СС подключается одно из восьми эталонных напряжений, соответствующих нижней границе сегмента, в котором находится кодируемый отсчёт.
В оставшихся четырёх тактах последовательно формируются символы ABCD кодовой комбинации, значения которых зависят от номера шага квантования внутри сегмента, соответствующего амплитуде кодируемого отсчёта. Поскольку внутри любого сегмента осуществляется равномерное квантование, то процесс кодирования реализуется, как и в линейных кодерах взвешивающего типа, путём последовательного включения эталонных напряжений соответствующих данному сегменту (таблица 5.1.1).
Например, если на вход кодера поступил положительный отсчёт с амплитудой UАИМ = 889 ∆0, то после первых четырёх тактов сформируются символы PXYZ = 1110 и к СС подключится эталонное напряжение Uэт = 512 ∆0, соответствующее нижней границе шестого сегмента, поскольку кодируемый сигнал находится в этом сегменте. В пятом такте к этому эталонному сигналу добавляется максимальное эталонное напряжение Uэт = 256 ∆0, соответствующее символу А в определителе шага квантования К (рисунок 5.1.6) шестого сегмента (таблица 5.1.1). Так как UАИМ > Uэт = (512 +256) ∆0, то формируется символ А = 1 и это эталонное напряжение остаётся включенным. В шестом такте подключается эталонное напряжение соответствующее символу В в определителе шага квантования Uэт = 128 ∆0 и так как UАИМ > Uэт = (512 +256 + 128) ∆0, то на выходе СС формируется символ В = 1 и это эталонное напряжение остаётся включенным. В седьмом такте подключается эталонное напряжение соответствующее символу С в определителе шага квантования Uэт = 64 ∆0 и так как UАИМ < Uэт = (512 +256 + 128 + 64) ∆0, то на выходе СС формируется символ С = 0. В восьмом такте вместо Uэт = 64 ∆0 подключается эталонное напряжение соответствующее символу D в определителе шага квантования Uэт = 32 ∆0 и так как UАИМ < Uэт = (512 +256 + 128 + 32) ∆0, то на выходе СС формируется символ D = 0 и это эталонное напряжение отключается и на этом процесс кодирования очередного отсчёта заканчивается. При этом на выходе кодера сформирована кодовая комбинация PXYZABCD = 11101100, соответствующая амплитуде уравновешивающего АИМ сигнала на входе СС UАИМ = 896 ∆0. Разница между входным и уравновешивающим АИМ сигналами на входах СС представляет ошибку квантования δкв = UАИМ – UАИМ = 7∆0.
5.2 Цифровые иерархии
При выборе иерархии ЦСП должны учитываться следующие требования: стандартизированные скорости передачи цифровых потоков должны выбираться с учётом возможности использования цифровых и аналоговых систем передачи и электрических характеристик существующих и перспективных линий связи; обеспечение возможности как синхронного, так и асинхронного объединения, разделения и транзита цифровых потоков и сигналов в цифровой форме. Кроме того, ЦСП высшего порядка должна удовлетворять требованию независимости скорости передачи в групповом цифровом сигнале от видов передаваемой информации и способа формирования этого сигнала.
Указанным требованиям удовлетворяет европейская иерархия ЦСП, которая базируется на первичной ЦСП ИКМ-30 со скоростью передачи группового цифрового сигнала 2048 кбит/с (Fт = 2048 кГц) (рисунок 5.2.1).

Рисунок 5.2.1 – Европейская иерархия цифровых систем передачи
Относительное возрастание скорости передачи в каждой последующей ступени иерархии по отношению к предыдущей связано с необходимостью увеличения объёма служебной информации при увеличении числа каналов.
Иерархия ЦСП с ИКМ. Упрощенная структурная схема аппаратуры ВРК с ИКМ приведена на рисунке 5.2.2, где для простоты показано индивидуальное оборудование одного канала.

Рисунок 5.2.2 – Упрощенная структурная схема аппаратуры объединения (АО) и разделения (АР) при ВРК с ИКМ
Телефонное сообщение uк(t) через дифференциальную систему (ДС) фильтр нижних частот (ФНЧ), который ограничивает спектр сигнала частотой 3.4 кГц, подается на вход модулятора АИМ (МАИМ). В модуляторе непрерывный сигнал дискретизируется, то есть превращается в последовательность модулированных по амплитуде импульсов, которые имеют частоту Fд=8 кГц.
Сигналы с АИМ всех каналов объединяются в групповой АИМ сигнал (смотри рисунок 5.1.1, в), который поступает на компрессор (Км). После компрессии групповой АИМ сигнал квантуется и кодируется в кодере (Кд). С выхода Кд двухуровневый цифровой сигнал подается на устройство объединения (УО), куда поступают импульсы от передатчика (П) СУВ и от передатчика циклового синхросигнала (ПЦС). Таким образом, в УО формируется групповой цифровой сигнал, структура цикла которого показана на рисунке 5.2.3.

Рисунок 5.2.3 – Структура цикла группового сигнала ВРК с ИКМ
Параметры двоичного цифрового сигнала плохо согласуются с параметрами реальных линий передачи, не пропускающих низкочастотные составляющие спектра такого сигнала. Поэтому двоичный сигнал подвергается перекодированию в преобразователе кода (ПКп) в так называемый код линии, у которого низкочастотные компоненты ослаблены и характеристики вследствие этого лучше сочетаются с параметрами линии. Работа всех блоков АО синхронизируется сигналами, вырабатываемыми распределителем каналов передачи (РКп).
На приёмной стороне ИКМ сигнал подвергается обратному преобразованию в АИМ квантованный сигнал (декодированию). Для этого непрерывный поток символов должен быть разделён на кодовые группы, каждая из которых соответствует одному отсчёту квантованного сигнала. Декодированный сигнал аналогичен квантованным отсчётам исходного сигнала uкв(iTд) (смотри рисунок 5.1.1, а), которые в своём спектре имеют составляющие с частотами Ωн … Ωв передаваемого сообщения uк(t). Поэтому из импульсной последовательности u*кв(iТд) принятое сообщение u*к(t) выделяется с помощью ФНЧ.
На стороне приёма сигнал по кабелю поступает на преобразователь кода приёма (ПКпр), где код линии преобразуется в двоичный и поступает в устройство разделения (УР). С выхода УР цикловой синхросигнал и СУВ поступают на свои приёмники, а кодовые группы речевых сигналов в декодере (Дк) преобразуются в групповой АИМ сигнал, который после экспандера (Эк) поступает на временные селекторы (ВС), открывающиеся поочерёдно и пропускающие импульсы АИМ, относящиеся к данному каналу. Демодуляция сигнала в канале осуществляется в ФНЧ.
Управление работой АР осуществляет распределитель каналов приёма (РКпр), синхронизация которого производится тактовой частотой, выделяемой из группового цифрового сигнала узкополосным фильтром, расположенным на выходе ПКпр, и цикловой синхронизацией.
Рассмотрим методы синхронизации. Для согласованной работы АО, АР и регенераторов необходимо обеспечить равенство скоростей обработки сигналов, правильное распределение АИМ сигналов и СУВ. Это осуществляется путём синхронизации регенераторов, генераторного оборудования АР по тактовой частоте и по циклам принимаемого цифрового сигнала.
При Nгр канальных интервалах и m разрядах в информационных кодовых группах тактовая частота группового цифрового сигнала
Fт = Fд ∙ m ∙ Nгр. (5.2.1)
Так, для системы ИКМ-30, рассчитанной на Nгр = 32 канальных интервала при восьмиразрядной кодовой группе, Fт = 8∙8∙32 = 2048 кГц. Групповой цифровой сигнал uИКМ(t) представляет собой случайную последовательность двоичных импульсов (рисунок 5.1.1, в). Эту последовательность можно представить в виде суммы периодической и случайной последовательностей. Периодическая последовательность импульсов имеет дискретный спектр и при τи, равной Т и Т/2, дискретные составляющие будут иметь частоты F=0; Fт и так далее (смотри рисунок 5.2.4, где эти составляющие отмечены точками). Случайная биполярная последовательность определяет непрерывный спектр (рисунок 5.2.4) исходной двоичной последовательности.

Рисунок 5.2.4 – Энергетический спектр случайной последовательности двоичных импульсов (а, б) и сигнала с ЧПИ (в) (составляющие дискретного спектра отмечены точками)
Из рисунка 5.2.4 следует, что максимальную энергию тактовой частоты имеет случайная двоичная последовательность с τи = T/2. Колебания с тактовой частотой Fт выделяются из такой последовательности узкополосным фильтром и используются в регенераторе для синхронизации работы решающего устройства.
Система цикловой синхронизации определяет начало цикла передачи и обеспечивает согласованное с АО распределение декодированных на приемном конце отсчетных значений аналоговых сигналов по своим каналам. Неточность работы цикловой синхронизации приводит к увеличению вероятности ошибки в информационных каналах. Для увеличения помехоустойчивости в качестве циклового синхросигнала (рисунок 5.2.3) используется группа символов постоянной структуры с частотой следования 4 кГц, то есть ЦС передаются через цикл передачи.
Рассмотрим объединение ЦСП на базе асинхронного ввода цифровых сигналов. Необходимость объединения цифровых потоков возникает при формировании группового цифрового сигнала из цифровых потоков систем более низкого порядка, из различных сигналов, передаваемых в цифровом виде, а также при вводе в групповой цифровой сигнал дискретных сигналов от различных источников информации (рисунок 5.2.5). Цифровые потоки формируются в ЦСП, задающие генераторы которых могут быть синхронизированы или несинхронизированы с задающим генератором оборудования объединения. В соответствии с этим производится синхронное или асинхронное объединение цифровых потоков.

Рисунок 5.2.5 – Упрощенная структурная схема (а) посимвольное (б) и поканальное (в) объединение цифровых потоков
Для временного объединения асинхронных цифровых потоков необходимо предварительно согласовать их скорости, то есть «привязать» их к одной опорной частоте. На приёме суммарный сигнал распределяется по соответствующим выходам. Приходящие на вход системы передачи биты из четырёх информационных потоков записываются в ячейки памяти запоминающего устройства (ЗУ), а затем считываются с них и направляются в линию. Если содержимое ячеек памяти считалось быстрее, сформировался «пустой» временной интервал для вставки синхроимпульсов. Строгая периодичность синхросигнала – одно из важнейших свойств для его распознавания.
Если же генератор окажется нестабильным, то появится смещение во времени «пустых» интервалов и нарушится строгая периодичность их повторения. Может произойти сбой в работе системы синхронизации и всей аппаратуры в целом. Во избежание этого применяют процедуру выравнивания скоростей или, как часто называют, согласования скоростей.
Специальный контроллер следит за взаимным положением импульсов записи и считывания и, если импульсы считывания начали следовать быстрее (расстояние между соседними парами этих импульсов уменьшается), то контролер сигнализирует, что «пустой» интервал появился раньше времени. Другое устройство вводит в пустой интервал ложный импульс, не несущий никакой информации. В данном случае мы имеем дело с положительным согласованием скоростей.
Описанная выше процедура согласования скоростей называется стаффинг (от английского «staffing» - вставка). На приёмную станцию подаётся команда, что произошло согласование скоростей для ликвидации ложного импульса. Для надёжности команду согласования скоростей многократно дублируют, например, посылают её три раза.
Если же генератор вырабатывает импульсы считывания реже и в цифровом потоке уже должен появиться «пустой» интервал, а тактовые импульсы ещё не считали из ЗУ предшествующий ему информационный импульс, то придётся исключить из цифрового потока лишний бит и предоставить временной интервал для передачи очередного синхроимпульса. Такое согласование получило название отрицательного.
Таким образом, на приёмную станцию необходимо сообщить, какое согласование произошло: положительное или отрицательное. Для этой цели вводят команду «Вид согласования», посылая по другому служебному каналу 1 при положительном согласовании и 0 при отрицательном. Её также повторяют три раза. Таким образом, информация об изъятии или добавлении импульса передается в специально выделенных импульсных позициях, и на основе этой информации на приемной стороне при разделении цифровых потоков происходит восстановление их скоростей (рисунок 5.2.5). Объединение потоков с выравниванием скоростей получило название плезиохронного, то есть почти синхронного, а существующая иерархия скоростей передачи цифровых потоков, а, значит, и систем передачи типа ИКМ – плезиохронной цифровой иерархией (по-английски PDH- Plesiohronous Digital Hierarhy).
При асинхронном способе объединения в блоках цифрового сопряжения БЦСпер (рисунок 5.2.5) скорости цифровых потоков объединяемых систем приводятся в соответствие с их соотношением с тактовой частотой объединенного потока и устанавливаются необходимые временные положения сигналов объединяемых потоков (КЦП – коллектор цифрового потока, РЦП – распределитель цифрового потока). Для синхронизации тракта передачи и приема по групповому цифровому потоку он разбивается на циклы, в начале которых вводится сигнал синхронизации (рисунок 5.3.2, б и в). При поканальном объединении цифровых потоков сужаются и распределяются во времени интервалы, отводимые для кодовых групп (рисунок 5.3.2, в).
Указанные иерархии, известные под общим названием PDH, или ПЦИ, сведены в таблицу 5.2.1.
Таблица 5.2.1 – Сравнение иерархий
| Уровень цифровой | Скорости передач, соответствующие | ||
| AC: 1544 Кбит/с | ЯС: 1544 Кбит/с | EC: 2048 Кбит/с | |
| 0 | 64 | 64 | 64 |
| 1 | 1544 | 1544 | 2048 |
| 2 | 6312 | 6312 | 8448 |
| 3 | 44736 | 32064 | 34368 |
| 4 | – | 97728 | 139264 |
Где АС – американская схема; ЯС – японская схема; ЕС – европейская схема.
Но PDH обладала рядом недостатков, а именно:
затруднённый ввод/вывод цифровых потоков в промежуточных пунктах;
отсутствие средств сетевого автоматического контроля и управления;
многоступенчатое восстановление синхронизма требует достаточно большого времени;
Также можно считать недостатком наличие трёх различных иерархий.
Указанные недостатки PDH, а также ряд других факторов привели к разработке в Европе аналогичной синхронной цифровой иерархии SDH.
Синхронная цифровая иерархия. Новая цифровая иерархия SDH – это способ мультиплексирования различных цифровых данных в единый блок, называемый синхронным транспортным модулем (STM), с целью передачи этого модуля по линии связи. Упрощённая структура STM показана на рисунке 5.2.6:

Рисунок 5.2.6 – Структура синхронного транспортного модуля STM-1
Модуль представляет собой фрейм (рамку) 9∙270 = 2430 байт. Кроме передаваемой информации (называемой в литературе полезной нагрузкой), он содержит в 4-й строке указатель (Pointer, PTR), определяющий начало записи полезной нагрузки.
Чтобы определить маршрут транспортного модуля, в левой части рамки записывается секционный заголовок (Section Over Head – SOH). Нижние 5∙9 = 45 байтов (после указателя) отвечают за доставку информации в то место сети, к тому мультиплексору, где этот транспортный модуль будет переформировываться. Данная часть заголовка так и называется: секционный заголовок мультиплексора (MSOH). Верхние 3∙9 = 27 байтов (до указателя) представляют собой секционный заголовок регенератора (RSOH), где будут осуществляться восстановление потока, «поврежденного» помехами, и исправление ошибок в нем.
Один цикл передачи включает в себя считывание в линию такой прямоугольной таблицы. Порядок передачи байтов – слева направо, сверху вниз (так же, как при чтении текста на странице). Продолжительность цикла передачи STM-1 составляет 125 мкс, т.е. он повторяется с частотой 8 кГц. Каждая клеточка соответствует скорости передачи 8 бит ∙ 8 кГц = 64 кбит/с. Значит, если тратить на передачу в линию каждой прямоугольной рамки 125 мкс, то за секунду в линию будет передано 9∙270∙64 Кбит/с = 155520 Кбит/с, т.е. 155 Мбит/с.
Таблица 5.2.2 – Синхронная цифровая иерархия
| Уровень | Тип синхронного | Скорость передачи, Мбит/с |
| 1 | STM-1 | 155,520 |
| 2 | STM-4 | 622,080 |
| 3 | STM-16 | 2488,320 |
| 4 | STM-64 | 9953,280 |
Для создания более мощных цифровых потоков в SDH-системах формируется следующая скоростная иерархия (таблица 5.2.2): 4 модуля STM-1 объединяются путем побайтного мультиплексирования в модуль STM-4, передаваемый со скоростью 622,080 Мбит/с; затем 4 модуля STM-4 объединяются в модуль STM-16 со скоростью передачи 2488,320 Мбит/с; наконец 4 модуля STM-16 могут быть объединены в высокоскоростной модуль STM-64 (9953,280 Мбит/с).
На рисунке 5.2.7 показано формирование модуля STM-16. Сначала каждые 4 модуля STM-1 с помощью мультиплексоров с четырьмя входами объединяются в модуль STM-4, затем четыре модуля STM-4 мультиплексируются таким же четырёхвходовым мультиплексором в модуль STM-16. Однако существует мультиплексор на 16 входов, с помощью которого можно одновременно объединить 16 модулей STM-1 в один модуль STM-16.

Рисунок 5.2.7 – Формирование синхронного транспортного модуля STM–16
Формирование модуля STM-1. В сети SDH применены принципы контейнерных перевозок. Подлежащие транспортировке сигналы предварительно размещаются в стандартных контейнерах (Container – С). Все операции с контейнерами производятся независимо от их содержания, чем и достигается прозрачность сети SDH, т.е. способность транспортировать различные сигналы, в частности, сигналы PDH.
Наиболее близким по скорости к первому уровню иерархии SDH (155,520 Мбит/с) является цифровой поток со скоростью 139,264 Мбит/с, образуемый на выходе аппаратуры плезиохронной цифровой иерархии ИКМ-1920. Его проще всего разместить в модуле STM-1. Для этого поступающий цифровой сигнал сначала «упаковывают» в контейнер (т.е. размещают на определенных позициях его цикла), который обозначается С-4.
Рамка контейнера С-4 содержит 9 строк и 260 однобайтовых столбцов. Добавлением слева еще одного столбца – маршрутного или трактового заголовка (Path Over Head – РОН) – этот контейнер преобразуется в виртуальный контейнер VC-4.
Наконец, чтобы поместить виртуальный контейнер VC-4 в модуль STM-1, его снабжают указателем (PTR), образуя таким образом административный блок AU-4 (Administrative Unit), а последний помещают непосредственно в модуль STM-1 вместе с секционным заголовком SOH (рисунок 5.2.8 и рисунок 5.2.9).
Синхронный транспортный модуль STM-1 можно загрузить и плезиохронными потоками со скоростями 2,048 Мбит/с. Такие потоки формируются аппаратурой ИКМ-30, они широко распространены в современных сетях. Для первоначальной «упаковки» используется контейнер С12. Цифровой сигнал размещается на определенных позициях этого контейнера. Путем добавления маршрутного, или транспортного, заголовка (РОН) образуется виртуальный контейнер VC-12. Виртуальные контейнеры формируются и расформировываются в точках окончаниях трактов.

Рисунок 5.2.8 – Размещение контейнеров в модуле STM-1
В модуле STM-1 можно разместить 63 виртуальных контейнера VC-12. При этом поступают следующим образом. Виртуальный контейнер VC-12 снабжают указателем (PTR) и образуют тем самым транспортный блок TU-12 (Tributary Unit). Теперь цифровые потоки разных транспортных блоков можно объединять в цифровой поток 155,520 Мбит/с (рисунок 5.2.9). Сначала три транспортных блока TU-12 путем мультиплексирования объединяют в группу транспортных блоков TUG-2 (Tributary Unit Group), затем семь групп TUG-2 мультиплексируют в группы транспортных блоков TUG-3, а три группы TUG-3 объединяют вместе и помещают в виртуальный контейнер VC-4. Далее путь преобразований известен.
На рисунке 5.2.9 показан также способ размещения в STM-N, N=1,4,16 различных цифровых потоков от аппаратуры плезиохронной цифровой иерархии. Плезиохронные цифровые потоки всех уровней размещаются
в контейнерах С с использованием процедуры выравнивания скоростей (положительного, отрицательного и двухстороннего).
Люди также интересуются этой лекцией: 27 Общая характеристика собственности на землю.
Наличие большого числа указателей (PTR) позволяет совершенно
четко определить местонахождение в модуле STM-N любого цифрового
потока со скоростями 2,048; 34,368 и 139,264 Мбит/с. Выпускаемые промышленностью мультиплексоры ввода-вывода (Add/Drop Multiplexer –
ADM) позволяют ответвлять и добавлять любые цифровые потоки.

Рисунок 5.2.9 – Ввод плезиохронных цифровых потоков в синхронный транспортный модуль STM-N
Важной особенностью аппаратуры SDH является то, что в трактовых и сетевых заголовках помимо маршрутной информации создается много информации, позволяющей обеспечить наблюдение и управление всей сетью в целом, дистанционные переключения в мультиплексорах по требованию клиентов, осуществлять контроль и диагностику, своевременно обнаруживать и устранять неисправности, реализовать эффективную эксплуатацию сети и сохранить высокое качество предоставляемых услуг.
Иерархии PDH и SDH взаимодействуют через процедуры мультиплексирования и демультиплексирования потоков PDH в системы SDH.
Основным отличием системы SDH от системы PDH является переход на новый принцип мультиплексирования. В системе SDH производится синхронное мультиплексирование/демультиплексирование, которое позволяет организовывать непосредственный доступ к каналам PDH, которые передаются в сети SDH. Это довольно важное и простое нововведение в технологии привело к тому, что в целом технология мультиплексирования в сети SDH намного сложнее, чем технология в сети PDH, усилились требования по синхронизации и параметрам качества среды передачи и системы передачи, а также увеличилось количество параметров, существенных для работы сети.





















