Особенности аппаратуры
4.3 Особенности аппаратуры
Предающие устройства земных станций. Эти устройства аналогичны передающим устройствам тропосферных линий связи. Частотная или фазовая модуляция колебаний осуществляется методами, используемыми в РРЛ прямой видимости и в тропосферных линиях связи.
На рисунке 4.3.1 приведена структурная схема передающей части аппаратуры «Градиент», которая работает в полосе частот 5975…6225 МГц и устанавливается на каждый ствол земной станции (ЗС). Передаваемые сообщения (многоканальный телефонный сигнал или телевизионный сигнал совместно со звуковым сообщением) подаются на вход (Вх) модулятора (М). Здесь осуществляется частотная модуляция колебаний промежуточной частоты, которые поступают к преобразователям ПР. На выходе ПР получаются ЧМ колебания в указанной выше полосе частот мощностью 3 Вт. Последующие усиление (до 3 или 10 кВт) осуществляется в мощных усилителях (МУ) на клистронах с КПД не менее 25%. Выходы МУ подключены к переключателю Пк, с помощью которого можно подключить к устройству сложения (УС) первый или второй комплект ПР и МУ и тем самым осуществить резервирование этих блоков (время переключения на резерв не более 200 мс). Отметим, что посредством УС к антенной системе можно подключить несколько таких же комплектов аппаратуры, то есть осуществить передачу через одну антенну нескольких стволов, каждый из которых занимает полсу 34 МГц. Контроль за работой осуществляется блоками К.

Рисунок 4.3.1 – Структурная схема передающего устройства «Градиент»
Передающие устройства систем связи через ИСЗ отличаются от передающих устройств других систем связи, рассмотренных в предыдущих главах тем, что в них производится ограничение мощности и вводятся специальные сигналы дисперсии.
Приемные устройства земных станций. Одной из основных особенностей приемных устройств земных станций является применение малошумящих усилителей на входе и антенн с большим коэффициентом усиления, достигающим 52…60 дБ.
Рассмотрим структурную схему приемного устройства «Орбита-2» (рисунок 4.3.2), рассчитанного для работы в полосе частот 3400…3900 МГц. Колебания, принимаемые антенной, проходят переключатель комплектов П и поступают на вход одного из малошумящих охлаждаемых параметрических усилителей (МШУ), а затем – на вход преобразователя и предварительного усилителя ПЧ (ПР; ПУПЧ). С выхода ПУПЧ колебания поступают на основной УПЧ и частотный детектор, которые находятся в стойке П (Ст. П). На выходе этой стойки в зависимости от вида принимаемого сигнала можно получить либо многоканальное телефонное сообщение, либо сигнал изображения совместно со звуковым сопровождением. Разделение последних осуществляется фильтром Ф. На рисунке 4.3.2 показано, что МШУ, ПР и ПУПЧ полностью резервированы, переход на резерв осуществляется автоматически переключателем П посредством аппаратуры контроля и резервирования (КР) в течение 250 мс. Основными параметрами описанного приемного устройства являются: эффективная шумовая температура, отнесенная ко входу – 80…90 К; коэффициенты усиления; МШУ – 40 дБ, ПУПЧ – 23 дБ, основного УПЧ 55 дБ. Система АРУ поддерживает выходной уровень ПЧ с точностью ±1 дБ при изменении входного уровня на ±10 дБ; полоса тракта ПЧ по уровню 1 дБ – 34 МГц, полоса МШУ по уровню 1 дБ – 250 МГц.

Рисунок 4.3.2 – Структурная схема приемного устройства «Орбита-2»
Рекомендуемые материалы
Аппаратура «Орбита-2» позволяет создавать и многоствольный вариант приема; для этого с выходов МШУ, показанных на рисунке 4.3.2, колебания подаются на несколько параллельно включаемых блоков ПР; ПУПЧ.
Антенны. В приемных и передающих устройствах используются антенные системы с усилением 50…60 дБ и малыми боковыми лепестками – рупорно-параболические и параболические антенны с переизлучателем (антенны Кассегрена). Наряду с этим, антенная система должна обеспечивать непрерывное слежение за движением ИСЗ. Это необходимо даже при использовании геостационарных ИСЗ, так как из-за неточностей выведения на орбиту они имеют некоторое перемещение и требуют коррекции движения. Отметим, что современные требования определяют допустимое смещение геостационарных ИСЗ на ±0.1 относительно номинального значения долготы. Поэтому антенные системы с узкой диаграммой направленности должны быть снабжены соответствующими поворотными устройствами, которые обеспечивают перемещение антенны в пространстве либо по заранее составленной программе, либо с помощью специальной системы слежения по максимальному значению принимаемого с ИСЗ сигнала. Второй способ может быть непосредственно реализован только на приемных антеннах, от которых данные, характеризующие направление приемной антенны на спутник, могут быть переданы на систему, управляющую движением передающей антенны. При передаче этих данных в них вносятся соответствующие поправки, учитывающие как некоторый территориальный разнос приемной и передающей антенн, так и их конструктивную неидентичность.
Бортовая приемопередающая аппаратура. Одним из основных требований, предъявляемых ко всем комплексам, входящим в состав бортовой аппаратуры ИСЗ, является их высокая надежность, обеспечивающая безотказную работу аппаратуры в условиях космического пространства в течении длительного времени. Этому требованию должны отвечать не только отдельные детали и компоненты, входящие в состав аппаратуры, но и технологические приемы, используемые при изготовлении аппаратуры. Выбор варианта схемы бортового оборудования должен определяться минимальными массой, размерами, потребляемой мощностью.
Люди также интересуются этой лекцией: 1.2. Ток, напряжение и мощность в электрической цепи.
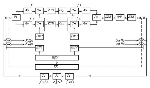
На рисунке 4.3.3 приведена структурная схема приемопередатчика системы связи «Молния-1». Прием и передача сигналов осуществляется общей антенной А, которая через разветвитель Р1 и фильтры Ф1 и Ф2 присоединяется ко входу приемников и выходу передатчиков. Сигналы с несущими частотами f1 и f2, принимаемые с земных станций, поступают к разветвителю Р2 (рисунок 4.3.3) и через фильтры Ф3 и Ф4 подводятся к смесителям См, УПЧ и ограничителям Огр. После выравнивания ограничителями амплитуд принятых сигналов последние подаются к смесителям, в которых осуществляется преобразование промежуточной частоты в СВЧ. Затем сигналы с несущими частотами f2 и f4 через фильтры Ф5 и Ф6 и разветвитель Р3 подводятся к двухкаскадному усилителю на ЛБВ. Охлаждение ЛБВ осуществляется жидкостью, которая проходит через наружные радиаторы, излучающие тепло в космическое пространство.

Рисунок 4.3.3 – Структурная схема ретранслятора «Молния-1»
Для обеспечения продолжительной работы и повышения надежности бортовой приемопередающей станции используются холодное резервирование комплектов аппаратуры и автоматическая система проверки. Последняя состоит из имитатора колебаний с несущей частотой земных станций (ИНЗ), контрольно-измерительного устройства (КИУ), программно-временного устройства (ПВУ) и коммутатора комплексов (КК). При обнаружении неисправного комплекта он заменяется одним из двух резервных.
К основным характеристикам ретранслятора системы связи «Молния-1» относятся : диапазон частот – 800…1000 МГц; ширина диаграммы направленности бортовой антенны по уровню половинной мощности – 22º; мощность бортовых передатчиков при передаче телевизионного сигнала 40 Вт, при дуплексной передаче телефонных разговоров по 14 Вт в каждом высокочастотном стволе (на частоте f2 и f4); движение ИСЗ – по эллиптической орбите с апогеем около 40000 км в северном полушарии, перигеем около 500 км и наклонением орбиты около 65º; период обращения ИСЗ – 12 часов.
В 1972 году были запущены ИСЗ «Молния-2» с модернизированным ретранслятором, передатчики которого работают в диапазоне 4 ГГц.





















