Зависимости термодинамики для процессов с переменным количеством рабочего тела
Лекция 11.
Зависимости термодинамики для процессов с переменным количеством рабочего тела.
В различных устройствах газоавтоматики часто встричаются фрагменты (рабочие полости), в которых скорость газа незначительна. Построим математическую модель процессов в таком элементе.

Допущения: скорость движения рабочего тела во всех точках объема полости настолько мала, что его кинетическая энергия по сравнению с внутренней энергией пренебрежимо мала. Линейные размеры полости таковы, что возмущение по давлению распространяется по всему объему практически мгновенно и давление рабочего тела во всех точках объема полости одинаково. Обычно полагают так же одинаковыми по всему объему температуру и плотность газа.
Будем полагать, что
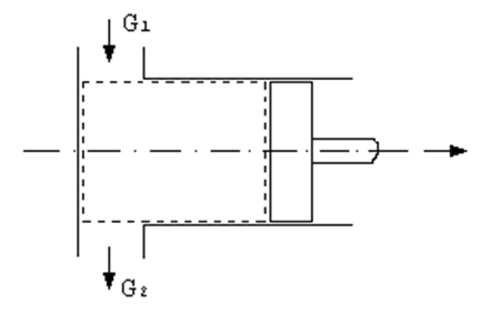
. Объем полости может быть постоянным и переменным. Ниже рассмотрим случай, когда объем переменный. Учтем так же возможность теплообмена между рабочим телом стенками. На рисунке пунктиром выделена контурная поверхность.
В соответствии с принятыми допущениями, рабочее тело – равновесное.
Преобразуем почленно уравнение (1.27)
,
Рекомендуемые материалы
где
– масса газа в объеме полости.
,
где
и
– массовые секундные приход и расход (энергии) рабочего тела.
. (для идеального и реального газов) 
При преобразовании уравнения энергии (1.29) не будем учитывать работу массовых сил и будем осреднять параметры газового потока на контрольной поверхности в области подводящего и отводящего каналов
,

,
,
где
,
,
где
,
,
,
– значения параметров газа, осредненные на контрольной поверхности, в области подводящего и отводящего каналов.
Т.к. скорость контрольной поверхности отлична от нуля лишь в области прилегающей к подвижному поршню и
совпадает со скоростью поршня 
,
где
– площадь поршня.
– секундное изменение внутренней энергии газа в полости за счет массообмена.
– работа в единицу времени, совершаемая газом при перемещении поршня.
Энергию, приобретаемую и расходуемую газом за счет теплообмена, определим обобщенно
.
С учетом всех проделанных преобразований получаем уравнение
. 
(1.66) и (1.67) составляют систему обыкновенных дифференциальных уравнений, которые иногда называют нульмерными уравнениями газовой динамики.
(1.66) и (1.67) справедливы как для идеального, так и для реального газа, они не замкнуты.

Т.к. течение по подводящим и отводящим каналам принимаем одномерным, то
и
(1.67а) равны энтальпии торможения газовых потоков в этом канале.
, (для идеального газа)
где
,
,
– параметры газа в полости.
Если газ поступает в полость из некоторого источника питания (баллона), где скорость газа равна нулю, параметры газа
,
,
, а потери энергии в канале пренебрежимо малы
. (для идеального газа)
Информация в лекции "48. Экономико-географическая характеристика г. Москвы в условиях перехода к рыночным отношениям." поможет Вам.
Для того, чтобы получить замкнутую систему дифференциальных уравнений необходимо провести детализацию уравнений (1.67) и (1.66). Для этого надо:
1. выбрать переменные процессы
;
2. исключить, используя термическое и калорическое уравнения соответствия, “лишние” переменные из (1.66) и (1.67);
3. используя модели процессов подводящих и отводящих каналов получить формулы для расходов
и
функции от переменных процесса;
4. выразить функции от переменных процесса секундный расход ~ приход энергии за счет теплообмена;
5. записать уравнение движения механической части устройства, которое определит нам во времени перемещение и скорость поршня.





















