Защита сборных шин
5. Защита сборных шин
5.1. Виды защит и требования к ним
Причины возникновения КЗ на шинах:
1. перекрытие шинных изоляторов и вводов выключателей;
2. повреждение трансформаторов тока и трансформаторов напряжения;
3. поломка изоляторов разъединителей и воздушных выключателей во время операций с ними;
4. ошибки обслуживающего персонала при переключениях в распределительных устройствах.
Для защиты шин могут применяться защиты питающих шины присоединений (генераторов на станциях, трансформаторов и линий). Однако эти защиты работают при КЗ на шинах с выдержкой времени. По условиям устойчивости, особенно в сети 110-500 кВ, обычно требуется мгновенное отключение междуфазных КЗ на шинах. Появляется необходимость в применении специальных защит шин, способных отключать повреждения на них без выдержки времени.
Кроме недостаточной быстроты действия, защиты линий, трансформаторов и генераторов зачастую не могут обеспечить селективного отключения поврежденной системы шин (см. рис. 72.).

Рис. 72.
Рекомендуемые материалы
Специальные защиты шин применяются в тех случаях, когда защита присоединений не в состоянии обеспечить необходимого быстродействия и селективности.
Для прекращения КЗ на шинах, защита должна отключить все присоединения питающие шины. Поэтому специальная защита шин должна быть особо надежна, так как неправильное действие приведет к отключению целой подстанции или секции.
Сейчас наиболее часто используется дифференциальная защита шин.
На трансформаторах и секционных выключателях, питающих шины, у которых отходящие линии имеют реакторы, применяют токовые отсечки для защиты шин (см. рис. 73.).
В настоящее время быстрое отключение КЗ на шинах, сочетается с АПВ шин. Опыт эксплуатации показал, что некоторый % КЗ на шинах имеет преходящий характер.

Рис. 73.
5.2. Дифференциальная защита шин
5.2.1. Принцип действия
Основана на сравнении величины и фазы токов, приходящих к защищаемому элементу и уходящих от него. Для питания защиты на всех присоединениях устанавливаются трансформаторы тока с одинаковым коэффициентом трансформации, независимо от мощности присоединения.

Рис. 74.
- ток в реле равен сумме токов всех присоединений.
При внешних КЗ:
. (См. рис. 74.) При КЗ в зоне действия (см. рис. 75.) 
равна сумме токов КЗ, притекающих к месту повреждения, защита срабатывает.
При внешнем КЗ:

- в идеале, без учета намагничивания.
С учетом токов намагничивания, вторичные токи трансформаторов тока равны:

В общем случае:
,
где:
- ток намагничивания поврежденного присоединения;
- суммарный ток намагничивания неповрежденных присоединений.
Защита не будет действовать при условии: ICP>Iнб.макс.
При КЗ на шинах:

Рис. 75.
По всем присоединениям, имеющим источники питания, ток КЗ направляется к месту повреждения. Вторичные токи направлены в обмотке реле одинаково, ток в реле равен их сумме:

, так как
,то
- при КЗ на шинах дифференциальная защита реагирует на полный ток IK в месте повреждения и благодаря этому имеет наивыгоднейшие условия в отношении чувствительности. Защита будет действовать, если: IK>Iс.з..
В нормальном режиме по части присоединений токи направлены к шинам, а по другим – от шин. Всегда соблюдается равенство:
.
Ток в реле:
.
Однако из-за погрешностей трансформаторов тока в реле появляется ток небаланса. Поскольку токи нагрузки меньше токов КЗ, величина тока небаланса в нормальном режиме значительно меньше, чем при внешнем КЗ.
5.2.2. Мероприятия по повышению надежности дифференциальной защиты шин
5.2.2.1. Уменьшение токов небаланса

Для уменьшения тока небаланса необходимо уменьшать разность между намагничивающим током
- поврежденного присоединения, по которому проходит наибольший ток КЗ и суммой намагничивающих токов
- остальных присоединений (см. рис. 76.).
Ток намагничивания трансформатора тока зависит от величины его вторичной ЭДС EВ. Кривая намагничивания EВ=f(Iнам).
Чем больше ток КЗ, проходящий через трансформатор тока, тем больше вторичная ЭДС EВ, и, следовательно, Iнам. При внешнем КЗ, наибольший ток КЗ проходит через трансформатор тока поврежденного присоединения, поэтому его ток намагничивания и погрешность будут максимальны.
Особенно неблагоприятным является такое соотношение вторичных ЭДС, при котором трансформатор тока поврежденного присоединения работает в насыщенной части (точка 4 на рис. 76.), а остальные – в прямолинейной части характеристики (точки 1,2 и 3).

Рис. 76.
Для уменьшения токов небаланса, все трансформаторы тока должны работать при внешних КЗ в ненасыщенной части характеристики (пунктирная кривая).
Для этого необходимо:
1. применять однотипные трансформаторы тока, у которых насыщение происходит при возможно больших токах (рекомендуется применять трансформаторы тока класса Р(Д));
2. уменьшать кратность тока КЗ к номинальному току трансформатора тока, увеличивая коэффициент трансформации nт;
3. уменьшать нагрузку на трансформаторы тока, уменьшая ZН – сопротивление нагрузки и вторичный ток Iв, путем увеличения сечения и сокращения длины соединительных проводов, применения одноамперных трансформаторов тока или вспомогательных трансформаторов, понижающих ток в соединительных проводах.
Выбор трансформаторов тока и определение допустимой нагрузки ZН на них производится по кривым предельной кратности токов при 10%-ой погрешности.
5.2.2.2. Отстройка дифференциальных реле от тока небаланса
Несмотря на вышеперечисленные мероприятия по снижению тока небаланса, в неустановившемся режиме токи небаланса все же могут достигать больших значений, за счет влияния апериодической составляющей тока КЗ, сильно намагничивающей сердечник трансформатора тока.
Для улучшения отстройки от повышенных токов небаланса в неустановившемся режиме в дифференциальной защите шин применяются реле с быстронасыщающимися трансформаторами тока (см. рис. 77.)
БНТ не пропускает в реле апериодическую составляющую тока небаланса. Дифференциальная защита отстраивается не от полного тока небаланса, а только от его периодической составляющей. Защита выполняется с помощью реле РНТ-565 со встроенным БНТ. Реле имеет две независимые рабочие обмотки w1 и w2, выполняется в двух модификациях на 5 и 1 А вторичного номинального тока.

Рис. 77.
5.2.2.3. Контроль за исправностью токовых цепей
В случае обрыва вторичной цепи трансформатора тока любого присоединения ток оборванной фазы не поступает в дифференциальное реле. В результате нарушается баланс токов, защита может неправильно сработать – отключить всю подстанцию или электростанцию, т.е. вызвать тяжелую аварию.
Для предупреждения неправильной работы защиты под влиянием тока нагрузки оборванной фазы, дифференциальное реле отстраивается от тока нагрузки наиболее загруженного присоединения.
Кроме того, в нулевом проводе дифференциального реле устанавливается чувствительное токовое реле КА0. Реле выводит защиту из действия и подает сигнал, при обрыве фазы. Реле дополняется миллиамперметром Pma, при помощи которого можно обнаружить не только обрыв, но и ухудшение контакта в цепи какой-нибудь фазы или витковое замыкание в трансформаторах тока, вызывающие увеличение тока небаланса в нулевом проводе. Нажимая кнопку SB дежурный периодически измеряет ток небаланса.
5.2.3. Ток срабатывания дифференциальной защиты шин с реле, включенными через БНТ
Ток срабатывания выбирается по двум условиям.
1. Защита не должна действовать при обрыве вторичной токовой цепи в нормальном режиме:
,
где: kН - коэффициент запаса = 1,2-1,25;
IН.макс - максимальный ток нагрузки наиболее загруженного присоединения.
2. Защита не должна действовать от токов небаланса при внешних КЗ:

При включении реле через БНТ, ток срабатывания отстраивается только от тока небаланса в установившимся режиме.
Величина установившегося Iнб.макс оценивается приближенно. Предполагается, что работает с погрешностью только трансформатор тока по которому проходит суммарный ток КЗ. При этом условии ток небаланса будет равен погрешности e этого трансформатора тока, которая, в свою очередь равна току намагничивания Iнам:
Iнб =e= Iнам
Если e при максимальном значении тока КЗ не превышает 10%, что проверяется по кривым 10%-ой погрешности, то:
Iнб.макс =0,1Iк.макс
где: Iк.макс - наибольший ток КЗ при внешних повреждениях.
Чувствительность защиты

Защита должна надежно работать при КЗ на защищаемых шинах при минимальном токе КЗ.
5.2.4. Разновидности схем дифференциальной защиты шин
5.2.4.1. Схема дифференциальной защиты шин для подстанций с одной рабочей и второй резервной системами шин

Рис. 78. а)
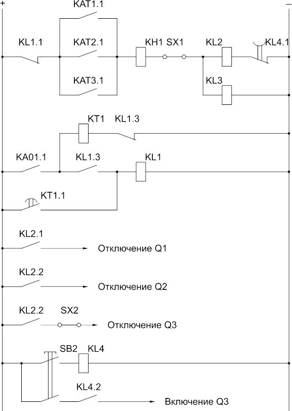
Подстанция нормально работает на одной системе шин, на которую включены все присоединения. Шиносоединительный выключатель Q3 отключен. Вторая система шин находится в резерве без напряжения.
Защита должна обеспечивать отключение повреждения не только в условиях нормального режима подстанции, но и во время перевода присоединений с рабочей системы шин на резервную.

Рис. 78. б)
В нормальном режиме шиносоединительный выключатель отключен, и его трансформаторы тока не подсоединены к защите.
При включении шиносоединительного выключателя резервная система шин попадает в зону действия защиты, поэтому если в момент опробования резервных шин, на них окажется КЗ, то защита шин сработает и отключит всю подстанцию, было бы достаточно отключить один шиносоединительный выключатель.
Для этого предусматривается блокировка, которая в момент опробования резервных шин, прерывает действие защиты на отключение всех присоединений, кроме шиносоединительного выключателя.
После истечения времени tбл, достаточного для включения шиносоединительного выключателя и обратного его отключения в случае КЗ на резервных шинах, блокировка восстанавливает нормальную схему защиты шин с действием на все выключатели.
Блокировка выполняется при помощи промежуточного реле KL4 с замедленным возвратом. 1-ый контакт этого реле нормально замкнут, и через него проходит минус выходного промежуточного реле KL2, действующего на отключение всех выключателей, кроме шиносоединительного Q3.
При включении Q3 от ключа управления SB2, реле KL4 приходит в действие и снимает минус с реле KL2. В качестве реле KL4 часто применялись промежуточные реле типа РЭ-500 или РП-252, имеющие замедление порядка 1-2 с.
Трансформаторы тока шиносоединительного выключателя присоединяются к цепям защиты при выводе через шиносоединительный выключатель какого-либо присоединения.
5.2.4.2. Схема дифференциальной защиты шин для подстанций, работающих на двух системах шин с фиксированным распределением присоединений

Рис. 79. а)

Рис. 79. б)
В работе находятся две системы шин, связанные секционным, или шиносоединительным выключателем. Каждое присоединение включается на определенную систему шин, и это распределение фиксируется.
Защита шин при КЗ на каждой системе шин должна отключать секционный выключатель и все присоединения включенные на повредившиеся шины.
Селективность может быть достигнута применением двух самостоятельных защит, охватывающих каждую систему шин. Однако такая система имеет недостатки:
1. при включении всех присоединений на одну из систем шин, защита шин будет работать не селективно при внешних КЗ;
2. защита шин не обеспечит селективности при внешних КЗ при вынужденном нарушении фиксации присоединений.
С целью обеспечения селективности при внешних КЗ в указанных режимах применяется схема с тремя комплектами защиты.
Комплект реле KAT1 – для защиты 1 секции.
Комплект реле KAT3 – для защиты 2 секции.
Комплект реле KAT2 – дифференциальная защита обеих секций, действующая при КЗ на шинах как первой, так и второй секции. Реле комплекта 2, подают + оперативного тока на реле комплектов 1 и 3 и производят отключение шиносоединительного выключателя.
Все три комплекта не работают при внешних КЗ. При КЗ на 1 секции – действуют комплекты 1 и 2. Для комплекта 3 - это КЗ является внешним и он не работает.
В случае нарушения принятой фиксации присоединений по шинам (например Q2 переведен на вторую секцию при помощи резервной системы шин и выключателя Q7) схема сохраняет селективность при внешних КЗ, но теряет её при КЗ на шинах.
Чтобы вновь обеспечить селективность, следует переключить трансформаторы тока и оперативные цепи присоединений, переведенные на другую систему шин, на комплект защиты шин этой системы.
5.2.4.3. Схема дифференциальной защиты шин с двумя выключателями на каждом присоединении

Рис. 80. а)

Рис. 80. б)
Каждая система шин оборудуется отдельной дифференциальной защитой, действующей на отключение выключателей своих шин. Каждая защита должна иметь устройство для контроля исправности токовых цепей.
5.3. Оценка дифференциальной защиты шин
Достоинства:
Вместе с этой лекцией читают "Киевский князь Ярослав Мудрый".
1. быстрота действия;
2. селективность;
3. высокая чувствительность;
4. не действие при качаниях и перегрузках.
Опыт эксплуатации показывает, что при хорошем монтаже, правильном выборе трансформаторов тока и надежной отстройке от токов небаланса, защита работает надежно и имеет высокий процент правильного действия.
Дифференциальная защита широко применяется для защиты шин в сетях 110-750 кВ.























