Пример выполнения дз
Пример выполнения ДЗ
Рассчитать характеристики вакуумной системы, представленной на рис.1 и разработать циклограмму работы откачной системы при следующих исходных данных:
Объем рабочей камеры, м3 – 0,01;
Форма рабочей камеры – цилиндр;
Материал стенок рабочей камеры – коррозионно-стойкая сталь;
Рабочее давление аргона, Па – 1.10-2;
Тип вакуума – масляный;
Максимальное время откачки, мин. – 20;

Рекомендуемые материалы
Рис. 1 Вакуумная схема установки типа ВУП (ARC – дуговой источник, MAG – магнетрон, AIS – автономный источник ионов)
1)Расчет потока газовыделения Qв с поверхности стенок вакуумной камеры:
Qв = qвF
Для коррозионно-стойкой стали, при предварительной 2ух часовой откачки, удельный поток газовыделения qв = 1,08
;
Найдем площадь поверхности стенок вакуумной камеры:
Положим что у камеры r=h
V=
Отсюда площадь будет ровна:
Поток газовыделения равен:
2)Расчет эффективной быстроты откачки вакуумной камеры.
Рабочее давление
=1.10-2 [Па];
Откачаем до
=
[Па];
S0=Qв/p=
3)Выбор типа и типоразмера высоковакуумного насоса исходя из условия Sн≥S0, типа вакуума и давления остаточных газов;
Диффузионный насос НВДМ-1600
Предельное давление РН’, Па – 
Быстрота действия,
- 0,7
Диаметр присоединительного фланца Dy, мм - 160
Диапазон рабочих давлений РР, Па – 
4)Выбор параметров трубопровода высоковакуумной откачки: Dу и L.
Диаметр трубопровода Dy – 160 [мм]
Длину трубопровода L - 1600 [мм]
5)Расчет проводимости трубопровода высоковакуумной откачки Uв.в. для молекулярного режима течения газа (от 8
Па).
Критерий режимов
Молекулярно-вязкостное течение газа (0,13.. 0,032 Па).
=
Молекулярное течение газа (0,032…
Па).
=
6)Проверка выполнения условия Sн≥S0 по основному уравнению вакуумной техники для высоковакуумной магистрали.
выполняется
7)Выбор типа и типоразмера форвакуумного насоса исходя из условия Sн≥Qв/pвх.ф.в.н., где pвх.ф.в.н. находится по таблице для выбранного форвакуумного насоса.
Механический насос НВР-1
Предельное давление РН’, Па – 
Быстрота действия,
- 0,00125
Диаметр присоединительного фланца Dy, мм - 25
Диапазон рабочих давлений РР, Па - 
Qв/pвх.ф.в.н. =
Sн≥Qв/pвх.ф.в.н - выполняется.
8)Выбор параметров трубопровода форвакуумной откачки: Dу и L.
Диаметр трубопровода Dy – 25 [мм]
Длину трубопровода L - 400 [мм]
9)Расчет проводимости трубопровода форвакуумной откачки Uф.в. для соответствующего режима течения газа (Uф.в.≥Qв/pвых.в.в.н., где pвых.в.в.н. находится по таблице для выбранного высоковакуумного насоса).
Вязкостное течение газа (
..48 Па).
Молекулярно-вязкостное течение газа (48.. 0,16 Па).
Молекулярное течение газа (0,16…0,13 Па).
Qв/pвых.ф.в.н. =
10)Выбор параметров трубопровода байпасной откачки: Dу и L.
Диаметр трубопровода Dy – 25 [мм]
Длина трубопровода L - 2000 [мм]
Расчет проводимости трубопровода байпасной откачки и быстроты откачки
Вязкостное течение газа (
..48 Па).
=
Молекулярно-вязкостное течение газа (48.. 0,16 Па).
=
Молекулярное течение газа (0,16…0,13 Па).
=
11)Расчет суммарного времени откачки t=tб.п.+tв.в. (б.п. – байпасная откачка вакуумной камеры, в.в. – высоковакуумная откачка).
Длительность откачки:
| Расчётная схема | Байпасная | Высоковакуумная | |||
| Насос | Механический
| Диффузионный | |||
| Диапазон используемых рабочих давлений,Па |
|
| |||
| Диаметр трубопровода, м | 0.025 | 0.160 | |||
| Режимы | В | М-В | М | М-В | М |
| Интервалы рабочих давлений трубопровода в соответствующем режиме, Па |
р1=105 р2=48 |
р1=48 р2=0,16 |
р1=0,16 р2=0,13
|
р1=0,13 р2=0,032 |
р1=0,032 р2=2,9 |
| Проводимость трубопровода в интервале, м3с-1 |
13,3 |
3,62·10-2 |
4,7·10-3 |
0,319 |
0,310 |
| Быстрота откачки в интервале, м3с-1 |
1,25·10-3 |
1,21·10-3 | 9,9·10-4
|
0,219 | 0,215 |
| Время откачки в интервале, с | 61,7 | 48,8 | 2,6 | 0,06 | 0,25 |
Байпасная
В
(0,01)/(1,25·10-3)
=61,7 с
М-В
(0,01)/(1,21·10-3)
=48,8 с
М
(0,01)/(9,9·10-4)
=2,6 с
Высоковакуумная
М-В
(0,01)/(0,219)
=0,06 с
М
(0,01)/( 0,215)
=0,25 с
12)Разработка циклограммы работы откачной системы, проверка выполнения условия t<tmax
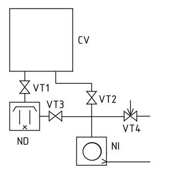
Схема откачной системы:

Циклограмма:
| Время, сек | 1-20 | 21-40 | 41-60 | 61-80 | 81-100 | 101-114 |
| Насос NI | ||||||
| Насос ND | ||||||
| Клапан VT1 | откр | |||||
| Клапан VT2 | откр | закр | ||||
| Клапан VT3 | откр | |||||
| НатекательVF1 |
t = 113,4 сек ≤6000 сек=20 мин
СООТНОШЕНИЕ ЕДИНИЦ ДАВЛЕНИЯ
| Pa N/m2 | bar | mbar | mbar dyn/cm2 | Torr mmHg | micron mTorr | atm | at | MmWS | psi lbf/inch2 | psf lbf/ft2 | |
| Pa | 1 | 1*10-5 | 1*10-2 | 10 | 7.5*10-3 | 7.5 | 9.87*10-6 | 1.02*10-5 | 0.102 | 1.45*10-4 | 2.09*10-2 |
| bar | 1*105 | 1 | 1*103 | 1*106 | 750 | 7.5*105 | 0.987 | 1.02 | 1.02*104 | 14.5 | 2.09*103 |
| mbar | 100 | 1*10-3 | 1 | 1000 | 0.75 | 750 | 9.87*10-4 | 1.02*10-3 | 10.2 | 1.45*10-2 | 2.09 |
| mbar | 0.1 | 1*10-6 | 1*10-3 | 1 | 7.5*10-4 | 0.75 | 9.87*10-7 | 1.02*10-6 | 1.02*10-2 | 1.45*10-5 | 2.09*10-3 |
| Torr | 1.33*102 | 1.33*10-3 | 1.33 | 1330 | 1 | 1000 | 1.32*10-3 | 1.36*10-3 | 13.6 | 1.93*10-2 | 2.78 |
| micron | 0.133 | 1.33*10-6 | 1.33*10-3 | 1.33 | 1*10-3 | 1 | 1.32*10-6 | 1.36*10-6 | 1.36*10-2 | 1.93*10-5 | 1.78*10-3 |
| atm | 1.01*105 | 1.013 | 1013 | 1.01*106 | 760 | 7.6*105 | 1 | 1.03 | 1.03*104 | 14.7 | 2.12*103 |
| at | 9.81*104 | 0.981 | 981 | 9.81*105 | 735.6 | 7.36*105 | 0.968 | 1 | 1*104 | 14.2 | 2.04*103 |
| mmWS | 9.81 | 9.81*10-5 | 9.81*10-2 | 98.1 | 7.36*10-2 | 73.6 | 9.68*10-5 | 1*10-4 | 1 | 1.42*10-3 | 0.204 |
| psi | 6.89*103 | 6.89*10-2 | 68.9 | 6.89*104 | 51.71 | 5.17*104 | 6.8*10-2 | 7.02*10-2 | 702 | 1 | 144 |
| psf | 47.8 | 4.78*10-4 | 0.478 | 478 | 0.359 | 359 | 4.72*10-4 | 4.87*10-4 | 4.87 | 6.94*10-3 | 1 |
| Pa m3 /s | Mbar l/s | Torr l/s | atm cm3/s | lusee | sccm | slm | Mol/s | |
| Pa m3/s | 1 | 10 | 7.5 | 9.87 | 7.5*103 | 592 | 0.592 | 4.41*10-4 |
| Mbar l/s | 0.1 | 1 | 0.75 | 0.987 | 750 | 59.2 | 5.92*10-2 | 4.41*10-5 |
| Torr l/s | 0.133 | 1.33 | 1 | 1.32 | 1000 | 78.9 | 7.89*10-2 | 5.85*10-5 |
| atm cm3/s | 0.101 | 1.01 | 0.76 | 1 | 760 | 59.8 | 5.98*10-2 | 4.45*10-5 |
| luses | 1.33*10-4 | 1.33*10-3 | 10-3 | 1.32*10-3 | 1 | 7.89*10-2 | 7.89*10-5 | 5.86*10-8 |
| sccm | 1.69*10-3 | 1.69*10-2 | 1.27*10-2 | 1.67*10-2 | 12.7 | 1 | 10-3 | 7.45*10-7 |
| slm | 1.69 | 1.69 | 12.7 | 16.7 | 1.27*104 | 1000 | 1 | 7.45*10-4 |
| Mol/s | 2.27*103 | 2.27*104 | Ещё посмотрите лекцию "5.10. Картодиаграммы" по этой теме. 1.7*104 | 2.24*104 | 1.7*107 | 1.34*106 | 1.34*103 | 1 |





10-4

















