Операционные усилители
Лекция № 9.
Операционные усилители
ОУ выполняет свои функции с помощью цепей ОС, т.е. они могут осуществить усиление или ослабление сигнала, сложение или вычитание, интегрирование и дифференцирование.
Поскольку все операции, проводимые с помощью ОУ имеют нормированную погрешность, то к его характеристикам предъявляются
определенные требования:
- высокие Rвх (малые Iвх)
- очень высокий коэффициент усиления
- низкое значение Rвых
Рекомендуемые материалы
Частотный диапазон: от нулевых частот до достаточно высоких частот.
ОУ – усилитель постоянного тока. ОУ имеет 2 входа, поэтому он может осуществить все операции, которые делает дифференциальный усилитель.

![]() |
ДА1 – аналоговый элемент
ДД – цифровой элемент
Uвых=-Uвх1*А ; (Uвх2=0)
А – коэффициент усиления ОУ
Uвых=Uвх2*А ; (Uвх1=0)
Uвых=(Uвх2- Uвх1)*А .
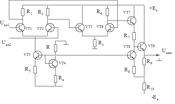
1-й каскадный симметричный дифференциальный усилитель:

![]() |
1-ый каскад:
Источник тока в цепи – Э, для подавления синфазной составляющей. Выход симметричный.
2-ой каскад:
Дифференциальный усилитель, но не симметричный. Выходной каскад (аконечный) – схема с ОК, делитель сигнала выполнен на ктивных элементах, все это работает как составной транзистор.
βΣ=β1 * β2;
делитель R9 снабжен элементом VT8 и выполняет функцию источника тока.
VT7, VT8 выполняют функцию каскада сдвига уровня
Каскадирование решается методом сдвига уровней.
Параметры ОУ
Одна из главных характеристик: амплитудная (передаточная) характеристика.
Зависимость Uвых от Uвх:

![]() |
Сигнал подаем на инвертирующий вход. Рабочая область линейна и имеет очень большой наклон.
Примечание: ОУ не может работать без ОС!
Условие – при Uвых=0 и Uвх=0 не выполняется.
Смещение реальной характеристики.
Причина разбаланса: разброс параметров элементов дифференциального усилителя и зависимость этих параметров от температуры.
Для балансировки могут быть включены дополнительные внешние элементы (калибровочные).
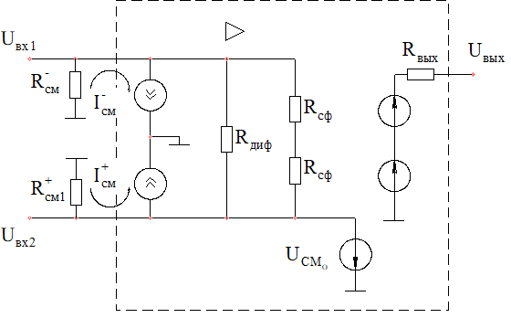
Упрощенная эквивалентная схема:




![]() |
В идеале Rвх=
.
В реальных схемах имеется конечное значение сопротивления между входами, т.е. Rдиф (пр. 500кОм).
На входе большое сопротивление синфазного сигнала, на входе текут не нулевые токи, а конечные значения токов; токи смещения являются режимными токами. Iсм – параметр определяющий точность.
На выходе–Rвых ненулевое, имеет большое значение, Rвых =~200, 150 Ом, его можно уменьшить (пр., с помощью ОС).
Суммарная ошибка ОУ
Uош=Ucm 0 + αt ΔT+ (ICM+RCM- ICM-RCM);
αt=
;
Uсм0 зависит от температуры;
ΔΔIсм разность входных токов от температуры(дрейф);
ΔIсм- разность входных токов по температуре.
Усилительные параметры - Кнд, КООС, Кнсф;
Входные параметры – Rвхд, Rвхсф, Uвх сф доп, Uвх д доп,Uсм о, Iсм, Δ Iсм , ΔΔ Iсм;
Выходные параметры – Rвых, Uвых мах, Iвых доп.
Типы ОУ:
- ОУ общего применения;
Вместе с этой лекцией читают "86 Наследование отдельных видов имущества".
- ОУ быстродействующие;
- ОУ прецизионные(точные).
Временные и высокочастотные параметры ОУ. Динамические параметры.
![]() | |||
![]() |
Vвых (
)- скорость изменения выходного напряжения.
tуст- время, за которое заканчивается переходной процесс установления ОУ.





























