Достижимые параметры пара и конструкции пг c газовыми теплоносителями
Лекция №11
Достижимые параметры пара и конструкции пг c газовыми теплоносителями
| Название АЭС | Параметры т/н | Параметры рабочего тела | ||||||
|
|
|
|
| Рекомендуемые материалыТехническое задание FREE Маран Программная инженерия -34% ЛЮБАЯ практика в Синергии! -20% ЛЮБАЯ дипломная работа в Синергии!
|
|
| ||
| Па | С0 | С0 | Па | С0 | Па | С0 | ||
| Колдер-Холл (Англ.) СО2, Магнокс | 20 | 400 | 200 | 14,7 | 322 | 4,6 | 182 | |
| Сайузейл «А» (Англ.),СО2, Магнокс | 19,1 | 410 | 214 | 44,5 | 394 | 16,3 | 397 | |
| HTGR (ФРГ), He, нерж.сталь | 40- -50 | 750- -800 | 350- -400 | 240 | 565* | ------ | ------ | |
Примечание:
* - ПГ с турбиной двух начальных давлений.
** - ПГ с обычной турбиной СКД и перегревом пара.
Особенности газа:
- уравнение отвода тепла
- огромный объёмный расход
- очень мало, а
- сильно увеличивается.
«GV» м2/ч, т.к. V – велик. Для уменьшения V и GV нужно увеличивать Р1
~ 2000 (СО2)
~4000 (He)
HTGR (на БН с гелием)
ПТУ – 1 давление, с ППП.

Реактор HTGR можно совместить с другими технологиями, где нужны высокие температуры.
Способ уменьшения необратимости теплообмена

Требует: F ® ¥ G ® ¥ t ® ¥ dt ® ¥
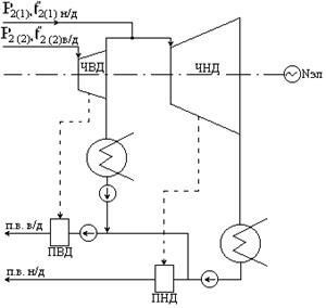
Паровой цикл 2х давлений.
(1910 - 1940)

Пар 2х давлений.
(1)
(2)

Английская АЭС Колдер-Холл
смотри рисунок 32 (ПГ – 2х давлений с 2мя БС, с ЕЦ) Схематичный рисунок ПГ:

t,Q – диаграмма ПТО, размещён в рассечку:

Эти схемы применяются лишь для маленьких турбин до Nэл£10¸30МВт. При высоких мощностях лопатки в ЧНД получаются слишком большими.
Недостатки конструкций ПГ с газовым теплоносителем.
Решение из энергетики, где теплоноситель не является радиоактивные газы. Т. к. конструкция газонеплотная и имеет большое число проходок в корпусе. Все змеевики на наружных коллекторах, т.е. выход радиационных газов наружу предотвратить очень сложно. Трубопроводы теплоносителя очень длины, что осложняет биологическую защиту от излучения.
Рис. 33: ПГ 2х давлений (Требуется частая замена прохудившихся змеевиков – это сделать очень сложно из-за высокой радиоактивности.)
Рис. 34 Секционный ПГ АЭС (Чехословакия с ЕЦ). Диаграмма t,Q – аналогична АЭС «Колдер - Холл». Вместо змеевиков применяется пучок труб в трубе, и всё это закреплено на металлических стойках. В этом случае упрощается ремонт. Этот ПГ более ремонтопригоден, но является более металлоемким.
Рис. 35 Секционный ПГ АЭС «EDF - 1»: Секционный ПГ 2х давлений. Каждая секция состоит из кожухотрубного теплообменника внутри ПТО (ЭКО, ИСП и ПП), в секцию встроен БС вертикального типа.
Фрагмент ИСП секции ПГ «EDF -1» «Франция»

С введением новых требований по радиационной безопасности реакторы HTGR, ВТГР проектируются в интегральной компоновке с ПГ и газодувками. Корпус ЯППУ – монолит из ПНЖБ, изнутри герметизирован блокировкой из нержавеющей стали.

1 - корпус из ПНЖБ;
2 - ЯР(ВТГР) на БН;
3 - газодувка (у/б вентилятор);
4 - электричкский привод газодувки;
5 - ПГ (прямоточный, ЭКО, ИСП, ПП, ППП).
Все вх., вых., рабочего тела – сверху (Россия)
Или снизу (Германия, США). См. Рис. 36
Особенность конструкции барабанных ПГ
Любая ПТО вынесена из БС – это приводит к увеличению металлоёмкости и уменьшению надёжности толстого корпуса БС.

Контур ЕЦ большой высоты, что является неотъемлемым плюсом.
Лекция №12
Конструкция современных парогенераторов, обогреваемых водой под давлением
Наиболее оптимальная конструкция парогенератора это
ПГ=ИСП

В СССР используется парогенератор горизонтального типа. Однако, в проекте существовал и ПГ вертикального типа, но практическая реализация такого ПГ не состоялась, т.к. ВВЭР рассчитан на горизонтальный ПГ.
В США этот проект реализован на PWR
Под уровень котловой воды заложена поверхность теплообмена. Трубки ПТО крепятся на коллекторах внедренных внутрь корпуса
1. горячий коллектор;
2. холодный коллектор;
3. поверхность теплообмена;
4. коллектор подачи питательной воды;
5. уровень зеркала испарения;
6. циклонные сепараторы;
7. жалюзийные сепараторы.
Преимущества и недостатки
Горизонтальный ПГ:
малая высота реакторного зала;
большая площадь зеркала испарения;
Поясним такое понятие как паровая нагрузка зеркала испарения. Это скорость выхода пара из зеркала
Вертикальный ПГ:
Здесь все плюсы горизонтального ПГ превращаются в минусы.
Нужно отметить, что при подачи питательной воды снизу можно получить экономайзерный участок, но это целесообразно лишь при регулировании t1’’. А при подаче питательной воды сверху получается ПГ с ЕЦ в большом объеме.
Поверхность теплообмена может быть U-образная и V-образная (см. рис.2)

У вертикальных ПГ поверхность теплообмена более развита, площадь ПТО увеличивается из-за использования ширмовых и винтовых поверхностей.
Классификация теплообменных аппаратов
ПГ может состоять из одного или нескольких теплообменников, либо разные ПТО могут быть скомпонованы в одном корпусе.
1. ПО количеству и составу корпусов:
1.1. однокорпусные;
1.2. многокорпусные;
1.3. секционные (параллельно включает в себя теплообменники одного назначения);
1.4. с разделенной ПТО;
1.5. с общей ПТО.
2. По виду теплоносителя:
2.1. водный;
2.2. газовый;
2.3. на органическом топливе;
2.4. жидкометаллический.
3. По среде находящейся в трубах:
3.1. паротрубные (рабочее тело в трубах);
3.2. воздухотрубные ил жаротрубные (теплоноситель в трубах).
4. По способу омывания стенки ПТО:
4.1. прямоточные;
4.2. противоточные.
5. По способу организации кипения рабочего тела в ИСП:
5.1. прямоточные (однократная ПЦ);
5.2. с ЕЦ и МПЦ;
5.3. с вынесенным контуром циркуляции;
5.4. с погруженной ПТО (ЕЦ внутри БС).
6. По форме и расположению корпуса:
6.1. горизонтальные теплообменники;
6.2. вертикальные теплообменники;
6.3. U-образные теплообменники;
6.4. V-образные теплообменники;
6.5. L-образные теплообменники.
7. По форме и способу термокомпенсации ПТО:
7.1. ПТО без термокомпенсации;
7.2. ПТО самокомпенсирующаяся (трубка Фильда, U-образные, V-образные, L-образные, ширмовые, винтовые);
7.3. ПТО с термокомпенсаторами (на рисунке представлены теплообменные аппараты со шлицевым термокомпенсатором на корпусе и прогибом на трубе).

8. По способу ввода ПТО в корпус:
8.1. с трубными досками (рис 3,4);
8.2. с внутренними коллекторами;
8.3. с наружными коллекторами (рис. 5)
Трубные доски это не рациональное решение. Плоская доска получается толстая, нетехнологичная и подвергается термическим напряжениям.
U-образные трубы могут быть заменены на прямые с плавающей головкой

ПГ с внутренними коллекторами (ВВЭР и PWR) работают при более постоянных температурах и имеют меньший периметр, контактирующий с корпусом. Коллектора такого теплообменного аппарата должны быть большими для осмотра и замены трубок

ПГ с вынесенными коллекторами. Удобство осмотра места завальцовки, полная самокомпенсация ПТО, нет термических напряжений, однако, необходимо уплотнять место прохода трубы через корпус (используются гильзовые уплотнители с графитовой смазкой).
9. По способу конструктивного оформления корпуса:
9.1. труба в трубе;
9.2. пучок труб в трубе (количество трубок n=100¸10, корпусом служит труба большого диаметра) [рис. 6];
9.3. кожухо-трубные (количество трубок n>100¸1000, однако объем межтрубного пространства мал и скорость сопоставима со скоростью в трубках);
9.4. корпусные (когда в межтрубном пространстве остается дополнительный объем для ЕЦ ил для испарения и осушки пара, при такой же поверхности теплообмена корпус гораздо больше).
10. По способу осушки пара в ИСП:
10.1. ИСП с вынесенной зоной сепарации (БС разделен с контуром ЕЦ);
10.2. со встроенными сепарационными устройствами;
10.3. со слабо перегретым паром (рис. 21);
10.4. прямоточный.
29 Роль экологического воспитания - лекция, которая пользуется популярностью у тех, кто читал эту лекцию.
11. По способу догрева питательной воды до температуры насыщения:
11.1. без ЭКО за счет конденсации части пара;
11.2. с некипящим ЭКО (температура стенки меньше температуры насыщения);
11.3. с ЭКО (если температура стенки больше температуры насыщения);
11.4. с ЭКО в общей ПТО.
Лекция №



























