Переходные процессы в электрических цепях
Лекция № 1
Переходные процессы в электрических цепях
Переходной процесс в цепи возникает после коммутации. Для того, чтобы на схеме изобразить процесс коммутации используют ключи.

- работает на замыкании
- на размыкании
- на переключении
Рекомендуемые материалы
Ключи считаем идеальными в том смысле, что в замкнутом состоянии их сопротивление = 0, в разомкнутом = ∞. А переключение происходит мгновенно. Чаще всего момент переключения будем считать t = 0. Будем различать два нуля 0- - до коммутации и просто 0+ = 0 после коммутации.
Мы знаем, что система уравнений Кирхгофа – это система дифференциальных уравнений. Если элементы линейные и не зависят от времени, то уравнения Кирхгофа – это система ОДУ с постоянными коэффициентами. Из математики известно, что для решения, кроме самих ДУ нужны начальные условия. Обычно, в качестве начальных условий берутся значения искомых токов и напряжений и их производные в момент времени t = 0+. Нахождение начальных условий обычно с помощью правил коммутации. Их два:
1. 
2. 
Ток в индуктивности и напряжение на ёмкости в первый момент после коммутации равны току и напряжению в последний момент перед коммутацией.
Ток в индуктивности и напряжение на ёмкости не могут меняться скачком.

Если бы ток в индуктивности напряжение на ёмкости могли меняться скачком, то производные в этот момент равнялись бы бесконечности. А это приводило бы к бесконечным токам и напряжениям.
По этой причине 
независимые начальные условия, а все остальные токи и
напряжения и их производные – это зависимые начальные условия
Независимые начальные условия определяются из правил коммутации, а зависимые находят из решения уравнений Кирхгофа для схемы после коммутации в момент t = 0.
В основном используют два метода расчёта.
Классический метод и операторный.
Классический метод расчёта переходных процессов
Состоит в том, что решение ищется в виде суммы частного решения системы НДУ + общее решение ОДУ. В качестве частного решения берётся установившийся или принуждённый режим после коммутации, который возникает в цепи после окончания переходного процесса. Чаще всего это установившийся режим по постоянному току или установившийся режим по синусоидальному току. Здесь существует своя терминология.
СНДУ СОДУ
принуждённая свободная
составляющая (пр.) составляющая (св.)




Вид общего решения зависит от корней характеристического уравнения.
Если корни разные, то 
Если комплексные 


Т.к. переходный процесс заканчивается, показатель e должен быть отрицательным, поэтому знак “-“ принято писать в явном виде.
Корни могут быть кратными, если корни кратные и действительные
то выражение для

Если корни кратные и комплексные, то:
∆(p) = 0 – определитель системы

В уравнении Кирхгофа заменяем производные на p, интегралы на
, то получим характеристическое уравнение.
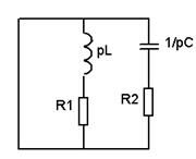
Можно доказать, что характеристическое уравнение составляется и по другому: 1)
- сопротивления заменяются;
2) Все независимые источники принять = 0;
3) Разорвать полученную схему т.о. в любом месте и входное сопротивление относительно полученных зажимов принять = 0;
;
Это будет характеристическое уравнение
Обычно, когда схема не сложная и в ней нет управляемых источников – так и поступают.
Когда схема сложна, работают с системой ДУ.
Порядок расчёта.
1). Из режима до коммутации найти
- независимые начальные условия.
2). Для схемы после коммутации записать уравнения Кирхгофа и решая их при
t = 0 вместе с правилами коммутации, найти необходимые начальные условия.
3). Рассчитать установившийся режим в схеме после коммутации.
4). Составить и решить характеристическое уравнение.
5). Записать решение в общем виде и используя начальные условия найти коэффициент у свободной составляющей.
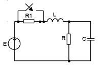
1). t < 0










2). Схема после коммутации
![]() |





Подставляем t = 0; 




В классическом методе расчёта – эта часть работы – это самая трудоёмкая операция. Если схема сложная, то приходится несколько раз решать систему уравнений, чтобы найти начальные условия.
3). Найти принуждённую составляющую








=




4). 

∆ р = 

2 способ: Независимые источники приравниваем к 0



Ограничения: 1. Если в схеме есть ветви только с источниками ЭДС, то размыкать схему надо в том месте, где имеется ток. Это связано с тем, что в таких схемах переходные процессы в отдельных частях схемы могут происходить независимо друг от друга.
Пример:



1) 2)

3)

2. Каков порядок характеристического уравнения?
11 Родовой травматизм матери - лекция, которая пользуется популярностью у тех, кто читал эту лекцию.
Порядок характеристического уравнения равен числу независимых накопителей энергии в схеме.
Параллельные и последовательные соединения накопителей не изменяет.
Если мы имеем звезду из накопителей, то число накопителей на 1 меньше.
Если мы имеем контур, который состоит только из ёмкостей и источников ЭДС, то число независимых ёмкостей на 1 меньше, чем их входит в схему.

Индуктивные связи не зависят на число независимых накопителей.
























