Подшипники качения
Подшипники качения (ПК).
Назначение подшипников – поддерживать вращающиеся детали в пространстве, воспринимая действующие на них нагрузки.
В зависимости от вида трения подшипники делятся на два типа: скольжения и качения.
В подшипниках скольжения рабочие поверхности вала и подшипника, полностью или частично разделенные смазочным материалом, скользят одна относительно другой. Подшипники качения обычно состоят из наружного, внутреннего колец, тел качения и сепаратора, удерживающего тела качения на определенном расстоянии друг от друга.
Достоинства ПК по сравнению с ПС:
1. Меньшие моменты трения при пуске;
2. Меньшие осевые габаритные размеры;
3. Простота обслуживания и малый расход смазочного материала;
Рекомендуемые материалы
4. Полная взаимозаменяемость;
5. Малая стоимость в связи с массовым производством.
Недостатки:
1. Большие радиальные размеры;
2. Значительные контактные напряжения, ограничивающие ресурс;
3. Меньшая способность демпфировать ударные нагрузки;
4. Ограниченная быстроходность.
Классификация ПК.
1. По форме тел качения;
2. По виду воспринимаемой нагрузки;
3. По числу рядов тел качения;
4. По соотношению габаритных размеров(серии);
5. По классам точности.
Критерии работоспособности.
1. Основной причиной выхода из строя ПК, работающих в условиях хорошего смазывания без загрязнений, является усталостное выкрашивание рабочих поверхностей колес и тел качения.
2. Для ПК, работающих в абразивной среде, является износ (дорожный, строительный, горный);
3. Для быстроходных подшипников причиной выхода из строя может быть разрушение сепаратора.
Расчет (подбор) ПК на заданный ресурс ведут по динамической грузоподъемности (критерий усталостного выкрашивания), по статической грузоподъемности (критерий max σH) и проверяют подшипник по предельной частоте вращения.
Распределение нагрузки между телами качения
(задача Штрибека).
Для определения σH необходимо знать закон распределения нагрузок между телами качения.
По условию равновесия
Fr=F0+2F1cosγ+F2cos(2γ)+…+2Fncos(nγ) (1)
F0 – сила на наиболее нагруженном шарике(теле качения);
γ – угол между смежными телами качения.
Исследования зависимости между силами F0, F1, F2…Fn с учетом контактных деформаций при условии абсолютной точности размеров шариков и колец, и отсутствия радиального зазора позволило установить
F1 = F0cos3/2γ, … ,Fn = F0cos3/2(nγ) (2)
Подставляя (2) в (1) и решая относительно F0 получим
(3)
Подсчитано, что

Для любого z , встречающегося в подшипнике, поэтому можно записать:

Вводя поправку на влияние радиального зазора и неточности размеров деталей, практически принимают:
(4)
Статическая грузоподъемность ПК.
Базовая статическая грузоподъемность подшипников – это такая статическая нагрузка, превышение которой вызывает появление недопустимых остаточных деформаций в деталях подшипника.
Опыты показали, что остаточная деформация в контакте менее 0,0001dw не оказывает влияние на работоспособность подшипника.
Базовая радиальная статическая грузоподъемность Cor и базовая осевая статическая грузоподъемность Coa вычислены для всех стандартных подшипников и приведены в каталогах.
При действии на радиальный и радиально-упорный подшипники одновременно радиальной Fr и освой Fa нагрузок расчет ведут по эквивалентной радиальной статической нагрузке Por, которая вызывает такую же остаточную деформацию, как и действительная нагрузка.

X0 – коэффициент статической радиальной нагрузки;
Y0 – коэффициент статической осевой нагрузки;
Для упорно –радиальных и упорных подшипников эквивалентная осевая статическая нагрузка
. Значение X0 и Y0 приводятся в справочных таблицах.
При действии статической нагрузки должны выполняться условия:
; 
Нагрузку условно считают статической, если частота вращения кольца подшипника менее 1мин-1, а также при качательном движении.
Подбор подшипников по динамической грузоподъемности.
Базовая динамическая радиальная Cr и осевая Ca грузоподъемность подшипника – это такая условная неподвижная постоянная нагрузка, которую подшипник может теоретически воспринимать в течение 1 млн. оборотов.
Значения Cr и Ca подсчитаны и приводятся в каталогах.
Выбор подшипников по Cr или Ca выполняют при частоте вращения
.
Условия подбора

Ресурс подшипника – число оборотов, которое сделает одно из колец относительно другого до появления признаков усталости материала колеса или тел качения (выкрашивание). Ресурс выражают в млн. об. L или в часах Lh, которые связаны между собой
, где n – частота вращения кольца, мин-1.
Динамическая грузоподъемность и ресурс связаны эмпирической зависимостью
или 
Здесь С - Cr или Ca ; P – эквивалентная динамическая нагрузка; p – показатель степени; p=3 для шарикоподшипников и p=10/3 – для роликоподшипников; a1 - коэффициент долговечности(зависит от надежности). В каталогах указаны С с надежностью 90%, если нужно увеличить надежность подшипника узла
S 0.90 0.95 0.96 0.97 0.98 0.99 (вероятность безотказной работы)
a1 1 0.62 0.53 0.44 0.33 0.21

a23 – обобщенный коэффициент совместного влияния качества материала, смазки в зависимости от условий применения(приводиться в справочной литературе: 1,3…0,35)
При малых ресурсах ограничивают эквивалентную нагрузку
, иначе возможно неусталостное разрушение.
Эквивалентная динамическая нагрузка (Pr или Pa) – такая условная постоянная нагрузка (радиальная или осевая) , при которой обеспечивается такой же ресурс и надежность, как и при действительных условиях нагружения.
Для радиальных и радиально-упорных подшипников

Для упорных
.
Fr и Fa – соответственно радиальная и осевая нагрузки на подшипник; X и Y –коэффициенты радиальной и осевой динамической нагрузки; V- коэффициент вращения. При вращении внутри кольца относительно вектора нагрузки V=1, а наружного V=1,2.
KБ=1…3 – коэффициент, учитывающий динамичность нагрузки, КТ – температурный коэффициент. КТ=1 при
.
При переменных режимах нагружения вместо Pr и Pa подставляют их среднее значение Fmr и Fma , каждое из которых определяется

Pi – постоянные эквивалентные динамические нагрузки, действующие в течении Li млн. об.
- общее число млн. об. За время действия всех нагрузок.
Для подшипников, работающих при типовых режимах нагружения (см. расчет зубчатых передач), расчеты удобно вести с помощью коэффициента эквивалентности KE, заранее вычисленного для каждого режима.
По известным максимально длительно действующим на подшипник нагрузкам Frmax и Famax находят эквивалентные постоянные нагрузки:
и
Минимальные осевые силы в радиально-упорных подшипниках.
При определении расчетных нагрузок, действующих на регулируемые радиально-упорные подшипники, учитывают осевые силы, возникающие от радиальной нагрузки Fr вследствие наклона контактных площадок к оси вращения подшипника. Под нагрузкой находиться
половина тел качения. Из условия равновесия


- коэффициент минимальной осевой нагрузки, находят из решения неопределимой задачи, аналогичной задаче Штрибека. Приводится в табл. в зависимости от типа подшипника. Для нормальной работы подшипника необходимо чтобы осевая сила Fa была не меньше минимальной
, что достигается взаимным осевым перемещением колец подшипника с контролем осевой игры.
Условия равновесия:

или


Посадки колец подшипников.
Различают три случая нагружения колец подшипников:
· Циркуляционное – кольцо вращается относительно вектора нагрузки;
· Местное – кольцо неподвижно относительно вектора нагрузки;
· Колебательное – кольцо не совершает полного оборота относительно линии действия нагрузки.
При циркуляционном нагружении соединение колец с валом или корпусом должно быть выполнено с натягом, чтоб исключить проворачивание кольца (к6, m6, n6 и др.)
При местном нагружении – посадки с небольшим зазором, допускающим нерегулярное проворачивание невращающегося кольца. Оно полезно, т.к. меняется положение его зоны нагружения, что способствует повышению долговечности (Н7).
Интенсивность нагружения подшипникового узла оценивают отношением Pr,a/Cr,a.
В соответствии с этим различают :
1. легкий – 
2. нормальный - 
3. тяжелый - 
Режимам с большими значениями P/C должны соответствовать более плотные посадки.
Подшипники скольжения.
Состоят из корпуса, вкладышей и смазывающих устройств. В простейшем виде подшипник качения представляет собой вкладыш (втулку), который с зазором устанавливают на цапфу вала и закрепляют в корпусе.
Несущую способность подшипника обеспечивает применение смазочного материала (жидкого, газообразного, пластического).
В зависимости от воспринимаемой нагрузки подшипники скольжения подразделяются на радиальные и упорные (осевые).

Упорные часто называются подпятниками.
Достоинства:
1. Надежно работают в высокоскоростных приводах;
2. Способны воспринимать значительные упорные и вибрационные нагрузки вследствие большой демпфирующей способности масляного слоя;
3. Работают бесшумно;
4. Имеют сравнительно малые радиальные размеры;
5. Разъемные подшипники допускают установку их на шейки коленчатых валов, при монтаже не требуют демонтажа муфт, шкивов и т.д.;
6. Для тихоходных валов машин могут иметь простую конструкцию.
Недостатки:
1. Требуют постоянного надзора к наличию смазочного материала и опасности перегрева, перерыв в подаче смазочного материала ведет к разрушению подшипника;
2. Имеют сравнительно большие осевые размеры;
3. Значительные потери на трение в период пуска и при несовершенной смазке;
4. Большой расход смазочного материала, необходимость его отчистки и охлаждения.
Применение:
1. при работе с ударами;
2. для валов больших диаметров, для которых нет подшипников качения;
3. при работе в агрессивных средах;
4. для высокоскоростных валов;
и др. условиях, когда применение подшипников качения невозможно или нерационально.
В общем в машиностроении для подшипников скольжения наиболее часто применяют жидкие смазочные материалы – масла. Масла имеют низкий коэффициент внутреннего трения, хорошо очищают и охлаждают рабочие поверхности, их легко подавать к местам смазывания. Недостатком является необходимость уплотнения мест смазывания.
Вязкость является важнейшим свойством масел. Она характеризует объемное свойство смазочного материала оказывать сопротивление относительному перемещению его слоев. В гидродинамических расчетах используют динамическую вязкость, μ,
. Вязкость сушественно понижается с ростом температуры (примерно по кубической параболе).
Режимы смазывания.
Подшипники скольжения работают при наличие смазочного материала в зазоре между цапфой вала и вкладышем.
Смазыванием называется подведение смазочного материала в зону трения, смазкой – действие смазочного материала.
При неподвижном вале жидкий смазочный материал из зоны контакта выдавлен, но на поверхности цапфы и вкладыша сохраняется ее тонкая пленка
. Режим граничной смазки (при этом свойства смазочного материала отличаются от объемного).
Вращающийся вал вовлекает смазочный материал в клиновой зазор между цапфой и вкладышем, в результате чего возникает несущий масляный слой, характеризующийся значительной гидродинамической подъемной силой, под действием которой вал всплывает.


Рис.
По мере увеличения скорости
увеличивается, но отдельные микровыступы трущихся поверхностей задевают друг друга. Работу подшипника в этот момент характеризует режим полужидкостного смазки. Граничную и полужидкостную называют несовершенной смазкой.
При дальнейшем увеличении скорости трущиеся поверхности полностью разделены сплошным устойчивым масляным слоем. Возникает режим жидкостной смазки, при котором изнашивание и заедание отсутствует.
Подшипники скольжения, в которых масляный слой создается при вращении вала - называется гидродинамическим. Если масляный слой создается подачей масла под давлением – гидростатическим.
Материалы вкладышей.
Вкладыши бывают металлические, металлокерамические и неметаллические.
Металлические – бронзы, баббиты, алюминиевые и цинковые сплавы, антифрикционные чугуны. Бронзовые вкладыши используются при средних скоростях и больших нагрузках. Баббит - сплав на основе олова или свинца, применяют при тяжелых и средних режимах работы. Баббиты хорошо прирабатываются, стойки против заедания, но имеют невысокую прочность. Поэтому баббит заливают лишь тонким слоем на рабочую поверхность стального, чугунного или бронзового вкладыша.

Чугунные вкладыши применяют в малоответственных тихоходных механизмах.
Металлокерамические вкладыши изготавливают прессованием с последующим спеканием порошков меди или железа с добавлением графита, олова или свинца. Особенность таких материалов – пористость, которую используют для предварительного насыщения горячим маслом. Такие вкладыши могут долго работать без подвода смазочного материала. Их применяют для тихоходных механизмов и в местах труднодоступных для подвода масла.
Для вкладышей из неметаллических материалов применяют пластмассы (тексталит, полиамид АК-7), древеснослоистые пластинки, резину. Эти материалы устойчивы против заедания, могут работать при смазывании водой (для подшипников гребных винтов, насосов, пищевых машин и др.).
Виды отказов подшипников.
1. Абразивное изнашивание – возникает вследствие попадания со смазочным материалом абразивных частиц, и неизбежного режима граничной смазки.
2. Заедание – возникает вследствие разрывания масляной пленки (нагревание из-за повышенных давлений и температур), сопровождается металлическим контактом и образованием мест микросварки, которые разрушаются и приводят к глубинному вырыванию материала.
3. Усталостное выкрашивание поверхности вкладышей – происходит редко при пульсирующих нагрузках.
Расчет подшипников при несовершенной смазки.
Проводят как проверочный, он служит также основанием для выбора материала вкладыша подшипника, работающего в условиях жидкостного трения. Критерием работоспособности в этих условиях является износостойкость – сопротивление изнашиванию и заеданию.
Расчет проводят по среднему давлению p на рабочих поверхностях и удельной работе pv сил трения, где v – окружная скорость поверхности цапфы. Расчет по среднему давлению p обеспечивает достаточную износостойкость,а расчет по pv – нормальный тепловой режим и отсутствие заедания.
При этом должны выполняться условия:

и
,
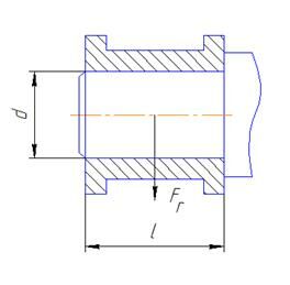
Где Fr – радиальная сила, действующая на подшипник, Н,
l и d – длина и диаметр в мм. Обычно l=(0.6…0.9)d.
Значения [p] и [pv] зависят от материала вкладыша:
· для антифрикционного чугуна
, 
· для бронзы
, 
· для баббита
,
.
Момент трения на цапфе:
.
Коэффициент трения f при несовершенной смазке 0,1…0,15 для стали по антифрикционному чугуну; 0,05…0,1 – для стали по баббиту.
Опоры с жидкостным трением.
Расчет гидродинамических подшипников состоит в определении основных размеров и параметром подшипника, выборе материала вкладыша и смазки определенной вязкости, обеспечивающих при заданных угловой скорости ω и нагрузке Fr на опору устойчивый режим жидкостного трения.
Рассмотрим движение пластинки под наибольшим углом к плоскости.

Основополагающим является закон Ньютона для определения силы вязкого сдвига
(1)
τ – напряжение вязкого сдвига, Па; μ – динамическая вязкость масла,
; dv/dy – градиент скорости масла по толщине, с-1.
Изменение давления p масла по длине x масляного клина описывают уравнением Рейнольдса:
(2)
где v – скорость, hm зазор в сечении максимального давления. Ось x направлена по движению, ось y – вдоль изменения толщины масляного слоя.
Таким образом, одним из условий образования режима жидкостного смазки является наличие сужающегося зазора, называемого клиновым. Уравнение (2) используют для определения закона изменения давления пластины:
(3)
и ее подъемной силы(несущей способности):

l- длина плоскости и пластины.
Аналогично находят подъемную силу в криволинейном зазоре подшипника скольжения.

В подшипнике диаметр отверстия вкладыша D несколько больше диаметра цапфы d.
Зазоры : диаметральный 
радиальный 
относительный
;
, r – радиус цапфы.
При работе подшипника оси отверстия и цапфы смещены друг относительно друга на расстояние e, которое называется эксцентриситетом. Положение цапфы в подшипнике характеризуют относительным эксцентриситетом
. Тогда min зазор в подшипнике или наименьшая толщина масляного слоя :
.
Чтоб смазочный слой полностью разделял сопряженные поверхности с учетом неизбежных погрешностей изготовления, деформаций, необходимо:
.
Rz1, Rz2 – параметры шероховатостей.
35 Реестр акционеров общества - лекция, которая пользуется популярностью у тех, кто читал эту лекцию.
Толщина масляного слоя в сечении, где P = Pmax:

Радиальную силу, выдерживаемую масляным слоем, определяем интегрированием по всей дуге нагружения и окончательно получаем:
,
где CF - коэффициент нагруженности подшипника, представляет собой безразмерную функцию положения цапфы в подшипнике.
Значения CF в зависимости от относительного эксцентриситета
и
приведены в справочных таблицах. Определив
, зная
, по таблице находят
при заданном относительном зазоре
, вычисляют
и сравнивают ее с допустимой.



















