Торовый вариатор
32. Торовый вариатор. Принцип действия и основные кинематические соотношения.
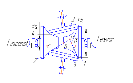
Чашки 1 и 2 установлены на ведомом и ведущем валах, ролики 3 установлены в специальной рамке и всегда располагаются симметрично относительно оси чашек. Работу вариатора можно рассматривать как обкатывание трех конусов. Точки б, в всегда лежат на оси чашек. Вершина конуса ролика точка а располагается на дуге сс. Отклонение вершин конусов от оси чашек приводит к геометрическому скольжению. У торовых вариаторов геометрическое скольжение удается свести к минимуму за счет соответствующих геометрических параметров.
Передаточное число
Вариатор имеет симметричную зону регулирования. Передаточное число может быть больше или меньше 1. Для прижатия тел качения применяют шариковое нажимное устройство 4.
Тела качения выполняют из стали , они работают в масле. Ролики иногда выполняют текстолитовыми( тогда без смазки).
Выполняют вариаторыдля мощности от 1,5 до 20 кВт. Коэффициент полезного действия h=0,95. Диапазон регулирования Д£3…6,26.























