Основные параметры систем интегральных элементов
1.5. Основные параметры систем интегральных элементов
В пределах используемой элементной базы должна быть обеспечена совместимость входных и выходных сигналов по амплитудно-временным параметрам. Это подразумевает единство правил дискретизации входных и выходных сигналов с учетом их естественного разброса. На рис.1.7. показаны типичные области для двоичного сигнала. Здесь A, E — области допустимых значений соответственно нулевого U0 и единичного U1 уровня сигнала, В, D — области допустимых помех U0 пом и U1 пом на уровне «0» и «1», С - область допустимых значений порогового напряжения U1 пор, при котором происходит переключение элемента.
Допустимыми для двоичных потенциальных сигналов являются уровни, располагающиеся в областях A и E. Уровни напряжения ниже области A и выше области Е недопустимы так, как могут привести к выходу элементов из строя. Уровни напряжения из областей В и D нежелательны с точки зрения помехоустойчивости элемента, а в области С состояние элемента вообще не определено. Таким образом статические (установившиеся) уровни двоичного сигнала должны располагаться в областях А и E при наихудших, но допустимых условиях нагрузки и при воздействии допустимых дестабилизирующих факторов (колебания напряжений источников питания, температуры окружающей среды, разброс и флуктуации параметров электронных компонентов, электромагнитные излучения, радиация и т. п.).

Рис.1.7. Типичные области напряжений для представления двоичного сигнала
Множество технических параметров разделяют на статические и динамические. Статические параметры характеризуют свойства и режимы работы элемента во всех предусмотренных техническими условиями состояниях.
Динамические параметры представляют собой ограничения, накладываемые на длительности этапов переходных процессов в цифровых элементах, и предельные частоты функционирования.
Основными статическими параметрами системы логических элементов являются: напряжения питания, входные и выходные напряжения для представления логического 0 и логической 1, а также пороговое напряжение; статическая помехоустойчивость — максимально допустимая амплитуда отрицательной и положительной помехи (области В и D на рис.1.7); мощность потребления в состояниях «0» и «1»; входные и выходные токи, сопротивления и емкости в состояниях «0» и «1»; коэффициенты объединения по входам; коэффициент разветвления по выходам.
Рекомендуемые материалы
Питающие напряжения и сигналы. Система элементов характеризуется количеством используемых питающих напряжений и их номинальными значениями. Для логических элементов указываются полярность и уровень входного и выходного сигналов. В дальнейшем будем считать, если это специально не оговорено, что логическому 0 соответствует низкий уровень напряжения, а логической 1 – высокий.
Коэффициент объединения по входу (Коб) определяет максимально возможное число аналогичных входов логического элемента. Увеличение числа входов связано с усложнением схемы элементов и приводит к ухудшению других параметров элемента, в частности таких, как помехоустойчивость, быстродействие и т. п.
Коэффициент разветвления по выходу (Краз) данного логического элемента показывает максимально допустимое количество аналогичных логических элементов, которые могут быть подключены к его выходу и характеризует нагрузочную способность элемента.
Помехоустойчивость. Помехой называется нежелательное электрическое воздействие (например, пульсации напряжения питания, действия паразитных емкостей) на логический элемент, которое может привести к искажению преобразуемых или хранимых данных и т. п. Помехоустойчивость отражает способность элемента правильно функционировать при наличии помех, она определяется максимально допустимым напряжением помехи, при котором не происходит сбоя в его работе.
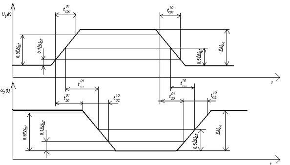
Динамические параметры характеризуют быстродействие элементов. Основные динамические параметры элементов во временной области показаны на рис. 1.8. на примере элемента НЕ.

Рис.1.8. Основные динамические параметры логический элементов во временной области
К основным динамическим параметрам относятся :
Длительности фронтов переключения сигнала из состояния «1» в состояние «0» и наоборот (измеряются на уровне 0.1-0.9 перепада напряжения между уровнями U1 – U0= ΔU ) – tф 01 и tф 10;
Длительности задержек распространения сигнала при переключения сигнала из состояния «1» в состояние «0» и наоборот (измеряется от уровня 0,5 ΔUвх до уровня 0,5 ΔUвых ) – tзр 01 и tзр 10 ;
Длительности задержек включения и выключения элемента при переключения сигнала из состояния «0» в состояние «1» ( задержка включения измеряется от уровня 0,1 ΔUвх до уровня 0,9 ΔUвых ) – tзв 01 и наоборот при переключения сигнала из состояния «1» в состояние «0» ( задержка выключения измеряется от уровня 0,9 ΔUвх до уровня 0,1 ΔUвых ) – tзв 10 ;
Ещё посмотрите лекцию "2 Критерии безопасности пищевых продуктов" по этой теме.
Максимальная рабочая частота, на которой в наихудших условиях гарантируется работоспособность элемента – fmaх, Гц;
Предельно допустимые емкость и индуктивность нагрузки – Cn ,Φ и Ln , Гн.
Помимо названных основных статических и динамических параметров элементов существует большое количество специфических параметров, характерных для ЛЭ определенного класса.
Быстродействие логических элементов является одним из важнейших параметров и наиболее часто характеризуется средним временем задержки распространения сигнала :
tз.ср. =
,
где tзр 01 и tзр 10— задержки распространения сигналов при переключении из «0» в «1» и из «1» в «0» (рис. 1.8).




















