Триггеры
Тема: Триггеры.
Вопрос 1.
Триггерами называют электронные устройства, обладающие двумя состояниями устойчивого равновесия и способные под воздействием управляющего сигнала переходить скачком из одного состояния в другое. Каждому состоянию триггера соответствует определенный (высокий или низкий) уровень выходного напряжения, который может сохраняться как угодно долго. Поэтому триггеры относятся к цифровым автоматам с памятью. В настоящее время триггеры выполняются на основе логических элементов в виде интегральных микросхем (ИМС). Они включены почти во все серии ИМС.
Триггеры применяются как переключающие элементы самостоятельно или входят в состав более сложных цифровых устройств, таких как счетчики, делители частоты, регистры и др.
В общем случае триггер имеет два выхода: прямой (Q) и инверсный (
), сигналы на которых противоположны по уровню. Количество входов триггера зависит от его типа. Входы делятся на информационные и командные.
По способу записи информации триггеры делятся на асинхронные, у которых информационные и командные входы совмещены, и синхронные или тактируемые. Последние срабатывают только при поступлении на один из командных входов (синхровход) разрешающего импульса.
По числу ступеней триггеры делятся на однотактные и двутактные. В однотактных информация на выходах появляется практически одновременно с приходом информационного или синхроимпульса. Такие схемы срабатывают по перепаду сигнала 0-1 (по фронту синхроимпульса). В двухтактных триггерах переключение элементов происходит в два приема и сигнал на выходе появляется с задержкой. Они срабатывают по перепаду сигнала 1-0 (по спаду импульса).
В зависимости от логической структуры схемы управления различают RS-, D-, T-, JK-триггеры и др.
Рекомендуемые материалы
Работа триггера может быть описана логическим уравнением, связывающим состояние входов и выходов триггера до его срабатывания (t) и после срабатывания (t+1). Состояние триггера можно задать таблицей переходов или временной диаграммой его работы.
Вопрос 2. RS - триггеры.
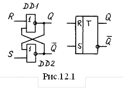
Асинхронный RS - триггер имеет два установочных входа R и S. Схема триггера на ЛЭ 2ИЛИ-НЕ и его условное обозначение показаны на рис.12.1. При S=R=0 схема устойчива. Это режим хранения информации. Если Q=1, то на входах DD2 оказываются 1 и 0, при которых
=0.
Таблица 12.1
R | S | Qt+1 |
| 1 | 0 | 0 |
| 0 | 1 | 1 |
| 0 | 0 | Qt |
| 1 | 1 | X |
На входах DD1 - 0,0, что сохраняет этот элемент с состоянии Q=1. Для изменения состояния триггера на его входы надо подать комбинацию сигналов R=1, S=0. Тогда на входах DD1 появятся высокие уровни и этот элемент перейдет в состояние Q=0. На входах DD2 установятся сигналы 0, 0 и логический элемент перейдет в состояние Q=1. Комбинация S=1, R=0 возвратит триггер в состояние Q=1,
=0. При комбинации S=1, R=1 состояние триггера неопределенно, эта комбинация запрещена. Работа триггера иллюстрируется таблицей переключений (табл.12.1). Триггер с таким же законом работы можно выполнить на логических элементах 2И-НЕ.
Синхронные RS - триггеры имеют два информационных входа R и S и синхровход С. Схема триггера и его условное обозначение показаны на рис.12.2. Асинхронный RS - триггер дополнен схемой управления на ЛЭ DD1-2, которая формирует сигналы
и
, поступающие на его установочные входы. Управление осуществляется низким уровнем сигнала (0), поэтому на входах показан знак инверсии. При
=1 любая комбинация
и
дает на выходах
0, и асинхронный триггер на элементах DD3-4 находятся в режиме хранения информации. Схема управления сработает только при поступлении низкого уровня на синхровход (
=0). Тогда
=1 и
=0 приведет к
=0 и
=1. Триггер перейдет с состояние Q=1, а при
=0,
=1 - в состояние Q=0. Комбинация
=
=
=0 запрещена. Так как при
= 1 любое изменение сигналов на входах
и
игнорируется, синхронные триггеры защищены от воздействия помех.
Вопрос 3. D – триггеры.
Синхронный D - триггер состоит из асинхронного RS-триггера и схемы управления на ЛЭ. Он имеет информационный вход D и синхровход С. Его схема и условное обозначение показаны на рис.12.3. ЛЭ DD3-4 представляют собой RS-триггер, управляемый инверсными сигналами. Его устойчивое состояние обеспечивается комбинацией
1. При С=0 выходах обоих ЛЭ И-НЕ DD1-2 независимо от значения сигнала на входе D будут поддерживаться высокие уровни и триггер сохраняет предыдущее состояние. С приходом синхроимпульса С=1, при D=1
=0, а
=1, и RS-триггер оказывается в состоянии Q=1. При D=0
=1,
=0, и триггер переходит в состояние Q=0. Это значение не может измениться до прихода следующего синхроимпульса. Поэтому D-триггеры называют триггерами задержки - они задерживают информацию на такт. На схеме пунктиром показан вход Е, объединяющий два дополнительных И-входа. Этот вход расширяет возможности схемы. Его называют разрешающим. При Е=1 триггер работает в нормальном режиме, Е=0 дает возможность сохранить информацию при изменении сигналов на D- и С-входах. Такой триггер называют DV-триггером с разрешающим входом.

Широкое применение получили двухтактны D - триггеры. Схема и условное обозначение приведены на рис.12.4а,б. Он состоит из D-триггера и синхронного RS-триггера с объединенными через инвертор С-входами. Принцип работы триггера можно проследить по временной диаграмме (рис.12.4в). Сигнал со входа D записывается в Т1 по фронту синхроимпульса. При этом С1=0 и Т2 сохраняет прежнюю информацию. После окончания синхроимпульса С=0, и Т1 отключается от D-входа, С1=1 и Т2 переписывает информацию их Т1.
Вопрос 4. JK – триггеры.
JK - триггер является универсальным. Его условное обозначение приведено на рис.12.5а. Он имеет два установочных входа R и S, информационные входы J и K и синхровход С.
Установочные входы обладают приоритетом над другими. С их помощью триггер устанавливают в состояние Q=1 или Q=0 независимо от сигналов на всех других входах.
J- и K-входы работают по разрешающему импульсу на С-входе. При комбинации J=1 и K=0 на выходе Q=1. При J=0 и K=1 триггер переходит в состояние Q=0, а если J=K=1, то с приходом каждого синхроимпульса он меняет состояние. Работу триггера можно описать логическим уравнением

На основе JK-триггера можно построить любой другой тип триггера. Поэтому они массово производятся практически во всех сериях ИМС.
Вопрос 5. Т – триггеры.
Т-триггер или счетный триггер имеет один информационный вход Т. Каждый импульс на этом входе переводит его в новое состояние. Его логическое уравнение
.Оно соответствует уравнению JK-триггера при K=J=1.
Такой же триггер можно получить на основе D-триггера (рис.12.5б). Поэтому производить Т-триггеры в виде самостоятельных изделий нет смысла и их нет в сериях ИМС.
Т-триггеры используются как делители частоты на 2 или счетчики по модулю 2.
Триггер типа ТV имеет, кроме информационного входа Т, разрешающий вход Е, уровень напряжения на котором запрещает или разрешает его работу.
Контрольные вопросы
1.Что называют триггером?
2. Как классифицируются триггеры по способу записи информации и по функциям?
3. Как работают RS-триггеры?
Бесплатная лекция: "8 Понятие о рН" также доступна.
4. Чем отличаются D- и DV-триггеры?
5. Зачем нужен разрешающий вход Е?
6. Почему JK-триггеры называют универсальными?
7. Для чего используют Т-триггеры?
8. Как получить Т-триггер на основе D- или JK-триггеров?
9. Начертите схему делителя частоты на 8. Поясните его работу на временной диаграмме.



Таблица 12.1



















