Усилители мощности на основе оу
2020-06-032021-03-09zzyxelСтудИзба
Усилители мощности на основе ОУ


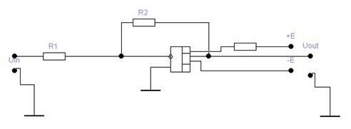
Когда питание схемы превышает напряжение питания ОУ , то цепь питания ОУ включают параметрический стабилизатор.
В лекции "18 Приложение" также много полезной информации.

Для VD1,VD2 Uvm=Uпоу

Питание от однополярного ИП
R1=R2 Uпоу=Eп/2
При Еп > 2 Uпоу вместо R1 и R2 необходимо подключить стабилитрон




















