Согласующий усилитель
2020-06-032021-03-09zzyxelСтудИзба
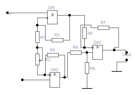
Согласующий усилитель


AD 620 (AD 623) – микросхемы инструментальных усилителей.
Погрешность: R 5%
В этой схеме реально получить погрешность Uвых =50 %
В этом случае необходимо пересчитывать схемы.























