Электронные аналоговые устройства
Раздел 2. Электронные аналоговые устройства
2.1. Электронные усилители электрических сигналов, классификация и основные параметры усилителей.
Усилители - устройства, предназначенные для увеличения параметров электрического сигнала (напряжения, тока, мощности).
Усилитель имеет входную цепь, к которой подводится усиливаемый сигнал, и выходную цепь, с которой выходной сигнал снимается и подается в нагрузку.
УПТ – усилитель постоянного тока 
УЗЧ – усилитель звуковых частот 
УНЧ – усилитель низких частот 
Рекомендуемые материалы
УВЧ – усилитель высоких частот 
ШПУ – широкополосные усилители 
УПУ - узкополосные усилители
Δf = fв-fн - полоса пропускания или полоса усиливаемых частот.
Амплитудно-частотная характеристика отражает зависимость модуля коэффициента усиления
, определяемого для синусоидального входного сигнала от частоты. Однако очень редко один усилительный каскад обеспечивает требуемый коэффициент усиления. Поэтому применяют много каскадные усилители с конденсаторной связью между каскадами, общий коэффициент усиления которых определяется как произведение коэффициентов усиления всех каскадов

.
Каскады рассчитываются последовательно от оконечного к первому. Оконечный каскад обеспечивает получение требуемой мощности сигнала на нагрузке
. По коэффициенту усиления оконечного каскада определяют параметры его входного сигнала, являющиеся исходными для расчета предоконечного каскада и.т.д. Наличие в схеме усилителя конденсаторов и зависимость параметров усилителя от частоты приводит к тому, что при изменении частоты входного сигнала напряжение на выходе усилителя изменяется не только по амплитуде, но и по фазе.
Поэтому второй характеристикой усилителей является фазо-частотная характеристика (ФЧХ), определяющая зависимость угла фазового сдвига от частоты.

Усилительный каскад задерживает сигнал на какое-то время. Каждые гармонические составляющие задерживаются на разное время.
Амплитудная характеристика усилителя (реальная):
По амплитудной характеристике можно выделить следующие основные параметры усилителя:
1. Коэффициент усиления по току
;
2. Коэффициент усиления по напряжению
3. Коэффициент усиления по мощности
;
4. Чувствительность усилителя— минимальное значение входного сигнала, при котором полезный сигнал на выходе уже различим на уровне помех (при отношении сигнал - шум) 
5. Динамический диапазон - отношение амплитуды максимально допустимого выходного напряжения к минимально допустимому, при которых не возникает искажение
.
2.2. Принцип построения усилительного каскада: выбор рабочего режима, назначение и расчет основных элементов.
Каскад усиления переменного тока по схеме ОЭ построен на биполярном транзисторе n-p-n. Расчет каскада сводится к выбору точки покоя на статической линии нагрузки, определению величин Rк и RБ по заданным параметрам нагрузки, например, Um вых и Rн, и напряжению источника питания Eк.
Выбранная точка покоя должна обеспечить требуемую величину тока в нагрузке, напряжения на нагрузке без нелинейных искажений и удовлетворять предельным параметрам транзистора. Поэтому ток покоя:
Iкп³Imн=Um вых/Rн
Напряжение покоя обычно выбирается Uкэп=Eк/2, чтобы обеспечить максимальное выходное напряжение без искажений.
Уравнение статической линии нагрузки
Iк=
Линию нагрузки можно построить в координатах Iк, Uкэ по двум точкам. Одна из них - точка покоя П, координаты которой определены. Вторая может быть получена согласно уравнению - если принять Iк=0, то Uкэ=Eк. Построение статической линии нагрузки показано на рисунке справа (линия ав).
Чтобы обеспечить заданный режим покоя, надо рассчитать величины Rк и RБ:
;

При работе каскада в режиме холостого хода и
рабочая точка перемещается по статической линии нагрузки в обе стороны от точки покоя. Амплитуда переменной составляющей напряжения коллектор-эмиттер или равного ей выходного напряжения не может быть больше Eк/2.
При работе каскада на нагрузку в коллекторную цепь параллельно Rк включается Rн. Поэтому режим работы каскада меняется. Рабочая точка перемещается по динамической линии нагрузки, уравнение которой
;
Динамическая линия нагрузки должна проходить через точку покоя П (частный случай - Diкэ=0). Вторую точку можно получить, задавшись приращением Diк и подсчитав изменение напряжения DUкэ относительно координат точки покоя. Динамическая линия нагрузки показана на рисунке (c-d). Очевидно, что угол между осью Uкэ и динамической линией нагрузки тем больше, чем меньше Rн (при Rн=0 он составит 90°). В связи с этим предельная амплитуда выходного напряжения Uвых пр с уменьшением Rн становится меньше Eк/2. Это может вызвать появление нелинейных искажений. Если заданное значение Um вых, больше, чем Uвых пр, чтобы избежать нелинейных искажений, надо сместить точку покоя. Увеличивают Iкп и анализ повторяют.
Динамические параметры каскада:
;
;
.
Расчёт каскада с общим эмиттером по постоянному и переменному току.

Расчёт может осуществляться либо слева направо, либо справа налево. Слева направо.
Дано: Rg = 1кОм
U = 20В
h21 = 100
kU = 20
fн = 200
δн = 6дБ
Найти: R1, R2, Rк, Rэ1, Rэ2, Rн,C1,2, C3.
По постоянному току:
1. 
Шина питания по постоянному току эквипотенциальна земле (через Сф)
2. Rвх = Rэ1h21 = 10Rд = 100k => Rэ1 = 1кОм
3. Rэ/Rк = 0,1 – 0,3 => Rк = 5.1кОм
4. RH=l0Rвых = 51кОм
(Rвых = Rкб||Rк)
5. Uк = Uп/2=>Iк = Uп/2·1/Rк = 2мА
6. Uэ = IэRэ1 = 2В
7. Uб =Uэ+ 0,6 = 2,6В
8. R1/R2 = 17,4/2,6 = 6,7
9.
=> R2 = 77/6.7 = 11кОм = 12кОм
R1 = 75кОм = 82кОм
10. rэ0 = φТ/Iк = 25/2 = 12,5Ом
По переменному току:
11. kU = Rк/(Rэ+rэ0) => Rэ+rэ0 = 255Ом => Rэ = 242,5Ом
Rэ1·Rэ2/(Rэ1+ Rэ2) = 242,5Ом
Rэ1 = 1кОм => Rэ2 = 330Ом
12. δэ = 0,5 δ = 3дБ
При понижении частоты, ёмкостное сопротивление Сэ возрастает, увеличивается эквивалентное сопротивление в эмиттерной цепи и уменьшается коэффициент усиления.
Z/R = √2 => R = Xc = Rэ2+rэ0 = 342,5Ом

13. δ1 = δ2 = 1,5дБ
14.
=>XC = 6,44кОм
C1 = 120нФ
15. δ1 = δ2 = 1,5дБ
Rн/Rд = 5 => XC2/XC1 = 5 => C1/C2 = 5 =>C2 =33нФ
2.3. Обратная связь в усилителях. Виды, назначение ОС.
В общем случае обратную связь (ОС) можно определить как связь выходной цепи усилителя или каскада усиления с его входной цепью. Она образуется тогда, когда усиленный сигнал с выхода отдельного каскада усилителя или усилителя в целом передается на его вход через цепи, дополнительно вводимые для этого (внешняя ОС) или уже имеющиеся в нем для выполнения других функций (внутренняя ОС). К последним, например, относятся общая цепь источника питания усилителя, межэлектродные емкости в электронных приборах.
В большинстве случаев внутренняя ОС и непреднамеренно возникшие цепи внешней ОС (например, из-за близкого расположения при монтаже деталей, соединительных проводов входных и выходных цепей усилителя) вызывают так называемую паразитную ОС. В реальных устройствах паразитная связь, как правило, приводит к изменению их свойств в худшую сторону и возникновению других нежелательных явлений (в частности, генерацию паразитных колебаний, частоты которых значительно выше или ниже частот усиливаемых колебаний), часто трудно поддающихся контролю и устранению.
На рисунке приведена структурная схема усилителя с коэффициентом усиления К, охваченного внешней цепью ОС с коэффициентом передачи β. Цепь вместе с усилителем, к которому она подключена, образует замкнутый контур, называемый петлей ОС. Стрелками показаны направления прохождения сигнала.
Часть усиленного внешнего сигнала с выхода усилителя (прямая цепь передачи сигналов) поступает по цепи ОС на его вход и складывается там с внешним сигналом. При таком сложении амплитуд сигналов (внешнего и ОС) на входе усилителя возможны два принципиально отличных по конечному действию случая: либо сумма амплитуд сигналов больше амплитуды внешнего сигнала (фазы колебаний с одинаковой частотой на выходе цепи ОС и входной сигнала совпадают, сдвиг фаз равен 0°), либо меньше его (их фазы противоположны, сдвиг фаз равен 180°). В первом случае говорят о ПОС (положительной обратной связи), во втором – о ООС (отрицательной ОС). В большинстве случаев ПОС паразитная.
Обратная связь (ОС), охватывающая один каскад, называется местной, несколько - общей.
Если во входной цепи усилителя вычитается ток в цепи ОС из тока входного сигнала, то такую ООС называют параллельной. Если во входной цепи вычитается напряжение входного сигнала из сигнала ОС, то такую ООС называют последовательной. По способу получения (снятия) сигнала ООС с выхода усилителя различают ООС по напряжению (когда сигнал ООС пропорционален UВЫХ усилителя) и по току (сигнал ООС пропорционален току через нагрузку).
Последовательная ОС по напряжению

При последовательной обратной связи по напряжению с сопротивления нагрузки усилителя снимается часть выходного напряжения
, которое во входной цепи алгебраически складывается с
.
Напряжение обратной связи Uос = χUвых где χ – коэффициент ОС.
χ = R2/(R1+R2) ≈R2/R1 (обычно R1<<R2).
Прежде всего рассмотрим влияние последовательной ОС по напряжению на коэффициент усиления по напряжению. Для усилителя, охваченного обратной связью,
кuoс = Uвых/(Uвх±Uос) = Uвых/[Uвх(1±χкu)]
но коэффициент усиления по напряжению усилителя без обратной связи кu = Uвых/Uвх, поэтому после проведения преобразования для ООС можно записать:
Киос=ки/(1+χки).
При ПОС в знаменателе правой части следует использовать знак «минус».
Введем понятие глубины обратной связи F. Для ООС F = 1+χкu. Отсюда следует, что глубина ООС возрастает при увеличении χ и Ки, При очень глубокой ООС F = χкu, , поэтому в данном случае можно записать
кuос = 1/χ = (R1+R2)/R2
Вывод: при глубокой ООС (F>10) удается практически полностью исключить влияние параметров транзистора и всего усилителя на его КиОС. Не будут влиять такие факторы, как изменение температуры, радиационное воздействие, разброс параметров, старение и др. Таким образом, можно утверждать, что введение глубокой последовательной ООС по напряжению обеспечивает стабильность усиления по напряжению.
Улучшение стабильности коэффициента усиления с помощью ООС широко используется для расширения АЧХ усилителя. При отклонении в области НЧ или ВЧ уменьшается Ки, но уменьшается и глубина ООС, т.е. 1+ χ Ки. В результате КиОС изменяется слабо и реализуется АЧХ с широкой полосой пропускания.
| Улучшение стабильности коэффициента усиления с помощью ООС широко используется для расширения АЧХ усилителя |
|
|
Входное сопротивление усилителя с ООС Rвх.ос определяется способом подачи сигналов обратной связи во входную цепь. При последовательной ООС по напряжению Rвх.ос можно представить как Rвх.ос = Uвх(1+χкu)/Iвх = RвхF.
Отсюда следует, что последовательная ООС по напряжению увеличивает входное сопротивление усилителя в F раз.
Выходное сопротивление усилителя с ООС определяется способом снятия сигнала обратной связи с выхода устройства. При последовательной ООС по напряжению Uвьч усилителя меньше зависит от тока нагрузки, что соответствует уменьшению его выходного сопротивления. Для рассматриваемого вида ООС можно записать
Rвых.ос = Rвых/F
Отсюда следует, что последовательная ООС по напряжению уменьшает выходное сопротивление в F раз. Таким образом, чем глубже ООС, тем меньше Rвых.ос. Изложенное выше позволяет заключить, что последовательная ООС по напряжению уменьшает и стабилизирует коэффициент усиления по напряжению, снижает как линейные, так и нелинейные искажения, повышает входное сопротивление и уменьшает выходное сопротивление усилителя.




Последовательный усилитель с ОС по напряжению 100% последовательная ОС по напряжению
Последовательная ОС по току

При последовательной обратной связи по току в выходной цепи усилителя включается специальный резистор
,
падение напряжения на котором
пропорционально выходному току.

Во входной цепи усилителя это алгебраически складывается с входным напряжением.
.
При глубокой ООС по току эту формулу можно преобразовать к следующему виду:

Последовательная ООС по току, как и по напряжению, уменьшает частотные искажения (расширяет полосу пропускания АЧХ) и нелинейные искажения усилителя. Введение ООС снижает также влияние помех и наводок, проникающих в усилитель.
Входное сопротивление усилителя с ООС определяется способом подачи сигналов во входную цепь

Наиболее существенное отличие последовательных ООС по напряжению и току проявляется через величину RвыхОС. Выходное сопротивление усилителя с ООС определяется способом снятия сигнала обратной связи с выхода устройства. При этом способ подачи сигнала ООС во входную цепь не играет никакой роли. Для RвыхОС усилителя, охваченного ООС по току, можно записать следующее выражение:

откуда следует, что выходное сопротивление возрастает. Таким образом, рассматриваемая ООС приводит к увеличению RвьхОС, причем тем в большей степени, чем глубже обратная связь.
Изложенное выше позволяет заключить, что последовательная ООС по току стабилизирует коэффициент усиления по напряжению при постоянной нагрузке, снижает искажения, повышает входное и выходное сопротивления усилителя.
Параллельная ОС по току

При параллельной обратной связи по току в выходной цепи усилителя включается специальный резистор R, падение напряжения на котором пропорционально выходному току. Это напряжение образует во входной цепи ток обратной связи, протекающий через специальный дополнительный резистор Rос. Во входной цепи усилителя происходит алгебраическое сложение Iос и тока входного сигнала. На рисунке приведена структурная схема усилителя с параллельной обратной связью по току. Здесь
, а коэффициент обратной связи по току
Глубина ООС по току 
Коэффициент усиления по току
где
- коэффициент усиления по току без ООС. При глубокой параллельной ООС по току

Отметим также, что введение параллельной ООС по току уменьшает как линейные, так и нелинейные искажения токовых сигналов.
Так как входное сопротивление усилителя в ООС определяется лишь способом подачи сигнала обратной связи во входную цепь, то для параллельной ООС можно записать:
.
Здесь во входной цепи усилителя алгебраически складываются токи. Таким образом, параллельная ООС уменьшает RвхОС, причем величина RвхОС обратно пропорциональна глубине ООС по току.
Как было выше показано, ООС по току способствует увеличению выходного сопротивления усилителя. Для параллельной ООС по току RвыхОС может быть рассчитано по следующей приближенной формуле:
Изложенное выше позволяет заключить, что параллельная ООС по току уменьшает и стабилизирует коэффициент усиления по току, снижает искажения токовых сигналов, уменьшает входное и увеличивает выходное сопротивления усилителя.
Параллельная ОС по напряжению
При параллельной обратной связи по напряжению с сопротивления нагрузки снимается выходное напряжение, которое во входной цепи образует ток обратной связи, протекающий через специальный резистор. На рисунке приведена структурная схема усилителя с параллельной обратной связью по напряжению. Хотя во входной цепи усилителя алгебраически складываются токи, при анализе усилителя с параллельной ООС по напряжению часто используют коэффициент обратной связи по напряжению
. При этом необходимо учитывать шунтирующее влияние входной цепи усилителя, поскольку в данном случае Rвх . Поэтому
можно представить в следующем виде:
.
Выделение напряжения
во входной цепи усилителя происходит на сопротивлениях
.
За счет малого Rвх на внутреннем сопротивлении источника сигнала Rг будет теряться солидная доля Ег В результате ко входу усилителя прикладывается напряжение
.
Коэффициент усиления по напряжению при глубокой параллельной ООС по напряжению:
.
При параллельной ООС по напряжению КиОС стабилен при
Таким образом, при глубокой параллельной ООС по напряжению можно исключить влияние внешних факторов на величину Ки0с, уменьшить линейные и нелинейные искажения. Однако такой усилитель совершенно не подходит по своим свойствам для входного каскада многокаскадного усилителя, в частности, из-за его высокой, чувствительности к изменению Rг. Усилители с параллельной ООС по напряжению рекомендуется использовать в качестве промежуточных и выходных каскадов.
Вывод: параллельная ООС по напряжению стабилизирует коэффициент усиления по напряжению при постоянном сопротивлении источника сигнала, снижает искажения, уменьшает входное и выходное сопротивления усилителя.
2.4. Операционный усилитель: назначение, устройство, характеристики, типы. Схемы электронных устройств на основе операционных усилителей: инвертирующий и неинвертирующий усилители, суммирующее и вычитающее устройства, дифференцирующее и интегрирующее устройства, компаратор аналоговых сигналов.
Операционный усилитель (ОУ)- усилители с гальваническими (безконденсаторными) связями, которые имеют дифференциальный вход, один выход и работают при наличии глубокой ОС, которая практически полностью определяет параметры и характеристики устройств, собранных на них.
Обозначение:
|
|
«-» - инвертирующий вход
«+» - неинвертирующий вход
Полное обозначение: В соответствии с ГОСТ 2759-82 обозначение элементов аналоговой техники выполняется на основе прямоугольника.

Не во всех ОУ есть выводы земли, если он не нужен, то его не рисуют.
Fc – выводы для подключения цепей частотной коррекции.
Nc – выводы для подключения цепей коррекции начального смещения.
Разновидность ОУ.
К140УД1, УД2, УД5, УД7, УД9, УД10, УД11, УД12, УД13, УД14, УД17, УД18, УД20;
К153УД1, УД2, УД3, УД4, УД5, УД6;
К154УД1, УД2, УД3, УД4;
К157УД1, УД2;
554УД1, УД2;
551УД1, УД2;
553УД1;
574УД1, УД2, УД3;
710УД1;
740УД1, УД3, УД4, УД5;
К1401УД1, УД2;
К1407УД1, УД2, УД3, УД4;
К1408УД1;
К1409УД1.
Операционный усилитель состоит из 3-х основных каскадов: 1) дифференциальный каскад выполняет роль ослабления синфазного сигнала; 2) каскад с общим эмиттером с источником тока в коллекторной цепи - основной усилительный каскад напряжения Ku=103..105; 3) двухтактный эмиттерный повторитель в режиме класса В – предназначен для согласования высокого входного сопротивления источника тока с невысоким сопротивлением нагрузки, кроме этого обеспечивает усиление мощности выходного сигнала.. Кроме того, ОУ может содержать схему защиты выхода от КЗ, схему защиты входа от перенапряжения.
По типам входных каскадов ОУ делятся:
- на БПТ - широкий диапазон применения, хорошая балансировка, высокое входное сопротивление, больший сдвиг и дрейф;
- на ПТ – высокое входное сопротивление, большой сдвиг и дрейф нуля по сравнению с БПТ;
- на БПТ со сверхвысоким усилением (транзисторы супер β) - обеспечивают входное сопротивление, сопоставимое с каскадом на ПТ, величина сдвигов, и дрейфов как у обычных БПТ;
- с гальванической изоляцией входа от выхода - используется модуляция или оптические методы, применяется в медицине и технике высоких напряжений;
- на варикапе - имеют очень малый входной ток смещения, используются для усиления тока на фотоумножителях.
Характеристики ОУ:
- входное напряжение
- max диф. входное напряжение
- max синфазное входное напряжение
- входной ток смещения
- max выходные U и I
- параметры смещения
- дрейф (температурный и временный)
- частотные
-динамические
- скорость нарастания выходного напряжения
Важнейшими характеристиками ОУ являются амплитудные (передаточные) Uвых=f(Uвх) и амплитудно-частотные (АЧХ) кU(f). Амплитудно-частотная характеристика имеет вид АЧХ усилителя постоянного тока за исключением специальных частотнозависимых устройств (избирательный усилитель и др.). Передаточные характеристики имеют линейный участок, для которого кU=
=const, и нелинейный - кU¢<кU. При реализации конкретных устройств используют линейные и нелинейные участки. Рассмотрим примеры построения устройств на базе ОУ.
Если необходима большая амплитуда на max частоте выходного неискажённого сигнала либо форма сигнала не синусоидальна, а импульсная с большой крутизной фронтов, необходимо применять ОУ с высокой скоростью нарастания напряжения (это осуществляется опережающей внутренней или внешней коррекцией ОУ, что приводит к неустойчивой работе при малых коэффициентах усиления). На некоторой частоте начинает влиять паразитная ёмкость первого усилительного каскада, в дополнение к влиянию ёмкости второго усилительного каскада, который начинает сказываться с частотой несколько сотен Гц.
Частотная характеристика:
Полоса пропускания 1МГц означает, что
кu·f = const.
fгр = 106Гц
Параметры ОУ:
- входные
- выходные
- усилительные
- энергетические
- дрейфовые
- частотные
- скоростные
Входными параметрами ОУ являются входное сопротивление, входные токи смещения, разность и дрейф входных токов смещения, максимальные, входные и дифференциальные напряжения. Наличие входных токов смещения обуславливается конечным значением входного сопротивления дифференциального каскада, а их разность - разбросом параметров транзисторов. Входное сопротивление ОУ рассматривается по отношению к входному сигналу. Для идеального ОУ
, а на практике составляет от 300КОм до 10Мом, если дифференциальный каскад выполнен на БПТ, а если на ПТ, то
Мом.
Входное напряжение, подаваемое на входы ОУ, ограничено максимальным дифференциальным входным напряжением, поэтому для исключения повреждения транзисторов дифференциального каскада между входами ОУ включают встречно-параллельно два каскада или стабилитрона.
Выходными параметрами ОУ являются выходное сопротивление, максимальное выходное напряжение и ток. ОУ должен обладать малым выходным сопротивлением для обеспечения высоких значений напряжения на выходе при малых сопротивлениях нагрузки. Диапазон реальных значений выходного сопротивления лежит в пределах от единиц до нескольких сотен Ом. Минимальное значение сопротивления нагрузки приводится в паспортных данных.
Максимальное выходное напряжение близко к напряжению питания
.
Максимальный выходной ток ограничивается допустимым коллекторным током от обоих источников питания и соответственно суммарной потребляемой мощностью.
Частотные параметры определяют по АЧХ ОУ, которая имеет спадающий характер в области высокой частоты, начиная от частоты среза. Причиной этого является частотная зависимость параметров транзисторов и паразитных емкостей схемы ОУ. По инвертирующему входу ОУ обычно охватывается ООС. В области высоких частот это приводит к дополнительному (сверх 180˚) фазовому сдвигу, который в пределе может достигать значения в 360˚. Т.о возникает ПОС, что приводит к самовозбуждению схемы. Для устранения самовозбуждения в ОУ вводят внешние корректирующие RC-цепи и места их подключения к микросхеме указываются заводом изготовителем.
Динамическими параметрами ОУ являются скорость нарастания выходного напряжения и время установления выходного напряжения. Они определяются по воздействию скачка напряжения на входе на участке изменения выходного напряжения от 0,1
до
.
Энергетические параметры ОУ оцениваются максимальными потребляемыми токами от обоих источников питания и соответственно суммарной потребляемой мощностью.
Инвертирующий усилитель:
Если в цепи обратной связи использовать простейший делитель напряжения, то получится базовая схема инвертирующего усилителя.
Потенциал на инвертирующем входе U- =0. Так как ОУ находится в линейном режиме, тогда U- - U+ = Uвых/К0 . Например, при Uвых =5 В, К0 = 2·105 получаем UА =25мкВ. Такое малое напряжение (оно сравнимо с термо-э.д.с. при ∆Т=1ºС) даже невозможно измерить обычным цифровым вольтметром. Отсюда следует, что потенциалы на выходах ОУ можно с хорошей точностью считать равными. Если один из входов ОУ заземлить, на втором входе будет также поддерживаться нулевой потенциал, хотя напрямую входы ОУ гальванически не связаны. Этот эффект называется мнимым заземлением. Таким образом, из U+ = 0 следует U-=0, Uвх = UR5 (падение напряжения на R5); Uвых = UR19 (падение напряжения на R19). Поскольку входной ток ОУ очень мал, им можно пренебречь, тогда получим I5 = Uвх/R5= -Uвых/R19. Это означает, что для инвертирующего усилителя Кu = Uвых/Uвх = -R19/R5.
Коэффициент усиления
.
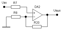
Неинвертирующий усилитель:

Так как U+≈U-, то Uвх = U-= UR8 (падение напряжения на R8); Uвых = UR8 +UR20 (падение напряжения на R20 и R8). Поскольку входной ток ОУ очень мал, им можно пренебречь, тогда получим Ioc = Uвх/R8= Uвых/(R20+R8). Это означает, что для неинвертирующего усилителя Кu = Uвых/Uвх = 1+R20/R8.
Интегратор реализует операцию

,
где t=R1Cо.с - постоянная времени.
Может служить фильтром НЧ первого порядка
Дифференциатор: выполняет операцию
.
![]() |
Для интегратора и дифференциатора на инвертирующий вход подаются прямоугольные импульсы с выхода симметричного мультивибратора. На рисунке, а приведен электрический аналог и на рисунке,б временные диаграммы, поясняющие принцип дифференцирования и интегрирования в электрических и электронных цепях.
Uвых = -IосRос
Iос = C·dUс/dt
Uс = Uвх
Uвых = -R осC·dUвх/dt
Используется для выделения переднего и заднего фронтов сигнала, а так же в качестве звена ФВЧ первого порядка.
Инвертирующий и неинвертирующий сумматоры:
Действие этой схемы в точности соответствует ее названию. Инвертирующий сумматор формирует алгебраическую сумму нескольких напряжений и меняет ее знак на обратный.
Если отдельным входным напряжениям надо придать различные веса, то используется схема суммирования с масштабными коэффициентами. Используется для суммирования сигналов, для цифро-аналогового преобразователя. В сумматоре отсутствует взаимное влияние источников сигналов.
Для инвертирующего сумматора выходное напряжение определяется по формуле
.
При равенстве входных сопротивлений R1=R2=R
Uвых=-
(Uвх.1+Uвх.2+...+Uвх.n) - для инвертирующего сумматора;
- для неинвертирующего сумматора.
В схеме сумматоров переменным параметром является сопротивление обратной связи Rо.с, которое и определяет коэффициент усиления. Формулы приведены для постоянных величин (числовой сумматор) Uвх.1, Uвх.2 и т.д.
Вычитатель:
Условия, выполнение которых необходимо для правильной работы этой схемы сводятся к тому, чтобы сумма коэффициентов усиления инвертирующей части схемы была равна сумме коэффициентов усиления ее неинвертирующей части. Другими словами, инвертирующий и неинвертирующий коэффициенты усиления должны быть сбалансированы.
Для схемы, представленной на рисунке, выходное напряжение пропорционально разности напряжений на входах Uвх1 и Uвх2.
. При R9=R11=R10=R21, получаем
.
Используются в измерительных дифференциальных схемах.
Компаратор – устройство сравнения двух сигналов. Компаратор изменяет скачком уровень выходного сигнала, когда непрерывно изменяющийся во времени выходной сигнал становится выше или ниже определенного уровня.
Компараторы бывают цифровые и аналоговые (сравнивает напряжения)
Диоды служат для защиты входов ОУ от перегрузки напряжения. При U = 100В диоды не открываются.
Часто на одном входе компаратора фиксированное Uвх. Компаратор сравнивает входные напряжения и усиливает их разность с Ки = 104 -105. Т.е. при малейшем превышении одного сигнала над другим на выходе получаем max сигнал положительной или отрицательной полярности. Благодаря высокому коэффициенту усиления схема переключается при очень малой величине разности напряжений
, поэтому она пригодна для сравнения двух напряжений с высокой точностью.
Работа компаратора при сравнении двух напряжений поясняется диаграммой:
С целью увеличения быстродействия в специа-лизированные компараторы (СА) вводят дополнительные форсирующие Re цепочки, которые могут приводить к возникновению нелинейности при работе ОУ, что несущественно для компаратора. Т.е. ОУ может работать как компаратор.
Недостаток компаратора: недостаточно чёткое срабатывание при медленно изменяющихся и защищённых входных сигналах.
2.5. Генераторы электрических сигналов.
Генераторами называются электронные схемы, формирующие переменные напряжения требуемой формы. Генератор можно получить из усилителя, охватив его положительной ОС. Автогенераторами называют генераторами с независимым возбуждением.
Усиление – это процесс преобразования энергии источника питания по закону входного сигнала, а генераторы осуществляют преобразование энергии источника питания в переменное напряжение требуемой частоты.
Для возникновения генерации необходимо выполнение двух условий:
1.баланс фаз – фазовые сдвиги сигнала, создаваемые усилителем
и звеном ПОС
должны быть кратны
.

2.баланс амплитуд – произведение коэффициента усиления и коэффициента ОС
, т.е. усилитель должен компенсировать все потери с цепи ОС.
Кроме того, для получения сигнала неискаженной формы необходимо, чтобы
. Если
происходит затухание колебаний, если
, то возникает прогрессирующее нарастание амплитуды сигнала на входе и выходе до ее ограничения, обусловленного напряжением источников питания и форма сигнала отлична от синусоидальной.
Равенство соответствует установившемуся режиму и возможно только при некотором соотношении коэф. ООС и ПОС.

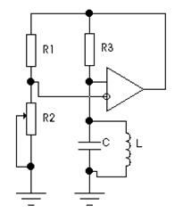
Генератор синусоидальных колебаний на ОУ (LC-генератор)
Баланс фаз означает, что колебания в замкнутой системе могут возобновляться только тогда, когда фаза выходного напряжения схемы ОС и фаза входного напряжения совпадают. Баланс амплитуд означает, что для возбуждения генератора усилителю необходимо компенсировать потери в схеме ОС.
Регулируя
, добиваемся равенства ПОС и ООС, что выражается в наличии на выходе незатухающих и неискаженных гармонических колебаний.


Недостаток: большие масса и объем для частот ниже нескольких кГц.
Для получения колебаний низкой частоты (менее 1 кГц) приходится использовать большие значения L и C, что увеличивает габариты и массу устройства. Для этого используют LC-генератор с мостом Вина.
Мост Вина не осуществляет сдвига фаз на резонансной частоте. Для возникновения незатухающий колебаний необходимо выполнение следующих условий:


Для получения гармонических колебаний с малыми искажениями используют инерционно-нелинейную цепь ООС. Нужный характер нелинейности обеспечивается тогда, когда с ростом амплитуды сигнала уменьшается R3 (термистор) или увеличивается R4 (позистор).
Стабильность такого генератора
, а если необходима более высокая стабильность
, используется кварцевый генератор.

Условие баланса амплитуд:

RC-генераторы.
Для получения гармонических колебаний низкой и инфранизкой частот (от нескольких сотен килогерц до долей герц) применяют RC-генераторы.
Представленная RС-цепь не осуществляет сдвига по фазе передаваемого сигнала на квазирезонансной частоте, т.е.
. Эта схема включается между выходом усилителя и неинвертирующим входом ОУ. Элементу
и
предназначены для получения требуемого коэффициента усиления. В схеме возникают автоколебания при соотношении
, частота которых определяется формулой
Если
и
, то частоту автоколебаний определяют из соотношения
, причем должно быть выполнено условие
.
Для получения гармонических колебаний с малыми искажениями используют инерционно-нелинейную цепь ООС. Нужный характер нелинейности обеспечивается тогда, когда с ростом амплитуды сигнала уменьшается сопротивление
или увеличивается
. Поэтому вместо
включается миниатюрный полупроводниковый терморезистор или вместо
- металлический терморезистор.
Другое представление схемы:

Рекомендуем посмотреть лекцию "10 Воспитание и развитие личности в дошкольном возрасте".
Мультивибратором называется генератор периодически повторяющихся импульсов прямоугольной формы. Мультивибратор является автогенератором и работает без подачи входного сигнала. Рассматриваемый генератор является симметричным и для него длительность импульса и паузы равны tи=tn=R2C×ln(1+
), при R3=R4 tи=tп=R2C×ln3, период повторения импульсов Тп=(tи+tп)=2tи, скважность Q=
. Изменяя t=R2C и величины R3, R4, можно регулировать длительность, частоту и амплитуду импульсов.
Предположим, что на выходе напряжение +12В, а на неинвертирующем входе +2В. Конденсатор заряжается через
до +2В. Так как напряжение на инвертирующем входе становится больше, чем на неинвертирующем входе, происходит переброс триггера Шмита, на выходе устанавливается максимальное отрицательное напряжение (-12В), на неинвертирующем входе -2В. Конденсатор перезаряжается через
до -2В и т.д.
























