Полупроводниковые приборы
Раздел 1. Полупроводниковые приборы
1.1. Электронно-дырочный p-n переход и его основные свойства.
Электропроводность твердых тел объясняется движением свободных электронов, т.е. электронов, утративших валентную связь с ядрами атомов. По электропроводности все вещества условно принято делить на проводники, полупроводники и диэлектрики.
Полупроводниковые материалы делятся на собственные (беспримесные) и примесные. При температуре 0˚К электроны в полупроводниках отсутствуют, и они являются диэлектриками. Для того чтобы в полупроводнике образовались свободные электроны, его кристалл необходимо нагреть или осветить, т.е. затратить для разрыва ковалентных связей некоторое количество энергии, подведенной извне.
Нарушение ковалентной связи приводит к одновременному образованию свободного электрона и дырки. В чистом полупроводнике количество свободных электронов равно числу дырок
, где n – число электронов, p- число дырок. Процесс образования электронно-дырочных пар при повышении температуры называется термогенерацией, а обратный процесс - рекомбинацией носителей зарядов.
Дырка, как и свободный электрон, совершает хаотическое движение в кристалле полупроводника и ведет себя подобно частице с положительным элементарным зарядом. При внесении кристалла полупроводника в электрический ток, движение электронов и дырок упорядочивается. Они начинают двигаться в противоположных направлениях. Поэтому различают электропроводности электронную n–типа и дырочную p–типа.
Ток в кристалле полупроводника состоит из двух составляющих: дрейфового Iдр и диффузионного токов Iдиф.
Дрейфовый ток в кристалле возникает в виде упорядоченного движения электронов и дырок под действием внешнего электрического поля Е. Он имеет электронную и дырочную составляющие Iдр= In др+I p др.
Рекомендуемые материалы
Диффузионный ток создается за счет разности концентрации носителей движением заряженных частиц из областей кристалла с повышенной концентрацией в область, обедненную носителями, и также имеет электронную и дырочную составляющие Iдиф= In диф+I p диф
Характер токопрохождения и величина тока зависят от полярности и величины приложенного напряжения. Если «+» подключен к контакту слоя p, а «-» к контакту слоя n, то напряжение на переходе понизится, равновесие между Iдр и Iдиф нарушится и через переход будет протекать прямой ток.
Если полярность источника питания изменить на обратную, то через p-n-переход могут пройти только неосновные носители зарядов. Направление тока этих зарядов противоположно направлению прямого тока, поэтому его называют обратным током. Его величина мала, т.к. число неосновных носителей очень невелико.
Для изготовления полупроводниковых приборов применяют примесные (легированные) полупроводники, обладающие, в отличие от чистых, значительно большей электропроводностью. В зависимости от рода примесей в полупроводнике в них преобладает либо электронная, либо дырочная электропроводность.
При легировании 4-хвалентного элемента (Si кремний или Ge германий) 5-тивалентным (Sb сурьма, As мышьяк, P фосфор) – донорная примесь - число свободных электронов превышает число дырок. Такой полупроводник обладает электронной проводимостью и является полупроводником n–типа.
При легировании кристалла Si кремния или Ge германия примесью 3-хвалентного элемента (B бор, In индий, Al алюминий) – акцепторная примесь - число свободных дырок превышает число электронов. Такой полупроводник обладает дырочной проводимостью и является полупроводником p–типа.
Работа большинства полупроводниковых приборов основана на использовании p-n-перехода. Физически это приконтактный слой толщиною в несколько микрон разновесных кристаллов.
Если к p-n-переходу приложить внешнее напряжение, то под его действием в цепи возникнет электрический ток. При больших обратных напряжениях наблюдается скачкообразное увеличение обратного тока. Это явление называется пробоем p-n-перехода, а соответствующее ему напряжение – напряжением пробоя.





p-n переход дырки
![]() |
ē ионы
ВАХ p-n-перехода

p-n переход - область высокого сопротивления, потому что не имеет подвижных зарядов. Т.о. полупроводниковые диоды обладают односторонней проводимостью.
Напряжение смещенного p-n-перехода кремниевого диода = 0,6 В.
Различают электрический (лавинный, туннельный) и тепловой пробои.
Электрический пробой является обратимый и используется в качестве рабочего режима при создании некоторых п/п приборов - лавинных диодов, транзисторов, тиристоров, стабилитронов.
Лавинный пробой возникает при прикладывания к р-n-переходу высокого обратного напряжения. В этом случае неосновные носители могут приобретать в поле р-n-перехода настолько большую кинетическую энергию, что вызывают ударную ионизацию полупроводника, т.е., оставаясь в прежней энергетической зоне, носитель передает энергию носителю валентной зоны, переводя его в зону проводимости и создавая электронно-дырочную пару. Это приводит к лавинообразному нарастанию обратного тока.
Туннельный пробой возникает при меньших обратных напряжениях, чем лавинный, и обусловлен просачиванием неосновных носителей через барьер в зону, где они становятся основными носителями, за счёт туннельного эффекта.
Тепловой пробой возникает вследствие перегрева и разрушения р-n-перехода, протекающим через него током и является необратимым. Для его предотвращения нужно ограничить ток.
Р-n-переход обладает ёмкостью. Причем суммарная емкость состоит из барьерной и диффузионной:
С = Сбар+Сдиф
Основное значение имеет барьерная ёмкость, которая возникает при приложении к р-n переходу обратного запирающего напряжения. Зависит от величины обратного напряжения и площади р-n-перехода. Обкладки – р и n области, диэлектрик – p-n-переход. Использование барьерной емкости позволяет создавать конденсаторы с переменной емкостью, управляемой обратным напряжением. Такие приборы называются варикапами. Соотношение минимальной и максимальной емкостей может составлять 1:5.

с
Коэффициент перекрытия по ёмкости

Диффузионная ёмкость обусловлена накоплением заряда неосновных носителей при прямом смещении и рассасыванию его при обратном смещении. При прямом смещении ток в р-n- переходе в начальный момент представляет собой в основном ток заряда ёмкости Сдиф. При обратном включении - обратный ток в начальный момент времени - ток перезаряда Сдиф. Сдиф оказывает существенное негативное влияние на быстродействие, является причиной появления сквозных токов в выпрямителях. Значение Сдиф существенно больше, чем Сбар, но использовать её не удаётся, т.к. она зашунтирована малым прямым сопротивлением самого диода.
1.2. Полупроводниковые (п/п) диоды. Классификация, параметры. Основные типы п/п диодов, их характеристики и применение. Выпрямители.
Диодом называется полупроводниковый прибор с одним p-n-переходом и 2-мя выводами, с помощью которых он соединяется с внешней электрической цепью.
В основе классификации диодов лежат различные признаки:
· Вид электрического перехода (точечный, плоскостной);
· Физические процессы в переходе (туннельный, лавинно-пролетный);
· Характер преобразования энергии сигнала (фотодиод, светодиод, магнитодиод и т.д.);
· Диапазон рабочих частот (низкочастотные, высокочастотные, СВЧ диоды);
· Конструктивно-технологические особенности (диффузионные, эпитаксиальные, Шотки и т.д.);
В курсе изучения электроники основное внимание будем уделять изучению диодов с точки зрения:
· Применяемого исходного материала для изготовления диодов: кремниевые, германиевые, селеновые и т.д.;
· Использованию нелинейных свойств p-n-перехода: выпрямительные, стабилитроны, варикапы, импульсные.
На электронных схемах диоды обозначаются следующим образом:
Выпрямительный

Туннельный

Обращенный
Диоды являются полупроводниковыми приборами, которые пропускают ток в одном направлении. При прикладывании к диоду прямого напряжения («+» к аноду, а «-» к катоду), резко возрастает значение прямого тока, который во много раз больше обратного I пр>>Iобр.
К основным статистическим параметрам диода относят прямое падение напряжения Uпр при заданном прямом токе Iпр, и постоянный обратный ток Iобр при заданном обратном напряжении Uобр.
Дифференциальное сопротивление диода rдиф характеризует динамические параметры и влияет на крутизну вольтамперной характеристики диода, т.е. само дифференциальное сопротивление зависит от приложенного напряжения и протекающего тока


Падение напряжения на отдельном диоде зависит от величины прямого тока Iпр, температуры и составляет для германиевых диодов 0.15-0.4 В, для кремневых 0.5-0.9 В. Обратный ток Iобр, протекающий через диод, сильно зависит от температуры, и при некотором значении Uобр приближается к некоторому постоянному значению
(с увеличением температуры происходит увеличение обратного тока).
Предельное значение температуры для германиевых диодов составляет
; кремниевых диодов
.
В электрических схемах диоды включаются в цепь в прямом направлении. Е – напряжение источника питания. В практических схемах в цепь диода всегда включается какая-либо нагрузка, например, резистор. Такой режим работы диода называется рабочим. Его расчет производится по известным значениям E, RН и ВАХ диода. Расчет производится по формуле.

В формуле две неизвестных
. Решение производится графически. На ВАХ диода накладывается прямая нагрузка, которая строится по 2-м точкам на осях координат при:

, т. А на рисунке.
, что соответствует т. Б.
Через эти точки проводим прямую, которая и является линией нагрузки. Координаты т. Т определяют рабочий режим диода.
Рабочий режим характеризуется следующими параметрами:
- максимально допустимая мощность, рассеиваемая диодом;
температурные параметры.
Рассмотрим группу полупроводниковых диодов, особенность работы которых связана с использованием нелинейных свойств p-n-перехода.
Выпрямительные диоды предназначены для преобразования переменного напряжения низкой частоты (
) в постоянное. Они подразделяются на диоды
· малой
,
· средней 
· большой
мощности.
Основными параметрами, характеризующими выпрямительные диоды, являются:
· Обратный ток при некотором значении обратного напряжения;
· Падение напряжения на диоде при некотором значении прямого тока через диод;
· Барьерная емкость диода при подаче на него обратного напряжения некоторой величины;
· Диапазон частот, в котором возможна работа диода без существенного снижения выпрямленного тока;
· Рабочий диапазон температур.
В рабочем режиме через диод протекает ток, и в его электрическом переходе выделяется мощность, вследствие чего температура перехода повышается. В установившемся режиме подводимая к переходу мощность
и отводимая от него
должны быть равны и не превышать максимально допустимой мощности
, рассеиваемой диодом, т.е .
. В противном случае наступает тепловой пробой диода.
Качество теплоотвода в диоде характеризуется параметром эксплуатационного режима – тепловым сопротивлением
под которым подразумевается отношение разности температур электрического перехода
и корпуса диода
к мощности рассеиваемой на диоде установившемся режиме. Уменьшение
позволяет при заданном значении
увеличивать рабочую температуру перехода или при известном перепаде температур повышать прямые и обратные токи и напряжения диода. Это достигается применением специальных теплоотводов-радиаторов.
Стабилитроны – полупроводниковые диоды, работающие на обратной ветви ВАХ в области, где изменение напряжения электрического пробоя слабо зависит от значения обратного тока и применяется для стабилизации напряжения.
Односторонний стабилитрон

Двусторонний стабилитрон
Основными параметрами стабилитронов являются:
Uст - напряжение стабилизации при номинальном значении тока;
Iст min - минимальный ток стабилизации, при котором возникает устойчивый пробой;
Iст max максимальный ток стабилизации, при котором мощность, рассеиваемая на стабилитроне, не превышает допустимого значения;
Rст - дифференциальное сопротивление, характеризующее изменение напряжения стабилизации при изменении тока: Rст =DU/DI

При рассмотрении ВАХ стабилитрона видно, что в области электрического пробоя имеется участок, который может быть использован для стабилизации напряжения. Такой участок у кремниевых плоскостных диодов соответствует изменениям обратного тока в широких пределах. При этом до наступления пробоя обратный ток очень мал, а в режиме пробоя, в данном случае в режиме стабилизации, он становится такого же порядка, как и прямой ток. Стабилитроны изготавливаются исключительно из кремния, их также еще называют опорными диодами, т. к. в ряде случаев получаемое от них стабильное напряжение используется в качестве опорного. При обратном токе напряжение стабилизации меняется незначительно. Стабилитрон работает при обратном напряжении.
Принцип работы поясняет схема параметрического стабилизатора напряжения. Нагрузка включена параллельно стабилитрону, поэтому в режиме стабилизации, когда напряжение на стабилитроне постоянно, такое же напряжение будет и на нагрузке. Все изменение входного напряжения будет поглощаться резистором Rогр, которое еще называют балластным. Сопротивление этого резистора должно быть определенного значения и его обычно рассчитывают для средней точки. Если входное напряжение будет изменяться, то будет изменяться ток стабилитрона, но напряжение на нем, следовательно, и на нагрузке, будет оставаться постоянным.
При напряжениях меньше 7В имеет место полевой (туннельный) пробой, больше 15В - лавинный пробой, от 7 до 15В - смешанный пробой. Пробои в стабилитронах обратимы.

В схемах со стабилитроном должен быть ограничивающий резистор.


Динамическое сопротивление, определяющее качество стабилитрона:
(чем меньше, тем лучше)


Статическое сопротивление: 
Коэффициент качества:
=0,01 – 0,05
Температурный коэффициент напряжения: ТКН = (0,2 – 0,4%)/°С
Недостаток стабилитрона: при малых токах стабилизации <3 мА увеличивается
и существенную роль играют шумы.
Фотодиодом называется фотоэлектрический прибор, имеющий один р-n-переход. В основе его работы лежит явление возрастания обратного тока р-n-перехода при его освещении, т.е. световой поток управляет обратным током фотодиода.
Фотодиоды имеют структуру обычного р-n-перехода (см. рис.), где а) - условное обозначение фотодиода, б) - структура фотодиода. Вследствие оптического возбуждения в р и n областях возникает неравновесная концентрация носителей заряда.
![]() |
На границе перехода неосновные носители заряда под влиянием электрического поля, перебрасываются через переход в область, где они являются основными носителями. Электрический ток, созданный ими есть полный фототок. Если р-n-переход разомкнут, то перенос носителей заряда, генерируемых светом, приводит к накоплению отрицательного в n-области и положительного в р-области зарядов. Новое равновесное состояние соответствует меньшей высоте потенциального барьера, равной (Uк-Еф). ЭДС Еф, возникающую при этих процессах, на значение которой снижается потенциальный барьер Uк в р-n-переходе, называют фотоэлектродвижущей силой (фото-ЭДС) В данной ситуации фотодиод работает в режиме фотогенератора, преобразуя световую энергию в электрическую.
Фотодиод может работать совместно с внешним источником (рис. в). При освещении фотодиода поток неосновных носителей заряда через р-n-переход возрастает. Увеличивается ток во внешней цепи, определяемый напряжением источника и световым потоком. Значение фототока можно найти из выражения Iф=SинтФ, где Sинт - интегральная чувствительность.
Фотодиод может включаться двумя способами:
· вентильный (гальванический) режим
· фотодиодный режим

Вольтамперные характеристики освещенного p-n-перехода показаны на рисунке.

Энергетические характеристики, которые связывают фототок со световым потоком, являются одними из основных характеристик фотодиода. Причем фотодиод может быть включен без внешнего источника ЭДС (генераторный режим), так и с внешним источником (см. рис.) а) - генераторный режим; б) - при работе с внешним источником).

Достоинства: большое быстродействие.
Недостатки: невысокая фоточувствительность.
Светодиодами называются полупроводниковые приборы, преобразующие электрические сигналы в оптическую лучистую энергию некогерентного светового излучения.

При приложении к светодиоду прямого напряжения происходит инжекция носителей заряда, которая в сочетании с рекомбинацией с неосновными носителями вызывает излучение.
Основные параметры:
1.сила света (десятые доли÷единицы мКанделл);
2.яркость (десятки÷сотни Кандел на кв.см);
3.постоянное прямое напряжение
;
4.цвет свечения и длина волны, соответствующие максимальному световому потоку;
5.максимально допустимый постоянный прямой ток (десятки мА);
6.максимально допустимое постоянное обратное напряжение (единицы В).
Используются: в оптических линиях связи, индикаторных устройствах, оптопарах.
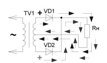
Диоды в схемах выпрямителей включаются по одно- и двухполупериодной схемам. Если взять один диод, то ток в нагрузке будет протекать за одну половину периода, поэтому такой выпрямитель называется однополупериодным. Его недостаток – малый КПД.


Значительно чаще применяются двухполупериодные выпрямители.


В течение положительного полупериода напряжения Ua (+) диоды VD1 и VD4 открыты, а VD2 и VD3 – закрыты. Ток будет протекать по пути: верхняя ветвь (+), диод VD1, нагрузка, диод VD4, нижняя ветвь (-).
В течение отрицательного полупериода напряжения Ua диоды VD1 и VD4 закрываются, а диоды VD2 и VD3 открываются. Ток будет протекать от (+), нижняя ветвь, диод VD3, нагрузка, диод VD2, верхняя ветвь (-).
Поэтому ток через нагрузку будет протекать в одном и том же направлении за оба полупериода. Схема выпрямителя называется двухполупериодной.
Если понижающий трансформатор имеет среднюю точку, то есть вывод от середины вторичной обмотки, то двухполупериодный выпрямитель может быть выполнен на двух диодах.

1.3. Биполярные транзисторы: устройство, принцип действия, основные параметры и характеристики. Схемы включения транзисторов: с общим эмиттером (ОЭ), общим коллектором (ОК), общей базой (ОБ) – характеристики и применение. Полевые транзисторы.
Транзистором называется полупроводниковый преобразовательный прибор, имеющий не менее трёх выводов и способный усиливать мощность. Классификация транзисторов производится по следующим признакам:
• По материалу полупроводника - обычно германиевые или кремниевые;
• По типу проводимости областей (только биполярные транзисторы): с прямой проводимостью (p-n-p - структура) или с обратной проводимостью (n-p-n - структура);
• По принципу действия транзисторы подразделяются на биполярные и полевые (униполярные);
• По частотным свойствам;
НЧ (<3 МГц);
СрЧ (3÷30 МГц);
ВЧ и СВЧ (>30 МГц);
• По мощности. Маломощные транзисторы ММ (<0,3 Вт), средней мощности СрМ (0,3÷3
Вт), мощные (>3 Вт). Маркировка.
Г Т - 313 А
К П - 103 Л
I II - III IV
I - материал полупроводника: Г - германий, К - кремний.
II - тип транзистора по принципу действия: Т - биполярные, П - полевые.
III - три или четыре цифры - группа транзисторов по электрическим параметрам. Первая цифра показывает частотные свойства и мощность транзистора в соответствии с ниже приведённой таблицей.

IV – модификация транзистора в 3-й группе.
Устройство биполярных транзисторов. Основой биполярного транзистора является кристалл полупроводника p-типа или n-типа проводимости, который также как и вывод от него называется базой. Диффузией примеси или сплавлением с двух сторон от базы образуются области с противоположным типом проводимости, нежели база.

Область, имеющая бóльшую площадь p-n перехода, и вывод от неё называют коллектором. Область, имеющая меньшую площадь p-n перехода, и вывод от неё называют эмиттером. p-n переход между коллектором и базой называют коллекторным переходом, а между эмиттером и базой – эмиттерным переходом.
Направление стрелки в транзисторе показывает направление протекающего тока. Основной особенностью устройства биполярных транзисторов является неравномерность концентрации основных носителей зарядов в эмиттере, базе и коллекторе. В эмиттере концентрация носителей заряда максимальная. В коллекторе – несколько меньше, чем в эмиттере. В базе – во много раз меньше, чем в эмиттере и коллекторе.
Принцип действия биполярных транзисторов. При работе транзистора в усилительном режиме эмиттерный переход открыт, а коллекторный – закрыт. Это достигается соответствующим включением источников питания.

Так как эмиттерный переход открыт, то через него будет протекать ток эмиттера, вызванный переходом электронов из эмиттера в базу и переходом дырок из базы в эмиттер. Следовательно, ток эмиттера будет иметь две составляющие - электронную и дырочную.
Инжекцией зарядов называется переход носителей зарядов из области, где они были основными в область, где они становятся неосновными. В базе электроны рекомбинируют, а их концентрация в базе пополняется от «+» источника Еэ, за счёт чего в цепи базы будет протекать очень малый ток. Оставшиеся электроны, не успевшие рекомбинировать в базе, под ускоряющим действием поля закрытого коллекторного перехода как неосновные носители будут переходить в коллектор, образуя ток коллектора. Переход носителей зарядов из области, где они были не основными, в область, где они становятся основными, называется экстракцией зарядов.
Основное соотношение токов в транзисторе:
Iэ = Iк + Iб
α - коэффициент передачи тока транзистора или коэффициент усиления по току:
Iк = α ∙ Iэ
Дырки из коллектора как неосновные носители зарядов будут переходить в базу, образуя обратный ток коллектора Iкбо. Iк = α ∙ Iэ + Iкбо
Из трёх выводов транзистора на один подаётся входной сигнал, со второго - снимается выходной сигнал, а третий вывод является общим для входной и выходной цепи.
Схемы включения БПТ
Любая схема включения транзистора характеризуется двумя основными показателями:
- коэффициент усиления по току Iвых/Iвх (для схемы с общей базой Iвых/Iвх=Iк/Iэ=α [α<1])
- входное сопротивление Rвхб=Uвх/Iвх=Uбэ/Iэ.
Входное сопротивление для схемы с общей базой мало и составляет десятки Ом, так как входная цепь транзистора при этом представляет собой открытый эмиттерный переход транзистора.

Недостатки схемы с общей базой:
• Схема не усиливает ток α<1
• Малое входное сопротивление
• Два разных источника напряжения для питания. Достоинства - хорошие температурные и частотные свойства.
Схема включения с общим эмиттером. Эта схема является наиболее распространённой, так как она даёт наибольшее усиление по мощности.

Iвх = Iб Iвых = Iк Uвх = Uбэ Uвых = Uкэ
β = Iвых / Iвх = Iк / Iб (n: 10÷100) Rвх.э = Uвх / Iвх = Uбэ / Iб [Ом] (n: 100÷1000)
Коэффициент усиления по току такого каскада представляет собой отношение амплитуд (или действующих значений) выходного и входного переменного тока, то есть переменных составляющих токов коллектора и базы. Поскольку ток коллектора в десятки раз больше тока базы, то коэффициент усиления по току составляет десятки единиц.
Коэффициент усиления каскада по напряжению равен отношению амплитудных или действующих значений выходного и входного переменного напряжения. Входным является переменное напряжение база - эмиттер Uбэ, а выходным - переменное напряжение на резисторе нагрузки Rн или, что то же самое, между коллектором и эмиттером - Uкэ:
Напряжение база - эмиттер не превышает десятых долей вольта, а выходное напряжение при достаточном сопротивлении резистора нагрузки и напряжении источника Ек достигает единиц, а в некоторых случаях и десятков вольт. Поэтому коэффициент усиления каскада по напряжению имеет значение от десятков до сотен. Отсюда следует, что коэффициент усиления каскада по мощности получается равным сотням, или тысячам, или даже десяткам тысяч. Этот коэффициент представляет собой отношение выходной мощности к входной. Каждая из этих мощностей определяется половиной произведения амплитуд соответствующих токов и напряжений. Входное сопротивление схемы с общим эмиттером мало (от 100 до 1000 Ом). Каскад по схеме ОЭ при усилении переворачивает фазу напряжения, т. е. между выходным и входным напряжением имеется фазовый сдвиг 180°.
Достоинства схемы с общим эмиттером:
• Большой коэффициент усиления по току
• Бóльшее, чем у схемы с общей базой, входное сопротивление
• Для питания схемы требуются два однополярных источника, что позволяет на практике обходиться одним источником питания.
Недостатки: худшие, чем у схемы с общей базой, температурные и частотные свойства. Однако за счёт преимуществ схема с ОЭ применяется наиболее часто.
Схема включения с общим коллектором.
Iвх = Iб
Iвых = Iэ
Uвх = Uбк
Uвых = Uкэ
Iвых / Iвх = Iэ / Iб = (Iк + Iб) / Iб = β + 1 = n
n = 10 … 100
Rвх = Uбк / Iб = n (10÷100) кОм
В схеме с ОК коллектор является общей точкой входа и выхода, поскольку источники питания Еб и Ек всегда шунтированы конденсаторами большой ёмкости и для переменного тока могут считаться короткозамкнутыми. Особенность этой схемы в том, что входное напряжение полностью передается обратно на вход, т. с. очень сильна отрицательная обратная связь. Нетрудно видеть, что входное напряжение равно сумме переменного напряжения база - эмиттер Uбэ и выходного напряжения. Коэффициент усиления по току каскада с общим коллектором почти такой же, как и в схеме с ОЭ, т. е. равен нескольким десяткам. Однако, в отличие от каскада с ОЭ, коэффициент усиления по напряжению схемы с ОК близок к единице, причем всегда меньше её. Переменное напряжение, поданное на вход транзистора, усиливается в десятки раз (так же, как и в схеме ОЭ), но весь каскад не даёт усиления. Коэффициент усиления по мощности равен примерно нескольким десяткам. Рассмотрев полярность переменных напряжений в схеме, можно установить, что фазового сдвига между Uвых и Uвх нет. Значит, выходное напряжение совпадает по фазе с входным и почти равно ему. То есть, выходное напряжение повторяет входное. Именно поэтому данный каскад обычно называют эмиттерным повторителем и изображают схему так, как показано на рисунке.
Эмиттерным – потому, что резистор нагрузки включен в провод вывода эмиттера и выходное напряжение снимается с эмиттера (относительно корпуса). Так как входная цепь представляет собой закрытый коллекторный переход, входное сопротивление каскада по схеме ОК составляет десятки килоом, что является важным достоинством схемы. Выходное сопротивление схемы с ОК, наоборот, получается сравнительно небольшим, обычно единицы килоом или сотни ом. Эти достоинства схемы с ОК побуждают использовать её для согласования различных устройств по входному сопротивлению.
Недостатком схемы является то, что она не усиливает напряжение – коэффициент усиления чуть меньше 1.
Режимы работы транзистора. В зависимости от способа подключения эмиттерного и коллекторного электронно-дырочного перехода (ЭДП) к источникам питания биполярный транзистор может работать в одном из четырех режимов: отсечки, насыщения, активном и инверсном.
Эмиттерный и коллекторный ЭДП в режиме отсечки (рис. а) смещаются в обратном, а в режиме насыщения (рис. б) — в прямом направлениях. Коллекторный ток в этих режимах практически не зависит от напряжения и тока эмиттера.

Режимы отсечки и насыщения используются при работе биполярных транзисторов в импульсных и ключевых устройствах.
При работе транзистора в активном режиме его эмиттерный переход смещается в прямом, а коллекторный — в обратном направлении (рис. в).
Статические характеристики биполярного транзистора. Статические характеристики выражают сложные связи между токами и напряжениями электродов транзистора и зависят от способа его включения.
Ни рис. а показано семейство входных характеристик биполярного транзистора типа п- р- п, включенного по схеме ОЭ, которые выражают зависимость IБ =f(UБЭ) при UКЭ = const.
При UКЭ = 0 входная характеристика представляет собой прямую ветвь ВАХ эмиттерного ЭДП. При положительном напряжении коллектора входная характеристика смещается вправо.

Выходные характеристики (рис. б) отражают зависимость IК =f(UКЭ) при IБ = const. Крутой участок характеристик соответствует режиму насыщения, а пологий - активному режиму.
Полевые транзисторы (униполярные) - п/п приборы, в которых прохождение тока обусловлено дрейфом носителей заряда одного знака под действием продольного электрического поля.
С точки зрения носителя заряда их называют униполярные (одной полярности).
С точки зрения управления электрическим полем - полевыми.
Различают схемы включения:
- с общим истоком (подобно общему эмиттеру) которые позволяют получить усиление тока и напряжения и инвертирование фаз напряжения при усилении, имеют очень высокое входное и выходное сопротивления;
- с общим стоком (подобно общему коллектору и эмиттерному повторителю и может быть назван истоковым повторителем) имеет коэффициент усиления по напряжению, стремящийся к единице, выходное напряжение по значению и фазе повторяют входное, имеют очень высокое входное и низкое выходное сопротивления;
- с общим затвором (подобно общей базе)не дает усиления тока и поэтому усиление мощности в ней во много раз меньше, чем в схеме с ОИ, входное сопротивление мало, в усилителях не используются, применяется в качестве линейных ключей и электронных потенциометров.
Отличие биполярных от полевых транзисторов: практически бесконечное входное сопротивление, несколько худшие усилительные свойства, лучшие температурные характеристики, возможность параллельного включения с целью увеличения тока, опасность повреждения статическим напряжением.
По способу создания канала различают ПТ с p-n-переходом (канал p- или n-типа), встроенным каналом (МДП) и индуцированным каналом (МОП).
ПТ с управляющим р-n переходом содержит три п/п области одного и того же типа проводимости, называемые истоком - каналом - стоком.




Движение носителей заряда начинается от истока в направлении стока по каналу, ширина которого зависит от напряжения, приложенного к затвору. Соответственно имеет 3 электрода: затвор, сток и исток. р-n переход является высокоомной областью неподвижных носителей заряда –ионов.
Подавая на затвор запирающее напряжение (в нашем случае "-") мы увеличиваем ширину р-n переходов и соответственно уменьшаем ширину канала и увеличиваем его сопротивление.

Резистор автоматического смещения служит для автоматического создания напряжения смещения. При его увеличении возможно полное запирание. Сопротивление в цепи затвора необходимо для заряда конденсатора.
При подаче на затвор отпирающего напряжения > 0,5В происходит отпирание р-n-перехода, возникает ток затвора и ПТ теряет основное своё преимущество: высокое входное сопротивление.
МОП с изолированным затвором и индуцированным каналом.

При приложении к затвору напряжения положительной полярности определенной величины, в области подложки (наиболее близко расположенная к затвору), под диэлектриком, образуется канал из неосновных носителей зарядов электронов. Для него характерно ещё большее входное сопротивление, но меньшее усиление, так как управляющий затвор находитя на большем расстоянии от канала.
МДП со встроенным каналом.

При подаче положительного напряжения увеличиваем ширину канала, и ток по нему тоже увеличивается. При подаче отрицательного напряжения уменьшаем ширину канала и ток по нему, вплоть до полного закрытия транзистора.
«+» возможность работы без начального смещения
«-» протекание тока при наличие U3 = О
"Заболевания кожи, подкожной клетчатки, мышц, суставов" - тут тоже много полезного для Вас.
Чтобы р-п переходы были надёжно заперты относительно подложки (П), мы подаём на П напряжение, противоположное полярности по отношению к напряжению на стоке, т.е. для п - канала это будет "-". В обычных случаях соединяем П и U
КМОП - комплиментарные МОП с п и р переходом.
«+» отрицательный температурный коэффициент мощности, т.е. при нагреве ток стока уменьшается.
ПТ п - типа с р-п переходом не рекомендуется использовать при комбинации больших (20-50В) напряжений на затворах и относительно больших (> 1 мА) тока стока, из-за резкого возрастания тока затвора.
Достоинства ПТ: высокое входное сопротивление.
Недостатки: более низкое, по сравнению с БПТ, усиление по напряжению.
Рекомендуемые лекции
- Заболевания кожи, подкожной клетчатки, мышц, суставов
- Маркетинг услуг и некоммерческой деятельности
- Многоуровневый подход к проблеме принятия оптимальных решений по обеспечению экологически устойчивого развития территорий
- 11 Участие России в международных правовых договорах с регулированием инвестиций
- 20 - Геолого-промышленная оценка





















