Распределение напряжения по элементам высоковольтных изоляционных конструкций
Распределение напряжения по элементам высоковольтных изоляционных конструкций
Распределение напряжения на опорной и подвесной изоляции
При выборе и расчете изоляционных конструкций руководствуются обеспечением надежности и долговечности работы высоковольтных аппаратов.
Переменное и импульсное напряжения распределяются по изоляционным конструкциям по продольным и поперечным паразитным емкостям его элементов относительно земли или других конструкций. Емкости элементов изоляции образуют емкостные делители (рис. 1).

Рис.1. Продольная емкость (К) и емкость на землю (С1) изоляционной конструкции.
Неравномерность распределения приводит к тому, что на части изоляции напряженность электрического поля выше порога начала коронного разряда. Корона на высоковольтной конструкции является причиной радиопомех, ускоренного старения изоляции и коррозии арматуры, а также дополнительных потерь электрической энергии. Данная проблема весьма актуальна при выборе подвесной изоляции - гирлянд линий электропередачи. Распределение напряжения по изоляторам гирлянды можно определить с помощью схемы замещения, показанной на рис. 2.
Рекомендуемые материалы

Рис. 2. Гирлянда изолятора (а) и схема замещения гирлянды (б)
На этой схеме К - собственные емкости изоляторов; С1 - емкости металлических элементов изоляторов относительно заземленных частей сооружения (опоры, заземленных тросов и т. д.); С2 - емкости этих же элементов относительно частей установки, находящихся под напряжением (провода, арматуры); R - сопротивления утечки по поверхности изоляторов.
Обычно гирлянды комплектуются из однотипных изоляторов, поэтому их собственные емкости, лежащие в пределах К = 30 - 70 пФ имеют одинаковую величину. При чистой и сухой поверхности изоляторов R >> 1 / w К. Поэтому распределение напряжений зависит только от емкостей К, С1 и С2 . Если бы емкости С1 и С2 отсутствовали, напряжение по изоляторам распределялось равномерно.
В реальных условиях емкости С1 = 4 - 5 пФ и С2 = 0,5 - 1,0 пФ, т. е. не равны нулю, поэтому величина тока, протекающая через емкости К изоляторов, не остается постоянной. На рис. 3 приведена схема замещения для случая С1 ¹ 0 и С2 =0 и условно показано распределение токов.
Рис. 3. Влияние емкости С1 на распределение напряжения вдоль гирлянды.
Через собственную емкость ближайшего к высоковольтному проводу изолятора протекает наибольший ток, а через емкость изолятора, ближайшего к “земле”, - наименьший. При этом напряжение вдоль гирлянды распределяется неравномерно.
В реальных условиях на распределение напряжения вдоль гирлянды оказывают влияние как емкости С1 , так и емкости С2 . При этом изоляторы, расположенные в средней части гирлянды, оказываются менее нагруженными по напряжению, чем изоляторы у концов гирлянды. Вследствие того, что С1 > C2 , наибольшее напряжение приходится на изоляторы, ближайшие к проводу.
Выравнивание распределения напряжения вдоль гирлянды способствует применение специальной арматуры в виде колец, которые укрепляются в месте подвески провода. Такая арматура увеличивает емкость С2 изоляторов, ближайших к проводу, и тем самым уменьшает долю напряжения, приходящуюся на эти изоляторы.
При сильном загрязнении и увлажнении поверхностей изоляторов R << 1 / w К, поэтому распределение напряжения вдоль гирлянды определяется главным образом сопротивлениями утечки. Если изоляторы гирлянды загрязнены и увлажнены одинаково и равномерно по всей поверхности, то происходит выравнивание распределения напряжения.
Распределение напряжения в обмотках трансформаторов.
При воздействии на трансформаторы импульсов перенапряжений в обмотках возникают переходные процессы, сопровождающиеся значительными импульсными перенапряжениями в главной (по отношению к “земле”) и продольной (между соседними витками и катушками) изоляции, величина которых в значительной степени определяется начальным распределением напряжения вдоль обмотки, которое зависит от емкостей на землю и продольной емкости.
Наиболее простой для анализа и наиболее тяжелый для изоляции случай соответствует падению на обмотку трансформатора бесконечно длинного импульса с амплитудой U0 и прямоугольным фронтом (длина фронта tи = 0), при воздействии которого токи через индуктивности в начальный момент времени будут равны нулю. Поэтому начальное распределение напряжения вдоль обмотки, как и для гирлянды изоляторов, будет определяться из цепочечной схемы, включающей продольные емкости К между соседними витками и катушками, а также поперечные емкости С1 относительно земли (рис. 3). Емкостями С2 можно пренебречь, т. к. при отсутствии специальных мер у трансформаторов С2 << C1 .
Без специальных мер по выравниванию распределения напряжения начальное распределение напряжения вдоль обмотки трансформатора получается сильно неравномерным. Напряжения между первыми витками обмотки могут в 10 - 20 раз превышать те, которые соответствуют равномерному распределению. Это вызвано тем, что в отличии от гирлянды, где К > C1 почти в 20 раз, в трансформаторах из-за близости обмоток к заземленным баку и магнитопроводу это соотношение не превышает 8 раз. Для выравнивания начального распределения напряжения в трансформаторах выполняют специальную внутреннюю защиту, часто в виде емкостных экранов, электрически соединенных с началом обмотки. Эти экраны создают дополнительные емкости между витками или катушками обмотки и началом обмотки (рис 4) и тем самым частично выравнивают начальное распределение напряжения (как и емкости С2 в гирлянде изоляторов).

Рис. 4. Схема замещения обмотки трансформатора.
К- продольная емкость между катушками; С1 - поперечная емкость катушек относительно земли; С2 - емкость катушек относительно экрана.
Изоляция вращающихся машин
Во вращающихся электрических машинах высокого напряжения (3 - 20 кВ) в месте выхода обмотки из паза статора электрическое поле получается резко неоднородным. Сталь статора, т. е. заземленный электрод, имеет здесь угол с острой кромкой (точка А, рис. 5 а), напряженность у которой даже при рабочем напряжении получается настолько высокой, что на поверхности изоляции могут возникнуть скользящие разряды (от точки А). Эти разряды разрушают изоляцию и резко сокращают ее срок службы.
Для того, чтобы сделать электрическое поле на этом участке более однородным, на поверхность изоляции наносят покрытие, удельное сопротивление которого (на единицу длины слоя) на 3 - 4 порядка меньше, чем поверхностное сопротивление rs самой изоляции. Благодаря этому напряженность электрического поля вдоль поверхности изоляции в месте выхода обмотки из паза значительно снижается и разряды в этом месте устраняются, но появляется острая кромка в месте окончания покрытия (точка В на рис. 5).

Рис. 5. Конструкция и схемы замещения изоляции в месте выхода обмотки электрической машины из паза статора
А - без регулирования электрического поля; Б - с регулированием электрического поля с помощью проводящего покрытия; 1 - сталь ротора; 2 - токоведущий стержень; 3 - изоляция; 4 - проводящее покрытие.
Однако протекающие вдоль покрытия емкостные токи (через С1 ) создают падение напряжения, и разность потенциалов между токоведущим стержнем обмотки и покрытием с увеличением x постепенно снижается. При правильном выборе длины покрытия lп и его удельного сопротивления разность потенциалов между токоведущим стержнем и краем покрытия оказывается сниженной настолько, что, несмотря на неоднородность поля в этом месте, разряд по краю покрытия не возникает. Кривые изменения напряженности Ex вдоль поверхности изоляции показаны на рис. 6.

Рис. 6. Изменение напряженности Ех вдоль поверхности изоляции в месте выхода обмотки из паза статора.
1 - без покрытия; 2 - с покрытием
Строгий расчет трехмерного электрического поля в месте выхода обмотки из паза статора с учетом геометрической формы токоведущих стержней обмотки и стали статора, различия диэлектрических проницаемостей воздуха и твердой изоляции, учет объемной и поверхностной проводимости изоляции представляет весьма сложную задачу. Удовлетворительная для инженерных расчетов точность достигается при следующих упрощениях:
- электрическое поле предполагается плоскопараллельным, т. е. принимается, что в любом сечении, параллельным чертежу (рис. 5), форма поля сохраняется;
- емкость между сталью статора и поверхностью твердой изоляции (С2 на рис. 5) не учитывается;
- объемное сопротивление твердой изоляции не учитывается;
- изменение потенциала вдоль поверхности изоляции обусловлено протеканием токов вдоль поверхности изоляции (удельное поверхностное сопротивление rs ), которые замыкаются затем на стержень обмотки через распределенные емкости изоляции.
При указанных упрощениях расчет электрического поля в месте выхода обмотки из паза сводится формально к определению распределения напряжения в емкостно-омической цепочечной схеме с распределенными параметрами (см. схемы замещения на рис. 5).
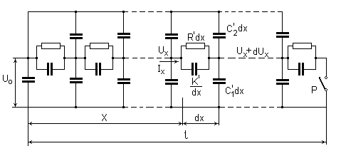
Распределение напряжения в цепочечной схеме
Для решения рассмотренных выше задач необходимо провести анализ цепочечной схемы с равномерно распределенными параметрами (рис. 7). Схема замещения для гирлянды изоляторов состоит из конечного числа сосредоточенных емкостей и сопротивлений. Однако удобнее заменить сосредоточенные параметры равномерно распределенными и считать их постоянными по длине гирлянды, хотя на самом деле емкости С1 и С2 (см. 2) зависят от положения изолятора. Такое допущение упрощает решение и позволяет получить результаты, достаточно близкие к опытным.

Рис. 7. Емкостно-омическая схема с распределенными параметрами.
В схеме на рис. 7 емкости и сопротивление на единицу длины обозначены
. На этой схеме случай замкнутого рубильника Р соответствует схеме замещения гирлянды или трансформатора (начальное распределение) с глухозаземленной нейтралью; разомкнутого рубильника Р - схеме замещения трансформатора с изолированной нейтралью Для участка схемы длиной dx уравнения для
и
имеют вид:
(1)
.
На основании (1) дифференциальное уравнение, описывающее распределение напряжения вдоль цепочечной схемы, будет:
(2)
Решение уравнения (2) имеет вид:
(3)
где
- частное решение неоднородного уравнения.
Коэффициенты А1 и А2 определяются из граничных условий:
рубильник Р - замкнут: при х = 0 Ux = U0
при х = l Uх = 0
рубильник Р - разомкнут: при х = 0 Ux = U0
при х = l
, так как Ix = 0.
Тогда общее решение при замкнутом рубильнике:
(4)
Цепочечная схема с замкнутым рубильником является схемой замещения для гирлянды и обмоток трансформатора с заземленной нейтралью. Рассмотрим этот случай.
Распределение напряжения по изоляторам гирлянды
Для гирлянды изоляторов с чистой сухой поверхностью
уравнение (4) имеет вид:


Здесь : i - номер изолятора, считая от провода; n - число изоляторов в гирлянде.
Это уравнение получено с учетом того, что для гирлянды изоляторов емкости
на единицу длины определяются через реальные емкости изоляторов К, С1 и С2 (см. рис.2):
; где h - строительная длина одного изолятора.
Кроме того учтено, что текущая координата х может принимать лишь дискретные значения x = ih, где i - порядковый номер изолятора, считая от провода. Наибольшее значение i = n, где n - число изоляторов в гирлянде; hn = l - длина гирлянды.
Напряжение DUi, приходящееся на i - й изолятор гирлянды равно:
На изоляторе, ближайшем к проводу (i = 1), который работает в наиболее трудных условиях, напряжение DU1 будет:
(5)
При неограниченном увеличении числа изоляторов, т. е. при n ®¥:
; 
Следовательно, на основании (4) при n®¥:
(6)
Из (5) и (6) следует, что с ростом числа изоляторов n в гирлянде напряжение на ближайшем к проводу изоляторе уменьшается не обратно пропорционально n, как было бы при равномерном распределении, а в меньшей степени, и стремится к некоторому пределу. При n > 10 - 15 увеличение числа изоляторов в гирлянде практически не изменяет долю напряжения на ближайшем к проводу изоляторе. Эчто затрудняет выполнение изоляции для линий высокого и сверхвысокого напряжения (свыше 220 кВ), так как без специальных мер напряжение DU1 независимо от числа изоляторов в гирлянде растет почти пропорционально рабочему напряжению линии U0 .
Для создания более равномерного распределения напряжения вдоль гирлянды и снижения величины DU1 / U0 используют специальную арматуру в месте подвески провода. С помощью этой арматуры увеличивают емкость С2 изоляторов, ближайших к проводу, что приводит к снижению напряжения DU1. В случае расщепления проводов емкость С2 значительно увеличивается. Поэтому применение расщепленных проводов, а также сдвоенных гирлянд, у которых К увеличивается в большей степени, чем С1 , способствует выравниванию распределения напряжения вдоль гирлянды изоляторов.
В случае, если R’ ¹ ¥ (увлажненная или сильно загрязненная поверхность изоляторов), наличие продольного сопротивления выравнивает напряжение по изоляторам гирлянды, но при этом возрастают токи утечки и имеют место потери энергии.
Начальное распределение напряжения вдоль обмотки трансформатора при воздействии прямоугольного импульса
На рис. 8 приведено размещение высоковольтной секционированной на катушки обмотки трансформатора.
Для трансформаторной обмотки с изоляцией без утечек (
) и без специальных выравнивающих экранов емкость
, как правило, пренебрежимо мала, поэтому примем
= 0. Тогда после преобразований уравнение (4) примет вид:
(7)
Формула (7) относится к обмотке трансформатора без внутренней защиты.
Рис. 8. Высоковольтные обмотки трансформатора
Емкости на единицу длины
определяются из формул:
и
где l - длина обмотки, Ктр - так называемая “продольная” емкость всей обмотки; С1тр - полная емкость всей обмотки на землю (бак трансформатора). Тогда:
, или 
(8)
Для трансформаторов a·l = 10 - 20. С учетом этого можно упростить формулы для Ux приняв в них (в гиперболических синусах)
. Тогда независимо от режима нейтрали распределение напряжения Ux вдоль обмотки определяется приближенным выражением
(9)
Из (9) следует, что наибольшие напряженности в продольной изоляции обмотки (между витками) будут иметь место в начале обмотки (х = 0) :
(10)
При равномерном распределении

На самом деле импульсные напряженности между первыми витками будут в
раз, т. е. примерно в 10 -20 раз больше, чем при равномерном распределении.
Для выравнивания начального распределения используют емкостные экраны. Для объяснения их действия рассмотрим схему замещения обмотки трансформатора с емкостным экраном для t = 0 (см. рис. 4, рубильник Р - замкнут). Будем считать, что на этой схеме К, С1 и С2 - соответствующие емкости катушек обмотки, т. е. схема содержит конечное число сосредоточенных емкостей, причем все емкости С1 катушек на землю одинаковы, а емкости С2 можно выполнить разными.
"Тема 5. Интерпол и Европол в МС" - тут тоже много полезного для Вас.
Если емкостной экран распространяется на всю длину обмотки, то при определенном подборе величин емкостей С2 начальное распределение напряжения будет строго равномерным. Для этого необходимо, чтобы заряд на i-й емкости С2 был равен заряду на емкости С1 этой же катушки, т. е.

где
- при равномерном начальном распределении напряжения по катушкам; i - номер катушки, считая от начала обмотки (от высоковольтного ввода); m - число катушек в обмотке.
Отсюда следует, что емкости С2i относительно экрана должны изменяться вдоль обмотки следующим образом:
. (11)
Теоретически может быть достигнуто идеально равномерное распределение напряжения по катушкам обмотки трансформатора. Практически выполнять условие (11), т. е. изготовлять емкостный экран на всю длину обмотки и с требуемым изменением емкости С2 нецелесообразно. Обычно с помощью емкостного экрана защищают лишь первые катушки обмотки, продольная изоляция которых при отсутствии экрана подвергается воздействию особенно высоких импульсных перенапряжений.























