Радиоприемные устройства аналоговых ррл
6 Радиоприемные устройства аналоговых ррл
6.1 Структурная схема. Основные технические параметры
На РРЛ, ТРЛ и в ССС применяют супергетеродинные радиоприемники с аналогичными структурными схемами, блоки которых выполняют по аналогичным принципиальным схемам. В этой главе схемы блоков рассмотрены, в основном, на примере радиоприемников РРЛ.
В супергетеродинном приемнике (рисунок6.1) частоту принятого сигнала преобразуют в смесителе СМ в промежуточную. Основное усиление сигнала происходит в УПЧ-1 и УПЧ-2. Усиления по радиочастоте (до смесителя) на РРЛ, как правило, нет.
Так как сигнал на входе приемника достаточно слабый, то необходимо, чтобы были малы собственные шумы не только смесителя, но и первых каскадов УПЧ. Поэтому схема содержит предварительный малошумящий УПЧ2 и основной УПЧ3, охваченный АРУ. К выходу приемника по ПЧ подключен частотный демодулятор, состоящий из амплитудного ограничителя АО, частотного детектора ЧД и выходного усилителя ВУ. На выходе радиоприемника ТФ ствола получают МТС. В приемниках ТРЛ и спутниковых систем связи, где уровень входного сигнала много меньше, чем в приемниках РРЛ, перед смесителем устанавливают МШУ. Входная цепь радиоприемника ПФ предназначена для передачи полезного СВЧ сигнала от АФТ к МШУ или смесителю и подавления мешающих сигналов. Гетеродинный тракт приемника называют также гетеродином ГЕТ. Устройства, включенные между выходом АФТ и входом демодулятора, образуют линейную часть радиоприемника.

Рассмотрим основные технические параметры радиоприемника.
Коэффициент шума радиоприемника представляет собой отношение мощности шума, измеренной на выходе линейной части радиоприемника при температуре 293К, к мощности шума, которая была бы на этом выходе, если бы источник сигнала был единственным источником шума. Источником сигнала является приемная антенна. Вместе с сигналом во входную цепь приемника поступают собственные тепловые шумы антенны.
Упрощенно эквивалентную схему антенны можно представить в виде последовательного соединения сопротивления, излучения антенны RA , ЭДС сигнала
и ЭДС шума
(рисунок 6.2). Формула Найквиста определяет средний квадрат ЭДС шума
Рекомендуемые материалы
,
где k=1,37·10-23
ВТ/Гц·град – постоянная Больцмана; Т- абсолютная температура цепи; П- эффективная полоса частот, в пределах которой измеряют ЭДС шумов. Ее называют также шумовой полосой приемника.
При определении коэффициента шума принимают Т=То=293 К, где То – шумовая температура Земли. Эффективная полоса в приемниках РРЛ практически совпадает с полосой частот, на границах которой коэффициент усиления мощности линейной части приемника уменьшается в 2 раза. Мощность теплового шума, поступающего о т антенны на вход приемника,
,
где Rвх – сопротивление входной цепи приемника. Эта мощность максимальна при Rвх =RА
;
(6.1)
В приемнике возникают собственные тепловые шумы во всех его электрических цепях и электронных приборах. В электрических цепях эти шумы создает, главным образом, тепловое движение электронов. Шумы транзисторов подразделяют на тепловые, дробовые и шумы токораспределения. Тепловые шумы возникают из-за тепловых флуктуаций зарядов в области базы, коллектора и эмиттера транзистора. Дробовые шумы вызваны дробовым эффектом, т.е. колебаниями числа носителей заряда в потоке. Шумы токораспределения вызваны случайным характером процесса рекомбинации носителей в области базы. Мощность теплового шума, измеренная на выходе линейной части реального приемника, может быть записана в виде:

где kp – коэффициент усиления мощности приемника; Р*ш.пр – мощность тепловых шумов, вносимых самим приемником на выходе линейной части.
В соответствии с определением коэффициента шума представим его в виде

откуда получаем мощность собственных шумов приемника на его выходе:
(6.2)
На практике принято пересчитывать собственные шумы приемника на его вход. При таком пересчете условно полагают, что отдельные каскады приемника сами не шумят, а только усиливают в kр раз мощность тепловых шумов, которую он развивает на своем входе. В результате мощность собственных тепловых шумов на входе приемника
;
(6.3)
Мощность шумов на входе приемника с учетом шумов, поступающих от антенны,
.
Подставив выражения для слагаемых из (6.3) и (6.1), запишем:
(6.4)
Коэффициент шума радиоприемника, выраженный в децибеллах,
. Его определяют шумы входных каскадов. Так, например, шумы, вносимые входной цепью, усиливают все усилители приемника. Влияние каждого из последующих каскадов тем меньше, чем больше усиление предшествующих каскадов. Входная цепь приемника имеет коэффициент передачи меньше 1. Следовательно, МШУ должен не только иметь малый коэффициент шума, но и большой коэффициент усиления мощности.
Допустимое наибольшее значение коэффициента шума определяют, исходя из ожидаемого уровня сигнала на приеме. На входе приемника нужно обеспечить такое отношение сигнал-шум, чтобы искажения сигнала на выходе демодулятора не превышали допустимых значений. На РРЛ средняя мощность принимаемого сигнала на входе приемника около 10-6 Вт. Это достаточно большое значение, поэтому в приемниках РРЛ не ставят МШУ. В них собственные шумы смесителя и предварительных малошумящих УПЧ определяют коэффициент шума
.
В приемниках ТРЛ и ССС с МШУ можно получить коэффициент шума, близкий к единице. Для оценки шумовых свойств таких приемников удобнее пользоваться понятием эффективность шумовой температуры. Ее определяют как температуру Тэ, до которой нужно нагреть сопротивление согласованного источника шума RA , чтобы мощность шумов от этого источника на выходе приемника стала равна мощности собственных шумов приемника, определенных при Т=ТО=293 К. Запишем для этого случая мощность собственных шумов приемника в соответствии с (6.1) и (6.2)
. Мощность шумов, поступающих на выход приемника от антенны в случае, когда сопротивление RA нагрето до Тэ составит согласно (6.1)
.
Приравняв Р*шА и Рш.пр , находим Тэ=(nш-1)Т0 . Современные приемные устройства отечественных спутниковых систем связи имеют Тэ=80…90 К, соответственно nш≈1,3. Для них вместо (6.4) удобно применять следующую формулу для расчета мощности ТШ
, (6.5)
где ТΣ – суммарная эффективная шумовая температура приемной установки (вместе с антенной и АФТ).
Чувствительность радиоприемника характеризует его способность принимать слабые сигналы. Чувствительность профессиональных радиоприемников, как правило, ограничена их собственными шумами. Она численно равна минимальному уровню радиосигнала на входе приемника, при котором на его выходе будут обеспечены заданное отношение сигнал-шум и номинальная выходная мощность полезного сигнала. Чем ниже значение этого уровня, тем более высокой считают чувствительность приемника. Для приемников часто указывают пороговую (абсолютную) чувствительность, которая численно равна такому уровню сигнала на входе приемника, при котором на выходе приемника мощности сигнала и теплового шума равны. На выходе приемников РРЛ требуется высокое отношение сигнал-шум. Ясно, что при этом уровень сигнала на входе приемника должен быть значительно больше, чем пороговая чувствительность.
Кроме того, следует помнить, что при приеме ЧМ сигналов возникают пороговые явления . Поэтому чувствительность ЧМ приемника не может быть выше уровня пороговой мощности. Пороговая мощность
(6.6)
Избирательность радиоприемника характеризует его способность выделять полезный сигнал и ослаблять мешающие сигналы, частоты которых отличны от частоты настройки приемника f1. Обычно указывают избирательность приемника на определенных частотах или, как говорят, по определенным каналам приема: соседнему и зеркальному.
Соседним называют канал, ближайший по частоте к полезному сигналу. Избирательность по соседнему каналу:
(6.7)
где А (f) – АЧХ линейной части приемника; А (f1) – максимальное значение А (f) при f=f1.
Для радиовещательных приемников частота соседнего канала f=f1±10 кГц. Для приемников РРЛ такими каналами могут быть, например, соседние по плану частот стволы, т.е. f=f1±28 МГц, или соседние стволы, работающие на общую антенну, в этом случае f=f1±56 МГц. В приемниках РРЛ избирательность по соседнему стволу обеспечивают разделительные и полосовые фильтры, установленные на входе приемника, и фильтр ПЧ, входящий в состав УПЧ.
Зеркальный канал приема существует только в супергетеродинном приемнике. Частота его fм отличается от частоты настройки приемника на 2fпр, а от частоты гетеродина на fпр. Если на входе приемника появится мешающий сигнал на частоте fм , то в смесителе будут взаимодействовать три колебания с частотами f1, fr и fм. В результате на УПЧ придут два сигнала ПЧ: полезный с частотой fпр=fr-f1 и мешающий с такой же частотой fпр=fм-fr . Оба этих сигнала будут одинаково усилены в УПЧ. Поэтому подавить помеху по зеркальному каналу нужно в избирательных цепях приемника, стоящих до смесителя, т.е. в РФ и ПФ приемников РРЛ. Избирательность по зеркальному каналу также можно определить из (6.7), если положить, что А(f) – АЧХ входной цепи приемника, а f=f1+2fпр.
Параметры, характеризующие нелинейные искажения принимаемых сигналов, указывают отдельно для линейной части приемника и для демодулятора. Линейная часть относится к высокочастотному тракту РРЛ. Ее блоки вызывают переходные шумы в каналах вследствие нелинейности ФЧХ и неравномерности АЧХ. Поэтому для линейной части приемника указывают неравномерность АЧХ и характеристику ГВЗ. Демодулятор относится к групповому тракту РРЛ. Он вносит переходные шумы в каналы из-за нелинейности передаточной характеристики. Для него указывают значения КНИ или затухания нелинейности.
Кроме рассмотренных выше параметров для радиоприемников указывают также диапазон рабочих частот, динамический диапазон, выходную мощность в оконечной нагрузке, паразитную мощность излучений гетеродина, стабильность, устойчивость работы и др.
6.2 Малошумящие усилители
Основные требования. От МШУ стремятся получить большое усиление сигнала и малые собственные шумы. Коэффициент усиления мощности МШУ k2 должен быть большим, чтобы шумы последующих каскадов приемника практически не влияли на его коэффициент шума. Эффективная шумовая температура МШУ лежит в пределах 80…2000 К, в зависимости от назначения приемника. Полоса пропускания должна составлять сотни мегагерц для МШУ, предназначенных для одновременного усиления сигналов нескольких стволов, и десятки мегагерц для МШУ, работающего на один ствол. Обычно полосу пропускания указывают в процентах от центральной частоты f1. Как любое устройство высокочастотного тракта, МШУ должен иметь равномерные АЧХ и характеристику ГВЗ. Определенные требования предъявляют к конструкции МШУ. В приемниках земных станций предпочтительна конструкция, позволяющая разместить МШУ в непосредственной близости от антенны: в подзеркальной кабине либо в фокусе антенны. Она позволяет исключить АФТ, следовательно, снизить потери сигнала и увеличить отношение сигнал-шум на входе МШУ. Для приемников КС ССС важны малые потребление, габариты, масса.
Основные типы МШУ. К ним относят усилители на ЛБВ, усилители на туннельных диодах (УТД), параметрические и транзисторные. Малошумящие усилители на ЛБВ и УТД имели одинаковую область применения – приемники КС ССС. В связи с тенденцией перехода на аппаратуру на твердотельных приборах от МШУ на ЛБВ сейчас отказались.
Усилители на туннельных диодах обычно обеспечивают коэффициент усиления 15…20 дБ и коэффициент шума 5…8 дБ, а полоса пропускания может достигать 0,5f1 . Они являются регенеративными усилителями. Для УТД характерны такие недостатки, как малый динамический диапазон, нестабильность параметров, неустойчивость работы. В связи с достижениями в области разработки малошумящих СВЧ транзисторов появилась тенденция замены УТД транзисторными МШУ.
Параметрические усилители (ПУ) широко применяют в приемниках ТРЛ и земных станций ССС, а транзисторные МШУ – в приемниках ЗС и КС ССС. Иногда их объединяют в комбинированные МШУ, в которых первые каскады – параметрические, а последующие – транзисторные.
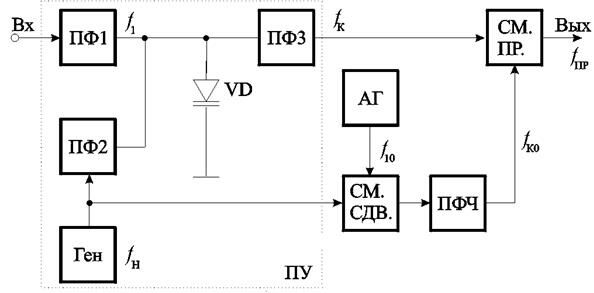
В параметрических усилителях (рисунок 6.3) на параметрический диод VD подают входной сигнал через ФЦ и фильтр сигнала ПФI и колебания генератора накачки ГЕН через фильтр накачки ПФ2. К диоду присоединен также фильтр ПФ3, называемый холостым контуром. Фильтры реализуют в виде объемных резонаторов. Балластная нагрузка R поглощает отраженную часть энергии от входа и выхода усилителя. Отраженная волна возникает при неполном согласовании. Параметрический диод – варактор, работающий в режиме нелинейной емкости. Амплитуда сигнала на входе параметрического усилителя настолько мала, что изменение емкости варактора под воздействием сигнала носит линейный характер. Гармоники с частотой сигнала в схеме не возникают. Под воздействием колебаний накачки большой амплитуды на нелинейной емкости появляются комбинационные колебания с частотами fΣ=±f1±kfH , где f1 и fH – частоты входного сигнала и колебаний генератора накачки: k=1,2,3,…
Параметрический усилитель, выполненный по схеме рисунка 6.3, называют двухконтурным регенеративным отражательного типа. В нем для развязки входного и выходного сигналов служит ФЦ. Если выбрать fH≈2f1, то fK≈f1, и один и тот же контур может служить как для выделения частоты сигнала, так и для выделения близкой к ней разностной частоты fк . Такой ПУ называют одноконтурным.
Если в двухконтурной схеме снимать сигнал не с фильтра сигнала, а с холостого контура, то получим регенеративный преобразователь (рисунок 6.3). В приемнике с регенеративным преобразователем гетеродинный тракт содержит смеситель сдвига СМ.СДВ. На этот смеситель поступают колебания опорного АГ частотой f10 и колебания генератора накачки. Полосовой фильтр ПФ4 на выходе смесителя сдвига выделяет колебания частоты fко=fH - f10. Промежуточная частота на выходе смесителя приемника СМ.ПР.
.
При таком построении гетеродинного тракта стабильность ПЧ не зависит от стабильности генератора накачки.
Мощность тепловых шумов на выходе параметрического усилителя складывается из мощности шумов, поступающих из антенны, мощности шумов, вносимых элементами схемы – параметрическим диодом и фильтрами, и мощности шумов нагрузки. Последняя составляющая учитывает собственные шумы устройства, подключенного к выходу усилителя. В схеме рис. 6.5 нагрузкой является входное сопротивление смесителя. Шумы этого сопротивления попадают вместе с колебаниями частоты fк на VD и там усиливаются так же, как и сигнал. Иными словами, вследствие того, что входная и выходная цепи не развязаны, регенеративный усилитель усиливает шумы нагрузки так же, как и шумы антенны. Мощность шумов нагрузки на выходе схемы пропорциональна k2 . В схеме рис.6.4 шумы нагрузки не попадают во входную цепь. На выходе такого усилителя мощность шумов нагрузки тем меньше, чем больше k2 . Благодаря развязке входной и выходной цепей, усилитель отражательного типа обладает меньшими собственными шумами. Он имеет и другие преимущества: более устойчив в работе, поскольку сопротивление нагрузки практически не влияет на согласование входной цепи; потребляет меньшую мощность от генератора накачки, в связи с чем современные параметрические усилители – преимущественно отражательного типа.

Рисунок 6.3 – Структурная схема параметрического усилителя-преобразователя

Рисунок 6.4 – Спектр частот в приемном усилителе
Варактор работает при отрицательных напряжениях смещения. Постоянного тока в цепи варактора практически нет, поэтому в ней отсутствует дробовый эффект. Следовательно, варактор практически не вносит тепловых шумов. Из-за этого параметрические усилители имеют низкие собственные шумы. Кроме того, уменьшить собственные шумы можно, снизив Т, т.е. охлаждая усилитель. Обычно применяют криогенное охлаждение первых каскадов. Их погружают в криостат с жидким азотом, температура которого 77К. Более глубокое охлаждение можно получить, применив жидкий гелий, температура которого 20К.
Генераторы накачки работают на частотах в 10…15 раз более высоких, чем частота сигнала, при выходной мощности 10…100МВт. Такие генераторы выполняют на клистронах, диодах Ганна, ЛПД, а также по схеме АГК с последующим умножением частоты. Применяют специальные меры, чтобы поддерживать стабильными выходную мощность и частоту генератора накачки, так как они влияют на стабильность работы усилителя. В современных параметрических усилителях предпочтение отдают генераторам накачки на твердотельных приборах.
6.3 Преобразователи частоты радиоприемников
Особенности работы. Основные параметры. Преобразователь частоты приемника предназначен для преобразования принимаемого СВЧ сигнала в сигнал ПЧ. В отличие от передающего преобразователя, в приемном на вход подают СВЧ сигнал, а с выхода снимают сигнал ПЧ. Поэтому в нем вместо ФБП включают ФНЧ. Основная фильтрация сигнала происходит в УПЧ. Сигнал на входе приемного смесителя так мал, что по отношению к нему смеситель работает в линейном режиме преобразования. В таком случае частоты колебаний на выходе смесителя.

где n – целое число; f01 и f1 – частоты гетеродина приемника и входного сигнала; знаки «±» зависят от типа станции и расстановки частот.
С выхода смесителя будет снят сигнал частотой
. Уровень этого сигнала изменяется пропорционально входному уровню приемника вследствие линейного режима преобразования. На рис.6.6 по-казаны спектры входных и выходных колебаний смесителя, последние заштрихованы. Огибающая спектра входного сигнала условно выбрана наклонной. В спектре выходного сигнала есть полезная составляющая со средней частотой fпр , а также побочные составляющие: зеркальная на частоте
и суммарная на частоте
. Полезный сигнал поступает в УПЧ, зеркальный обычно подавляют, суммарный часто используют для повторного преобразования, что позволяет улучшить параметры смесителя.
Рассмотрим влияние зеркальной составляющей. Поскольку в диодном преобразователе частоты входная и выходная цепи не развязаны, то колебания зеркальной составляющей, попав во входную цепь смесителя, распространяются по волноводу в направлении входной цепи приемника. Входной ПФ настроен на частоту сигнала, следовательно, он отражает колебания на частоте f3 в сторону смесительного диода, где происходит их повторное преобразование. В результате взаимодействия зеркальной составляющей с первого гармоникой гетеродина возникают колебания с частотой
. Фаза этих колебаний зависит от набега фазы зеркальной составляющей в волноводе и от фазы отражения. Меняя расстояние между ПФ и диодом, можно подобрать нужную фазу колебаний с частотой fΣ . Однако при замене диода фазовые соотношения будут нарушены.
Аналогично, при взаимодействии суммарной составляющей и второй гармоники гетеродина появляются колебания с частотой
.
Таким образом, на УПЧ приемника вместе с полезным сигналом поступают колебания ПЧ, образовавшиеся из побочных составляющих. Если фазы этих колебаний совпадут, то влияние побочных составляющих сводится к увеличению уровня выходного сигнала смесителя, следовательно, к уменьшению потерь преобразования. Это в свою очередь сопровождается уменьшением коэффициента шума приемника, поскольку снижается вклад шумов в УПЧ. Однако, если фазы колебаний ПЧ, появившихся в результате повторного преобразования, противоположны фазе полезной составляющей, то потери преобразования и коэффициент шума возрастут. В реальных схемах трудно обеспечить постоянные фазовые соотношения между всеми колебаниями ПЧ в пределах рабочей полосы частот. Из-за этого нарушается равномерность коэффициента преобразования АЧХ и равномерность характеристики ГВЗ смесителя. Чтобы предотвратить такие искажения, во входные цепи преобразователя частоты включают ФВ или ФЦ и ФГ, а на выходе устанавливают ФНЧ (дроссель СВЧ). Ферритовые вентили и циркуляторы поглощают энергию зеркальной составляющей. Фильтры гармоник не пропускают колебания суммарной составляющей и более высоких гармоник в тракт СВЧ. Эти фильтры имеют частоту среза fср=1,25…1,5f1. Фильтры гармоник поглощающего типа поглощают энергию составляющих, частоты которых выше частоты fср. Отражающие ФГ отражают энергию этих составляющих к смесительному диоду, где происходит повторное преобразование. Отражающие ФГ размещают рядом со смесительным диодом. Выходной ФНЧ создает короткое замыкание для токов СВЧ, препятствуя их прохождению в направлении такта ПЧ.
Для сложения сигналов СВЧ (входного и гетеродина), подводимых к нелинейному элементу, используют такие же устройства, что и в преобразователях частоты передатчиков. В качестве нелинейных элементов служат, главным образом, малошумящие смесительные диоды: кремниевые с точечными контактами и арсенид-галлиевые с барьером Шотки. Предпочтение отдают последним, поскольку они имеют лучшие параметры и более стабильны в работе. Кроме них применяют туннельные диоды и транзисторы.
Преобразователь частоты приемника должен обладать малым коэффициентом шума и малыми потерями преобразования. Эти параметры определяют коэффициент шума приемника РРЛ, в котором нет МШУ. Кроме того, преобразователь частоты должен иметь равномерные АЧХ и характеристику ГВЗ, как и любое другое устройство ВЧ тракта. Малошумящие смесительные диоды имею потери преобразования 5…6 дБ. Для них принято также указывать коэффициент шума, измеренный в эталонном приемнике с УПЧ, имеющим nшо =1,5 дБ. Обычные его значения 8…14 дБ. Мощность колебаний гетеродина подбирают такой, чтобы получить минимальный коэффициент шума смесителя. Обычно это 1…3 МВт. В некоторых схемах на диод подают напряжение смещения, чтобы улучшить согласование смесительной головки по входу.
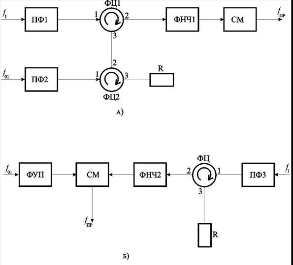
Однотактные преобразователи. В таких преобразователях (рисунок 6.5) смесительная головка СМ содержит смесительный диод и выходной ФНЧ. В схеме рис.6.7, а для сложения сигнала СВЧ с колебаниями гетеродина служат ферритовые циркуляторы ФЦ1 и ФЦ2. Сигнал СВЧ поступает к диоду смесительной головки через плечи 1 и 2 ФЦ1, а колебания гетеродина – через ФЦ1 и ФЦ2. Полосовой фильтр ПФ1 является входной цепью приемника. Он отражает колебания гетеродина, препятствуя их попаданию в антенну. Из-за неидеального согласования часть энергии сигнала будет отражена от смесительной головки, через ФЦ1 и ФЦ2 она поступит в поглощающую нагрузку R. Туда же попадают колебания зеркальной составляющей. Фильтр гармоник ПФ3 – отражающего типа, ПФ2 – ФУП ГТ приемника.

Рисунок 6.5 – Структурные схемы однотактных преобразователей с ферритовыми циркуляторами (а) и с волоноводами различных сечений (б)
В однотактном преобразователе сигнал и колебания гетеродина подведены к смесительной головке с помощью двух волноводов разного сечения. Колебания гетеродина поданы через ФУП . Сигнал поступает через входную цепь ПФ3. Циркулятор ФЦ работает в режиме вентиля. Его нагрузка R поглощает часть энергии сигнала, отраженную от смесительной головки из-за рассогласования, а также колебания зеркальной составляющей. Кроме того, ФЦ не пропускает колебания гетеродина в цепь сигнала. Фильтр гармоник ФНЧ отражающего типа.
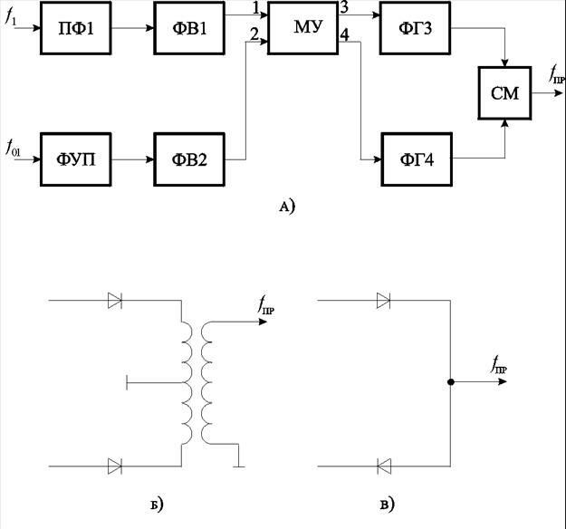
Двухтактный преобразователь. В такой схеме для объединения, СВЧ сигналов применяют мостовое устройство МУ. Сигнал СВЧ (рисунок 6.6 а) поступает через ПФ1 и ФВ1 , колебания гетеродина – через ФУП и ФВ2. Ферритовые вентили служат для поглощения части энергии волн, которая отражается от плеч 1 и 2 МУ при неидеальном согласовании. К плачам 3 и 4 МУ через ФГ3 и ФГ4 присоединена сдвоенная смесительная головка СМ. Ее диоды выделяют колебания биений сигнала и гетеродина, фаза которых φб=φr-φc, где φr и φc – фазы колебаний гетеродина и СВЧ сигнала в плече 3 (или 4) МУ. На выходе квадратурного мостового устройства в плече 3 φr=φ2 и φc=φ1, в плече 4 φr=φ1и φc=φ2. Следовательно, сигнал ПЧ, выделяемый с помощью диода, подключенного к плечу 3, имеет фазу φб1=φ2-φ1=п/2.

Рисунок 6.6 – Двухтактный преобразователь: структурная схема (а), схема синфазного включения диодов (б), схема противофазного включения диодлов (в)
Для диода, установленного в плече 4, фаза выделяемого сигнала ПЧ φб2=φ1-φ2= -п/2. Для того чтобы сложить эти противофазные сигналы, используют симметрирующий трансформатор (рис.6,8б) либо специальные парные диоды прямой и обратной полярности (рис.6,8в). Предпочтителен второй вариант, поскольку в схеме с трансформатором трудно получить широкую полосу пропускания и равномерную АЧХ. В мостовом устройстве развязка между цепями сигнала и гетеродина не хуже 20 дБ. Следовательно, на столько же снижен уровень колебаний гетеродина на входе приемника. В этом преимущество двухтактной балансной схемы по сравнению с однотактными. Известно, что в классических схемах балансных смесителей имеет место снижение мощности шумов, поступающих от гетеродина. Оно происходит за счет подачи на диоды колебаний гетеродина в противофазе. В диапазоне СВЧ это преимущество реализовать не удается, так как МУ изменяет фазу колебаний гетеродина в плечах 3 и 4 только на п/2.
6.4 Усилители промежуточной частоты
Структурная схема. Основные параметры. В УПЧ приемника происходит основное усиление сигнала. Вместе с МУПЧ передатчика он образует тракт ПЧ ПРС (рис.6.9). Тракт ПЧ выполнен на транзисторах. Как отмечалось выше, в приемнике различают предварительный малошумящий усилитель ПУПЧ и основной УПЧ. Основной УПЧ содержит фильтр промежуточной частоты ФПЧ, корректоры группового времени запаздывания КГВЗ, главный УПЧ (ГУПЧ) с АРУ и оконечный усилитель (ОУПЧ). В ОУПЧ предусмотрена возможность подачи на выход сигнала замещающего генератора вместо принятого сигнала. Такое подключение производит электронный коммутатор ЭК. Работой последнего управляет индикатор несущей ИН, он же включает генератор, замещающий ГЗ. Цепи управления показаны штриховой линией. Подключение ГЗ происходит, когда уровень несущей падает ниже определенного порога, т.е. при глубоких замираниях сигнала или аварии. Сигнал ГЗ называют сигналом обрыва ствола. Его используют в системе поучасткового резервирования. Выход 1 ОУПЧ является основным. К выходу 2 подключают демодулятор ТВ ствола или демодулятор сигналов СС. Номинальное напряжение ПЧ на основном выходе приемника составляет 500 мВ на нагрузке 75 Ом.

Рисунок 6.7 – Функциональная схема тракта ПЧ приемника

Рисунок 6.8 – К определению полосы пропускания УПЧ
Основные параметры УПЧ: номинальное значение ПЧ, коэффициент шума, коэффициент усиления, АЧХ и полоса пропускания, характеристика ГВЗ.
Номинальное значение ПЧ в соответствии с рекомендациями составляет 35 МГц при частоте сигнала ниже 1 ГГц, 70 МГц на более высоких частотах и 140 МГц в широкополосных системах с числом каналов примерно 2700. Для получения малого коэффициента шума приемника стремятся получить от УПЧ малый коэффициент шума (n3=1.5…1.7) и достаточно большое усиление (k3=30дБ). В приемниках РРЛ УПЧ должен полностью компенсировать то ослабление, которое претерпевает сигнал при распространении между антеннами передатчика и приемника, т.е. усилить сигнал на 100 …120 дБ. Основное усиление происходит в ГУПЧ, у него коэффициент усиления составляет 45 …65 дБ. Оконечный УПЧ предназначен для обеспечения номинального выходного напряжения приемника.
Полосу пропускания тракта ПЧ определяют, исходя из такого условия, чтобы мощность переходных шумов в ТФ канале, возникающих из-за ограничения спектра ЧМ сигнала, не превышала 1 пВт. Тогда для тракта с прямоугольной АЧХ на участке РРЛ полоса пропускания

где а определяют по кривой 1 на рисунке 6.8; Пчм из (6.8); Мэ=∆fэ/Fв. Кривая 1 на рисунке 6.8 соответствует мощности переходных шумов 1 пВт, кривая 2-10 пВт.
Участок РРЛ содержит несколько трактов ПЧ. Полосу пропускания каждого из них следует брать несколько больше, чем П, принимая во внимание влияние нестабильностей частот гетеродинных трактов. На практике рассчитывают полосу пропускания на границах которой неравномерность АЧХ не превышает 3 дБ. Форму АЧХ выбирают близкой к прямоугольной. Кроме того, выдерживают симметрию АЧХ относительно номинального значения ПЧ, чтобы обеспечить необходимую избирательность приемника при малых расстройках и по соседним стволам. При расстройке на ±28 МГц относительно ПЧ необходимо ослабление около 30 дБ. Для формирования необходимой АЧХ предназначен ФНЧ. При этом каскады УПЧ делают широкополосными, с полосой пропускания гораздо большей, чем у ФПЧ. На РРЛ принято измерять АЧХ пролета, т.е. между входом МУПЧ передатчика одной РРС и выходом1 ОУПЧ приемника последующей РРС. При этом проверяют не только ширину полосы П1 по уровню 3 дБ, но и неравномерность АЧХ при определенной расстройке относительно ПЧ внутри полосы П1.
Для расчета мощности переходных шумов ВЧТ по характеристике ГВЗ определяют асимметрию и среднее отклонение соответственно

где
и
- значения ГВЗ, соответствующие положительному и отрицательному значениям измерительной девиации.
При расчетах шумов обычно используют значения в точке с нулевым относительным уровнем асимметрии и среднего отклонения соответственно:

где Рк – измерительная мощность сигнала в милливаттах, обеспечивающая на выходе модулятора девиацию ∆f*.
6.5 Частотные демодуляторы
В лекции "10 Право на иск" также много полезной информации.
Структурная схема и основные параметры. Демодулятор является составной частью модема и служит для выделения модулирующего сигнала из ЧМ сигнала ПЧ с малыми вносимыми искажениями. Демодулятор (рисунок 6.9) содержит КГВЗ, УПЧ, амплитудный ограничитель АО , ФНЧ, ЧД и выходной усилитель ВУ. Непосредственно демодуляция происходит в ЧД. Частотные детекторы, применяемые в РРЛ , выполняют демодуляцию в два этапа. Сначала с помощью ЧМ-АМ преобразователя превращают входной ЧМ сигнал в АМ сигнал ПЧ, огибающая которого повторяет закон изменения частоты входного сигнала. Затем выделяют эту огибающую с помощью АД. Таким образом, изменение напряжения т.е. напряжения модулирующего сигнала. Сигнал на входе ЧД должен иметь постоянную амплитуду, так как любые ее изменения выделяет АД. Если амплитуда входного сигнала ПЧ меняется, то на принятый сигнал будет наложена помеха, порождаемая паразитной АМ входного сигнала. Амплитудные ограничители подавляют паразитную АМ сигнала на входе ЧД и уменьшают влияние этой помехи. Процесс ограничения нелинеен. Поэтому на выходе АО вместе с ПЧ сигналом появляются его гармоники. Для их подавления установлен ФНЧ. Усилители ПЧ служат для развязки каскадов схемы и обеспечения необходимых уровней сигнала. Для выравнивания группового времени запаздывания демодулятора в его состав включен корректор ГВЗ. Необходимый выходной уровень принятого сигнала, например МТС, обеспечивает выходной усилитель.

Рисунок 6.9 – Структурная схема частотного детектора (а) и блока ЧД (б)
Требования к основным элементам демодулятора: АО, ЧД и ВУ. Идеальный АО должен обеспечивать постоянную амплитуду выходного сигнала Uвых, независимо от амплитуды входного сигнала Uвх. Реальный АО имеет АХ близкую к идеальной при входных амплитудах, превышающих некоторое пороговое значение Un. При Uвх<Uп реальный АО работает как усилитель. Реальные схемы содержат двухсторонние ограничители, идентичные для положительных и отрицательных полуволн. Качество ограничения оценивают с помощью коэффициента подавления АМ Го В АРРС переходные шумы, возникающие из-за паразитной АМ должны быть пренебрежимо малы. Чтобы обеспечить такую низкую мощность шума, устанавливают АО с Го >30 дБ. В реальных схемах АО, как правило, возникает амплитудно-фазовая конверсия. Допустимо значение коэффициента АФК 1 …2 град/дБ. При превышении его появляется значительная мощность переходных шумов из-за АФК.
Частотный детектор и ВУ должны иметь соответственно линейные ПХ и АХ, иначе они будут вносить большие переходные шумы группового тракта в ТФ каналы. Границы линейного участка передаточной (демодуляционной) характеристики ЧД задает размах частоты на его входе. Он совпадает с размахом частоты на выходе ЧМД. Степень линейности принято оценивать по КНИ, либо по значениям затуханий нелинейности. Эти величины принято измерять для всего группового тракта участка РРЛ. Для получения большого выходного сигнала ЧД предпочтительна демодуляционная характеристика с большой крутизной. Однако на практике высокая линейность этой характеристики достигается за счет снижения ее крутизны. Поэтому крутизна ПХ реальных ЧД обычно невелика. Ее значение подбирают таким образом, чтобы обеспечить достаточно высокое соотношение сигнал-шум на выходе ВУ (75…80 дБ), при котором доля ТШ демодулятора в ТФ канале незначительна.





















