Арифметико-логические устройства (АЛУ)
8. Арифметико-логические устройства (АЛУ).
8.1 Назначение и классификация АЛУ.
Арифметико-логическим устройством называется функционально законченный узел, предназначенный для реализации логических и арифметических операций по обработке информации.
Для выполнения арифметических и логических операций над входными переменными они должны быть введены в АЛУ, поэтому его дополняют вспомогательными устройствами, предназначенными для промежуточного хранения как исходных данных, так и результатов выполнения той или иной операции. Функции этих устройств возлагают на дополнительные регистры.
Основным элементом АЛУ являются сумматоры
По числу выводов различают: полусумматоры, одноразрядные сумматоры, многоразрядные сумматоры.
Полусумматором называется устройство , предназначенное для сложения двух одноразрядных кодов имеющие два входа и два выхода и формирующие из сигналов входных слагаемых и сигналы суммы и переноса в старший разряд.
Одноразрядным сумматором называется устройство, предназначенное для сложения двух одноразрядных кодов, имеющее три входа и два выхода и формирующие из сигналов входных слагаемых и сигнала переноса из младших разрядов сигналы суммы и переноса в старший разряд.
Рекомендуемые материалы
Многоразрядным сумматором называется устройство, предназначенное для сложения двух многоразрядных кодов, формирующее на выходе код суммы и сигнал переноса в случае, если результат сложения не может быть представлен кодом, разрядность которого совпадает с разрядностью кодов слагаемых.
В свою очередь многоразрядные сумматоры подразделяются на последо-ватеные и параллельные. В последовательных сумматорах операция сложения выполняется последовательно разряд за разрядом, начиная с младшего. В параллельных все разряды входных кодов суммируются одновременно.
8.1 Полусумматоры.

Рис. 8.1
![]() |
Таблицы истинности.
| Входы | Выходы | ||
| В | А | S | С0 |
| 0 | 0 | 0 | 0 |
| 0 | 1 | 1 | 0 |
| 1 | 0 | 1 | 0 |
| 1 | 1 | 0 | 1 |
| Двоичные числа-слагаемые | Сумма | перенос |
![]() |
Рис.8.2


Рис 8.3 Полусумматор
8.3 Полные сумматоры.
![]() |
| входы | Выходы | |||
| Сm | B | A | S | Сo |
| 0 | 0 | 0 | 0 | 0 |
| 0 | 0 | 1 | 1 | 0 |
| 0 | 1 | 0 | 1 | 0 |
| 0 | 1 | 1 | 0 | 1 |
| 1 | 0 | 0 | 1 | 0 |
| 1 | 0 | 1 | 0 | 1 |
| 1 | 1 | 0 | 0 | 1 |
| 1 | 1 | 1 | 1 | 1 |
| Сумма | Перенос |
Рис. 8.4

Рис 8.5 Полный сумматор
8.4 3-разрядные параллельные сумматоры.
Числа-слагамые.


8.5 Двоичное вычитание, полувычитатель, полный вычитатель, 4-разрядный параллельный вычитатель.

Рис 8.7. Полувычитатель.
| Входы | Выходы | ||
| А | В | Di | B0 |
| 0 | 0 | 0 | 0 |
| 0 | 1 | 1 | 1 |
| 1 | 0 | 1 | 0 |
| 1 | 1 | 0 | 0 |
| Разность | Заем |



Рис. 8.8

Рис 8.9 . 4-разрядный параллельный вычитатель.
8.6 Двоичное умножение.
Операция умножение базируется на суммировании частотных произведений разрядов сомножителей.
a1 a0
´
b1 b0
![]() |
a1*b1 a0*b0
+
a1*b1 a0*b1
![]() |
M3 M2 M1 M0
Рис.8.10
7 1 1 1 – множимое
´ ´


5 1 0 1 - множитель
35 1 1 1 - первое частное произведение
+
0 0 0 - второе частное произведение
+
1 1 1 - третье частное произведение
1 0 0 0 1 1 – полное произведение
7+7+7+7+7=35

Рис 8.11 Структурная схема умножителя с использованием многократного сложения.
| Загрузка двоичного числа | После 1-го счета | После 2-го счета | После 3-го счета | После 4-го счета | После 5-го счета | |
| Регистр множимого | 111 | 111 | 111 | 111 | 111 | 111 |
| Счетчик множителя | 101 | 100 | 011 | 010 | 001 | 000 |
| Регистр произведения | 00000 | 00111 | 01110 | 10101 | 11100 | 100011 |
8.7 АЛУ на базе интегральной микросхемы К555ИП3.
Рассмотрим функциональные возможности интегральной микросхемы К555ИП3.





Рис 8.12 АЛУ на базе интегральной микросхемы К555ИП3.
| Управляющие сигналы S3S2S1S0 | Логические операции M=1 | Арифметические операции M=0 |
| 0000 0001 0010 0011 |
0 | А
-1 |
| 0100 0101 0110 0111 |
А+В
| А+ ( А-В-1
|
| 1000 1001 1010 1011 |
В | А+ А+В (
|
| 1100 1101 1110 1111 | 1
А | А+А ( ( А-1 |
8.8 Семинар №5 "Двоичная арифметика"
Задача №5.1
Перевести числа 1610, 2610, 11910, 25510, 102410 в двоичную систему счета.
Преобразование десятичных чисел в двоичные



| X10 | Y2 | Z8 | α16 | β4 |
| 0 | 0000 | 00 | 0 | 0 |
| 1 | 0001 | 01 | 1 | 1 |
| 2 | 0010 | 02 | 2 | 2 |
| 3 | 0011 | 03 | 3 | 3 |
| 4 | 0100 | 04 | 4 | 10 |
| 5 | 0101 | 05 | 5 | 11 |
| 6 | 0110 | 06 | 6 | 12 |
| 7 | 0111 | 07 | 7 | 13 |
| 8 | 1000 | 10 | 8 | 20 |
| 9 | 1001 | 11 | 9 | 21 |
| 10 | 1010 | 12 | A | 22 |
| 11 | 1011 | 13 | B | 23 |
| 12 | 1100 | 14 | C | 30 |
| 13 | 1101 | 15 | D | 31 |
| 14 | 1110 | 16 | E | 32 |
| 15 | 1111 | 17 | F | 33 |
| 16 | 10000 | 20 | 10 | 100 |
Задача №5.2
Записать значения чисел в десятичной и в двоичной системе счета
OFFF16 ABCD16 6416 1016 816

Задача №5.3
Выполнить суммирование чисел. Указать наличие переноса из старшего значащего разряда (С3Р) при выполнении суммирования в восьмиразрядной цифровой системе

Задача №5.4
Выполнить вычитание чисел A16-616, 616-A16 в четверичной цифровой системе, применяя обычное правило вычитания

Задача №5.5
Вычислить дополнительный код чисел -110, -510, -810 в четверичной системе счета для четырехразрядной цифровой системы. Примечания: дополнительный код (доп.к.) = обратный код (обр.к.) + 1 обр.к. + прямой код (пр.к.) = максимальное значение в данной системе пр.к. - это положительное значение числа.

Задача №5.6
Вычислить двоичные значения шестнадцатеричных кодов B16, FB16, EB16, 2016.(используем таблицу 1)

8.9 Лабораторная работа "Цифровые многоразрядные регистры и сумматоры." Авторы Буянкин В.М., Васюков С.А. ,Шамгулов Р.О.
ОПИСАНИЕ ЛАБОРАТОРНОЙ УСТАНОВКИ
Лабораторная установка состоит из стандартной кассеты со схемой исследуемого устройства и универсального стенда ЛОЭ-2 (рис.8.13). Кассета содержит сумматор SM, регистры RG1, RG2, кодопреобразователь на схемах "исключающее ИЛИ" и светодиоды на выходе сумматора.
Слагаемые А и В набирают поочередно ключами SA1 - SA4, разряды входного числа индицируются светодиодами HL1...HL4, а суммы и переноса - светодиодами HL5-HL9.
Для выполнения операций сложения чисел А и В необходимо:
1. Выставить галетные переключатели в исходное положение: ГП1 - в положение 9 и ГПЗ - в положение 16; установить на управляющем входе кодопреобразователя код операции сложения, для этого галетный переключатель ГП2 перевести в положение 12.
2. Набрать ключами SA1 -SA4 четырехразрядное число А. Положение ключа SA4 определяет знак числа: если число А отрицательное, то его набирают в дополнительном коде.
3. Записать число А в регистр RG1. Для этого на вход разрешения записи С регистра RG1 подается сигнал высокого логического уровня путем перевода галетного переключателя ГП2 из исходного положения 9 в положение 10. При этом число А сразу же из регистра RG1 попадает на входы А1 - А4 сумматора, а на его выходах формируется промежуточная сумма S = А.
4. Набрать ключами SA1 - SA4 четырехразрядное число В.
5. Записать число В в регистр RG2, переводя ГП1 из положения 10 в положение 11. При этом число В сразу же появляется на входах сумматора В1 - В4, а на входах S1 - S4 появляется сумма S = А + В и сигнал переноса Р4.
Для выполнения операций вычитания чисел А и В необходимо:
1. Выставить галетные переключатели в исходное положение: ГП1 - 9, ГП2 - 13, ГП3 - 16.
2. Набрать число А и переводом ГП1 в положение 10 записать его в RG1 и SM.
3. Набрать число В. Так как на управляющем входе колопреобразователя установлена единица, на его выходе формируется обратный код числа
.
4. Сформировать на входах сумматора дополнительный код
, переведя переключатель ГП1 в положение 11.
Проделав вышеперечисленные операции, в сумматоре SM мы сформировали сумму чисел А, обратного кода числа
логической единицы переноса РО : S = А +
+ РО, но
+ 1 =
, т.е. S = А +
= А - В.
Рис.8.13
ЗАДАНИЕ И ПОРЯДОК ВЫПОЛНЕНИЯ РАБОТЫ
Ознакомиться с лабораторной установкой. Выяснить назначение управляющих ключей игалетных переключателей.
Получить разрешение преподавателя на проведение работы.
А. Исследовать операцию суммирования цифровых сигналов.
Подготовить таблицу 1 для записи слагаемых и их суммы. Слагаемые представляйте в четырехразрядной сетке со знаком.
Таблица 1.
| № П/П | Слагаемое | Слагаемое | P0 | Сумма | P4 | Примечания | |||
| A10 | A2 | B10 | B2 | S10 | S2 | ||||
| 1 | A10 >0, B10 >0, S10 ≤710 | ||||||||
| 2 | A10 >0, B10 <0, |A10|>|B10|, |S10|<710 | ||||||||
| 3 | A10 <0, B10 >0, |A10|>|B10|, |S10|<710 | ||||||||
| 4 | A10 <0, B10 <0, |S10|≤710 | ||||||||
| 5 | 710 | 110 | A10 =710, B10 =110 |
- Предложите для суммирования два положительных числа: А10 и В10, такие, чтобы их сумма находилась в диапазоне представления чисел в четырехразрядной сетке со знаком. Так как под значащие разряды числа отведено всего три разряда, максимально возможная сумма равна 1112=710.
1. Выполните суммирование чисел А10 и В10 вручную и с помощью сумматора, сравните результаты; коды и суммы отобразите в табл.2
2. Выполните суммирование чисел А10 и В10, A10 >0, B10 <0, |A10|>|B10|, S10<710.
3. Выполните суммирование чисел А10 и В10, A10 <0, B10 >0, |A10|>|B10|, S10<710.
4. Выполните суммирование чисел А10 и В10, A10 <0, B10 <0, S10≤710.
5. Выполните суммирование положительного числа А10 - максимально возможного для указанного диапазона представления (в нашем случае А10 = 7) и числа 110.
При выполнении действий, описанных в п. п. 2 - 5, суммирование чисел сначала произведите вручную и затем сравните результаты с содержимым выходных разрядов сумматора; коды слагаемых и сумм отобразите в табл.2
Б. Исследование операции вычитания цифровых сигналов.
Подготовьте табл.2 для записи вычитаемого, уменьшаемого и разности чисел А и B.
Таблица 2
| № П/П | Слагаемое | Слагаемое | P0 | Сумма | P4 | Примечания | |||
| A10 | A2 | B10 | B2 | S10 | S2 | ||||
| 1 | A10 >0, B10 >0, S10 ≤710, A10 >B10 | ||||||||
| 2 | A10 >0, B10 >0, A10<B10, |S10|<710 | ||||||||
| 3 | A10 >0, B10 <0, S10≤710 | ||||||||
| 4 | A10 =B10 | ||||||||
| 5 | A10 <0, B10 >0, S10>710 |
Проделайте пять раз операцию вычитания чисел в соответствии с условиями, указанными в графе "Прмечания" табл.2
Сделайте выводы по результатам сложения и вычитания.
ОПИСАНИЕ ЛАБОРАТОРНОЙ УСТАНОВКИ 2
Лабораторная установка 2 представлена на рис. 8.14 и состоит из регистра К155ИР1
.Задание 1. Изучить таблицу состояний регистра К155ИР1. Определить возможные режимы работы и комбинации управляющих сигналов задающие их. На рис.7 представлен лабораторный стенд.
Рис.8.14. Лабораторный стенд.
Таблица 2. Таблица состояния регистра К155ИР1
| Вход | Выход | ||
| ___ __ __ PE C2 C1 | Посл. S1 | Параллельные D0 D1 D2 D3 | Q0 Q1 Q2 Q3 |
| B B × × × × × × Q0 Q1 Q2 Q3 B ↓ × × a b c d a b c d B ↓ × × Q1 Q2 Q3 d Q1 Q2 Q3 d H H B × × × × × Q0 Q1 Q2 Q3 H × ↓ B × × × × B Q0 Q1 Q2 H × ↓ H × × × × H B Q0 Q1 ↑ H H × × × × × Q0 Q1 Q2 Q3 ↓ H H × × × × × Q0 Q1 Q2 Q3 ↓ H B × × × × × Q0 Q1 Q2 Q3 ↑ B H × × × × × Q0 Q1 Q2 Q3 ↑ B B × × × × × Q0 Q1 Q2 Q3 | |||
Уровень логической «1» соответствует обозначению «В», уровень логического «0» соответствует обозначению «Н». Обозначения Q0-Q3 соответствуют состоянию выходов регистра до подачи тактовых импульсов. Обозначение: ↓ - срабатывание по срезу тактового импульса, ↑- срабатывание по фронту тактового импульса, a,b,c,d- обозначают вводимую информацию.
Задание 2. Исследовать работу регистра в режиме очистки.
2.1. Собрать схему, представленную на рис.1. Определить какому режиму работы она соответствует. Включить стенд и определить состояние регистра по индикаторам Н8-Н11. Подать на тактовый вход С1 четыре импульса с помощью кнопки S2 фиксируя состояние выходов регистра после каждого импульса. Результат наблюдений свести в таблицу 1.
2.2. Отключить стенд и переставить перемычку с входа С1 на вход С2, а перемычку соединяющую вход РЕ с общим проводом убрать. Включить стенд
и зафиксировать состояние выходных сигналов регистра. Подать тактовый импульс на вход С2. Определить состояние регистра. Результаты наблюдений свести в таблицу 3. (Стенд отключить, схему не разбирать.).
Таблица 3 Состояния входов и выходов регистра
| № Так. | PE | C2 | C1 | S1 | D0 | D1 | D2 | D3 | Q0 | Q1 | Q2 | Q3 |
|
| ||||||||||||
| ↓ |
| |||||||||||
| ↓ | ||||||||||||
| ↓ | ||||||||||||
| ↓ |

Рис.8.15. Схема регистра
Таблица 4.
| № Так. | РЕ | C2 | C1 | S1 | D0 | D1 | D2 | D3 | Q0 | Q1 | Q2 | Q3 | |
| . | |||||||||||||
| ↓ |
Задание 3. Исследовать работу регистра в режиме параллельной записи информации.
3.1. Установить на входах D0-D3 двоичный код, десятичного числа заданного преподавателем.
Уровень логической «1» на соответствующем входе задается отключением перемычки от общего провода. Включить стенд и зафиксировать состояние выходов регистра. Подать тактовый импульс на вход С2 и зафиксировать состояние выходов. Повторить опыт с другим двоичным числом на входах D. Результаты занести в таблицу 3.
Таблица 5.
| № Так. | PE | C2 | C1 | S1 | D0 | D1 | D2 | D3 | Q0 | Q1 | Q2 | Q3 | |
| . | |||||||||||||
| ↓ | |||||||||||||
| ↓ |
Задание 4. Исследовать работу регистра в режиме последовательной записи информации.
4.1.Очистить регистр (одним из выше исследованных способов) и установить режим последовательной записи информации, используя необходимые перемычки. Получить у преподавателя число, двоичный код которого требуется ввести. Для задания логических уровней на последовательном входе S1 используется переключатель S4.
Вводимое число ………............. Двоичный код ……………………
4.2. Введите заданное число в регистр, подав необходимое число тактовых импульсов (S2). Обратить внимание на то, в каком порядке вводятся разряды двоичного числа. Результаты записи занести в таблицу 4. Стенд не отключать.
Задание5. Исследовать работу регистра в режиме сдвига.
5.1. Установить на входе S1 уровень логического «0»(переключатель S4). Подайте четыре тактовых импульса.
5.2 .Установите на последовательном входе уровень логической «1». Подайте четыре тактовых импульса. Результаты занести в таблицу 4. Определите, направление сдвига информации по состоянию выходов регистра (таб.4) и по заполнению разрядов двоичного числа.
Таблица 6.
| № Так. | PE | C2 | C1 | S1 | D0 | D1 | D2 | D3 | Q0 | Q1 | Q2 | Q3 | Прим. | |
| Зад.4 | ||||||||||||||
| Зад.5 | ||||||||||||||
Задание 6. Изобразите схему устройства на регистре К155ИР1, позволяющего выполнять операцию сдвига вправо (в сторону младшего разряда).
Схема устройства. ( Подсказка: составляя схему, используйте третью строчку таблицы состояний регистра).
СОДЕРЖАНИЕ ОТЧЕТА
В отчете должны быть указаны фамилия и инициалы исполнителя, номер группы и дата выполнения. В соответствии с заданием должны быть приведены:
-схема исследуемого устройства;
-таблицы результатов сложения и вычитания;
-выводы;
Отчет необходимо выполнять аккуратно, схемы и таблицы - с использованием чертежных инструментов.
8.10 Семинар №6. Комбинационные устройства двоичной арифметики.
Задача №6.1
Составить логическую схему шифратора одноразрядных десятичных цифр. Составить таблицу истинности, уравнения выходных сигналов.
Рис 8.14
Таблица
истинности
| X1 | Х2 | Х3 | Х4 | Х5 | Х6 | Х7 | Х8 | Х9 | f1 | F2 | F4 | F8 | F10 |
| *1 | 0 | 0 | 0 | 0 | 0 | 0 | 0 | 0 | 1 | 0 | 0 | 0 | 1 |
| 0 | *1 | 0 | 0 | 0 | 0 | 0 | 0 | 0 | 0 | 1 | 0 | 0 | 2 |
| 0 | 0 | 0 | 1 | 0 | 0 | 0 | 0 | 0 | 0 | 0 | 1 | 0 | 4 |
| 0 | 0 | *1 | 0 | 0 | 0 | 0 | 0 | 0 | 1 | 1 | 0 | 0 | 3 |
| 0 | 0 | 0 | 0 | 1 | 0 | 0 | 0 | 0 | 1 | 0 | 1 | 0 | 5 |
| 0 | 0 | 0 | 0 | 0 | 1 | 0 | 0 | 0 | 0 | 1 | 1 | 0 | 6 |
| 0 | 0 | 0 | 0 | 0 | 0 | 0 | 1 | 0 | 0 | 0 | 0 | 1 | 8 |
| 0 | 0 | 0 | 0 | 0 | 0 | 1 | 0 | 0 | 1 | 1 | 1 | 0 | 7 |
| 0 | 0 | 0 | 0 | о | 0 | 0 | 0 | 1 | 1 | 0 | 0 | 1 | 9 |
Уравнения выходных сигналов




Рис. 8.15



| X | X | X | 1 |
| 1 | X | X | X |

| X | 1 | X | X |
| 1 | X | X | X |

Рис.8.16
Задача № 6.2.
Составить логическую схему преобразования чисел от 0 до 9910 из двоично-десятичного кода (BCD) в двоичный (B)с использованием стандартной интегральной схемы кодопреобразователя.

К155РП Рис.8.17
ВСД-> В
К155РП7
В-> ВСД
| Счет | Входные: (BCD) - код | Выходные: (B) код | |||||||||||||
| 80 | 40 | 20 | 10 | 8 | 4 | 2 | 1 | 64 | 32 | 16 | 8 | 4 | 2 | 1 | |
| 0 | 0 | 0 | 0 | 0 | 0 | 0 | 0 | 0 | 0 | 0 | 0 | 0 | 0 | 0 | 0 |
| 1 | 0 | 0 | 0 | 0 | 0 | 0 | 0 | 1 | 0 | 0 | 0 | 0 | 0 | 0 | 1 |
| . . . | |||||||||||||||
| 39 | 0 | 0 | 1 | 1 | 1 | 0 | 0 | 1 | 0 | 1 | 0 | 0 | 1 | 1 | 1 |
| . . . | |||||||||||||||
| 99 | 1 | 0 | 0 | 1 | 1 | 0 | 1 | 0 | 1 | 1 | 0 | 0 | 0 | 1 | 1 |
Задача №6.3.
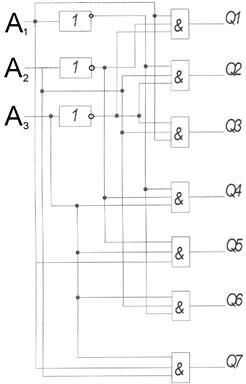
Составить логическую схему дешифратора трехразрядных чисел, представленных в B коде, в сигналы десятичной системы счета.
Рис.8.18
| Счет | Входной код В | Выходной код BCD | ||||||||
| A1 | A2 | A4 | Q1 | Q2 | Q3 | Q4 | Q5 | Q6 | Q7 | |
| 0 | 0 | 0 | 0 | 0 | 0 | 0 | 0 | 0 | 0 | 0 |
| 1 | 1 | 0 | 0 | 1 | 0 | 0 | 0 | 0 | 0 | 0 |
| 2 | 0 | 1 | 0 | 0 | 1 | 0 | 0 | 0 | 0 | 0 |
| 3 | 1 | 1 | 0 | 0 | 0 | 1 | 0 | 0 | 0 | 0 |
| 4 | 0 | 0 | 1 | 0 | 0 | 0 | 1 | 0 | 0 | 0 |
| 5 | 1 | 0 | 1 | 0 | 0 | 0 | 0 | 1 | 0 | 0 |
| 6 | 0 | 1 | 1 | 0 | 0 | 0 | 0 | 0 | 1 | 0 |
| 7 | 1 | 1 | 1 | 0 | 0 | 0 | 0 | 0 | 0 | 1 |








Рис. 8.19
Задача 6.4.
Составить таблицу истинности дешифратора для сегментного индикатора (К155ПП5). Составить карту Карно для минимизации логического уравнения одного из сегментов. Записать логическое уравнение.
Рис.8.20
| Счет | Входной код B | Выходной код | |||||||||
| A1 | A2 | A4 | A8 | a | b | c | d | e | f | g | |
| 0 | 0 | 0 | 0 | 0 | 1 | 1 | 1 | 1 | 1 | 1 | 1 |
| 1 | 1 | 0 | 0 | 0 | 0 | 1 | 1 | 0 | 0 | 0 | 0 |
| 2 | 0 | 1 | 0 | 0 | 1 | 1 | 0 | 1 | 1 | 0 | 1 |
| 3 | 1 | 1 | 0 | 0 | 1 | 1 | 1 | 1 | 0 | 0 | 1 |
| 4 | 0 | 0 | 1 | 0 | 0 | 1 | 1 | 0 | 0 | 1 | 1 |
| 5 | 1 | 0 | 1 | 0 | 1 | 0 | 1 | 1 | 0 | 1 | 1 |
| 6 | 0 | 1 | 1 | 0 | 1 | 0 | 1 | 1 | 1 | 1 | 1 |
| 7 | 1 | 1 | 1 | 0 | 1 | 1 | 1 | 0 | 0 | 0 | 0 |
| 8 | 0 | 0 | 0 | 1 | 1 | 1 | 1 | 1 | 1 | 1 | 1 |
| 9 | 1 | 0 | 0 | 1 | 1 | 1 | 1 | 1 | 0 | 0 | 0 |
-неминимизированное уравнение
карта Карно
|
|
|
|
|
|
|
|
|
|
|
|
|
|
|
|
|
|
|
|
|
|
-минимизированное уравнение
Задача №6.5
Составить логическую схему блока перемножения двух двухразрядных положительных двоичных чисел.
Рис.8.21
Структурная схема умножителя с использованием способа многократного сложения:
(7*4=7+7+7+7=28)
Рис.8.21
710 х 410
1110 х 1002
| Загрузка Двоичных чисел | После 1-го счета | После 2-го счета | После 3-го счета | После 4-го счета | |
| Регистр множимого | 111 | 111 | 111 | 111 | 111 |
| Счетчик множителя | 100 | 011 | 010 | 001 | 000 |
| Регистр произ- ведения | 0000 | 111 + 0000 111 | 111 + 111 01110 | 1110 + 111 10101 | 10101 + 111 11100 |
| Загрузка | Остановка |
Задача №6.6
Составить таблицу истинности блока деления двухразрядных положительных чисел: трехразрядное X на двухразрядное Y.
Рис.8.22

| 0.11 0.10 | 0.10 делимое 0.10 делитель | Разряды частного |
| 0 + 0 0 | Определение кода знака частного | |
| 110 + 110 Если Вам понравилась эта лекция, то понравится и эта - 37.Формула шагреневой кожи как ключ к судьбе личности в Человеческой комедии Бальзака.. 1100 | Сдвиг делимого влево на один разряд Делитель (дополнительный код) |
8.11 Арифметические схемы ТТЛ 





.
8.12 Арифметические схемы КМОП 








Рекомендуемые лекции
- 4 Методы определения собственных частот и собственных форм упругих систем
- 8 Структурные схемы и передаточные функции тягового электродвигателя как линеаризованного объекта регулирования
- 33 Финансовая статистика железнодорожного транспорта
- 37.Формула шагреневой кожи как ключ к судьбе личности в Человеческой комедии Бальзака.
- 41 Проведение проверок и корректирующие действия











1
1
1
1

1



1
1


















