Регистры
6. Регистры
6.1 Назначение и классификация регистров.
Регистром называется последовательстностное устройство, предназначенное для записи, хранения и сдвига информации, представленной в виде многоразрядного двоичного кода.
Регистр может выполнять следующие операции:
- Установка в исходное состояние;
- Запись входной информации в последовательной форме;
- Запись входной информации в параллельной форме;
- Хранение информации;
- Сдвиг хранимой информации вправо или влево;
- Выдача хранимой информации в последовательной форме;
- Выдача информации в параллельной форме.
По способу приема информации регистры подразделяются на:
Параллельные, в которых информация записывается и считывается только в параллельной форме;
Последовательные (сдвигающие), в которых информация записывается и считывается только в последовательной форме;
Последовательно – параллельные, в которых информация записывается или считывается как в параллельной, так и в последовательной формах.
По числу каналов передачи информации регистры подразделяются на:
Рекомендуемые материалы
Парафазные, в которых информация записывается и считывается в прямом (Q) и обратном (
) кодах;
Однофазные, в которых информация записывается и считывается либо в прямом (Q) и обратном (
) кодах;
По способу тактирования регистры подразделяются на:
Однотактные, управляемые одной последовательностью импульсов;
Многотактные, управляемые несколькими последовательностями импульсов.
6.2 Параллельный регистр без сдвига
![]() | |||
![]() | |||
входные
шины
(данные) выходные шины
Рис. 6.1

Управляющие сигналы
1. При подаче на вход “сброс” “1” Q1,Q2…Qn устанавливается в положение 0
2. Для записи информации с входных шин на вход подается “1”
3. Для съема информации подается “1” на “вывод”
4. для инверсии информации “1” подается на вход “обращение информации”
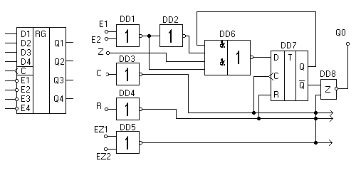
6.3 Четырехразрядный параллельный регистр К555ИР15
4-разрядный однотактный параллельный регистр с однофазным входом и выходом. Он включает четыре однотипных разрядных схем, в каждую из которых входят логические элементы 2*2 И-ИЛИ, D-триггер и выходной элемент с тремя выходными состояниями (0,1,2), который в отличие от обычного логического элемента способен формировать на выходе, кроме сигналов лог. 0 и лог. 1, так называемое высоко- импендансное состояние, при котором выход триггера отключается от вывода Q разрядной схемы.

Рис. 6.2
Управляемые входы EZ1;EZ2 равнозначны и предназначены для перевода выходов регистра высокоимпендансное состояние (состояние z). При EZ1+EZ2=1 на управляющий вход выходного элемента DD8 (z элемента) поступает сигнал лог. 0, отключающий выводы триггеров разрядных схем от выходов интегральных схем. Данный режим необходим для объединения выходов нескольких регистров.
Входы Е1,Е2 также обеспечивают перевод регистра из режима приема в режим хранения информации. При Е1+Е2=1 и С=1 с выхода Q D-триггера DD7 переписывается в этот же триггер. Осуществляется режим хранения информации.
При Е1+Е2=0 и С=1 происходит запись новой информации в D-триггер.
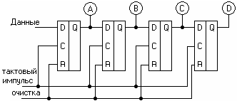
6.4 Последовательный регистр сдвига
выходы
![]() |

![]() |
входы
Рис. 6.3
4-разрядный последовательный регистр сдвига на D-триггерах
При каждом тактовом импульсе информация вводится по одному разряду, при сдвиге информации вправо теряется крайний правый разряд.
| входы | выходы | ||||||
| Номер строки | очистка | данные | Номер тактового импульса | А | В | С | D |
| 1 | 0 | 0 | 0 | 0 | 0 | 0 | 0 |
| 2 | 1 | 1 | 0 | 0 | 0 | 0 | 0 |
| 3 | 0 | 1 | 1 | 1 | 0 | 0 | 0 |
| 4 | 0 | 1 | 2 | 1 | 1 | 0 | 0 |
| 5 | 0 | 1 | 3 | 1 | 1 | 1 | 0 |
| 6 | 0 | 0 | 4 | 0 | 1 | 1 | 1 |
| 7 | 0 | 0 | 5 | 0 | 0 | 1 | 1 |
| 8 | 0 | 0 | 6 | 0 | 0 | 0 | 1 |
| 9 | 0 | 0 | 7 | 0 | 0 | 0 | 0 |
| 10 | 0 | 0 | 8 | 0 | 0 | 0 | 0 |
| 11 | 0 | 1 | 9 | 1 | 0 | 0 | 0 |
| 12 | 0 | 0 | 10 | 0 | 1 | 0 | 0 |
| 13 | 0 | 0 | 11 | 0 | 0 | 1 | 0 |
| 14 | 0 | 0 | 12 | 0 | 0 | 0 | 1 |
| 15 | 0 | 0 | 13 | 0 | 0 | 0 | 0 |
Данные в регистр вводятся последовательно поразрядно. Например, чтобы ввести в регистр двухзначную комбинацию 0111 нужно пройти всю последовательность состояний от строки 1 до строки 6 .
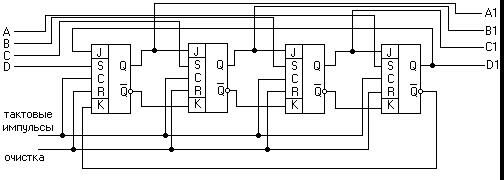
6.5 Параллельный четырехразрядный кольцевой регистр сдвига на JK триггерах
![]() | |||
![]() | |||
выхо-
ды
входы
| входы | выходы | |||||||||
| Номер строки | очистка | Параллельная загрузка данных | Номер тактового импульса | A1 | B1 | C1 | D1 | |||
| A | B | C | D | |||||||
| 1 | 0 | 1 | 1 | 1 | 1 | 0 | 1 | 1 | 1 | 1 |
| 2 | 1 | 1 | 1 | 1 | 1 | 0 | 0 | 0 | 0 | 0 |
| 3 | 0 | 0 | 1 | 0 | 0 | 0 | 0 | 1 | 0 | 0 |
| 4 | 0 | 0 | 0 | 0 | 0 | 1 | 0 | 0 | 1 | 0 |
| 5 | 0 | 0 | 0 | 0 | 0 | 2 | 0 | 0 | 0 | 1 |
| 6 | 0 | 0 | 0 | 0 | 0 | 3 | 1 | 0 | 0 | 0 |
| 7 | 0 | 0 | 0 | 0 | 0 | 4 | 0 | 1 | 0 | 0 |
| 8 | 0 | 0 | 0 | 0 | 0 | 5 | 0 | 0 | 1 | 0 |
| 9 | 1 | 0 | 0 | 0 | 0 | 0 | 0 | 0 | 0 | |
| 10 | 0 | 0 | 1 | 1 | 0 | 0 | 1 | 1 | 0 | |
| 11 | 0 | 0 | 0 | 0 | 0 | 6 | 0 | 0 | 1 | 1 |
| 12 | 0 | 0 | 0 | 0 | 0 | 7 | 1 | 0 | 0 | 1 |
| 13 | 0 | 0 | 0 | 0 | 0 | 8 | 1 | 1 | 0 | 0 |
| 14 | 0 | 0 | 0 | 0 | 0 | 9 | 0 | 1 | 1 | 0 |
| 15 | 0 | 0 | 0 | 0 | 0 | 10 | 0 | 0 | 1 | 1 |
Рис.6.4
Удается загружать одновременно четыре разряда информации. Возможность кольцевого перемещения информации, данные с выхода возвращаются на вход без потери.
Условное обозначения регистра со сдвигом
сдвиг информации влево из старшего сдвиг информации вправо из младшего
разряда в младший разряда в старший
Рис. 6.5 Рис. 6.6


6.6 Универсальный четырехразрядный сдвиговой регистр К555ИР11
Рис. 6.7
В регистре можно строго синхронно сдвигать цифровое слово вправо или влево. Таким образом, регистр является двунаправленным. Если на выходы выбора S0 и S1 поданы напряжение низкого уровня, входная информация в регистре задерживается. При подаче высокого уровня на эти входы данные от параллельных входов D0-D3 будут загружены в регистр и появятся на выходах Q0-Q3 в момент последующего положительного перепада тактового импульса. При напряжении низкого уровня на входе S1 и высокого на S0, информация поступающая на вход последовательных данных SR, сдвигается по регистру вправо ( орт Q0 к Q3). При обратном соотношении условий на входах S0 и S1 информация принимается последовательным входом SL и затем при каждом положительном перепаде сдвигается влево т.е. от Q3 к Q0.
Таблица состояний регистра
| Режим работы | Вход | Выход | ||||||||
| C |
| S1 | S0 | SR | SL | Q0 | Q1 | Q2 | Q3 | |
| сброс | х | 0 | х | х | х | х | 0 | 0 | 0 | 0 |
| хранение | х | 1 | 0 | 0 | х | х | q0 | q1 | q2 | q3 |
| сдвиг влево | 1 | 1 | 1 | 0 | х | 0 | q1 | q2 | q3 | 0 |
| сдвиг вправо | 1 | 1 | 1 | 0 | х | х | 0 | q0 | q1 | q2 |
| параллельная загрузка | 1 | 1 | 1 | 1 | х | х | d0 | d1 | d2 | d3 |
Условные обозначения микросхем счетчиков, сумматоров, регистров, АЛУ
| обозначение | вид микросхемы |
| ИЕ | счетчики |
| ИК | комбинированные счетчики |
| ИЛ | полусумматоры |
| ИМ | сумматоры |
| ИР | регистры |
| ИА | Арифметично - логические устройства |
6.7 Регистры ТТЛ 












Обратите внимание на лекцию "13 Противосудорожные средства".
.
6.8 Регистры КМОП 
































