Логические функции, реализованные на ключевых элементах
2. Логические функции, реализованные на ключевых элементах.
2.1 Основные логические элементы.
Таблица 2.1
| № | Наименование основной логической функции | Рекомендуемые материалыFREE Маран Программная инженерия Техническое задание -20% ЛЮБАЯ дипломная работа в Синергии! -20% Любая дисциплина в НСПК! -30% Помогу выполнить - КМ-3. Письменная работа Наименование логического элемента | Символическое графическое изображение | Формула логической функции | Релейно-контактный элемент | Таблица истинности | ||
| входы | выход | |||||||
| X1 | X2 | Y | ||||||
| 1 | Тавтология | Повторитель |
|
|
| 0 1 | 0 1 | |
| 2 | Инверсия (отрицание) | НЕ (инвентор) |
|
|
| 0 1 | 1 0 | |
| 3 | Конъюнкция | И (схема совпадения) |
|
|
| 0 0 1 1 | 0 1 0 1 | 0 0 0 1 |
| 4 | Дизъюнкция | ИЛИ (сложение) |
|
|
| 0 0 1 1 | 0 1 0 1 | 0 1 1 1 |
| 5 5 | Штрих Шеффера | И-НЕ |
|
|
| 0 0 1 1 | 0 1 0 1 | 1 1 1 0 |
| № | Наименование основной логической функции | Наименование логического элемента | Символическое графическое изображение | Формула логической функции | Релейно-контактный элемент | Таблица истинности | ||
| входы | выход | |||||||
| X1 | X2 | Y | ||||||
| 6 | Стрелка Пирса | ИЛИ-НЕ |
|
|
| 0 0 1 1 | 0 1 0 1 | 1 0 0 0 |
| 7 | Запрет по Х2 | Схема запрета |
|
|
| 0 0 1 1 | 0 1 0 1 | 0 0 1 0 |
| 8 | Исключающее ИЛИ | Ипликатор |
|
|
| 0 0 1 1 | 0 1 0 1 | 1 0 1 1 |
| 9 | Дизъюнкция | Эквивалент-ность |
|
|
| 0 0 1 1 | 0 1 0 1 | 0 1 1 0 |
| 5 10 | Неравнознач-ность Исключающее ИЛИ-НЕ | Неэквивалент-ность |
|
|
| 0 0 1 1 | 0 1 0 1 | 1 0 0 1 |
Четыре класса логических схем:
- Комбинационные схемы, в которых значение выходной переменной зависит только от значений входных переменных в данный момент времени.
- Последовательностные схемы, в которых значение выходной переменной зависит не только от значений входных переменных в данный момент, но и от состояния элементов памяти.
3 Параллельные - называется устройство, в котором все разряды входных переменных подаются на вход, и все разряды выходных переменных снимаются с выхода одновременно.
4 Последовательные – называется устройство, в котором входные переменные подаются на вход, а выходные снимаются с выхода не одновременно, а в последовательно, разряд за разрядом.
2.2 Универсальный характер логических элементов И-НЕ, ИЛИ-НЕ. Таблица 2.2
| И-НЕ | ИЛИ-НЕ | ||
| Исключающее ИЛИ |
|
|
|
| Исключающее ИЛИ-НЕ |
|
|
|
| ИЛИ |
|
|
|
| ИЛИ-НЕ |
|
|
|
| И |
|
|
|
| И-НЕ |
|
|
|
Нагрузочная способность логических элементов.
Коэффициент объединения по входу Коб численно равен максимальному числу выходов однотипных логических элементов, которые могут быть подключены к входу данного логического элемента, не вызывая при этом искажение формы и амплитуды его сигнала.
Коэффициент разветвления по выходу Краз численно равен максимальному числу
выходов однотипных логических элементов, которые могут быть подключены к выходу
данного логического элемента, не вызывая при этом искажения формы и амплитуды его
сигнала.
Степень интеграции N характеризует число элементарных логических элементов
(обычно двухвходовых), расположенных на одном кристалле интегральной схемы
N=Log K, где К-количество элементов в интегральной схеме.
| Входы | Выход | ||
| С | B | A | Y |
| 0 | 0 | 0 | 0 |
| 0 | 0 | 1 | 0 |
| 0 | 1 | 0 | 0 |
| 0 | 1 | 1 | 0 |
| 1 | 0 | 0 | 0 |
| 1 | 0 | 1 | 0 |
| 1 | 1 | 0 | 0 |
| 1 | 1 | 1 | 1 |
2.3 Логические элементы с числом входов больше двух
“И” с тремя входами


Рис. 2.1
“ИЛИ” с четырьмя входами


Рис. 2.2
“И-НЕ” c четырьмя входами

Рис 2.3
Y=
Рис. 2.4
Система условных обозначений логических микросхем
Таблица 2.3
| Обозначение | Выполняемая функция | Графическое обозначение |
| ЛА | И-НЕ |
|
| ЛБ | И-НЕ/ИЛИ-НЕ |
|
| ЛЕ | ИЛИ-НЕ |
|
| ЛИ | И |
|
| ЛЛ | ИЛИ |
|
| ЛМ | ИЛИ-НЕ/ИЛИ-НЕ |
|
| ЛН | НЕ |
|
| ЛР | И-ИЛИ-НЕ |
|
| ЛС | И-ИЛИ |
|
| ЛП | Исключающее ИЛИ |
|
2.4 Практические комбинационные схемы на логических элементах семейства ТТЛ (tз=29 нс).
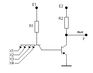
Рис 2.5.Схема К155ЛАЗ
Э К 1 55 Л А 1













Условный номер данной серии по функциональному признаку
Вид по функциональному назначению
Подгруппа
Порядковый номер серии
Группа (по конструктивно-технологическому исполнению)
ИС широкого применения
На экспорт

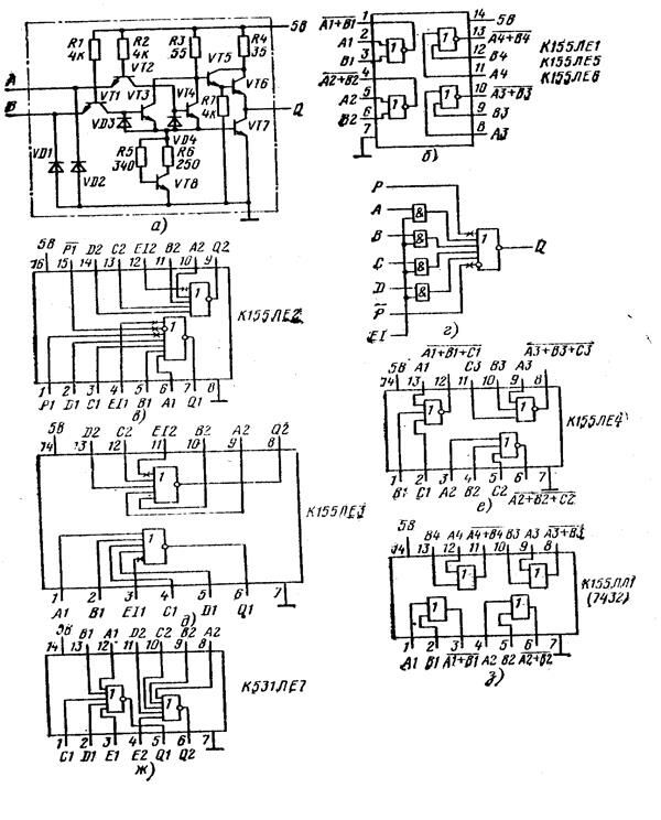
Рис. 2.6. Микросхема И.
Рис. 2.7. Микросхемы
.

Рис. 2.8. Микросхемы
.
Рис. 2.9. Микросхемы
.
.
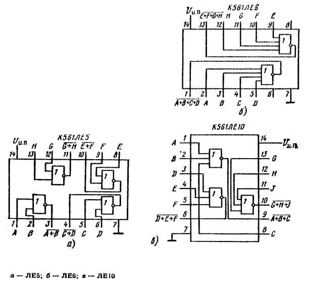
2.5 Логические элементы КМОП. 
Рис. 2.10. Микросхемы
.
Рис. 2.11. Двухвходовый элемент
.

В лекции "Гигиена транспортировки животных" также много полезной информации.
Рис. 2.12. Микросхемы
.

Рис. 2.13. Микросхема К561ЛС2.
Рис. 2.14. Микросхемы К561ЛН1 и К561ЛН2.
Рис. 2.15.
Рис. 2.16. Микросхема К176ЛП1 и её применения.














































































