Устройства преобразования сигналов
УСТРОЙСТВА ПРЕОБРАЗОВАНИЯ СИГНАЛОВ
При построении систем, связывающих ЭВМ с объектами, использующими информацию в непрерывной форме, требуется преобразование сигналов из цифровой формы в аналоговую (непрерывную) форму и из аналоговой в цифровую. Такое преобразование сигналов осуществляется с помощью цифро-аналоговых и аналого-цифровых преобразователей.
Цифро-аналоговые преобразователи
Цифро-аналоговым преобразователем (ЦАП) называется устройство, осуществляющее автоматическое преобразование (декодирование) входных значений сигналов, представленных числовыми кодами, в эквивалентные им выходные значения аналоговой физической величины.
На схемах ЦАП изображается в виде УГО, на котором функция преобразования обозначается символами D/A или # / L:
Цифро-аналоговые преобразователи представляют собой класс устройств с чрезвычайно широким спектром применений. В этом спектре особо следует выделить использование ЦАП в качестве функционального блока АЦП, где он выполняет роль многозначной меры преобразованного аналогового сигнала, которая управляется кодом, формируемым на выходе АЦП, и располагается в цепи обратной связи. В качестве самостоятельного устройства ЦАП широко используются в измерительной и вычислительной технике, системах передачи, хранения и отображения информации, а также в системах управления технологическими процессами.
Преобразование обеспечивает соответствие между входным числовым значением N(t), и ее аналоговым эквивалентом x(t). Количественная связь для любого момента времени t определяется соотношением
х(t) = N(t) Dx ± dхi,
где Dx - шаг квантования по уровню (аналоговый эквивалент единицы младшего разряда кода); dхi, — погрешность преобразования на i-ом уровне квантования.
Рекомендуемые материалы
Цифро-аналоговое преобразование в ЦАП состоит в суммировании эталонных величин, соответствующих разрядам входного кода. Применяются в основном два метода цифро-аналогового преобразования: суммирование единичных эталонных величин и суммирование эталонных величин, веса которых отличаются. В первом при формировании выходной аналоговой величины используется только одна эталонная величина весом в один квант. Во втором методе применяются эталонные величины с весами, зависящими от номера разряда, и в суммировании участвуют только те эталонные величины, для которых в соответствующем разряде входного кода имеется единица. При этом используется двоичный код. Выходным сигналом является напряжение.
Для ЦАП выходное напряжение определяется следующим образом:
Uвых=kUоп(an-12n-1 + an-22n-2 + … + a020),
где Uоп—опорное (эталонное) напряжение; a0, a1,…,an-1,—коэффициенты двоичных разрядов, принимающие значения «0» или «1»; n—число двоичных разрядов;
k—коэффициент пропорциональности.
В преобразователях из опорного напряжения формируются эталонные величины, соответствующие значениям разрядов входного кода, которые суммируются и образуют дискретные значения выходной аналоговой величины.
Основные параметры ЦАП
Все параметры ЦАП можно разделить на две группы: статические и динамические.
Статические параметры ЦАП
Основными статическими параметрами ЦАП являются:
1. Число разрядов ЦАП;
2. Диапазон изменения входного кода;
3. Диапазон изменения выходного сигнала;
4. Разрешающая способность;
5. Погрешность преобразования.
Все статические параметры ЦАП могут быть определены по характеристике преобразования(ХП).
Характеристикой преобразования называют зависимость значений выходной аналоговой величины хi от значений входного кода Ni. Такая зависимость может быть представляться в виде графика, формулы или таблицы. Рассматриваемые ЦАП имеют линейную характеристику преобразования. В системе координат код — выходная аналоговая величина ХП изображается прямой, расположенной под некоторым углом к оси абсцисс.
На рис. 2 изображена ХП 3-х разрядного ЦАП (n=3). По оси абсцисс откладываются значения входного двоичного кода Ni, а по оси ординат относительные значения выходного аналогового сигнала xi/xmax.
Иногда характеристику преобразования изображают ступенчатой линией, что подчеркивает дискретность изменения как значения кода, так и выходной аналоговой величины.
1. Число разрядов ЦАП – это максимальное число разрядов, которое может быть подано на вход ЦАП и является наиболее общей характеристикой.
Согласно ГОСТ 24736-81, число разрядов — это двоичный логарифм максимального числа кодовых комбинаций на входе ЦАП или выходе АЦП.
Тогда число n входных двоичных разрядов ЦАП однозначно соответствует количеству различных кодовых комбинаций на входах по выражению
n = log2 (Nmax - Nmin),
или при Nmin=0 n = log2 (Nmax ).
2. Диапазон изменения входных значений кода (динамический диапазон) – это допустимый предел изменения входного кода – от Nmin до Nmaх. При Nmin=0 этот диапазон определяется как Nmaх=2n.
3. Диапазоном выходной величины называют интервал значений выходной аналоговой величины от начальной xmin до конечной xmax точки ХП. Значение дискретного изменения выходной аналоговой величины при изменении значения входного кода на единицу называют шагом квантования. В случае двоичного линейного ЦАП для идеальной характеристики все ступени равны:
,
где xmax, xmin — значение выходной аналоговой величины в конечной и начальной точках ХП, (2n –1) — число возможных значений кода.
4. Разрешающей способностью преобразования является значение шага квантования, представляющее наименьшее изменение выходной аналоговой величины. Абсолютная разрешающая способность также выражается в единицах выходной аналоговой величины, а относительная - в процентах от диапазона изменения выходной аналоговой величины:
.
Например, преобразователь на 12 цифровых входов, имеющий выходной сигнал в конечной точке ХП, равный 10В, обладает разрешающей способностью
2,45 мВ,
или
0,0245%.
Значение ступени квантования может служить единицей измерения выходной аналоговой величины, и его называют единицей младшего разряда (ЕМР). Такая единица измерения наглядно представляет все параметры выходной аналоговой величины.
5. Погрешность квантования характеризуется статической и инструментальной погрешностями.
Статическая погрешность преобразования характеризуется погрешностью (шумом) квантования.
В общем случае погрешность квантования можно представить как
d(x) = х(t) – NtDx.
При этом погрешность d(x) не превышает половины шага квантования т.е.
d(x) £ max½d(x)½ = 0,5×Dx.
Инструментальной погрешностью называется аппаратурная погрешность, определяемая нестабильностью источника опорного напряжения, погрешностью ключей, резистивных матриц и выходных операционных усилителей. Основными факторами, вызывающими возникновение погрешностей элементов, являются: технологический разброс параметров; влияние изменений окружающей среды (в основном температуры); изменение параметров во времени (старение); воздействия внешних и внутренних шумов и помех.
Поэтому характеристики преобразования реальных ЦАП отличаются от идеальных формой, значением ступеней и расположением относительно осей координат.
Все инструментальные погрешности проявляются в основном в виде параметров, характеризующих степень совпадения реальной ХП с идеальной. Такими параметрами являются:
1) изменение коэффициента передачи, характеризующее отклонение реальной характеристики преобразования от крутизны идеальной (прямая 1 на рис. 2);
2) смещение нуля, характеризующее параллельный сдвиг реальной характеристики преобразования ЦАП от положения идеальной(прямая 2 на рис. 2);
3) нелинейность преобразования - проявляется как отклонение реальной характеристики преобразования от идеальной прямой(кривая 3 на рис. 2).
Динамические параметры ЦАП
В радиоэлектронной аппаратуре, ЭВМ, системах сбора и обработки данных ЦАП работают при непрерывно изменяющихся значениях кодов на входах. Понятно, что считывание информации с выхода ЦАП должно производиться после окончания всех переходных процессов в нем. Только в таком случае можно получить точность, на которую рассчитан ЦАП и быстродействие системы или аппаратуры определяется временем переходных процессов ЦАП, его быстродействием. По этой причине динамические параметры ЦАП во многом определяют производительность обработки информации.
Различают три временных параметра:
1. Шаг (период) дискретности изменения выходного сигнала Т — интервал времени между двумя последовательными преобразованиями.
2. Время преобразования tпр — интервал времени от момента заданного изменения кода на входе ЦАП до момента установления выходного аналогового сигнала в пределах шага квантования Dх (рис.3).

Классификация и принципы построения ЦАП
Схемы ЦАП можно классифицировать по разным признакам: принципу действия, виду выходного сигнала, его полярности, типу элементной базы, характеру опорного сигнала, конструктивному исполнению и пр.
По принципу действия или способу формирования выходного сигнала различают ЦАП с суммированием напряжений, с делением напряжения и с суммированием токов.
По виду выходного сигнала ЦАП делят на две группы: с токовым выходом и с выходом по напряжению.
В настоящее время стремительный прогресс в области микроэлектроники определил расстановку акцентов в распространенности ЦАП тех или иных видов. Прежде всего это коснулось их конструктивного исполнения — наиболее распространенными стали интегральные преобразователи. В свою очередь интегральное исполнение ЦАП способствовало развитию преобразователей с суммированием токов — как наиболее технологичных в этом отношений. Самыми технологичными из всех оказались резистивные схемы суммирования.
Существует несколько схем, являющихся базой для построения многих разновидностей ЦАП соответствующего класса. Для формирования заданных уровней выходного напряжения (или тока) к выходу ЦАП подключается необходимое количество опорных напряжений Еn-1, Еn-2,..., Е0 или токов In-1,In-2,…,I0.
![]() |
На рис.4 приведена базовая схема n-разрядного ЦАП с суммированием токов. В этой схеме используются п опорных источников тока In-1,In-2,…,I0. Каждый источник вырабатывает значение тока Ii=I02i, где I0 – ток, соответствующий весу младшего разряда.
Входной код an-1,...ai,...a0 управляет ключами S n-1,…Si,...S0, которые или подключают источники тока к нагрузке, или замыкают их накоротко. При этом, если ai=0, то соответствующий источник закорочен и в работе схемы не участвует. Если же ai= 1, то соответствующий источник тока подключен к нагрузке. Результирующий ток равен сумме токов опорных источников, для которых ai = 1. Напряжение на выходе будет равно результирующему току
, умноженному на сопротивление Rн, т.е. Uвых = ISRн.
Базовая схема ЦАП со сложением напряжений приведена на рис.5. В этой схеме используется п опорных источников напряжения Еn-1, Еn-2,..., Е0. Каждый источник вырабатывает значение напряжения Еi=Е02i, где Е0 – напряжение, соответствующий весу младшего разряда.
![]() |
Входной код управляет ключами S n-1,…Si,...S0, которые или подключают соответствующие источники опорного напряжения к нагрузке, или отключают их. Так же, как и для схемы с суммированием токов, при ai = 1 соответствующий источник напряжения подключен к цепи нагрузки, а при ai = 0 - отключен. Результирующее напряжение на выходе равно сумме напряжений включенных опорных источников:
.
Существует два широко распространенных способа цифроаналогового преобразования на основе сложения токов:
а) с использованием резистивной матрицы с весовыми двоично-взвешенными сопротивлениями;
б) с использованием матрицы с двумя номиналами сопротивлений, которую обычно называют матрицей R - 2R.
ЦАП с весовыми двоично-взвешенными сопротивлениями (рис.6) состоит из следующих компонентов:
п ключей, по одному на каждый разряд, управляемых преобразуемым двоичным кодом N=(аn-1, an-2, … a1, a0); матрицы двоично-взвешенных резисторов; источника опорного напряжения Uоп; выходного операционного усилителя, с помощью которого суммируются токи, протекающие через двоично-взвешенные сопротивления, для получения аналогового выходного сигнала uвых, пропорционального цифровому коду.
Регистр, который обычно является внешним устройством по отношению к ЦАП, вырабатывает двоичный код N, состоящий из п двоичных разрядов:
N=an-12n-1 + an-22n-2 + … a121 + a020 = 
где аi — коэффициент, имеющий значение 1 или 0.
Каждый i-й разряд управляет ключом Клi, который подключается к источнику опорного напряжения Uоп когда ai = 1, или к общей шине, когда аi = 0. Сопротивления резисторов, соединенных с ключами, таковы, что обеспечивается пропорциональность протекающего в них тока двоичному весу соответствующего разряда входного кода. Величины сопротивлений этих резисторов соответствуют формуле
Ri=R2(n-1)-i,
где R — сопротивление резистора самого старшего значащего разряда Rn-1 (наименьшее по величине); i = 0, 1, 2,..., n-1 — порядковый номер разряда входного кода, начиная с самого младшего i = 0 и кончая самым старшим i = n-1.
Таким образом, сопротивление резистора в старшем разряде имеет значение R, сопротивление следующего резистора 2R и т. д. до сопротивления резистора в младшем разряде, значение которого R2n-1. Следовательно, ток, протекающий на входе ОУ

Соответственно выходное напряжение ЦАП

пропорционально взвешенному коду, у которого принимают единичное значение разряды, соответствующие ключам, связанным с источником Uоп. Максимальное выходное напряжение имеет место, когда все разряды примут значение «1»:

Данная схема чрезвычайно проста по структуре, однако реализация ее представляет определенную сложность из-за того, что с увеличением n величина сопротивления весового резистора младшего значащего разряда становится очень большой. К примеру, для 16-разрядного ЦАП R0 = 215 R15 = 32768R15 . Если R15 = 10 к0м, то R0 = 327, 68 МОм. Поскольку разрешающая способность преобразователя должна быть при этом не хуже половины младшего значащего разряда, то точность выполнения номинала этого резистора должна быть не хуже 1/65536. Соблюсти такую точность в интегральном исполнении практически невозможно. Поэтому схема с суммированием взвешенных токов может использоваться только для реализации ЦАП невысокой разрядности.
ЦАП с двумя номиналами сопротивлений (резистивной матрицей типа R – 2R) (рис.8) исключает эти сложности, благодаря наличию дополнительного резистора в каждом разряде.
Особенностью резистивной матрицы типа R-2R является то, что ее входное сопротивление при любом положении ключей Клn-1, …, Кл0 равно R, т. е. общий ток, втекающий в матрицу, равен I = UОП/R. Распределение потенциалов в узлах матрицы не меняется при изменении положения ключей, поскольку входное сопротивление операционного усилителя, охваченного отрицательной обратной связью через резистор R, фактически равно нулю, следовательно потенциал его входа равен потенциалу «земли». Это обстоятельство приводит к последовательному уменьшению вдвое напряжения в узлах схемы по мере их удаления от источника опорного напряжения и такому же уменьшению токов, протекающих через ключи Клn-1, …,Кл0
Особенность этой резистивной матрицы заключается в том, что при любом положении ключей Кл0, Кл1,..., Клn-1, входное сопротивление матрицы со стороны источника UОП всегда равно R.
![]() |
Проверим эти положения на примере. Пусть ЦАП преобразует в напряжение 3-х разрядный двоичный код. Тогда матрицу можно представить в следующем эквивалентном виде (рис.9).
Простой подсчет показывает, что общее сопротивление этого соединения равно R.
Общий ток от источника Uоп в этом случае определяется из выражения
.
В каждой точке соединения резисторов R и 2R токи разветвляются на два равных тока. Тогда
.
В соответствии с кодом числа N эти взвешенные токи поступают на вход ОУ. Тогда общий ток на инверсном входе ОУ будет

Результирующее выходное напряжение ЦАП определяется по выражению
.
В общем случае для n-разрядного входного кода результирующее выходное напряжение ЦАП определяется по выражению
.
Максимальное выходное напряжение имеет место, когда все разряды примут значение «1»:

В рассмотренных схемах ЦАП используется токовый режим работы суммирующего элемента, т. е. ОУ выполняет суммирование токов. Соответственно формирование разрядных токов осуществляется с помощью ключей, коммутирующих токи (токовых ключей).
Отметим следующие преимущества ЦАП с токовыми ключами: высокое быстродействие, обусловленное малыми перепадами напряжений в коммутируемых цепях, малыми постоянными времени и ускоренным перезарядом паразитных емкостей; технологичность изготовления, обусловленная однородностью структуры.
Аналого-цифровые преобразователи
Аналого-цифровым преобразователем (АЦП) называется устройство, осуществляющее автоматическое преобразование непрерывно изменяющихся во времени аналоговых значений сигнала в эквивалентные значения числовых кодов.
На схемах ЦАП изображается в виде УГО (рис.1), на котором функция преобразования обозначается символами A/D или L/#:
АЦП являются устройствами, принимающими входные непрерывные сигналы от аналоговых устройств и выдающими на выходе соответствующие им цифровые сигналы, пригодные для работы с ЭВМ и другими цифровыми устройствами.
АЦП, так же как и ЦАП, широко применяются в различных областях, являясь неотъемлемой составной частью цифровых измерительных приборов, систем и устройств обработки и отображения информации, автоматических систем контроля и управления, устройств ввода—вывода информации ЭВМ и т. д.
Физически процесс аналого-цифрового преобразования состоит из операций дискретизации по времени, квантования по уровню и кодирования.
При дискретизации непрерывная функция x(t) преобразуется в последовательность её отсчетов x(tk) в определенные моменты времени tk.
Операция квантования состоит в том, что мгновенные значения отсчетов x(tk) ограничиваются только определенными уровнями ограниченного множества, которые называются уровнями квантования.
Третья операция, называемая кодированием, представляет собой преобразование дискретных квантованных величин в цифровой код.
Преобразование обеспечивает соответствие дискретного отсчета x(tk) значению кода Nk. Количественная связь для любого момента времени tk определяется соотношением:
,
где dNtk. — погрешность преобразования на k-том шаге дискретизации по времен7и, Dx – шаг квантования по уровню.
Основные параметры АЦП
Все параметры АЦП также как и ЦАП можно разделить на две группы: статические и динамические.
Статические параметры АЦП
Основными статическими параметрами АЦП являются:
6. Число разрядов АЦП;
7. Диапазон изменения входного сигнала;
8. Диапазон изменения выходного кода;
9. Разрешающая способность;
10. Статическая погрешность преобразования.
Основные параметры АЦП (диапазон изменения, временные параметры, статическая погрешность) имеют тот же смысл, что и соответствующие параметры ЦАП, рассмотренные ранее. Поэтому рассмотрим только некоторые характерные особенности параметров АЦП.
Наибольший интерес представляют статические параметры АЦП, характеризующие их точностные характеристики.
Число разрядов, или разрядность АЦП, как уже говорилось выше,— это округленный до целого числа двоичный логарифм максимального значения выходного кода n=log2Nmax , N— число значений выходного кода.
При подаче на вход АЦП линейно изменяющегося напряжения на выходе АЦП наблюдается последовательное изменение кодов.
Характеристикой преобразования АЦП называется зависимость между значениями входного аналогового напряжения и выходного кода. Характеристика преобразования АЦП, как и для ЦАП, может быть определена в виде таблиц, графиков или формул.
![]() |
На рис. 2 показана характеристика преобразования однополярного АЦП и график изменения ошибок квантования.
Разность значений напряжений заданного и следующего за ним межкодового переходов определяет шаг квантования. Для того, чтобы прямая, проведенная через точки, соответствующие напряжениям 0В и Xmax прошла через центры всех ступеней ХП идеального АЦП, напряжение первого межкодового перехода U1 должно отстоять от напряжения 0В на величину, равную половине шага квантования ХП.
Для идеального АЦП ширина ступеньки равна шагу квантования:
Dx=( Xmax - 0)/(2n-1).
Процесс квантования аналогового значения приводит к возникновению ошибки (шума) квантования dNtki, максимальное значение которой ± 1/2 единицы младшего разряда (±1/2 ЕМР) преобразователя. Аналоговым эквивалентом этой ошибки является половина шага квантования Dx/2, которая и определяет статическую погрешность преобразования. На рис.2 приведен график ошибки квантования трехразрядного АЦП для нормированного входного сигнала.
Инструментальная погрешность АЦП (так же, как и ЦАП) обусловлена несовершенством отдельных элементов схемы и влиянием на них различных дестабилизирующих факторов. Инструментальная погрешность, как уже отмечалось ранее, приводит к тому, что ХП реальных АЦП отличаются от идеальной, приведенной на рис.2. Эти отличия заключаются в неидентичности шагов квантования, в расположении ХП относительно осей координат, в отклонении ХП от прямой, в неидеальности профиля межкодового перехода. Несоответствие идеальной и действительной характеристик преобразования определяет точностные параметры АЦП:
1. отклонение коэффициента преобразования от идеального значения;
2. напряжение смещения нуля;
3. нелинейность ХП;
Отклонение коэффициента преобразования от идеального значения можно характеризовать погрешностью преобразования в конечной точке ХП. Эта погрешность показывает изменение наклона прямой.
Действительное значение входного напряжения в точке ХП, соответствующей нулевому значению этого напряжения, определяет напряжение смещения нуля. Физически это напряжение показывает параллельный сдвиг ХП вдоль оси абсцисс.
Нелинейность АЦП — отклонение действительного значения входного напряжения, соответствующего заданной точке ХП, от значения, определяемого по идеальной ХП в той же точке. Этот параметр характеризует отклонение центров ступенек действительной ХП от прямой линии идеальной ХП.
Таким образом, с точки зрения статической точности работы, исчерпывающей характеристикой АЦП является его реальная характеристика преобразования.
Динамические параметры АЦП
Быстродействие АЦП характеризуется рядом динамических параметров.
Рассмотренная статическая погрешность характеризует работу преобразователей при постоянных или квазипостоянных (постоянных на интервале преобразования) сигналах. При преобразовании сигналов, изменяющихся во времени, возникают динамические погрешности. Они характеризуются, во-первых, ранее рассмотренными параметрами — периодом преобразования, временем преобразования, и, во-вторых, — апертурной погрешностью.
Период преобразования Т — период дискретизации входного сигнала, при которой параметры АЦП не выходят за заданные пределы.
Время преобразования tПР — время от момента начала изменения сигнала на входе АЦП до появления на выходе соответствующего устойчивого кода.
Когда входной сигнал изменяется в течение времени преобразования, динамические параметры АЦП наряду с временем преобразования характеризуются апертурным временем, и апертурной погрешностью.
Под апертурным временем ta понимается время, в течение которого сохраняется неопределенность между значением выборки и временем, к которому относится полученный цифровой код.
Погрешность, возникающая из-за несоответствия значения входного сигнала преобразованному цифровому значению, называется апертурной погрешностью АЦП. Несоответствие возникает, если входной сигнал в течение времени преобразования изменяется более чем на единицу младшего разряда. Таким образом, при изменяющемся во времени входном сигнале создается неопределенность в том, каким в действительности было мгновенное значение входного сигнала в момент получения выходного кода. апертурным временем.
Апертурная погрешность определяется приращением входного, переменного во времени сигнала АЦП Dua за время преобразования. Точное значение апертурной погрешности можно определить, разложив выражение для входного сигнала uвх(t) в ряд Тейлора около точек отсчета, которое для k-й точки имеет вид:

.
В первом приближении апертурная погрешность может быть представлена в виде
,
где ta — апертурное время, которое для рассматриваемого случая равно времени преобразования tПР АЦП.
Положим для простоты, что входной сигнал имеет синусоидальную форму
. Для такого сигнала максимальное относительное значение апертурной погрешности: Dua/um=2pfta.
Если принять, что для n-разрядного АЦП (с разрешающей способностью 2n) апертурная погрешность не должна превышать значения шага квантования (рис. 3), то между частотой сигнала f, апертурным временем ta и относительной апертурной погрешностью имеет место соотношение
1/2n=2pfta.
Для уменьшения динамической (апертурной) погрешности АЦП обычно используются устройства выборки и хранения (УВХ), включаемые между источником аналогового сигнала и входом АЦП. Их работа основана на принципе фиксации мгновенных значений преобразуемого сигнала на всё время преобразования.
Классификация и принципы построения АЦП
В последнее время получила распространение классификация АЦП, показывающая, как во времени развертывается процесс преобразования. Исходя из этого, все АЦП можно разбить на три типа: последовательные, параллельные и параллельно-последовательные.
К последовательным АЦП относятся:
а) с единичным приближением (последовательного счета), основанные на уравновешивании входного аналогового значения суммой минимальных (для данного преобразователя) по весу эталонов;
б) с двоично-взвешенным приближением (поразрядного уравновешивания), в которых уравновешивание входного аналогового значения осуществляется суммой n эталонов (n — число разрядов АЦП), взвешенных по двоичному закону;
в) с промежуточным преобразованием входного аналогового значения в интервал времени, с последующим преобразованием в цифровой код;
д) интегрирующие АЦП, использующие в процессе преобразования операцию интегрирования входного аналогового сигнала за фиксированный интервал времени.
Параллельные АЦП основаны на использовании (2n - 1)-эталонов с весами, отличающимися на один квант. Сравнение входного аналогового значения с каждым эталоном производится одновременно с помощью (2n -1) схем сравнения (компараторов).
Последовательно-параллельные АЦП разделяют на многоступенчатые, в которых применяют несколько параллельных АЦП, работающих последовательно во времени, и многотактные, в которых один и тот же параллельный АЦП работает последовательно несколько раз с соответствующим управлением пороговыми напряжениями.
Рассмотрим основные разновидности АЦП.
Последовательные АЦП
АЦП с единичным приближением

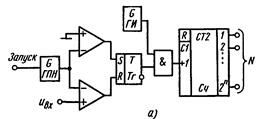
Типичная схема последовательного n-разрядного АЦП с единичным приближением представлена на рис. 4, а. В состав схемы включены следующие компоненты: генератор тактовых импульсов ГТИ, генератор счётных импульсов ГСИ, n-разрядный двоичный суммирующий счётчик СТ, n-разрядный ЦАП, аналоговый компаратор, RS-триггер и логический элемент И (конъюнктор).
Работа такого преобразователя сводится к следующему. Счетные импульсы заполняют счетчик, на выходе которого формируется код с нарастающим весом. Этот код поступает на ЦАП, напряжение на выходе которого увеличивается. Когда оно сравняется с входным напряжением, доступ импульсов к счетчику прекращается. Код, устанавливающийся при этом на счетчике, является цифровым эквивалентом напряжения на выходе ЦАП, а, следовательно, и напряжения UВХ.
Компаратор на выходе формирует сигнал согласно выражению: uк=K(uЦАП-uВХ). Однако нелинейность режима работы операционного усилителя в составе компаратора приводит к тому, что выходной сигнал uк принимает высокое или низкое значение. Поэтому можно записать:

Преобразование начинается с обнуления счетчика импульсом генератора тактовых импульсов (ГТИ). После этого напряжение на входе ЦАП становится равным нулю — на выходе компаратора логическая 1, обеспечивающая поступление счетных импульсов от генератора счетных импульсов (ГСИ) через конъюнктор на счетчик. Когда напряжение на выходе ЦАП станет практически равным UВХ компаратор переключится и логическим 0 на выходе разъединит ГСИ и счетчик (напряжения на входах компаратора следует поменять местами).

Импульс начала цикла преобразования, который в дальнейшем будем называть импульсом запуска, подключает счетчик СТ2 к выходу генератора импульсов ГИ. Так как разряды счетчика соединены с разрядами ЦАП, то напряжение на выходе последнего uЦАП увеличивается по ступенчатому пилообразному закону (рис. 3б), причем значение ступени соответствует ЕМР АЦП. Процесс преобразования заканчивается, когда напряжение uЦАП сравняется с входным напряжением uВХ. При этом компаратор К формирует сигнал, устанавливающий триггер в нулевое состояние. Элемент И закрывается, чем прекращает поступление счетных импульсов на счетчик. Этим определяется момент окончания преобразования и осуществляется считывание с выходов счетчика выходного кода N, представляющего цифровой эквивалент входного напряжения.
Рис. 3. Схема последовательного АЦП с единичным приближением (а) и временная диаграмма ее работы (б).
Статическая погрешность преобразования определяется в основном суммарной статической погрешностью используемых ЦАП и компаратора. Быстродействие рассматриваемого АЦП, характеризуемое временем преобразования, определяется числом разрядов n и частотой счетных импульсов tсч Время преобразования АЦП данного типа является переменным и определяется уровнем входного напряжения. Максимальное время преобразования, соответствующее максимальному входному напряжению,
tПР.max=(2n-1)DtСЧ,
где DtСЧ = 1/fсч — период следования счетных импульсов.
Так как число разрядов АЦП задается, время преобразования определяется частотой (периодом) счетных импульсов. Минимальный период импульсов DtСЧmin необходимо выбирать из условия установления за это время всех переходных процессов с заданной погрешностью. Для схемы рис. 3
DtСчmin=tСЧ+tЦАП+tТГ+tК+tЛ,
где tСЧ — максимальное время установления (для самого неблагоприятного случая) переходного процесса в счетчике; tЦАП — время установления ЦАП; tТГ — время включения управляющего триггера; tК, tЛ — времена включения компаратора и логической схемы И.
![]() | ![]() | ||
При работе без УВХ динамическая погрешность, как уже отмечалось ранее, определяется временем преобразования АЦП, которое в данном случае играет роль апертурного времени. Учитывая невысокое быстродействие, АЦП данного типа без УВХ пригодны для работы только с медленно меняющимися сигналами, которые за цикл преобразования изменяются не более чем на значение шага квантования.
Рис.4. Схема (а) и временная диаграмма (б) совместной работы УВХ и АЦП
1 -тактовые импульсы (импульсы запуска); 2 - сигнал окончания преобразования, 3 - управляющий сигнал
Совместная работа АЦП рассматриваемого типа с УВХ, построенным по распространенной схеме, использующей сочетание накопительного конденсатора С, аналогового ключа Кл и операционного усилителя ОУ, показана на рис.4, а. По сигналу с генератора тактовых импульсов АЦП осуществляет преобразование сигнала uВХ(ti), который представляет собой выходной сигнал УВХ (в режиме хранения). По окончании цикла преобразования формируется управляющий сигнал, который, воздействуя на ключ Кл, переводит УВХ в режим выборки (слежения). На временной диаграмме (рис.4, б) А, В, С обозначают время преобразования АЦП.
Рассмотренный АЦП легко превратить в АЦП следящего типа. Для этого в схеме рис. 4, а необходимо заменить суммирующий счетчик на реверсивный и использовать прямой и инверсный выходы компаратора для управления им (рис.х).
![]() |
Рис.х.
В этом случае при uВХ= uЦАП выходной код АЦП колеблется вокруг среднего положения с точностью до ЕМР, как это имеет место в любой дискретной следящей системе. Если в состоянии динамического равновесия uВХ(t) начинает изменяться, то выходной код АЦП отслеживает его с погрешностью, равной ЕМР, при условии, что за период счетных импульсов Dtсч входной сигнал изменится не более чем на значение шага квантования Du, т. е.
Du ³ u¢ВХDtсч.
АЦП с двоично-взвешенным приближением
Схема последовательного АЦП с двоично-взвешенным приближением дана на рис. 5, а. Входное напряжение uВХ поступает на один из входов компаратора, на другой вход которого подается uЦАП. При сравнении этих напряжений компаратор вырабатывает команды, которые подаются на управляющее устройство УУ (состоящее из n-разрядного регистра Рг и триггеров Тг со схемами И), выходные сигналы которого управляют работой ЦАП.
При поступлении импульса запуска триггер старшего разряда Тг(n-1) устанавливается в состояние “1”, а все остальные — в состояние “0”. В первом такте работы АЦП компаратор сравнивает uВХ с эталонным напряжением uэ(n-1), подаваемым с ЦАП и соответствующим единице его старшего разряда:
Если uВХ > uэ(n-1), то на выходе компаратора отсутствует импульс и в старшем разряде ЦАП (в триггере Тг(n-i)) сохранится 1; если же uВХ< uэ(n-1), то компаратор выдает импульс, который, пройдя через схему Иn-i, устанавливает триггер Тг(n-1) в состояние 0. Одновременно происходит сдвиг в регистре Рг и единица перейдет в (n- 1)-й разряд, что обеспечит подачу эталонного напряжения uэ(n-2) с ЦАП на компаратор. Аналогично выполняются и все остальные такты работы АЦП. Таким образом, за n тактов осуществляется уравновешивание преобразуемого напряжения uВХ суммой эталонных напряжений, снимаемых с ЦАП:

![]() |
В качестве примера на рис. 5, б представлена диаграмма работы пятиразрядного АЦП. Здесь преобразуемому напряжению соответствует код 11011.
![]() |
Рис.5. Последовательный АЦП с двоично-взвешенным приближением:
а — схема; б - временная диаграмма работы.
По сравнению с АЦП единичного приближения рассматриваемый преобразователь осуществляет преобразование за n шагов вместо 2n - 1 и, таким образом, позволяет получить существенный выигрыш в быстродействии, который, например, при n = 10 достигает двух порядков. Очевидно, статическая погрешность и быстродействие такого преобразователя определяются в основном параметрами ЦАП и компаратора (порогом чувствительности, быстродействием).
Данные схемы АЦП широко распространены благодаря возможности построения многоразрядных (до 12 разрядов и выше) преобразователей сравнительно высокого быстродействия (время преобразования порядка нескольких сотен наносекунд). На основе этого метода серийно выпускаются ИМС 12-разрядного АЦП К572ПВ1. При преобразовании быстроменяющихся сигналов данные АЦП работают совместно с УВХ.
АЦП с промежуточным преобразованием в интервал времени
![]() | ![]() | ||
На рис.6, а представлена схема АЦП с промежуточным преобразованием входного сигнала (напряжения) в пропорциональный ему временной интервал Тx, который затем заполняется счетными импульсами эталонной частоты fсч.
Рис.6. АЦП с промежуточным преобразованием в интервал времени:
а — схема; б — временная диаграмма.
Число импульсов, попавших в измерительный интервал Tx, фиксируется счетчиком и выдается как цифровой эквивалент преобразуемого сигнала (рис.6, б). При этом соотношение между кодом и входным сигналом имеет следующий вид:
N=Tx/DtСЧ= uВХ/(DtСЧa),
где a — скорость изменения напряжения генератора пилообразного напряжения (ГПН) (a = duГПН/dt).
Статическая погрешность данного АЦП определяется нестабильностью частоты fсч, отклонением характеристики ГПН от идеальной, погрешностью компараторов.
С точки зрения динамической погрешности рассматриваемый АЦП аналогичен АЦП со ступенчатым пилообразным напряжением (с единичным приближением) (см. рис.3, а). Для уменьшения динамической (апертурной) погрешности необходимо совместно с данным АЦП использовать УВХ.
АЦП двухтактного интегрирования
Недостатком всех рассмотренных АЦП является их относительно низкая помехоустойчивость, что ограничивает их разрешающую способность, как правило, на уровне 8—10 разрядов. От этого недостатка свободны АЦП интегрирующего типа, использующие в процессе преобразования операцию интегрирования входного сигнала за фиксированный интервал времени.
Одним из наиболее распространенных вариантов такого преобразователя является АЦП двухтактного интегрирования (рис.7, а). Полный цикл его работы состоит из двух тактов. В первом импульс запуска, воздействуя на триггер Тг1, открывает ключ Кл1, после чего преобразуемый сигнал uвх подается на вход интегратора. На один вход компаратора подается выходное напряжение интегратора uИНТ, на другой — нулевое напряжение. Так как в начальный момент времени t1 (рис. 7, б) напряжение интегратора равно нулю, компаратор срабатывает и перебрасывает триггер Тг3 в состояние 1, в результате чего открывается элемент И и импульсы генератора ГИ начинают поступать на счетчик СТ2. Интегрирование напряжения uвх производится за фиксированный интервал времени
T=t2-t1=MDtсч=2nDtсч,
где М = 2n — коэффициент пересчета счетчика.
Выходное напряжение интегратора на интервале времени (t1, t2) изменяется по закону

![]() |
Конец интервала T фиксируется счетчиком, который в момент времени t2, выдает импульс переполнения, поступающий на триггеры Tг1 и Тг2. При этом ключ Кл1 закрывается, ключ Кл2 открывается и начинается второй такт работы преобразователя. На вход интегратора теперь поступает опорное напряжение uОП, имеющее обратную полярность по отношению к иВХ.
![]() |
Рис.7. АЦП двухтактного интегрирования:
а — схема; б - временные диаграммы.
Начиная с момента времени t2 счетчик вновь заполняется импульсами с генератора импульсов ГИ, а напряжение на выходе интегратора (см. рис.7, б) уменьшается по закону
,
причем в момент времени t3 uИНТ становится равным нулю. Компаратор возвращается в исходное положение и по инверсному выходу перебрасывает триггеры Тг2 и Тгз в нулевое состояние. При этом напряжение uоп отключается от входа интегратора, а сигнал с выхода Тг3 запрещает подачу импульсов ГИ на счетчик. В результате в счетчике фиксируется числовой код
N=Tx/ Dtсч,
где Тх=t3-t2.
С учетом этого получаем UBXT=uОПTх где Uвх — среднее значение входного сигнала uвх(t) на интервале времени (t1, t2). Подставив в это выражение () и (), находим
"Лекция №3 Принципы, методы и средства обеспечения безопасности" - тут тоже много полезного для Вас.
,
т. е. выходной код АЦП пропорционален входному напряжению (его среднему значению).
Интегрирование входного сигнала в рассмотренном АЦП приводит к его усреднению и сглаживанию (ослаблению) всех быстрых по сравнению с временем интегрирования Т помех, наводок и шумов.
Использование двухтактного интегрирования позволяет компенсировать ряд составляющих статической погрешности, вызванных нестабильностью порога срабатывания компаратора и постоянной времени интегратора.
Быстродействие данного АЦП невелико, при заданном числе разрядов оно определяется частотой счетных импульсов fсч == 1/Dtсч. Выбор последней ограничивается в основном временем включения компаратора.
Данные АЦП реализуются на основе интегральной технологии. В качестве примера можно указать ИМС 11-разрядного АЦП К572ПВ2.




































