Система прерываний
Система прерываний (Лекция 5)
Организация обработки прерываний в ЭВМ
Прерывание – это прекращение выполнения текущей команды или текущей последовательности команд для обработки некоторого события специальной программой – обработчиком прерывания с последующим возвратом к выполнению прерванной программы. Событие может быть вызвано особой ситуацией, сложившейся при выполнении программы, или сигналом от внешнего устройства. Прерывание используется для быстрой реакции процессора на особые ситуации, возникающие при выполнении программы и взаимодействии с внешними устройствами.
Механизм прерывания обеспечивается соответствующими аппаратно-программными средствами компьютера. Любая особая ситуация, вызывающая прерывание, сопровождается сигналом, называемым запросом прерывания (IRQ, Interrupt Request). Запросы прерываний от внешних устройств поступают в процессор по специальным линиям, а запросы, возникающие в процессе выполнения программы, поступают непосредственно изнутри микропроцессора. Механизмы обработки прерываний обоих типов схожи. Функционирование компьютера при появлении сигнала запроса аппаратного прерывания выглядит следующим образом (рис. 5).

Рис. 5. Выполнение прерывания в компьютере.
На рисунке:
tр - время реакции процессора на запрос прерывания;
tс - время сохранения состояния прерываемой программы и вызова обработчика прерывания;
Рекомендуемые материалы
tв - время восстановления прерванной программы.
После появления сигнала запроса прерывания ЭВМ переходит к выполнению программы – обработчика прерывания. Обработчик выполняет те действия, которые необходимы в связи с возникшей особой ситуацией. Например, такой ситуацией может быть нажатие клавиши на клавиатуре компьютера. Тогда обработчик должен передать код нажатой клавиши из контроллера клавиатуры в процессор и, возможно, проанализировать этот код. По окончании работы обработчика управление передается прерванной программе.
Время реакции – это время между появлением сигнала запроса прерывания и началом выполнения прерывающей программы (обработчика прерывания) в том случае, если данное прерывание разрешено к обслуживанию.
Время реакции зависит от момента, когда процессор определяет факт наличия запроса прерывания. Опрос запросов прерываний может проводиться либо по окончании выполнения очередного этапа команды (например, считывание команды, считывание первого операнда и т.д.), либо после завершения каждой команды программы. Первый подход обеспечивает более быструю реакцию, но при этом необходимо при переходе к обработчику прерывания сохранять большой объем информации о прерываемой программе, включающей состояние буферных регистров процессора, номера завершившегося этапа и т.д. При возврате из обработчика также необходимо выполнить большой объем работы по восстановлению состояния процессора. Во втором случае время реакции может быть достаточно большим, однако при переходе к обработчику прерывания требуется запоминание минимального контекста прерываемой программы (обычно это счетчик команд и регистр флагов). В настоящее время в компьютерах чаще используется распознавание запроса прерывания после завершения очередной команды.
Время реакции определяется для запроса с наивысшим приоритетом.
Глубина прерывания – максимальное число программ, которые могут прерывать друг друга. Глубина прерывания обычно совпадает с числом уровней приоритетов, распознаваемых системой прерываний. Работа системы прерываний при различной глубине прерываний (n) представлена на рис. 6. Предполагается, что с увеличением номера запроса прерывания увеличивается его приоритет.

Рис. 6. Работа системы прерываний при различной глубине прерываний
Без учета времени реакции, а также времени запоминания и времени восстановления:
t11+t12=t1,
t21+t22=t2.
Аппаратные прерывания используются для организации взаимодействия с внешними устройствами. Запросы аппаратных прерываний поступают на специальные входы микропроцессора. Они бывают:
· маскируемые, которые могут быть замаскированы программными средствами компьютера;
· немаскируемые, запрос от которых таким образом замаскирован быть не может.
Программные прерывания вызываются следующими ситуациями:
· особый случай, возникший при выполнении команды и препятствующий нормальному продолжению программы (переполнение, нарушение защиты памяти, отсутствие нужной страницы в оперативной памяти и т.п.);
· наличие в программе специальной команды прерывания INT n, используемой обычно программистом при обращениях к специальным функциям операционной системы для ввода-вывода информации;
· каждому запросу прерывания в компьютере присваивается свой номер (тип прерывания), используемый для определения адреса обработчика прерывания.
При поступлении запроса прерывания компьютер выполняет следующую последовательность действий:
1. определение наиболее приоритетного незамаскированного запроса на прерывание (если одновременно поступило несколько запросов);
2. определение типа выбранного запроса;
3. сохранение текущего состояния счетчика команд и регистра флагов;
4. определение адреса обработчика прерывания по типу прерывания и передача управления первой команде этого обработчика;
5. выполнение программы-обработчика прерывания;
6. восстановление сохраненных значений счетчика команд и регистра флагов прерванной программы;
7. продолжение выполнения прерванной программы.
Этапы 1-4 выполняются аппаратными средствами ЭВМ автоматически при появлении запроса прерывания. Этап 6 также выполняется аппаратно по команде возврата из обработчика прерывания.
Задача программиста – составить программу-обработчик прерывания, которая выполняла бы действия, связанные с появлением запроса данного типа, и поместить адрес начала этой программы в специальной таблице адресов прерываний. Программа-обработчик, как правило, должна начинаться с сохранения состояния тех регистров процессора, которые будут ею изменяться, и заканчиваться восстановлением состояния этих регистров. Программа-обработчик должна завершаться специальной командой, указывающей процессору на необходимость возврата в прерванную программу.
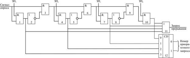
Распознавание наличия сигналов запроса прерывания и определение наиболее приоритетного из них может проводиться различными методами. Одним из методов является цепочечная однотактная система определения приоритета запроса прерывания
На рис. 7 приведена схема, обеспечивающая получение номера наиболее приоритетного запроса прерывания из присутствующих в компьютере на момент подачи сигнала опроса. Данная схема используется для анализа запросов аппаратных прерываний. Приоритет запросов прерываний (ЗПi) уменьшается с уменьшением номера запроса. В тот момент, когда компьютер должен определить наличие и приоритет внешнего аппаратного прерывания (обычно после окончания выполнения каждой команды), процессор выдает сигнал опроса. Если на входе ЗП3 присутствует сигнал высокого уровня (есть запрос), то на элементе 11 формируется общий сигнал наличия запроса прерывания и дальнейшее прохождение сигнала опроса блокируется. Если ЗП3=0, то анализируется сигнал ЗП2 и так далее. На шифраторе (элемент 12) формируется номер поступившего запроса прерывания. Этот номер передается в процессор лишь при наличии общего сигнала запроса прерывания.

Рис. 7. Схема определения номера наиболее приоритетного запроса прерывания
Такая структура позволяет быстро анализировать наличие сигнала запроса прерывания и определять наиболее приоритетный запрос из нескольких присутствующих в данный момент. Распределение приоритетов запросов прерываний внешних устройств осуществляется путем их физической коммутации по отношению к процессору. Указание приоритетов – жесткое и не может быть программно изменено. Изменение приоритетов возможно только путем физической перекоммутации устройств.
Обработка прерываний в персональной ЭВМ.
Микропроцессоры типа х86 имеют два входа запросов внешних аппаратных прерываний:
NMI – немаскируемое прерывание, используется обычно для запросов прерываний по нарушению питания;
INT – маскируемое прерывание, запрос от которого можно программным образом замаскировать путем сброса флага IF в регистре флагов.
Единственный вход запроса маскируемых прерываний микропроцессора не позволяет подключить к нему напрямую сигналы запросов от большого числа различных внешних устройств, которые входят в состав современного компьютера: таймера, клавиатуры, "мыши", принтера, сетевой карты и т.д. Для их подключения к одному входу INT микропроцессора используется контроллер приоритетных прерываний (рис. 8). Его функции:
· восприятие и фиксация запросов прерываний от внешних устройств;
· определение незамаскированных запросов среди поступивших запросов;
· проведение арбитража: выделение наиболее приоритетного запроса из незамаскированных запросов в соответствии с установленным механизмом назначения приоритетов;
· сравнение приоритета выделенного запроса с приоритетом запроса, который в данный момент может обрабатываться в микропроцессоре, формирование сигнала запроса на вход INT микропроцессора в случае, если приоритет нового запроса выше;
· передача в микропроцессор по шине данных типа прерывания, выбранного в процессе арбитража, для запуска соответствующей программы-обработчика прерывания; это действие выполняется по сигналу разрешения прерывания INTA от микропроцессора, который выдается в случае, если прерывания в регистре флагов микропроцессора не замаскированы (IF=1).

Рис. 8. Структура контроллера приоритетных прерываний
Переход к соответствующему обработчику прерывания осуществляется (в реальном режиме работы микропроцессора) посредством таблицы векторов прерываний. Эта таблица (рис. 9) располагается в самых младших адресах оперативной памяти, имеет объем 1 Кбайт и содержит значения сегментного регистра команд (CS) и указателя команд (IP) для 256 обработчиков прерываний.

Рис. 9. Структура таблицы векторов прерываний
Обращение к элементам таблицы осуществляется по 8-разрядному коду – типу прерывания.
| Тип прерывания | Источник прерывания |
| 0 | Деление на 0 |
| 1 | Пошаговый режим выполнения программы |
| 2 | Запрос по входу NMI |
| · · · | |
| 8 | Запрос по входу IRQ0 (системный таймер) |
| 9 | Запрос по входу IRQ1 (контроллер клавиатуры) |
| · · · | |
| 11 | Отсутствие сегмента в оперативной памяти |
| · · · | |
| Вместе с этой лекцией читают "Информация и её свойства". 255 | Пользовательское прерывание |
Различные источники задают тип прерывания по-разному:
· программные прерывания вводят его изнутри процессора или содержат его в номере команды INT n;
· аппаратные маскируемые прерывания вводят его от контроллера приоритетных прерываний по шине данных;
· немаскируемому аппаратному прерыванию назначен тип 2.

























