- Системы типовых гидросистем
Системы типовых гидросистем
Гидросистема состоит из источника энергии, каковым обычно является насос, исполнительного механизма (силового цилиндра или гидромотора), а также аппаратуры управления потоком жидкости и защиты системы от перегрузок. В частности, обязательным аппаратом для большинства гидросистем является распределитель жидкости, в функции которого входит обеспечение направления потока жидкости к рабочим полостям исполнительного механизма.
Системы любой сложности комплектуются их элементарных систем и их комбинаций. Ввиду практической неограниченности возможных комбинаций таких элементарных систем, из которых комплектуются более сложные гидросистемы разнообразных машин и установок, ограничимся лишь описанием наиболее типовых элементов схем и их комбинаций, которые применяются практически во всех машинах.
10.1. Гидросистемы с регулируемым насосом и дросселем
На рис.10.1 изображена типовая схема гидросистемы с регулируемым насосом 3, приводимым во вращение электродвигателем М, с трехпозиционным четырехходовым распределителем 2 с ручным управлением, с помощью которого осуществляется реверс поршня силового цилиндра 1. В среднем положении распределителя 2 все его каналы соединяются с баком 5, что соответствует холостому ходу (разгрузке) насоса и "плавающему" состоянию поршня цилиндра. Насос 3 снабжен фильтром 4, установленным на всасывающем трубопроводе, и предохранительным клапаном 6.
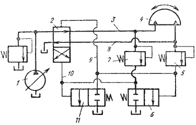
На рис.10.2 представлена схема гидросистемы с регулируемым дросселем, установленным в линии подачи (на входе). В схеме предусмотрено соединение полостей цилиндра, для обеспечения чего применен утапливаемый с помощью упоров 4 на штоке цилиндра четырехходовой переключатель 5.
Система включает нерегулируемый насос 9 с предохранительным клапаном 7, трехпозиционный четырехходовой распределитель 6 с ручным управлением, регулируемый дроссель 2 и двухпозиционный переключатель 5 с приводом от упора 4 движущегося штока силового цилиндра 3 и с установкой в исходное (верхнее) положение под действием пружины.
В среднем положении распределителя 6, представленного на рис.10.2 все его каналы соединены между собой и с баком, что соответствует разгрузке насоса и "плаванию" поршня цилиндра.
|
| |
Рекомендуемые материалыГидравлический расчет гидросистемы наполнения водой из скважины технологических емкостей (13 вариант) Гидравлический расчет гидросистемы стенда для испытания центробежных насосов + задачи Курсовая. Система разгрузки бензина из железнодорожной цистерны FREE И.И. Куколевский, Л.Г. Подвидз - Сборник задач по машиностроительной гидравлике Система водоснабжения населенного пункта Стенд для испытания центробежных насосов (2020 зачтён ) с ГРАФИКАМИ Рис.10.1. Схема типовой | Рис.10.2. Гидросистема с дроссельным |
Положение распределителя в левой его позиции (жидкость поступает в перерывающиеся каналы правого поля распределителя) соответствует движению поршня силового цилиндра 3 вправо (жидкость от насоса поступает в левую полость), причем в этом положении распределителя 6 и утопленного переключателя 5 жидкость как от насоса, так и из нерабочей (правой) полости цилиндра 3 поступает в левую его полость (в этом случае рабочей площадью цилиндра является площадь сечения штока), что способствует ускоренному перемещению поршня вправо. После того, как нажатие упора 4 на переключатель 5 прекратится, он под действием пружины переместится вверх и отсечет левую полость цилиндра 3 от правой, соединив последнюю через распределитель с баком 8. В результате в левую полость цилиндра будет поступать лишь жидкость, проходящая через регулируемый дроссель 2, что соответствует регулируемому рабочему ходу поршня цилиндра 3.
При установке распределителя 6 в правое положение жидкость от насоса 9 поступает при неутопленном переключателе 5 в правую полость цилиндра 3, осуществляя обратный ход поршня. При этом жидкость, вытесняемая из левой полости цилиндра 3, поступает через дроссель 2 и обратный клапан 1 в бак.
При нажатии в этом случае на переключатель 5 канал насоса перекроется.

Рис.10.3. Гидросистема с цилиндром одностороннего действия
На рис.10.3, а представлена схема гидросистемы с силовым цилиндром 1 одностороннего действия и регулируемым насосом 4. Гидросистема упра-вляяется трехходовым двух-позиционным распределителем 2 с ручным приводом. Для предохранения от перегрузок система снабжена предохранительным клапаном 3.
В положении распределителя 2, представленном на рис.10.3, а, жидкость от насоса поступает в силовой цилиндр 1. Линия бака при этом перекрыта. При перемещении распределителя в противоположное положение выходной канал насоса 4 перекрывается, а цилиндр 1 соединяется с баком, в результате поршень цилиндра под действием веса приводимого узла опускается вниз. Скорость опускания регулируется с помощью дросселирования отводимой жидкости распределителем 2.
При применении в последней схеме трехходового трехпозиционного распределителя (рис.10.3, б) можно обеспечить в среднем его положении запирание жидкости в силовом цилиндре 1 (для удержания, например, груза в поднятом положении) при одновременном соединении насоса 4 с баком.
10.2. Гидросистемы с двухступенчатым усилением
В автоматических системах распространены двухступенчатые распределители, в которых задающее устройство воздействует на распределитель не напрямую, а через промежуточный вспомогательный распределитель (пилот), благодаря чему можно существенно снизить мощность сигнала.
|
| |
| Рис.10.4. Гидросистема с двухступенчатым (пилотным) распределением | Рис.10.5. Гидросистема с двухступенчатым (пилотным) распределением и ручной разгрузкой |
Схема гидросистемы с силовым цилиндром 1, снабженная подобным двухступенчатым распределителем, состоящим из основного 2 и вспомогательного 3 четырехходовых золотников, представлена на рис.10.4. Система снабжена регулируемым насосом 6, а также предохранительным 5 и обратным 4 клапанами. Основной трехпозиционный четырехходовой распределитель 2 с отрицательным перекрытием каналов (см. также рис.5.7) в среднем положении управляется давлением рабочей жидкости с помощью вспомогательного трехпозиционного четырехходового распределителя 3 с ручным или иным управлением. В среднем положении этого вспомогательного распределителя, представленном на рис.10.4, рабочие полости цилиндров сервопривода основного распределителя 2 соединены между собой с баком 7. В результате этот распределитель устанавливается под действием пружин в среднее положение, при котором все его каналы соединяются с баком, что соответствует разгрузке (переводу в режим холостого хода) насоса.
Схема аналогичной системы представлена на рис.10.5. Система снабжена нерегулируемым насосом 6 с ручной разгрузкой (переводом насоса на холостой ход), осуществляемой с помощью двухступенчатого двухходового распределителя (переключателя) 7. Реверсирование движения поршня силового цилиндра 1 осуществляется с помощью упоров, установленных на его штоке, воздействующих на четырехходовой двухпозиционный распределитель 5, обеспечивающий переключение (реверсирование) основного четырехходового двухпозиционного распределителя 3 скорость переключения распределителя 3 ограничена дросселями 2 и 4.
10.3. Гидросистемы непрерывного (колебательного) движения
В ряде случаев (в металлорежущих станках и пр.) требуется обеспечить непрерывные колебательные прямолинейные или поворотные движения исполнительного гидродвигателя.
Схема такой гидросистемы с гидродвигателем поворотного действия (моментным гидроцилиндром) 4 приведена на рис.10.6. Управление системой осуществляется автоматически действующим двухпозиционным распределителем 2 и разгрузочными клапанами последовательного включения 6 и 11 с управлением с помощью давления жидкости, перепускаемой предохранительными клапанами 5 и 7 в конце каждого хода поворотного поршня цилиндра.

Рис.10.6. Гидросистема, обеспечивающая поворотно-колебательные движения
В положении аппаратов системы, представленном на рис.10.6, жидкость от регулируемого насоса 1 поступает через двухпозиционный гидравлически управляемый распределитель 2 и напорную магистраль 3 в цилиндр 4 и удаляется из последнего в бак через магистраль 8. В конце каждого хода поршня поворотного цилиндра 4 клапан 7 в результате повышения давления перепускает жидкость в линию 10 управления распределителем 2 и клапаном 11, перемещая их рабочие элементы. При этом клапан 11 соединяет линию управления 9, связанную с верхней полостью распределителя 2, с баком, в результате чего распределитель 2 переключается, соединяя насос с магистралью 8, ведущей в противоположную полость цилиндра 4. При этом происходит реверс последнего, причем в конце хода цилиндра вступают в действие в той же последовательности предохранительный 5 и разгрузочный 6 клапаны, обеспечивающие повторение реверса поршня цилиндра.
Рассмотренная схема применима также и для поворотных колебательных движений цилиндра прямолинейного движения.
10.4. Электрогидравлические системы с регулируемым насосом
К гидросистемам с двухступенчатым электро-гидравлическим управлением относится система с регулируемым реверсивным насосом, реверс которого осуществляется сервоприводом, управляемым электрогидравлическим распределителем. Подобная схема гидросистемы с реверсивным регулируемым насосом 2 и гидравлически управлением производительностью по положению поршня 9 сервопривода представлена на рис.10.7.

Рис.10.7. Гидросистема с регулируемым реверсивным насосом
Система снабжена вспомогательным насосом 5, питающим систему регулирования (управления) подачи основного рабочего насоса, а также осуществляющим его подпитку. Сигнал на реверсирование подачи насоса 2 поступает от вспомогательного четырехходового трехпозиционного распределителя 3 с электромагнитным управлением, получающего электросигнал от концевых переключателей 10.
При реверсировании насоса 2 одновременно переключается двухпозиционный четырехходовой распределитель 4 с гидравлическим управлением на питание вспомогательным насосом 5 соответствующей всасывающей полости насоса 2.
Насос 2 снабжен предохранительными клапанами 7 и 8, отрегулированными на требуемые давления при прямом и обратном ходах поршня цилиндра 1, а насос 5 - предохранительным клапаном 6, отрегулированным на давление, необходимое для обеспечения требований системы управления и подпитки.
10.5. Гидросистемы с двумя спаренными насосами
В ряде машин, в частности в металлорежущих станках, распространены схемы с двумя спаренными насосами. Один из них (нерегулируемый) работает на низком давлении с большей подачей, и обеспечивает требующийся ускоренный холостой ход. А второй (регулируемый) работает на высоком давлении с небольшой подачей и служит для выполнения рабочего хода.
|
| |
| Рис.10.8. Схема системы с двумя спаренными насосами | Рис.10.9. Схемы гидросистем с двумя спаренными насосами и газовым гидроаккумулятором |
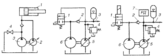
Упрощенная схема такой системы приведена на рис.10.8. Ускоренное перемещение поршня обеспечивается суммарной подачей двух насосов высокого 2 и низкого 3 давлений. По окончании ускоренного перемещения насос 3 вручную или автоматически по сигналу давления отключается при помощи открытия перекрывного крана 4, после чего питание цилиндра 1 обеспечивается одним насосом 2, который является регулируемым.
На рис.10.9, а показана принципиальная схема подобной гидросистемы питания потребителей двумя спаренными насосами 5 и 6 с автоматическим переключением. До тех пор, пока давление в линии 3 потребителей не достигнет заданного значения, на которое отрегулирована возвратная пружина двухходового распределителя (переключателя) 1, каналы последнего будут перекрыты, и в линию 3 поступает жидкость от обоих насосов. При заданном же давлении, определяемом характеристикой пружины переключателя 1, насос низкого давления 6 автоматически переключится на бак, насос же 5 с помощью обратного клапана 2 отсоединится от переключателя 1 и будет продолжать питание гидросистемы. Давление, развиваемое в этом случае насосом 5, ограничено предохранительным клапаном 4.
Принципиальная схема подобной же гидросистемы представлена на рис.10.9, б. Эта схема отключается от рассмотренной выше тем, что отключение насоса 6 низкого давления осуществляется электрогидравлическим реле давления 7, подающим при заданном давлении сигнал на электромагнитный переключатель 1.
10.6. Питание одним насосом двух и несколько гидродвигателей
Многие гидросистемы имеют несколько гидродвигателей, питаемые от одного насоса. При такой схеме возможны два варианта подключения гидродвигателей.
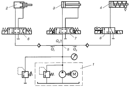
Гидросистема с параллельным включением гидропривода показана на рис.10.10. Гидросистема имеет одну общую насосную станцию 1 и три гидроцилиндра 2, 3 и 4. Каждый из гидроцилиндров имеет собственное независимое устройство управления - гидрораспределители 6, 7 и 8. В точке 5 гидролиния имеет разветвление, в котором общая подача насосной станции 1 делится на три части Q1, Q2 и Q3 . Каждый из гидроцилиндров может включаться в работу в любой момент времени, независимо от других потребителей, и совершать как холостой, так и рабочий ход.

Рис.10.10. Гидросистема параллельным включением гидропривода
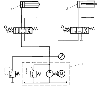
Гидросистема с последовательным включением гидропривода представлена на ри.10.11. Гидросистема имеет два гидроцилиндра 1 и 2, которые питаются от общей насосной станции 3. В отличие от гидросистемы с параллельным включением, гидроцилиндр 2 может осуществлять рабочий ход только при неработающем первом гидроцилиндре, поскольку при включении гидроцилиндра 1, напорная линия цилиндра 2 становится сливной, в которой давление падает. При этом цилиндр 2 может осуществлять только холостой ход.
Гидросистемы с параллельным включением гидропривода получили наибольшее распространение. Однако, показанная на рис.10.10 гидросхема имеет один существенный недостаток.

Информация в лекции "11 Аутсорсинг работ по созданию сайта" поможет Вам.
Рис.10.11. Гидросистема последовательным включением гидропривода

Рис.10.12. Гидросистема с двумя гидроцилиндрами, питаемыми
одним наосом через редукционные клапаны
Дело в том, что при включении всех трех гидроцилиндров скорость перемещения их выходных звеньев будет минимальна. Если отключить один из них, например первый (2), то скорость у второго и третьего возрастет, так как общая подача будет делиться только на Q2 и Q3. Чтобы этого избежать, в гидросистему необходимо включать редукционные клапаны.
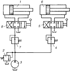
На рис.10.12 представлена схема гидросистемы с одним насосом 3 и двумя силовыми цилиндрами 1 и 6, один из которых (цилиндр 6) рассчитан на работу при внешней нагрузке (давлении), значительно меньшей нагрузки второго цилиндра 1.
Для снижения давления в системе питания цилиндра 6 до требуемой величины применен редукционный клапан 4, установленный на входе в распределитель 5. Для цилиндра 1 также предусмотрен редукционный клапан 7, отрегулированный на рабочее давление в этом цилиндре. Редукционный клапан 7 также устанавливается на входе в распределитель 8, управляющий цилиндром 1. Насос 3 снабжен переливным клапаном 2, который сбрасывает излишек рабочей жидкости в бак.
























