- Системы разгрузки насосов
Системы разгрузки насосов и регулирования гидродвигателей
9.1. Способы разгрузки насосов от давления
В гидроприводах, в которых гидродвигатели работают непродолжительно, необходимо устраивать системы разгрузки насоса от давления. Благодаря этому уменьшаются эксплуатационные расходы, увеличивается КПД системы и повышается долговечность насоса.
Разгрузка через распределитель осуществляется путем соединения напорной линии насоса непосредственно через распределитель с баком. На рис.9.1, а показан момент разгрузки насоса при помощи трехпозиционного реверсивного распределителя с электромагнитным управлением. Разгрузка осуществляется при среднем положении плунжера за счет каналов, сделанных в плунжере золотника.
Разгрузка насоса с удержанием в гидромагистрали установившегося давления необходима для гидросистем машин с прижимом или зажимом деталей при их обработке (в станкостроении) или в гидросистемах, где продолжительное время должно поддерживаться высокое давление при отсутствии расхода. В таких случаях применяют гидроаккумуляторы. Данная система разгрузки насоса была уже рассмотрена в п.7.4 на рис.7.22. Рассмотрим еще один вариант разгрузки. На рис.9.1, б представлена гидросхема, где разгрузка насоса с удержанием давления в гидромагистрали осуществляется следующим образом. После прижима штоком поршня груза 1 к упору начинается зарядка гидроаккумулятора 2. В это же время жидкость под высоким давлением по линии управления 3 подводится к напорному клапану.
Когда давление достигнет значения, на которое настроен клапан 4, он откроется и соединит напорную линию с гидробаком. Насос разгрузится от высокого давления, при этом обратный клапан 5 блокирует магистраль от слива, а нужное давление поддерживается гидроаккумулятором 2. Гидроаккумулятор при этом компенсирует утечки рабочей жидкости в гидроаппаратуре и перетечки в гидродвигателе.

Рис.9.1. Принципиальные схемы разгрузки насоса
Разгрузка насоса в положении "стоп" исполнительного механизма применяют в станках, работающих по циклам: рабочий ход - "стоп" - реверс - холостой ход. В этом случае к гидроцилиндру и гидромагистрали необходимо подключить обратные клапаны (рис.9.1, в, г). При достижении поршнем крайнего правого положения (рис.9.1, в) насос разгружается по линии 1-2-3-4-5-6-7, а при достижении крайнего левого положения (рис.9.1, г) - по линии 1-2-6-8-9-3-7.
Рекомендуемые материалы
9.2. Дроссельное регулирование
Очень часто во многих рабочих процессах необходимо изменять скорости движения выходных звеньев гидродвигателей. Изменение скорости может осуществляться разными способами. Одним из них является дроссельное управление.
Дроссельный способ регулирования скорости гидропривода с нерегулируемым насосом основан на том, что часть жидкости, подаваемой насосом, отводится в сливную гидролинию и не совершает полезной работы. Простейшим регулятором скорости является регулируемый дроссель, который устанавливается в системе либо последовательно с гидродвигателем, либо в гидролинии управления параллельно гидродвигателю.
При параллельном включении дросселя (рис.9.2, а) рабочая жидкость, подаваемая насосом, разделяется на два потока. один поток проходит через гидродвигатель, другой - через регулируемый дроссель.
Скорость поршня для этой схемы определится выражением

где S - эффективная площадь поршня; QН - подача насоса; Sдр - площадь проходного сечения дросселя; μ - коэффициент расхода; FН - нагрузка на шток поршня; ρ - плотность жидкости.
В такой системе при постоянной внешней нагрузке FН = const, скорость движения будет изменяться от υ min до υmax при изменении Sдр от Sдр max до Sдр = 0. Поскольку в рассматриваемом гидроприводе давление на выходе насоса зависит от нагрузки PH = FH /S и не является постоянной величиной, такую систему называют системой с переменным давлением. Клапан, установленный в системе, является предохранительным. Эта система позволяет регулировать скорость только в том случае, если направление действия нагрузки противоположно направлению движения выходного звена гидропривода (отрицательная нагрузка).

Рис.9.2. Схемы гидроприводов с дроссельным управлением скоростью:
а - с параллельным включением дросселя; б - с дросселем на входе
гидродвигателя; в - с дросселем на выходе гидродвигателя;
г - с четырехлинейным дросселирующим распределителем
Последовательное включение дросселя осуществляется на входе в гидродвигатель, на выходе гидродвигателя, на входе и выходе гидродвигателя. При этом во всех трех случаях система регулирования скорости строится на принципе поддержания постоянного значения давления PH на выходе нерегулируемого насоса за счет слива части рабочей жидкости через переливной клапан. Поэтому система дроссельного регулирования с последовательным включением дросселей получила название система с постоянным давлением.
Гидропривод с дросселем на входе (рис.9.2, б) допускает регулирование скорости только при отрицательной нагрузке. При положительной нагрузке, направленной по движению поршня, может произойти разрыв сплошности потока рабочей жидкости, особенно при зарытом дросселе, когда поршень продолжает движение под действием сил инерции.
Скорость движения поршня в таком гидроприводе определяется выражением

Гидропривод с дросселем на выходе (рис.9.2, в) допускает регулирование скорости гидродвигателя при знакопеременной нагрузке, так как при любом направлении действия силы FН изменению скорости препятствует сопротивление дросселя, через который рабочая жидкость поступает из полости гидродвигателя на слив. Для такой схемы включения дросселя скорость движения выходного звена определится

При установке дросселя на выходе в случаях больших положительных нагрузок давление перед дросселем может превысить допустимый уровень. Поэтому для предохранения системы параллельно дросселю включают предохранительный клапан.
Недостатком дроссельного регулирования является то, что при регулировании часть энергии тратится на преодоление сопротивления в дросселе и предохранительном клапане, вследствие чего повышается температура жидкости, а это отрицательно сказывается на работе гидросистемы. При дроссельном регулировании снижается КПД гидропривода, и отсутствует постоянство скорости движения выходного звена гидродвигателя при переменной нагрузке.
9.3. Объемное регулирование
Для изменения скорости рабочих органов применяют системы, у которых вся жидкость от насосов поступает к гидродвигателю, а регулирование его скорости достигается изменением рабочего объема насоса или гидродвигателя.
Ступенчатой регулирование, являясь разновидностью объемного, обычно осуществляется или путем подключения в систему различных по производительности насосов (различных по расходу гидродвигателей).
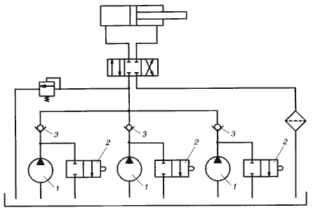
Изменение скорости перемещения поршня гидроцилиндра (рис.9.3) осуществляется в результате соединения одного или нескольких насосов 1 с линией слива (при помощи кранов 2). Обратные клапаны 3 в системе отключают разгруженный насос от линии высокого давления.

Рис.9.3. Объемное ступенчатое регулирование
Подключение в гидросистему трех насосов разной производительности Q1, Q2 и Q3 позволяет получать до семи значений скоростей движения выходного звена гидродвигателя.
Плавное изменение скорости движения выходного звена гидропривода реализуется за счет изменения рабочего объема либо насоса, либо двигателя, либо за счет изменения рабочего объема обеих машин.
Регулирование путем изменения рабочего объема насоса может быть использовано в гидроприводах поступательного, поворотного или вращательного движений.
На рис.9.4, а приведена принципиальная схема гидропривода поступательного движения с замкнутой циркуляцией, в котором регулирование скорости движения штока гидроцилиндра 1 осуществляется за счет изменения подачи насоса 4. Выражение для скорости движения штока при FH /S < Pк записывается в виде

где qН - максимальный рабочий объем насоса; nН - частота вращения насоса; S - эффективная площадь поршня гидроцилиндра; rс - коэффициент объемных потерь системы, определяемый изменением объемного КПД насоса и гидродвигателя в функции давления (нагрузки); FН - нагрузка на шток поршня; Pк - давление, на которое отрегулированы предохранительные клапаны; eН - параметр регулирования насоса, равный отношению текущего значения рабочего объема к максимальному рабочему объему.
Изменение направления движения выходного звена гидропривода осуществляется благодаря реверсированию потока рабочей жидкости, подаваемой насосом (реверс подачи насоса). При этом необходимо вначале уменьшить подачу насоса до нуля, а затем увеличить ее, но в противоположном направлении. Напорная и сливная гидролинии меняются местами. Для компенсации утечек в гидроприводе с замкнутой циркуляцией, а также для исключения возможности кавитации на входе в насос используется вспомогательный насос 3, осуществляющий подачу рабочей жидкости в систему гидропривода через обратные клапаны 5.
При таком способе регулирования скорости усилие, развиваемое выходным звеном гидропривода, не зависит от скорости движения. В этом случае диапазон регулирования определяется объемным КПД гидропривода, а также максимальной подачей насоса, определяемый его рабочим объемом.
На рис.9.4, б представлена зависимость скорости движения и мощности на выходном звене гидропривода от параметра регулирования при постоянной нагрузке. Такая система объемного регулирования скорости получила наибольшее распространение в гидроприводах дорожно-строительных и подъемно-транспортных машин.

Рис.9.4. Гидропривод с регулируемым насосом:
а - принципиальная схема; б - зависимость скорости и давления
от параметра регулирования; 1 - гидроцилиндр; 2 - предохранительный клапан;
3 - вспомогательный насос; 4 - регулируемый насос; 5 - обратный клапан
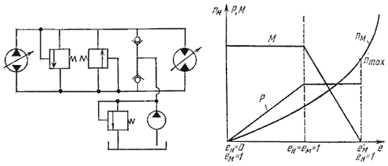
Регулирование путем изменения рабочего объема гидродвигателя применяется только в гидроприводах вращательного движения, где в качестве гидродвигателя используется регулируемый гидромотор (рис.9.5, а). В этом случае регулирование происходит при постоянной мощности, так как уменьшение рабочего объема гидродвигателя увеличивает скорость выходного звена гидропривода и соответственно уменьшает крутящий момент, развиваемый на выходном звене. Частота вращения вала гидромотора nМ при P1 < Pк определяется соотношением

где qМ max - максимальный рабочий объем гидромотора; eМ - параметр регулирования гидромотора; P1 - давление в напорной гидролинии; rс - коэффициент объемных потерь (утечек) в системе.
Из выражения (9.5) следует, что при eМ → 0 nМ возрастает до бесконечности. Практически существует минимальное значение e'M, при котором момент, развиваемый гидромотором, становится равным моменту внутреннего трения, и гидромотор тормозится даже при моменте нагрузки, равном нулю (P1 = 0).
На рис.9.5, б представлена зависимость частоты вращения и развиваемого момента на валу гидромотора от параметра регулирования при постоянном давлении P1.

Рис.9.5. Гидропривод с регулируемым гидромотором:
а - принципиальная схема; б - зависимость скорости и давления
от параметра регулирования
Регулирование путем изменения рабочих объемов насоса и гидродвигателя используют только в гидроприводах вращательного движения с регулируемым гидромотором. Скорость выходного звена рационально регулировать следующим образом:
1) запустить приводной двигатель при eН = 0;
2) для страгивания и разгона выходного звена привода изменить eН от 0 до 1 при eМ = 1;
3) дальнейшее увеличение скорости осуществлять путем изменения eМ от 1 до e'M при eН = 1.
Уменьшение скорости происходит в обратном порядке. Такой способ позволяет получить большой диапазон регулирования, он обладает всеми достоинствами и недостатками выше рассмотренных схем объемного управления.

Рис.9.6. Гидропривод с регулируемым насосом и гидромотором
На рис.9.6 представлены принципиальная схема (а) и характеристика (б) гидропривода с замкнутой циркуляцией и регулируемым насосом и гидромотором.
9.4. Комбинированное регулирование
Комбинированное регулирование или объемно-дроссельное регулирование скорости движения выходного звена гидродвигателя заключается в том, что в систему дроссельного регулирования с постоянным давлением устанавливается регулируемый насос и давление поддерживается постоянным не за сет слива части рабочей жидкости через переливной клапан, а за счет изменения подачи насоса. В такой системе регулирования отсутствуют потери в переливном клапане.
На рис.9.7 представлена схема гидропривода поступательного движения с объемно-дроссельным управлением скоростью. Постоянное давление PН поддерживается путем совместной работы регулятора 1 и аксиально-поршневого регулируемого насоса 2. Изменение давления PН приводит к изменению положения поршня регулятора 1 и связанного с ним наклонного диска насоса 2. Изменение положения диска приводит к изменению подачи насоса Q.

Рис.9.7. Гидропривод с объемно-дроссельным управлением
скоростью выходного звена гидродвигателя
Поэтому в такой системе подача насоса всегда равна расходу через гидродвигатель и дроссель при PН = const.
9.5. Сравнение способов регулирования
Сравнительную оценку различных систем регулирования скорости гидроприводов целесообразно проводить по двум показателям: нагрузочной характеристике привода υ = f(FH) и КПД системы регулирования. На рис.9.8, а приведены нагрузочные характеристики, построенные для гидроприводов с одинаковой максимальной нагрузкой (1 - система с переменным давлением, 2 - система постоянным давлением, 3 - объемное управление).

Рис.9.8. Характеристики гидроприводов с различными
способами управления скоростью
Люди также интересуются этой лекцией: Электронная почта (E-Mail).
Так как для управляемых гидроприводов наибольший интерес представляет не значение КПД на одном из режимов работы, а характер изменения КПД во всем диапазоне регулирования при различных нагрузках, то сравнение систем лучше всего проводить по характеристикам:

где
- отношение текущего значения скорости при данной нагрузке к максимальному значению скорости при той же нагрузке.
На рис.9.8, б приведены характеристики КПД систем регулирования (1 - параллельное включение дросселя; 2 - последовательное включение дросселя при оптимальной нагрузке; 3 - объемно-дроссельное управление при оптимальной нагрузке и объемное управление), а на рис.9.8, в - зависимости КПД системы регулирования от нагрузки при максимальной скорости движения выходного звена привода (1 - параллельное включение дросселя и объемное управление; 2 - объемно-дроссельное управление; 3 - последовательное включение дросселя).
Сравнение характеристик на рис.9.8 показывает, что гидропривод с объемным управлением имеет самую стабильную характеристику скорости во всем диапазоне изменения нагрузок и самый высокий КПД системы регулирования во всем диапазоне регулирования скорости.
Однако стоимость регулируемых гидромашин выше, чем нерегулируемых, и поэтому только в гидроприводах большой мощности (N > 10 кВт), где выигрыш в энергетике компенсирует увеличение стоимости, целесообразно использовать систему объемного управления. В приводах же небольшой мощности рационально использовать системы дроссельного регулирования, обеспечив при этом стабильность скорости при изменении нагрузки






















