Аттестационные задания - Цепи постоянного тока
Аттестационное задание
Модуль 1. «Цепи постоянного тока »
Билет № 1
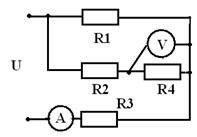
Задание 1
|
| Определить Uab |
Задание 2
|
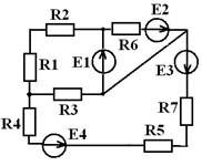
| Рекомендуемые материалы-25% Электромагнитная индукция + Электромагнитные волны -50% Электромагнитная индукция + Электромагнитные волны -50% Электромагнитная индукция + Электромагнитные волны -50% Динамика механических систем -25% Электромагнитная индукция + Электромагнитные волны -50% Электростатика + Магнитостатика · Определить количество узлов, ветвей, независимых контуров. · Записать уравнения по законам Кирхгофа. · Составить уравнения баланса мощностей. · Записать уравнения для расчёта потенциалов и токов методом узловых потенциалов. |
Задание 3
Запишите алгоритм метода эквивалентного генератора.
Задание 4
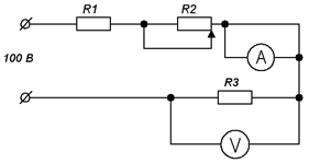
Как включают вольтметр для измерения участка цепи?
Задание 5
На основе какого закона составляется баланс мощностей?
Билет № 2
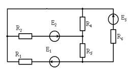
Задание 1
|
| Определить Uab |
Задание 2
|
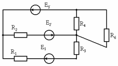
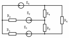
| · Определить количество узлов, ветвей, независимых контуров. · Записать уравнения по законам Кирхгофа. · Составить уравнения баланса мощностей. · Записать уравнения для расчёта потенциалов и токов методом узловых потенциалов. |
Задание 3
Запишите алгоритм метода двух узлов.
Задание 4
Как включают амперметр для измерения тока на участке цепи?
Задание 5
Какой закон лежит в основе расчёта мощности источника?
Билет № 3
Задание 1
|
| Определить Uab |
Задание 2
|
| · Определить количество узлов, ветвей, независимых контуров. · Записать уравнения по законам Кирхгофа. · Составить уравнения баланса мощностей. · Записать уравнения для расчёта потенциалов и токов методом узловых потенциалов. |
Задание 3
Запишите свойства последовательного соединения.
Задание 4
Чему равно внутреннее сопротивление идеального источника ЭДС?
Задание 5
Запишите условие согласованного режима?
Билет № 4
Задание 1
|
| Определить Uab |
Задание 2
|
| · Определить количество узлов, ветвей, независимых контуров. · Записать уравнения по законам Кирхгофа. · Составить уравнения баланса мощностей. · Записать уравнения для расчёта потенциалов и токов методом узловых потенциалов. |
Задание 3
Запишите свойства параллельного соединения.
Задание 4
Чему равно внутреннее сопротивление идеального вольтметра?
Задание 5
Чему равен кпд при согласованном режиме?
Билет № 5
Задание 1
|
| Определить Uab |
Задание 2
|
| · Определить количество узлов, ветвей, независимых контуров. · Записать уравнения по законам Кирхгофа. · Составить уравнения баланса мощностей. · Записать уравнения для расчёта потенциалов и токов методом узловых потенциалов. |
Задание 3
Перечислите основные режимы работы источника.
Задание 4
Чему равно внутреннее сопротивление идеального амперметра?
Задание 5
Нарисуйте ВАХ реального источника ЭДС?
Билет № 6
Задание 1
|
| Определить Uab |
Задание 2
|
| · Определить количество узлов, ветвей, независимых контуров. · Записать уравнения по законам Кирхгофа. · Составить уравнения баланса мощностей. · Записать уравнения для расчёта потенциалов и токов методом узловых потенциалов. |
Задание 3
Запишите обобщённый закон Ома для участка цепи и правило составления уравнения.
Задание 4
Чему равны мощность источника и приёмника при согласованном режиме?
Задание 5
Нарисуйте ВАХ идеального источника ЭДС?
Билет № 7
Задание 1
|
| Определить Uab |
Задание 2
|
| · Определить количество узлов, ветвей, независимых контуров. · Записать уравнения по законам Кирхгофа. · Составить уравнения баланса мощностей. · Записать уравнения для расчёта потенциалов и токов методом узловых потенциалов. |
Задание 3
Чему равна мощность источника питания в режиме холостого хода?
Задание 4
Что такое нелинейный элемент? Перечислите несколько элементов?
Задание 5
Запишите уравнение внешней характеристики источника ЭДС?
Билет № 8
Задание 1
|
| Определить Uab |
Задание 2
|
| · Определить количество узлов, ветвей, независимых контуров. · Записать уравнения по законам Кирхгофа. · Составить уравнения баланса мощностей. · Записать уравнения для расчёта потенциалов и токов методом узловых потенциалов. |
Задание 3
Чему равна мощность источника питания в режиме холостого хода?
Задание 4
Что такое нелинейный элемент? Перечислите несколько элементов?
Задание 5
Запишите уравнение внешней характеристики источника ЭДС?
Билет № 9
Задание 1
|
| Найти эквивалентное сопротивление цепи, показания приборов, мощность источника и приемника, R1 = 10 Ом, R2 = 15 Ом, R3=20 Ом |
Задание 2
|
| · Определить количество узлов, ветвей, независимых контуров. · Записать уравнения по законам Кирхгофа. · Составить уравнения баланса мощностей. |
· Записать уравнения для расчёта потенциалов и токов методом узловых потенциалов.
Задание 3
Чему равна мощность источника питания в режиме короткого замыкания?
Задание 4
Как определить дифференциальное сопротивление нелинейного элемента?
Задание 5
Как выглядит характеристика источника питания P(I)?
Билет № 10
Задание 1
|
| Найти эквивалентное сопротивление цепи, показания приборов, мощность источника и приемника, R1 = 10 Ом, R2 = 10 Ом, R3=10 Ом. |
Задание 2
|
| · Определить количество узлов, ветвей, независимых контуров. · Записать уравнения по законам Кирхгофа. · Составить уравнения баланса мощностей. |
· Записать уравнения для расчёта потенциалов и токов методом узловых потенциалов.
Задание 3
Нарисуйте схему замещения источника питания?
Задание 4
Как определить статическое сопротивление нелинейного элемента?
Задание 5
Запишите алгоритм метода эквивалентных преобразований?
Билет № 11
Задание 1
|
| Найти эквивалентное сопротивление цепи, показания приборов, мощность источника и приемника, если R1=10 Ом R2=5 Ом R3=5 Ом R4=10 Ом U=10 В. |
Задание 2
|
| · Определить количество узлов, ветвей, независимых контуров. · Записать уравнения по законам Кирхгофа. · Составить уравнения баланса мощностей. |
· Записать уравнения для расчёта потенциалов и токов методом узловых потенциалов.
Задание 3
Запишите алгоритм метода контурных токов?
Задание 4
Запишите правило составления уравнений баланса мощностей?
Задание 5
Как называется режим, при котором на нагрузке выделяется максимальная мощность?
Билет № 12
Задание 1
|
| Найти эквивалентное сопротивление цепи, показания приборов, мощность источника и приемника, R1 = 10 Ом, R2 = 5 Ом, R3=10 Ом, R4 = 5 Ом U=30В.
|
Задание 2
|
| · Определить количество узлов, ветвей, независимых контуров. · Записать уравнения по законам Кирхгофа. · Составить уравнения баланса мощностей. |
· Записать уравнения для расчёта потенциалов и токов методом узловых потенциалов.
Задание 3
Каким методом рассчитываются параметры цепей с нелинейными элементами?
Задание 4
Что такое электрическая цепь?
Задание 5
Как называется режим, при котором в нагрузке нет тока?
Билет № 13
Задание 1
Синтезировать электрическую цепь из резистивных элементов номиналом 8 Ом, чтобы получилось эквивалентное сопротивление, равное значению в 12 Ом.
Задание 2
|
| · Определить количество узлов, ветвей, независимых контуров. · Записать уравнения по законам Кирхгофа. · Составить уравнения баланса мощностей. |
· Определить показания амперметра
· Определить потенциал точки 4.
Задание 3
Что такое узел?
Задание 4
Какие приёмники электрической энергии Вы знаете?
Задание 5
Если цепь содержит восемь параллельно подключенных резисторов с одинаковыми сопротивлениями, то чему равно эквивалентное?
Билет № 14
Задание 1
|
| Построить потенциальную диаграмму.
|
Задание 2
|
| Ключ Р замкнут. · Определить количество узлов, ветвей, независимых контуров. · Записать уравнения по законам Кирхгофа. |
· Составить уравнения баланса мощностей.
· Записать выражения для определения показаний вольтметров.
Задание 3
Какой режим работы цепи считается аварийным и почему?
Задание 4
Сформулируйте второй закон Кирхгофа?
Задание 5
Что такое статическое сопротивление нелинейного элемента?
Билет № 15
Задание 1
|
| Дано: Е= 120 В, Rвн= 4 Ом. Определить: ток I, в случае согласованного режима? Определить мощность источника и приёмника.
|
Задание 2
|
| · Определить количество узлов, ветвей, независимых контуров. · Записать уравнения по законам Кирхгофа. · Составить уравнения баланса мощностей. |
· Записать уравнения для расчёта потенциалов и токов методом узловых потенциалов.
Информация в лекции "39. Метод электронного парамагнитного резонанса" поможет Вам.
Задание 3
Перечислите методы расчёта электрических цепей.
Задание 4
Что такое ваттметр?
Задание 5
В каких случаях используют метод эквивалентного генератора?


















































