ДЗ - Расчёт сложной цепи постоянного тока
Выполнение домашнего задания № 1 (первая часть)
Тема «Расчёт сложной цепи постоянного тока »
Методические указания
Цель работы: освоение методов анализа линейных электрических цепей постоянного тока.
- Задание:
1) Начертить схему согласно варианту.
2) Определить количество ветвей, узлов и контуров.
3) Составить уравнения по первому и второму законам Кирхгофа.
Рекомендуемые материалы
4) Определить токи всех ветвей методом узловых потенциалов и методом контурных токов.
5) Составить и рассчитать баланс мощностей.
6) Определить ток в ветви (номер ветви в таблице соответствует номеру резистора в схеме) методом эквивалентного генератора.
7) Определить показания приборов.
8) Построить потенциальную диаграмму.
9) Сделать выводы.
2. Указания по оформлению расчетно-графической работы
1) Начертить схему в соответствии с номером варианта (схема Приложение 1, таблица Приложение 2). Номер варианта соответствует номеру в учебном журнале.
2) Домашнее задание выполняется на листах формата А4 с одной стороны листа, желательно использовать компьютерные программы.
3) Выполнить чертеж схемы и её элементов в соответствии с ГОСТом.
4) Образец оформления титульного листа представлен в Приложении 3.
5) Каждый пункт задания должен иметь заголовок. Формулы, расчёты, диаграммы должны сопровождаться необходимыми пояснениями и выводами. Полученные значения сопротивлений, токов, напряжений и мощностей должны заканчиваться единицами измерения в соответствии с системой СИ.
6) Графики (диаграммы) должны выполняться на мм бумаге с обязательной градуировкой по осям и указанием масштабов по току и напряжению.
7) Если студент сделал ошибки при выполнении домашнего задания, то исправление проводится на отдельных листах с заголовком «Работа над ошибками».
8) Срок выполнения домашнего задания 5 неделя семестра.
3. Теоретическое введение
3.1 Топологические компоненты электрических схем
| а) ветвь - участок электрической цепи с одним и тем же током |
| ветвь активная |
|
| ветвь пассивная |
Количество ветвей - р
б) узел – q место соединения трех и более ветвей, узлы бывают потенциальные или геометрические рис. 1

Рис. 1
Четыре узла геометрических (abcd) и три потенциальных (abc) так как потенциалы узлов с и d равны: φс = φd
в) Контур - замкнутый путь, проходящий через несколько ветвей и узлов разветвленной электрической цепи – abcd , рис. 1. Независимый контур имеющий хотя бы одну новую ветвь.
3.2. Баланс мощностей
Составляем уравнения для определения мощности приемника:
ΣРпр = Σ I²·R
Составляем уравнения для определения мощности источника:
ΣPист =Σ E·I
Баланс сходится при условии равенства уравнений мощностей источника и приемника, т.е.: ΣРпр = ΣPист
Баланс считается сошедшимся, если погрешность не сходимости составляет не более 2%.
3.3. Эквивалентные преобразования пассивных участков электрической цепи
Соединения бывают: последовательное, параллельное и смешанное, звезда, треугольник, мостовое.
1. Последовательное соединение, когда ток в каждом элементе один и тот же.
|
R1 R2 R3
| Rэкв = R1+R2+R3 I = E/R экв U = U1+U2+U3 = =R1·I + R2·I + R3·I = R экв ·I |
Свойства последовательного соединения:
а) Ток цепи и напряжения зависит от сопротивления любого из элементов;
б) Напряжение на каждом из последовательно соединенных элементов меньше входного;
Ui < U
в) Последовательное соединение является делителем напряжения.
2. Параллельное соединение
Соединение, при котором все участки цепи присоединяются к одной паре узлов, находящихся под воздействием одного и того же напряжения.
|
| Iвх = I1+I2+I3 I1 = U/R1 = UG1 I2 = U/R2 = UG2 I3 =U/R3 = UG3 Iвх = U·ΣGi |
Свойства параллельного соединения:
1) Эквивалентное сопротивление всегда меньше наименьшего из сопротивлений ветвей;
2) Ток в каждой ветви всегда меньше тока источника. Параллельная цепь является делителем тока;
3) Каждая ветвь находится под одним и тем же напряжением источника.
3. Смешанное соединение
Это сочетание последовательных и параллельных соединений.
Метод эквивалентных преобразований
Решение любой задачи с одним источником питания с помощью законов Ома, Кирхгофа и умением сворачивания схемы.
|
|
|
3.4 Методы расчета электрических цепей с несколькими источниками питания
3.4.1 Метод с помощью законов Кирхгофа.
Самый точный метод, но с его помощью можно определять параметры схемы с небольшим количеством контуров (1-3).
Алгоритм:
1. Определить количество узлов q, ветвей p и независимых контуров;
2. Задаться направлениями токов и обходов контуров произвольно;
3. Установить число независимых уравнений по 1-ому закону Кирхгофа (q - 1) и составить их, где q-количество узлов;
4. Определить число уравнений по 2-ому закону Кирхгофа (p – q + 1) и составить их;
5. Решая совместно уравнения, определяем недостающие параметры цепи;
6. По полученным данным производится проверка расчетов, подставляя значения в уравнения по 1-ому и 2-ому законам Кирхгофа или составив и рассчитав баланс мощностей.
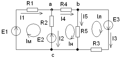
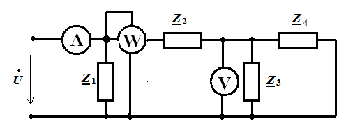
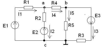
Пример:
|
Рис 1. | Согласно предложенному алгоритму, определим количество узлов и ветвей схемы рис. 1 q = 3, p = 5, следовательно, уравнений по 1-ому закону Кирхгофа равно 2, а уравнений по 2-ому закону Кирхгофа равно 3. |
Запишем эти уравнения согласно правилам:
для узла «а» I1 - I2 - I4 = 0
для узла «b» I4 - I5 - I3 = 0
для контура 1 R1·I1+R2·I2 = E1 - E2
для контура 2 R4·I4+R5·I5 - R2·I2 = E2
для контура 3 R3·I3 - R5·I5 =E3
Правило: если ЭДС и ток имеют одинаковое направление с направлением обхода контура, то они берутся с «+», если нет, то с «-».
Составим уравнения баланса мощностей:
Pпр= R1·I1² + R2·I2² + R3·I3² + R4·I4² + R5·I5²
Pист= E1·I1 + E3·I3 - E2·I2
3.4.2 Метод контурных токов
Используя этот метод, сокращается число уравнений, а именно исключаются уравнения по 1-ому закону Кирхгофа. Вводится понятие контурный ток (таких токов в природе не бывает – это виртуальное понятие), составляются уравнения по второму закону Кирхгофа.
Рассмотрим наш пример рис. 2

Рис.2
Контурные токи обозначены Iм, Iн, Iл, заданы их направления, как показано на рис. 2
Алгоритм решения:
1. Запишем действительные токи через контурные: по внешним ветвям I1 = Iм,
I3 = Iл, I4 = Iн и по смежным ветвям I2 = Iм - Iн, I5 = Iн - Iл
2. Составим уравнения по второму закону Кирхгофа, так, как контура три, следовательно будет и три уравнения:
для первого контура Iм·(R1 + R2) - Iн·R2 = E1 - E2, знак «–» перед Iн ставится потому, что этот ток направлен против Iм
для второго контура - Iм·R2 + (R2 + R4 + R5) ·Iн - Iл·R5 = E2
для третьего контура - Iн·R5 + (R3 + R5) ·Iл = E3
3. Решая полученную систему уравнений, находим контурные токи
4. Зная контурные токи, определяем действительные токи схемы (см. пункт 1.)
3.4.3 Метод узловых потенциалов
Предлагаемый метод самый эффективный из предложенных методов.
Ток в любой ветви схемы можно найти по обобщённому закону Ома. Для этого необходимо определить потенциалы узлов схемы.
Если схема содержит n-узлов, то уравнений будет (n-1):
- Заземлим любой узел схемы φ = 0;
- Необходимо определить (n-1) потенциалов;
- Составляются уравнения согласно первому закону Кирхгофа по типу:
φ1·G11 + φ2·G12 +…+ φ(n-1)·G1,(n-1) = I11
φ1·G21 + φ2·G22 +…+ φ(n-1)·G2,(n-1) = I22
…………………………………………………
…………………………………………………
φ1·G(n-1),1 + φ2 ·G(n-1),2 +…+ φ(n-1)·G(n-1),(n-1) = I (n-1), (n-1)
где I11… I (n-1), (n-1) узловые токи в ветвях с ЭДС подключенных к данному узлу, Gkk – собственная проводимость (сумма проводимостей ветвей в узле k), Gkm – взаимная проводимость (сумма проводимостей ветвей соединяющие узлы k и m), взятая со знаком «–».
- Токи в схеме определяются по обобщенному закону Ома.
Пример:
|
| Заземлим узел с, т.е. φс = 0 |
φа (
+
+
) - φb
= E1
+ E2
φb (
+
+
) - φa
= - E3
определив потенциалы φа и φb, найдем токи схемы. Составление формул для расчета токов осуществляется в соответствии с правилами знаков ЭДС и напряжений, при расчете по обобщенному закону Ома (см. лекция 1).


Правильность расчета токов проверяется с помощью законов Кирхгофа и баланса мощностей.
3.4.4 Метод двух узлов
Метод двух узлов это частный случай метода узловых потенциалов. Применяется в случае, когда схема содержит только два узла (параллельное соединение).
Алгоритм:
- Задаются положительные направления токов и напряжение между двумя узлами произвольно;
- Уравнение для определения межузлового напряжения
,
где G – проводимость ветви, J – источники тока;
- Правило: G·E и J берутся со знаком «+», если Е и J направлены к узлу с большим потенциалом;
- Токи схемы определяются по обобщенному закону Ома
Пример:


Составление формул для расчета токов осуществляется в соответствии с правилами знаков ЭДС и напряжений, при расчете по обобщенному закону Ома (см. лекция 1).

3.4.5 Метод активного двухполюсника
Данный метод применяется, когда необходимо рассчитать параметры одной ветви в сложной схеме. Метод основан на теореме об активном двухполюснике: «Любой активный двухполюсник может быть заменен эквивалентным двухполюсником с параметрами Еэкв и Rэкв или Jэкв и Gэкв , режим работы схемы при этом не изменится».
Алгоритм:
1. Разомкнуть ветвь, в которой необходимо определить параметры.
2. Определить напряжение на разомкнутых зажимах ветви, т.е. при режиме холостого хода Еэкв = Uхх любимым методом.
3. Заменить активный двухполюсник, т.е. схему без исследуемой ветви, пассивным (исключить все источники питания, оставив их внутренние сопротивления, не забывая, что у идеальной ЭДС Rвн = 0, а у идеального источника тока Rвн = ∞). Определить эквивалентное сопротивление полученной схемы Rэкв.
4. Найти ток в ветви по формуле I = Eэкв/(R+Rэкв) для пассивной ветви и
I = E ± Eэкв/(R+Rэкв) для активной ветви.
3.5 Построение потенциальной диаграммы
Распределение потенциалов в электрической цепи можно представить с помощью потенциальной диаграммы.
Потенциальная диаграмма представляет собой зависимость φ(R) в виде графика, на котором по вертикальной оси отложены значения потенциалов последовательного ряда точек выбранного контура, а по горизонтальной – сумма значений сопротивлений последовательно проходимых участков цепи этого контура. Построение потенциальной диаграммы начинается из произвольно выбранной точки контура, потенциал которой принят за нулевой φ1 = 0. Последовательно обходим выбранный контур. Если построение диаграммы начали в точке 1, то и закончиться она должна в этой же точке 1. Скачки потенциала на графике соответствуют включенным в цепь источникам напряжения.
1.1. Определение показаний приборов
Вольтметр измеряет напряжение (разность потенциалов) между двумя точками в электрической цепи. Для определения показания вольтметра необходимо составить уравнение по второму закону Кирхгофа по контуру, в который входит измеряемое напряжение.
Ваттметр показывает мощность участка электрической цепи, которая определяется по закону Джоуля – Ленца.
4. Пример:
Дано: R1 = R5 =10 Ом, R4 = R6 = 5 Ом, R3 = 25 Ом, R2 = 20 Ом, Е1 =100 В, Е2 =80 В, Е3 =50 В
Определить токи в ветвях разными методами, составить и рассчитать баланс мощностей.
Решение:
|
| Определяем количество узлов, ветвей и независимых контуров: q = 3, p = 5, контуров 3. Составляем уравнения по законам Кирхгофа: уравнений по 1-ому закону Кирхгофа равно 2, а уравнений по 2-ому закону Кирхгофа равно 3 для узлов а и b. Для контуров выбираем обходы по часовой стрелке:
|
1) Метод контурных токов
Так как три контура, то будет три контурных тока I11, I22, I33. Направления этих токов выбираем по часовой стрелке рис 3. Запишем настоящие токи через контурные:
I1 = I11 - I33, I2 = - I22, I3 = - I33, I4 = I11, I5 = I11- I22
Запишем уравнения по второму закону Кирхгофа для контурных уравнений в соответствии с правилами.
Правило: если ЭДС и ток имеют одинаковое направление с направлением обхода контура, то они берутся с «+», если нет, то с «–».
|
|
|
Решим систему уравнений математическим методом Гаусса или Крамера.
Решив систему, получаем значения контурных токов:
I11 = 2,48 А, I22 = - 1,84 А, I33 = - 0,72 А
Определим настоящие токи: I1 = 3,2 А, I2 = 1,84 А, I3 = 0,72 А, I4 = 2,48 А, I5 = 4,32 А
Проверим правильность расчёта токов, подставив их в уравнения по законам Кирхгофа.
Составим уравнения для расчёта баланса мощностей:

Из расчёта видно, что баланс мощностей сошёлся. Погрешность меньше 1%.
2) Метод узловых потенциалов
Решаем туже задачу методом узловых потенциалов
Составим уравнения:
Ток в любой ветви схемы можно найти по обобщённому закону Ома. Для этого необходимо определить потенциалы узлов схемы. Заземлим любой узел схемы φс = 0.
|
|
|
Решая систему уравнений, определяем потенциалы узлов φa и φb
φa= 68 B φb = 43,2 B
По обобщенному закону Ома определяем токи в ветвях. Правило: ЭДС и напряжение берутся со знаком «+», если их направления совпадают с направлением тока, и со знаком «–», если нет.





3)Построение потенциальной диаграммы внешнего контура
Определим значение потенциалов узлов и точек схемы.
Правило: обходим контур против часовой стрелки, если ЭДС совпадает с обходом тока, то ЭДС бреется с «+» (φе). Если ток по обходу, то падение напряжения на резисторе, т.е «-» (φb).
|
| φс = 0
|
Потенциальная диаграмма:

- Список рекомендуемой литературы
- Бессонов Л.А. Теоретические основы электротехники. В 2-х томах. М.: Высшая школа, 1978.
- Электротехника и электроника. Учебник для вузов. / Под редакцией В.Г.Герасимова. - М.: Энергоатомиздат, 1997.
- Сборник задач по электротехнике и основам электроники. / Под редакцией В.Г. Герасимова. Учебное пособие для вузов.- М.: Высшая школа, 1987.
- Борисов Ю.М., Липатов Д.Н., Зорин Ю.Н. Электротехника. Учебник для вузов – М.: Энергоатомиздат, 1985.
- Липатов Д.Н. Вопросы и задачи по электротехнике для программированного обучения. Учебное пособие для студентов вузов. – М.: Энергоатомиздат, 1984.
- Волынский Б.А., Зейн Е.Н., Шатерников В.Е. Электротехника, -М.: Энергоатомиздат, 1987.
- Контрольные вопросы
- Свойства последовательной цепи
- Свойства параллельной цепи
- Правила составления баланса мощностей
- Правила составления уравнений по первому закону Кирхгофа
- Как определяется мощность источника питания?
- Независимый контур. Напишите уравнение по 2-ому закону Кирхгофа любого контура Вашей схемы.
- Правила составления уравнений по 2-ому закону Кирхгофа
- Как определяется мощность приемника?
- Как определить количество уравнений по 1-ому закону Кирхгофа?
- Алгоритм метода эквивалентного генератора
- Как включается вольтметр в цепь?
- Как включается амперметр в цепь?
- Как определить количество уравнений по 2-ому закону Кирхгофа?
- С помощью какого закона определяем ток в ветви, в методе эквивалентного генератора?
- В чём смысл метода эквивалентных преобразований?
Приложение 1
Схема 1 и данные для группы СМ3 – 41
|
|
E1=50 В, E2 = 100 В, E3 = 80 В, R1= 40 Ом, R2 = 30 Ом, R3 = 20 Ом, R4 = 30 Ом, R5 = 20 Ом, R6 = 30 Ом, Е = 60 В |
Схема 1 и данные для группы СМ3 – 42
|
|
E1=100 В, E2 = Е4= 50 В, E3 = 80 В, R1= 80 Ом, R2 = 50 Ом, R3 = 40 Ом, R4 = 30 Ом, R5= R7= 20 Ом, R6 =30 Ом, Е =40 В |
Приложение 2.
Для группы СМ3 – 41
| Вариант | ветвь | Заменить |
| 1 | 1 | R3→E |
| 2 | 2 | R1→0 |
| 3 | 4 | R1→E |
| 4 | 3 | R1→(-E) |
| 5 | 2 | R2→0 |
| 6 | 6 | R2→E |
| 7 | 5 | R2→(-E) |
| 8 | 1 | R3→0 |
| 9 | 3 | R4→E |
| 10 | 2 | R4→(-E) |
| 11 | 6 | R6→E |
| 12 | 1 | R5→E |
| 13 | 5 | R6 и R5→(-E) |
| 14 | 4 | R6 и R5→0 |
| 15 | 3 | R5→0 |
| 16 | 1 | R5→(-E) |
| 17 | 2 | R6 и R5→(E) |
| 18 | 3 | R6→0 |
| 19 | 4 | R1→R2 |
| 20 | 3 | E2→R4 |
| 21 | 2 | R2→E |
| 22 | 1 | R4→E |
| 23 | 5 | R1→0 |
| 24 | 1 | E1→R4 |
| 25 | 3 | E2→R5 |
| 26 | 2 | E3→R1 |
| 27 | 5 | E2→R2 |
| 28 | 4 | R3→E |
| 29 | 3 | R1→R4 |
| 30 | 6 | E2→R6 |
Для группы СМ3 – 42
| Вариант | ветвь | Заменить |
| 1 | 1 | R3→E |
| 2 | 5 | E1→0 |
| 3 | 4 | R1→E |
| 4 | 3 | R1→(-E) |
| 5 | 2 | E2→0 |
| 6 | 6 | R4→E |
| 7 | 5 | R2→(-E) |
| 8 | 4 | E3→0 |
| 9 | 3 | R4→E |
| 10 | 2 | R7→(-E) |
| 11 | 1 | E4→0 |
| 12 | 3 | R5→E |
| 13 | 5 | R6 и R5→(-E) |
| 14 | 4 | R6 и R7→0 |
| 15 | 6 | R7→0 |
| 16 | 1 | R3 и E3→0 |
| 17 | 2 | R6 и R4→0 |
| 18 | 3 | R6 и R2→0 |
| 19 | 4 | R3 и R4→0 |
| 20 | 5 | E2→R4 |
| 21 | 6 | R2→E |
| 22 | 1 | R4 и R7→E |
| 23 | 2 | R1→0 |
| 24 | 5 | E1→R4 |
| 25 | 3 | E2→R5 |
| 26 | 2 | E3→R1 |
| 27 | 5 | E2→R2 |
| 28 | 4 | R3→E |
| 29 | 3 | R1→R4 |
| 30 | 2 | E2→R6 |
Выполнение домашнего задания № 1 вторая часть
по курсу «Электротехника и электроника»
тема «Расчёт линейных цепей синусоидального тока»
Методические указания
Цель работы: освоение анализа электрических цепей однофазного синусоидального тока с использованием символического метода.
- Задание
1) Изучить теоретическое введение и методические указания по выполнению домашнего задания.
2) Начертить схему с элементами согласно варианту.
3) Определить количество узлов, ветвей и независимых контуров.
4) Определить количество уравнений по первому и второму законов Кирхгофа.
5) Составить уравнения по первому и второму законов Кирхгофа.
6) Рассчитать эквивалентное сопротивление схемы и определить характер цепи.
7) Определить токи в ветвях методом эквивалентных преобразований.
Записать токи в алгебраической, показательной и во временной форме.
8) Составить и рассчитать баланс мощностей. Определить коэффициент мощности цепи.
9) Рассчитать напряжения на элементах и построить векторную диаграмму токов и напряжений всей цепи.
10) Определить показания приборов.
11) Начертить схему замещения исходя из характера цепи. Ввести в схему замещения дополнительный элемент, обеспечивающий в цепи резонанс напряжений. Рассчитать напряжения и ток, построить векторную диаграмму.
12) Ввести в схему замещения дополнительный элемент, обеспечивающий в цепи резонанс токов. Рассчитать напряжение и токи, построить векторную диаграмму.
13) Собрать исходную схему в среде MULTISIM. Поставить приборы и измерить токи, напряжение и мощность.
- Указания по оформлению расчетно-графической работы
9) Выписать параметры сопротивлений ветвей схемы в соответствии с номером варианта (таблица приложение1). Номер варианта соответствует номеру в учебном журнале.
10) Домашнее задание выполняется на листах формата А4 с одной стороны листа, желательно использовать компьютерные программы.
11) Выполнить чертеж схемы и её элементов в соответствии с ГОСТом. Схема представлена в приложении 2.
12) Образец оформления титульного листа представлен в приложении 2.
13) Каждый пункт задания должен иметь заголовок. Формулы, расчёты, диаграммы должны сопровождаться необходимыми пояснениями и выводами. Полученные значения сопротивлений, токов, напряжений и мощностей должны заканчиваться единицами измерения в соответствии с системой СИ.
14) Графики (векторные диаграммы) должны выполняться на миллиметровой бумаге с обязательной градуировкой по осям и указанием масштабов по току и напряжению.
15) При работе с программой MULTISIM необходимо в рабочем поле собрать схему, подключить в ветви амперметры. Перевести картинку с результатами в Word. Амперметры убрать из ветвей. Подключить вольтметр и ваттметр и измерить напряжение и мощность. Перевести картинку с результатами в Word. Результаты включить в отчет.
16) Если студент сделал ошибки при выполнении домашнего задания, то исправление проводится на отдельных листах с заголовком «Работа над ошибками».
17) Срок выполнения домашнего задания 10 неделя семестра.
- Теоретическое введение
3.1 Временная форма представления электрических величин, при синусоидальных воздействиях
Аналитическое выражение мгновенных значений тока, ЭДС и напряжения определяется тригонометрической функцией:
i(t) = Im sin(ωt + ψi)
u(t) = Um sin(ωt + ψu)
e(t) = Em sin(ωt + ψe),
где Im, Um, Em- амплитудные значения тока, напряжения и ЭДС.
(ωt + ψ) - аргумент синуса, который определяют фазовый угол синусоидальной функции в данный момент времени t.
ψ - начальная фаза синусоиды, при t = 0.
i(t), u(t) временные формы тока и напряжения.
По ГОСТу ƒ = 50 Гц, следовательно, ω = 2πƒ = 314 рад/сек.
Временную функцию можно представить в виде временной диаграммы, которая полностью описывает гармоническую функцию, т.е. дает представление о начальной фазе, амплитуде и периоде (частоте).
3.2 Основные параметры электрических величин
При рассмотрении нескольких функций электрических величин одной частоты интересуются фазовыми соотношениями, называемой углом сдвига фаз.
Угол сдвига фаз φ двух функций определяют как разность их начальных фаз. Если начальные фазы одинаковые, то φ = 0 , тогда функции совпадают по фазе, если φ = ± π, то функции противоположны по фазе.
Особый интерес представляет угол сдвига фаз между напряжением и током: φ = ψu - ψi
На практике используют не мгновенные значения электрических величин, а действующие значения. Действующим значением называют среднеквадратичное значение переменной электрической величины за период.
Для синусоидальных величин действующие значения меньше амплитудных в √2 раз, т.е.

Электроизмерительные приборы градуируются в действующих значениях.
3.3 Применение комплексных чисел
Расчет электрических цепей с использованием тригонометрических функций весьма сложен и громоздок, поэтому при расчете электрических цепей синусоидального тока используют математический аппарат комплексных чисел. Комплексные действующие значения записываются в виде:

Синусоидальные электрические величины, представленные в комплексной форме, можно изображать графически. На комплексной плоскости в системе координат с осями +1 и +j, которыми обозначены положительные действительная и мнимая полуоси, строятся комплексные векторы. Длина каждого вектора пропорциональна модулю действующих значений. Угловое положение вектора определяется аргументом комплексного числа. При этом отсчет положительного угла ведется против часовой стрелки от положительной действительной полуоси.
Пример: построение вектора напряжения на комплексной плоскости рисунок 1.
Напряжение в алгебраической форме записывается: 

Длина вектора напряжения:

Комплексное сопротивление выражается через комплексные действующие значения напряжения и тока в соответствии с законом Ома:

3.4 Законы Ома и Кирхгофа в комплексной форме
Закон Ома в комплексной форме:

Комплексное сопротивление выражается через комплексные действующие значения напряжения и тока в соответствии с законом Ома:

• Анализ цепей синусоидального тока происходит при условии, что все элементы цепи R, L, C идеальны (таблица 1).
• Электрическое состояние цепей синусоидального тока описывается теми же законами и рассчитываются теми же методами, что и в цепях постоянного тока.
Первый закон Кирхгофа в комплексном виде:

Второй закон Кирхгофа в комплексном виде:

Сводная таблица идеальных элементов и их свойств.
Таблица 1
| Элемент | Сопротивление | Угол сдвига фаз | Закон Ома | Мощность | Векторная диаграмма |
| R | Z = R | 0 |
| S = P |
|
| C | Z = - jXC
| -90o |
| S = - jQ | |
| L | Z = jXL
| 90o |
| S = jQ |
|
3.5 Баланс мощностей в цепях синусоидального тока


Для приемников вычисляем раздельно активную мощность

и реактивную мощность
.
При выполнении реальных расчетов мощности источников и приемников могут несколько отличаться. Эти погрешности обусловлены погрешностями метода, округления результатов расчётов.
Точность выполненного расчета схемы оценивают с помощью относительной погрешности при вычислении баланса активных мощностей
δР% =
и реактивных мощностей
δQ% =
При выполнении расчетов погрешности не должны превышать 2%.
3.6 Определение коэффициента мощности
Электрооборудование энергетически выгодно эксплуатировать, если он совершает максимальную работу. Работа в электрической цепи определяется активной мощностью Р.
Коэффициент мощности показывает, насколько эффективно используется генератор или электрооборудование.
λ = P/S = cosφ ≤ 1
Мощность максимальна в случае, когда Р = S, т.е. в случае резистивной цепи.
3.7 Резонансы в цепях синусоидального тока
3.7.1 Резонанс напряжений
Режим работы RLC цепи рисунок 2 или LC-цепи, при условии равенства реактивных сопротивлений XC = XL, когда общее напряжение цепи совпадает по фазе с её током
, называется резонансом напряжения.

XC = XL – условие резонанса
Признаки резонанса напряжения:
1. Напряжение на входе совпадает по фазе с током, т.е. сдвиг фаз между I и U φ = 0, cos φ = 1
2. Ток в цепи будет наибольшим и как следствие Pmax = I2maxR мощность тоже максимальна, а реактивная мощность равна нулю.
3. Резонансная частота 
4.
Резонанс можно достигнуть, изменяя L, C или ω.
Векторные диаграммы при резонансе напряжений
LC цепь RLC цепь

3.7.2. Резонанс токов
Режим, при котором в цепи, содержащей параллельные ветви с индуктивными и емкостными элементами, ток неразветвленного участка цепи совпадает по фазе с напряжением (φ=0), называют резонансом токов.
Условие резонанса токов: разность реактивных проводимостей параллельных ветвей равна 0 
![]() |
В1 – реактивная проводимость первой ветви,
В2 – реактивная проводимость второй ветви
Признаки резонанса токов:
- Реактивные составляющие токов ветвей равны IPC = IPL и находятся в противофазе в случае, когда напряжение на входе чисто активное;
- Токи ветвей превышают общий ток цепи, который имеет минимальное значение;
и
совпадают по фазе
RLC – цепь Векторная диаграмма
|
|
|
|
LC – цепь Векторная диаграмма

- Методические указания
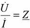
4.1 Начертить схему с элементами согласно варианту.
Схема рисунок 1 преобразуем согласно варианту ( Z1 – RC, Z2 – R, Z3 – RL).

Рисунок 1 Исходная схема
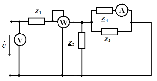
4.2 Рассмотрим схему рисунок 2, и запишем уравнения по законам Кирхгофа.
Схема содержит два узла, два независимых контура и три ветви.

Рисунок 2 Схема с элементами
Запишем первый закон Кирхгофа для узла а:

Запишем второй закон Кирхгофа для первого контура:

Запишем второй закон Кирхгофа для второго контура:

4.3 Определим эквивалентное сопротивление цепи.
Свернём схему рис 2.

По эквивалентному сопротивлению определяется характер цепи и чертится схема замещения.

Рисунок 3 свернутая схема
4.4 Определяем токи в ветвях схемы рисунок 2, методом эквивалентных преобразований: зная эквивалентное сопротивление, определяем ток первой ветви
.
Рассчитываем ток в комплексной форме по закону Ома в соответствии со схемой рисунок 3: 
Чтобы определить токи в остальных ветвях, нужно найти напряжение между узлами «ab» рисунок 2: 
Определяем токи:

4.5 Запишем уравнения баланса мощностей:



где I1, I2, I3 – действующие значения токов.
Определение коэффициента мощности
Расчёт коэффициента мощности проводят, определив активную и полную мощности: P/S = cosφ . Используем рассчитанные мощности, которые найдены при расчёте баланса.
модуль полной мощности .
4.6 Рассчитаем напряжения на элементах, используя схему рисунок 2:


4.7 Построение векторной диаграммы
Построение векторной диаграммы ведется после полного расчета всей цепи, определения всех токов и напряжений. Построение начинаем с задания осей комплексной плоскости [+1; +j]. Выбираются удобные для построения масштабы для токов и напряжений. Сначала строим на комплексной плоскости вектора токов (рисунок 4), в соответствии с первым законом Кирхгофа для схемы 2. Сложения векторов осуществляется по правилу параллелограмма.

Рисунок 4 векторная диаграмма токов
Затем строим на комплексной плоскости вектора рассчитанных напряжений проверка по таблице 1 рисунок 5.

Рисунок 5 Векторная диаграмма напряжений и токов
4.8 Определение показаний приборов
Амперметр измеряет ток, проходящий через его обмотку. Он показывает действующее значение тока в ветви, в которую он включен. В схеме (рис.1) амперметр показывает действующее значение (модуль) тока
. Вольтметр показывает действующее значение напряжения между двумя точками электрической цепи, к которым он подключен. В рассматриваемом примере (рис.1) вольтметр подключен к точкам а и b.
Вычисляем напряжение
в комплексной форме: 
Ваттметр измеряет активную мощность, которая расходуется на участке цепи, заключенном между точками, к которым подключена обмотка напряжения ваттметра, в нашем примере (рис.1) между точками а и b.
Активную мощность, измеряемую ваттметром, можно вычислить по формуле
,
где
- угол между векторами
и
.
В этом выражении
действующее значение напряжения, на которое подключена обмотка напряжения ваттметра, и
действующее значение тока, проходящего через токовую обмотку ваттметра.
Или рассчитываем полную комплексную мощность 

ваттметр покажет активную мощность Р.
4.9 Расчёт резонансных цепей
4.9.1 Добавить в схему замещения элемент для получения резонанса напряжений. Например, схема замещения представляет RL цепь. Тогда необходимо добавить последовательно включённый конденсатор С – элемент. Получается последовательная RLC цепь.

Рассчитать ток и все напряжения цепи в комплексной форме, при выполнении условия резонанса, построить векторную диаграмму, см.теоретическое введение пункт 3.7.1
4.9.2 Добавить в схему замещения элемент для получения резонанса токов. Например, схема замещения представляет RL цепь. Тогда необходимо добавить параллельно включённый конденсатор С – элемент.

Рассчитать проводимости ветвей, токи и напряжения, при выполнении условия резонанса. Построить векторную диаграмму, см.теоретическое введение пункт 3.7.2
5. Собрать схему в среде MULTISIM. Поставить приборы и измерить токи, напряжение и мощность.
Сборка схемы в среде Multisim 10.1. На рисунке 6 рабочее окно в среде Multisim. Панель приборов располагается справа.

Рисунок 6 рабочее окно в среде Multisim
Разместить на рабочем поле необходимые для схемы элементы. Для этого на верхней панели инструментов слева нажмём кнопку «Place Basic » (см. Рисунок 7 ). Выбор резистор: появится окно «Select a Component », где из списка «Family » выбрать «Resistor ». Под строкой «Component » появятся номинальные значения сопротивлений, выбираем нужное нажатием левой кнопки мыши или же непосредственным введением в графу «Component » необходимого значения. В Multisim используются стандартные приставки системы СИ (см. Таблицу 1)
Таблица 1
| Обозначение Multisim (международное) | Русское обозначение | Русская приставка | Порядок |
| m | м | мили | 10−3 |
| µ (u) | мк | микро | 10−6 |
| n | н | нано | 10−9 |
| p | п | пико | 10−12 |
| f | ф | фемто | 10−15 |

Рисунок 7
В поле «Symbol » выбираем элемент. После выбора, нажимаем кнопку «OK » и размещаем элемент на поле схемы нажатием левой кнопки мыши. Далее можно продолжать размещение необходимых элементов или нажать кнопку «Close », чтобы закрыть окно «Select a Component ». Все элементы можно поворачивать для более удобного и наглядного расположения на рабочем поле. Для этого необходимо навести курсор на элемент и нажать левую кнопку мыши. Появится меню, в котором надо выбрать опцию «90 Clockwise » для поворота на 90° по часовой стрелке или «90 CounterCW » для поворота на 90° против часовой стрелки. Размещённые на поле элементы необходимо соединить проводами. Для этого наводим курсор на клемму одного из элементов, нажимаем левую кнопку мыши. Появляется провод, обозначенный пунктиром, подводим его к клемме второго элемента и снова нажимаем левую кнопку мыши. Проводу так же можно придавать промежуточные изгибы, обозначая их кликом мыши (см. Рисунок 8). Схему необходимо заземлить.
Подключаем к цепи приборы. Для того, чтобы подсоединить вольтметр, на панели инструментов выбираем «Place Indicator », в списке Family » открывшегося окна выбираем тип элемента «Voltmetr_V », приборы перевести в режим измерения переменного тока (АС).
Измерение токов
Соединив все размещённые элементы, получаем разработанную схему рисунок .

На панели инструментов выбираем «Place Source ». В списке «Family » открывшегося окна выбираем тип элемента «Power Souces », в списке «Component » - элемент «DGND ».
Измерение напряжения

Измерение мощности


6. Контрольные вопросы
1. Сформулируйте законы Кирхгофа и объясните правила составления системы уравнений по законам Кирхгофа.
2. Метод эквивалентных преобразований. Объясните последовательность расчета.
3. Уравнение баланса мощностей для цепи синусоидального тока. Объясните правила составления уравнения баланса мощностей.
4. Объясните порядок расчета и построения векторной диаграммы для Вашей схемы.
5. Резонанс напряжений: определение, условие, признаки, векторная диаграмма.
6. Резонанс токов: определение, условие, признаки, векторная диаграмма.
7. Объясните, как рассчитать показания приборов (амперметра, вольтметра, ваттметра).
8. Сформулируйте понятия мгновенного, амплитудного, среднего и действующего значений синусоидального тока.
9. Напишите выражение для мгновенного значения тока в цепи, состоящей из соединенных последовательно элементов R и L, если к зажимам цепи приложено напряжение
.
10. От каких величин зависит значение угла сдвига фаз между напряжением и током на входе цепи с последовательным соединением R , L , C ?
11. Как определить по экспериментальным данным при последовательном соединении сопротивлений R , XL и XC значения величин Z , R , X , ZК , RК , L , XC , C ,cosφ , cosφК?
12. В последовательной RLC цепи установлен режим резонанса напряжений. Сохранится ли резонанс, если:
а) параллельно конденсатору подключить активное сопротивление;
б) параллельно катушке индуктивности подключить активное сопротивление;
в) последовательно включить активное сопротивление?
13. Как должен изменяться ток I в неразветвленной части цепи при параллельном соединении потребителя и батареи конденсаторов в случае увеличения емкости от С = 0 до С = ∞ , если потребитель представляет собой:
а) активную,
б) емкостную,
в) активно-индуктивную,
г) активно-емкостную нагрузку?
6. Литература
1. Бессонов Л.А. Теоретические основы электротехники- М.: Высшая школа, 2012г.
2. Беневоленский С.Б., Марченко А.Л. Основы электротехники. Учебник для ВУЗов – М.,Физматлит, 2007г.
3. Касаткин А.С., Немцов М.В. Электротехника. Учебник для вузов- М.: В. ш, 2000г.
4. Электротехника и электроника. Учебник для вузов, книга 1. / Под редакцией
В.Г.Герасимова. - М.: Энергоатомиздат, 1996г.
4. Волынский Б.А., Зейн Е.Н., Шатерников В.Е. Электротехника, -М.:
Энергоатомиздат, 1987г.
Приложение 1

Схема группа 1

Схема группа 2
Приложение 2
| Вариант | Z1 | Z2 | Z3 | Z4 | U |
| 1 | 2+j2 | 5 | 5+j3 | 8-j2 | 40 |
| 2 | 2-j2 | -j5 | 8-j2 | 4-j4 | 50 |
| 3 | 3 | j5 | 4-j4 | 6+j3 | 80 |
| 4 | -j5 | 2+j2 | 6+j3 | 2-j5 | 60 |
| 5 | j4 | 2-j2 | 6 | 3 | 20 |
| 6 | 5-j2 | 4 | 5+j3 | j4 | 80 |
| 7 | 2-j5 | -j6 | 8-j2 | 5+j3 | 40 |
| 8 | 5+j3 | 3-j4 | 4-j4 | 8-j2 | 100 |
| 9 | 4+j6 | 4-j3 | 3 | 2-j5 | 20 |
| 10 | 6-j3 | 5+j5 | 7 | j4 | 70 |
| 11 | 3-j6 | 8-j2 | 2-j5 | -j5 | 50 |
| 12 | 5 | 2+j4 | 8-j2 | 6+j3 | 90 |
| 13 | 8+j4 | 5 | 6+j3 | 8 | 40 |
| 14 | 6 | 5+j3 | j4 | 2 | 60 |
| 15 | -j3 | j4 | 6 | -j5 | 40 |
| 16 | j8 | -j5 | 5+j3 | 2-j5 | 20 |
| 17 | 5 | 5+j3 | -j5 | 4 | 60 |
| 18 | 6+j3 | 8-j2 | 2-j5 | 5+j3 | 80 |
| 19 | 4-j4 | j4 | 8 | 8-j2 | 60 |
| 20 | 4+j4 | 5+j3 | 4-j4 | 6+j3 | 50 |
| 21 | 2 | j6 | 2 | 5 | 120 |
| 22 | -j5 | 5 | 5-j5 | 8 | 110 |
| 23 | 2+j4 | -j4 | 7 | j5 | 70 |
| 24 | 3-j4 | 3-j4 | 2 | 9 | 150 |
| Вам также может быть полезна лекция "8 Рождение индустриальной цивилизации и ее влияние на Беларусь". 25 | j4 | 2+j6 | 7 | -j2 | 130 |







I
U

































и
совпадают по фазе




















