Зависимость между компонентами деформаций и перемещений
2.2 Зависимость между компонентами деформаций и перемещений
Если тело жестко закреплено, то перемещение его точек возможно только из-за деформаций. Пусть точка М переместится в М1 (см. рис. 2.2). Перемещения вдоль осей будут функциями переменных:



Для связи перемещений с деформациями выделим элементарный параллелепипед с ребрами dx, dy, dz (см. рис. 2.3). При деформации он переместится и сам деформируется, причем изменятся длины ребер
и первоначально прямые углы между гранями исказятся.

Рисунок 2.2
Рекомендуемые материалы

Рисунок 2.3
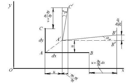
Для оценки деформации упругого тела в данной точке М следует определить удлинения (линейные деформации) ребер dx, dy, dz и изменение углов 1М2, 1М3, и 2М3 (угловые деформации). Возьмем одну проекцию параллелепипеда на плоскость XOZ (см. рис. 2.4). До деформации длины ребер были:
AC = dy
AB = dx
После деформации они перешли в положение
и
. Рассмотрим линию АВ. Перемещение точки В вдоль оси Х равно:

Поскольку точка В отличается от А только координатой Х, то приращение
мы заменили частным дифференциалом функции
по переменной Х. Аналогично: если перемещение точки
А вдоль оси OY будет
, то перемещение точки В вдоль той же оси выразим так:


Рисунок 2.4
Проекция абсолютного удлинения отрезка АВ на ось ОХ будет:
;
относительное удлинение этого ребра:

Рассуждая аналогично, получим:
и
.
Это формулы линейных деформаций.
Определим угол
поворота ребра АВ в плоскости XOY:

Поскольку
весьма мало по сравнению с 1, получим:
;
Аналогично получим угол поворота ребра АС = dy в плоскости XOY:

Определим угловую деформацию:

Запишем все уравнения вместе:
;
;
;
; (2.2)
; 
Это уравнение Коши.
Если Вам понравилась эта лекция, то понравится и эта - Веллнес-технологии как новое направление спортивно-оздоровительного сервиса.
Контрольные вопросы
1. Как обозначают перемещения вдоль осей x, y, z?
2. Как связаны линейные деформации и перемещения? Напишите формулы.
3. Напишите формулы взаимосвязи угловых деформаций и перемещений.






















