Граничные условия
Раздел 3. Граничные условия.
3.1 Неприменимость уравнений Максвелла в дифференциальной
форме на границе раздела диэлектрических сред.
Уравнения Максвелла в дифференциальной форме справедливы для описания сред электродинамические параметры, которых либо являются непрерывными функциями координат поля в линейных средах, электродинамические параметры (eа,mа,s) которых не зависят от координат, либо являются непрерывными функциями координат. На практике, чаще всего возникают задачи, в которых присутствуют электродинамические среды, отличающиеся электродинамическими параметрами. На границе раздела сред, где соответствующие параметры меняются скачком, операция дифференцирования, а стало быть, и уравнения Максвелла в дифференциальной форме, незаконна. В этом случае для описания электромагнитного поля при переходе границы раздела сред, используют уравнения Максвелла в интегральной форме.




Соотношения, которые описывают взаимосвязь векторов электромагнитного поля на границе раздела сред, называют граничными условиями.
Рекомендуемые материалы
3.2. Граничные условия для векторов электрического поля
Условия для нормальных составляющих векторов Е и D.
Поверхностные заряды.
|
|
На границе раздела двух сред, отличающихся объемом и диэлектрической проницаемостью, выделим элементарную площадку DS. Размеры ее настолько малы, что ее можно считать плоской. В пределах площадки нормальная составляющая вектора электрического смещения
на границе раздела в пределах
была распределена равномерно. На DS, как на основании, построим прямой цилиндр высотой Dh так, чтобы его основания (
и
) находились в различных средах. Единичный вектор
- нормаль к основанию
считается положительной, если она из второй среды в первую.
Применим к этому цилиндру 3-тье уравнение Максвелла в интегральной форме:
(1)
Полную поверхность представим в виде суммы:
(2)
Рассмотрим предел для левой части при
. Устремим
таким образом, чтобы DS1 и DS2 все время были в разных средах. Очевидно, что в пределе DS1 и DS2 совпадут с площадкой DS. Учитывая, что направление вектора
совпадает с направлением внешней нормали к поверхности цилиндра для слагаемых, в левой части получим следующее предельное соотношение:
(3)
(4)
(5)
Осуществляя предельный переход при
в соотношении (2) с учетом выражения (3), получим:
(6).
В данном соотношении следует рассмотреть 2 случая:
1. Пусть, на границе раздела S отсутствуют поверхностные заряды, тогда при любом конечном значении rэ (объемной плотности заряда) предел справа будет равен нулю и, получим:
(7)
Из (7) следует, что при отсутствии поверхностного заряда на границе раздела S нормальная составляющая вектора электрического смещения Dn непрерывна при прохождении границы раздела.
2. Будем полагать, что электрические заряды распределены по поверхности S с поверхностной плотностью
.

В этом случае предел в правой части (6) можно преобразовать следующим образом:
.
Равномерное распределение нормальной составляющей вектора D на границе раздела сред в пределах ∆S сопряжено с условием нормального распределения поверхностной плотности заряда в пределах ∆S.
(8).
Подставляя (8) в (6) получим, что при условии поверхностного распределения заряда граничное условие будет следующим:
(9)
.
Из (9) следует, что при наличии поверхностных зарядов на границе раздела нормальная компонента вектора D претерпевает разрыв величина которого определяется аовырхностной плотностью электрических зарядов.
Переходя в (7) к напряжениям электрического поля получим:
или
(10)
Переходя в (9) к напряжениям электрического поля получим:
(11) – справедливо при наличии поверхностных зарядов. Из (10) и (11) следует, что даже при отсутствии поверхностных зарядов нормальная компонента вектора Е претерпевает разрыв, величина которого определяется соотношением диэлектрических проницаемостей сред. Наличие поверхностных зарядов изменяют величину этого разрыва.
P.S. Поверхностная плотность электрического заряда это удобная идеализация, упрощающая решение задач. Фактически электрический заряд распределен в конечном приграничном слое. Мы прибегаем к понятию плоскости поверхностного заряда, когда нас не интересует значение D в случае заряженного слоя.
|
|
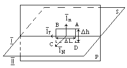
3.3.Условия для касательных составляющих вектора E и D
На границе раздела сред, отличающихся eа, выделим точку. Проведем через нее нормаль к поверхности S. Через эту нормаль проведем плоскость р.
На линии пересечения плоскостей выделим элементарный отрезок Dl, так, чтобы его можно было считать прямолинейным, и касательная, составляющая Е в I и II средах у границы раздела, была распределена равномерно. Отрезок Dl включает точку, в которой построили единичную нормаль. В этой точке проведем единичный вектор
касательный к Dl и единичный вектор
перпендикулярный к Dl. В плоскости р построим контур высотой Dh так, чтобы участки контура CD и АВ находились в разных средах. Положительное направление обхода контура ABCD связано с направлением единичной нормали
правилом правого винта. Применим к контуру ABCD 2-ое уравнение Максвелла:

(1)
Представим контур в виде суммы отрезков:
(2)
Три единичных вектора связаны векторным соотношением. В слагаемых AB и CD векторные элементы dl равны, поэтому их можно заменить:
АВ: 
CD: 
Найдем предел в соотношении (2) при Dh. Высоту уменьшим так, что бы АВ и CD были в разных средах. В пределе они совпадут с отрезком Dl.


так как вектор
в 1 и 2 средах, а также имеют конечное значение, то

С учетом отмеченных особенностей предельный переход при Dh®0 ,в соотношении (2), приводит к следующему соотношению:
(3)
На границе раздела сред тангенциальная составляющая напряженности электрического поля непрерывна:
(4)
|
|
Тангенциальная компонента вектора электрического смешения претерпевает разрыв, величина которого равна отношению диэлектрической проницаемости сред. Из полученных граничных условий следует, что на границе раздела сред, векторы электрического поля
преломляются.



3.4. Граничные условия для векторов магнитного поля.
Условия для нормальных составляющих векторов В и Н.
|
|
Имеется некая граница раздела сред. Выделяем на ней элементарную площадку DS. Размеры малы на столько, что в пределах этой площадки нормальная компонента
распределена равномерно. Строим на основании этой площадки цилиндр.
Применим к цилиндру закон Гаусса
(1)
(2)
Во всех этих интегралах направление
совпадает с внешней нормалью к цилиндру. Устремим высоту цилиндра Dh®0 так, чтобы DS1 и DS2 находились в разных средах. Тогда:

Так как
имеет конечные значения, то
. В итоге получим:
(3)
(4)
Из (3) и (4) следует, что нормальная компонента вектора магнитной индукции непрерывна при прохождении границы сред. Тангенциальная компонента вектора напряженности магнитного поля непрерывна только при отсутствии на границе сред поверхностного тока.
В другом случае компонента Н претерпевает разрыв, который определяется отношением магнитных проницаемостей сред.
3.5. Условия для касательных составляющих В и Н.
Поверхностный ток.
Условия для касательных составляющих магнитных векторов выводятся также как и для электрических. Через нормаль проводим плоскость р. На линии пересечения выделяем элемент длины Dl, малый настолько, чтобы в пределах этого участка касательные составляющие
в 1 и 2 средах были распределены равномерно. На этом отрезке строим контур так, чтобы участки контура были в разных средах. Положительное направление обхода контура связано с этими векторами правилом правого винта
. Применим к контуру первое уравнение Максвелла в интегральной форме:
(1). Левую часть представим в виде суммы интегралов по участкам контура:
(2)
на участках АВ и СD может быть представлен:

Устремим Dh®0 так, чтобы участки контура находились в разных средах. Тангенциальная составляющая
распределена равномерно.

Так как векторы
в 1 и 2 средах, а также вектор
имеют конечную величину, то

В результате предельного перехода, примененного к соотношению (2), получим
(3)

1. Пусть на границе раздела S отсутствуют поверхностные токи, тогда правая часть соотношения (3) обращается в нуль, получаем
(4)
При отсутствии поверхностных токов тангенциальная компонента
непрерывна при прохождении границы раздела сред.
2. Пусть на границе раздела сред S имеются поверхностные токи.
Ðàçäåë1. В этом случае правую часть соотношения (3) можно преобразовать

Плотность поверхностного тока распределена в пределах Dl равномерно (это условие является следствием исходного предположения о равномерном распределении тангенциальной составляющей
в пределах Dl)

С учетом приведенных соотношений, предельный переход, выполненный в соотношении (3) приведет к следующему соотношению:
(5)
При наличии поверхностных токов на границе раздела тангенциальная составляющая
претерпевает разрыв, величина которого определяется плотностью поверхностного тока. Используя взаимосвязь единичных векторов, соотношение (5) можно переписать в векторной форме:
(6)
Соотношения (4), (5), (6) можно переписать для магнитной индукции:
(7)
(8)
Из соотношений (7), (8) следует, что тангенциальные компоненты вектора магнитной индукции на границе раздела претерпевают разрыв. Наличие поверхностного тока только изменяет величину разрыва, увеличивая или уменьшая ее. Понятие поверхностного тока это удобная идеализация, упрощающая решение задач. Ток протекает в конечном, по величине, слое. Причем тангенциальная составляющая
непрерывна во всех точках внутри этого слоя, но по разные стороны этого слоя тангенциальная составляющая
имеет различные значения. Поэтому, когда мы переходим к поверхностным токам, мы вынуждены предположить скачкообразное изменение тангенциальной составляющей
.
3.6. Полная система граничных условий.
Граничные условия на поверхности идеального проводника

(1)
Отсутствующие граничные условия являются следствием приведенных, при использовании материальных уравнений

Частный случай, когда на границе раздела отсутствуют поверхностные заряды и поверхностные токи выглядит следующим образом:
(2)
Система (1) может быть записана в векторной форме:
(3)
Соотношения (1) и (3) применимы в самом общем случае. В ряде случаев эти условия могут быть упрощены. Обычно при решении электродинамических задач, в которых присутствуют металлические тела, обычно предполагают, что проводимость этих металлических тел равна бесконечности. Известно, что в идеально проводящих средах электромагнитное поле отсутствует. Упрощенно, это можно показать: закон Ома в дифференциальной форме
.
В идеально проводящих средах s =¥. Объемная плотность не может быть равна бесконечности, т.е. вынуждены предположить, что
. Пусть идеально проводящей является 2 среда, тогда соотношения (1) и (3) будут выглядеть:
Бесплатная лекция: "2 Общеинфекционный синдром" также доступна.
(4)
(5)
Для переменного электромагнитного поля
.
2 уравнение Максвелла:
, где
.
Это получится, если
.
Из соотношений (4) и (5) следует, что на поверхности идеального проводника тангенциальная составляющая
и нормальная
обращаются в нуль.



























