Измерение мощности и энергии в цепях переменного тока
7.4. Измерение мощности и энергии в цепях переменного тока
7.5.1. Измерение активной мощности в цепях однофазного тока.
Для измерения мощности Р служат ваттметры электродинамической системы; схема включения ваттметра изображена на рис. 7.7.
Неподвижная обмотка 1—1 прибора называется токовой и включается в цепь последовательно. Подвижная обмотка 2—2 называется обмоткой напряжения и включается в цепь параллельно.
Ток I2 в обмотке напряжения 2—2
пропорционален напряжению U контролируемой цепи и совпадает с ним по фазе, а ток I1 равен току I нагрузки.
Рис 7.7 Момент, действующий на подвижную обмотку, равен
Mвр = CUI cos φ = CP,
Рекомендуемые материалы
где С — коэффициент пропорциональности.
Поскольку противодействующий момент Мпр пропорционален углу поворота а стрелки, отклонение стрелки пропорционально измеряемой активной мощности Р.
Для правильного включения ваттметра один из выводов токовой обмотки и один из выводов обмотки напряжения отмечают звездочками (*). Эти выводы, называемые генераторными, необходимо включать со стороны источника питания.
Следует отметить, что электродинамическими ваттметрами можно измерять также мощность в цепях постоянного тока.
7.5.2. Измерение активной и реактивной мощностей в цепях трехфазного тока.
Для измерения мощности трехфазного приемника применяют различные схемы включения ваттметров.
При симметричной нагрузке активную мощность Р можно измерить одним ваттметром, включенным по схемам рис. 7.8,а,б. 


а) б) в)
Рис.7.8.
Общая мощность потребителя
P = 3W,
где W— показание ваттметра.
При несимметричной нагрузке мощность трехфазного приемника можно измерить тремя ваттметрами (рис. 7.8,в).
Общая мощность приемника в этом случае
P = W1 + W2 + W3 .
В трехпроводных системах трехфазного тока при симметричной и несимметричной нагрузках и любом способе соединения приемников широко распространена схема измерения мощности двумя ваттметрами (рис. 7.9 ).
На этой схеме токовые обмотки ваттметров включены в линейные провода А и В, а обмотки напряжения — на линейные напряжения UАС и UВС
При симметричной нагрузке реактивную мощность Q трехфазной системы можно измерить одним ваттметром (рис. 7.10 ).
В этой схеме токовая обмотка включена в линейный провод А, а параллельная обмотка напряжения — на линейное напряжение UВС.
Умножая показание ваттметра на
, получаем значение реактивной мощности Q трехфазной сети при симметричной нагрузке.
7.5.3. Измерение электрической энергии в цепях переменного тока.
Для измерения энергии в цепях переменного тока применяются однофазные и трехфазные счетчики индукционной системы. Схемы включения однофазных счетчиков для измерения активной энергии Wа в однофазной в трехфазной цепях аналогичны схемам включения ваттметров, представленных на рис. 7.7, 7.8.
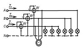
В трехфазных цепях активную энергию Wа, измеряют трех- или четырехэлементными трехфазными счетчиками. Трехэлементные счетчики конструктивно представляют собой три измерительные системы однофазных счетчиков, имеющих общую ось. Трехэлементные счетчики (рис. 7.11, а) используют в четырехпроводных цепях трехфазного тока.
Вместе с этой лекцией читают "Эмоции и чувства в юридической деятельности".
Для измерения активной энергии в трехпроводниковых цепях применяют двухэлементные счетчики (рис. 7.11 б), объединяющие измерительные
системы двух однофазных счетчиков.




Обмотки этих систем включают по рассмотренной ранее схеме двух ваттметров (см. рис. 7.9).
Реактивную энергию Wр при симметричной нагрузке фаз трехпроводной сети можно измерить при помощи двух однофазных счетчиков, обмотки которых включены по схеме рис. 7.9, Значение Wp находят как разность показаний счетчиков, увеличенную в
раз. Кроме того, применяют специальные трехфазные счетчики реактивной энергии, используемые как при симметричной, так и при несимметричной нагрузках фаз.






















