Источники в электрических цепях
1.3. Источники в электрических цепях.
Под источником в электротехнике понимают электротехническое 
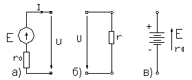
устройство, производящее электрическую энергию и питающее электрическую цепь. Источники являются причиной появления токов и напряжений в цепи. Электрическая энергия постоянного Рис 1.4
тока может быть получена путем преобразования различных видов энергии: химической (гальванические элементы и аккумуляторы), механической (генераторы постоянного тока), тепловой (термоэлектрогенераторы), лучистой, например, световой (солнечные батареи). Все источники электрической энергии характеризуются определенным значением либо электродвижущей силы Е (э.д.с.)-источники напряжения, либо тока I-источники тока. В источниках (активных элементах цепи) за счет энергии сторонних сил совершается перенос положительных зарядов от меньшего потенциала к большему. Работа сторонних сил, затрачиваемая на перенос единичного заряда от зажима с меньшим потенциалом к зажиму с большим потенциалом, называется электродвижущей силой - Э.Д.С. источника и обозначается, в цепях постоянного тока, буквой Е. Э.Д.С. источника численно равна напряжению между зажимами источника при отсутствии в нем тока.
1.3.1. Источник напряжения.
Идеальный источник напряжения - это активный элемент, напряжение на зажимах которого не зависит от тока, протекающего через источник. Внутреннее сопротивление r0 идеального источника напряжения равно нулю.
Условные графические изображения источников постоянного напряжения приведены на рис. 1.4.(а, б, в), где стрелками обозначены положительные направления э.д.с. и напряжений на зажимах источника. Поскольку для идеального источника напряжение остается неизменным (U=E),то в схемах вместо источника э.д.с. часто показывают зажимы, к которым приложено напряжение U (рис. 1.4. б).
На рисунке 1.5 представлена вольтамперная характеристика U=f(I) идеального источника напряжения (кривая «a»), где на осях обозначены:
U-напряжение на зажимах источника, I-ток, протекающий через источник. Такой источник, судя по его вольтамперной характеристике, способен отдавать во внешнюю цепь бесконечно большую мощность. Очевидно,
Рис 1.5 что, в действительности, такого источника не существует. Реальный источник напряжения обладает внутренним сопротивлением r0. Его схема замещения имеет вид рис.1.4 (а), а вольтамперная характеристика-кривая «в» на рис. 1.5, которая математически может быть описана уравнением:
Рекомендуемые материалы
(1.5)
Вместе с этой лекцией читают "1.10 Напряжения на октаэдрической площадке".
1.3.2. Источник тока.
Наряду с понятием источника э.д.с. при расчетах электрических цепей пользуются понятием - источник тока.
Идеальным источником тока называется активный элемент, который поддерживает во внешней цепи ток, не зависящий от напряжения на его зажимах. Внутреннее сопротивление идеального источника тока r0=∞. Для изображения
Рис 1.6 источника тока используется обозначение, представленное на рис. 1.6 (а). Направление двойной стрелки соответствует положительному направлению тока источника.
Вольтамперная характеристика источника тока имеет вид рис. 1.7, где зависимость«a»-вольтамперная характеристика идеального источника тока, а зависимость «в»-вольтамперная характеристика реального источника тока, имеющего конечное внутреннее сопротивление. На схеме реальный источник изображается в виде идеального источника тока и подключенного параллельного ему сопротивления (рис. 1.6 (б)). Необходимо отметить, что обе схемы замещения
Рис 1.7 реальных источников электрической энергии (рис.1.4(а) и рис.1.5(б)) являются эквивалентными (они имеют одну и ту же вольтамперную характеристику ) с точки зрения токов, напряжений и мощностей во внешних участках электрической цепи. Если внутреннее сопротивление источника r0 много больше сопротивления пассивного сопротивления приемника (нагрузки) rН, т.е. r0>rН, то ток источника при изменении rН остается практически неизменным. В этом случае источник электрической энергии выступает в роли источника тока; в случае, когда r0<< rН, напряжение на зажимах источника остается практически неизменным при изменении rН. В этом случае в качестве источника электрической энергии рассматривается источник напряжения.






















