Комбинационные и последовательностные устройства
Любые упражнения по изучению электротехники необходимо начинать с проработки лекционного материала и соответствующего раздела в учебнике. Следует также выучить правила составления уравнений и свойств соединений элементов схем.
СЕМИНАР 14. Комбинационные и последовательностные устройства
Задача 1
Нарисуйте периодичность импульсов на выходе JK- триггера, срабатывание триггера по срезу импульсов синхронизации С.

Решение:

Задача 2
Рекомендуемые материалы
Синтезируйте делитель частоты на 4, если скважность входных импульсов 1 (По фронту импульсов синхронизации С).
Используем Т- триггер

Задача 3
Нарисовать временные диаграммы на выходе D-триггера (срабатывание по фронту импульсов синхронизации С).

Решение:

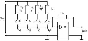
Задача 4
Определить напряжение на выходе, если на входе кодовая комбинация ) 0101, опорное напряжение 0,1 В; Roc = 2 кОм; Ro = 400 Ом
| Обозначение Цифро-Аналогового Преобразователя "Характеристика первичных и вторичных дефектов развития" - тут тоже много полезного для Вас.
| 4х - разрядный ЦАП
|

где z0, z1, z2, z3 – коэффициенты, принимающие значение "0" или "1" при замкнутом или разомкнутом соответствующем ключе.
Uвых = - 0.1∙5 ∙ (2 + 8) = -5 В























