Счетчики импульсов и регистры
Лекция 14. Счетчики импульсов и регистры
Основные определения и виды счетчиков. Счетчиком называют цифровое устройство, предназначенное для подсчета числа импульсов. В процессе работы счетчик последовательно изменяет свое состояние в определенном порядке. Длина списка разрешенных состояний счетчика называется модулем счета Ку. Одно из возможных состояний счетчика принимается за начальное. Если счетчик начал счет от начального состояния, то каждый импульс, кратный модулю счета Ад, снова устанавливает счетчик в начальное состояние, а на выходе счетчика появляется сигнал переноса Р (или займа Z).
Последовательность внутренних состояний счетчика можно кодировать различными способами. Чаще всего используют двоичное (двоичные счетчики) или двоично-десятичное (декадные счетчики) кодирование. Кроме этого находят применение счетчики с одинарным кодированием, когда состояние счетчика представлено местом расположения одной-единственной единицы или одного-единствен-ного нуля (кольцевые счетчики), и унитарное кодирование, когда состояние счетчика представлено числом единиц или нулей (счетчики Джонсона).
Если коды расположены в возрастающем порядке, то счетчик называют суммирующим (Up-counter). Счетчики, у которых коды расположены в убывающем порядке, называют вычитающими (Down-counter), а счетчики, у которых направление перебора кода может изменяться, называют реверсивными (Up/Down counter).
Если для работы счетчика требуется наличие синхросигнала, то такой счетчик называют синхронным. Счетчики, которые работают без синхросигналов, называют асинхронными.
Счетчики могут быть с предварительной установкой и без нее. Для предварительной установки начального состояния счетчика используются специальные входы предустановки. Установка начального состояния счетчика производится только по специальной команде записи. Во время работы счетчика в счетном режиме входы предустановки блокируются и на работу счетчика не влияют. Счетчики с предварительной установкой называют также программируемыми, так как они позволяют изменять модуль счета Кс, который можно рассчитать по формуле

где Sk=0 или 1. По структуре счетчики делятся на последовательные (каскадные), параллельные и параллельно-последовательные, которые отличаются способом подачи счетных импульсов на входы разрядов счетчика. В последовательном счетчике счетные импульсы поступают только на вход первого разряда, а с его выхода переходят на вход второго разряда. Таким образом, вход каждого последующего разряда счетчика соединен с выходом предыдущего. В параллельном счетчике счетные импульсы одновременно поступают на входы всех разрядов счетчика, однако благодаря внутренней организации счетчика каждому счетному импульсу соответствует срабатывание только определенных разрядов.
Для получения больших значений модуля пересчета используют каскадное соединение параллельных счетчиков. Такие параллельно-последовательные счетчики имеют более высокое быстродействие, чем последовательные, и требуют меньших аппаратурных затрат,
Рекомендуемые материалы
Обобщенная схема счетчика приведена на рис. 14.1. Счетчик СТ можно представить в общем случае как устройство, которое содержит входную логику, управляющую работой счетчика, и выходную логику, которая используется для указания окончания счета или формирования сигнала переноса Р. Для приведения счетчика в начальное состояние используется сигнал сброса, поступающий на вход R.
Параллельный код для предварительной установки счетчика поступает на входы Sy .. •S'„. Сигнал разрешения параллельной загрузки М останавливает счет и позволяет подготовленным на входах So.. S^ данным загрузиться в счетчик в момент прихода очередного тактового импульса С. Счетчик считает тактовые импульсы, поступающие на вход С, если присутствует сигнал разрешения счета на входе V.
Выходными сигналами счетчика обычно являются сигналы, снимаемые с выходов отдельных разрядов Qi . Qn, сигнал окончания счета или сигнал переноса Р.
Асинхронные счетчики Асинхронный суммирующий счетчик можно выполнить на счетных триггерах любого типа. В большинстве случаев для этих целей
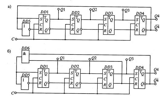
используют JK- или Д-триггеры в счетном режиме (см. лекцию 13) Простейший четырехразрядный счетчик на D-триггерах состоит из соединенных последовательно четырех счетных триггеров, таким образом, что выход Qi, каждого триггера соединен с входом C^+i последующего (рис. 14.2 я). При поступлении счет-Hbix импульсов на вход С] триггеры счетчика

Рис 14 1 Обобщенная схема счетчика импульсов
По структуре счетчики делятся на последовательные (каскадные), параллельные и параллельно-последовательные, которые отличаются способом подачи счетных импульсов на входы разрядов счетчика. В последовательном счетчике счетные импульсы поступают только на вход первого разряда, а с его выхода переходят на вход второго разряда. Таким образом, вход каждого последующего разряда счетчика соединен с выходом предыдущего. В параллельном счетчике счетные импульсы одновременно поступают на входы всех разрядов счетчика, однако благодаря внутренней организации счетчика каждому счетному импульсу соответствует срабатывание только определенных разрядов.
Для получения больших значений модуля пересчета используют каскадное соединение параллельных счетчиков. Такие параллельно-последовательные счетчики имеют более высокое быстродействие, чем последовательные, и требуют меньших аппаратурных затрат,
Обобщенная схема счетчика приведена на рис. 14.1. Счетчик СТ можно представить в общем случае как устройство, которое содержит входную логику, управляющую работой счетчика, и выходную логику, которая используется для указания окончания счета или формирования сигнала переноса Р. Для приведения счетчика в начальное состояние используется сигнал сброса, поступающий на вход R.
Параллельный код для предварительной установки счетчика поступает на входы Sy .. •S'„. Сигнал разрешения параллельной загрузки М останавливает счет и позволяет подготовленным на входах So.. S^ данным загрузиться в счетчик в момент прихода очередного тактового импульса С. Счетчик считает тактовые импульсы, поступающие на вход С, если присутствует сигнал разрешения счета на входе V.
Выходными сигналами счетчика обычно являются сигналы, снимаемые с выходов отдельных разрядов Qi . Qn, сигнал окончания счета или сигнал переноса Р.
Асинхронные счетчики Асинхронный суммирующий счетчик можно выполнить на счетных триггерах любого типа. В большинстве случаев для этих целей
используют JK- или Д-триггеры в счетном режиме (см. лекцию 13) Простейший четырехразрядный счетчик на D-триггерах состоит из соединенных последовательно четырех счетных триггеров, таким образом, что выход Qi, каждого триггера соединен с входом C^+i последующего (рис. 14.2 я). При поступлении счет-Hbix импульсов на вход С] триггеры счетчика

Рис 14 1 Обобщенная схема счетчика импульсов
будут изменять свои состояния, описываемые последовательно возрастающими двоичными числами. В табл. 14.1 приведена последовательность состояния выходов триггеров такого счетчика.
Для приведения счетчика в начальное состояние используется сигнал сброса R, поступающий одновременно на все входы R триггеров.
При построении асинхронного вычитающего счетчика достаточно заменить выходы Q триггеров на прямые выходы Q. В этом случае при поступлении импульса сброса R на всех выходах счетчика установятся единичные уровни, а при поступлении счетных импульсов на вход С, триггеры счетчика будут изменять свои состояния, описываемые последовательно убывающими двоичными числами.
Для построения асинхронного реверсивного счетчика, который может работать как в режиме суммирования, так и в режиме вычитания, можно с помощью логической схемы обеспечить подачу сигналов с инверсного выхода Q при суммировании или с прямого выхода Q — при вычитании от предыдущего триггера на счетный вход последующего, как показано на рис. 14.2 в. Эта схема включается между выходом одного разряда счетчика и входом другого и, в зависимости от управляющих сигналов — сложение (U) или вычитание (D), на вход последующего разряда поступает сигнал переноса Р или сигнал займа Z.
В асинхронном счетчике с приходом каждого последующего импульса на вход Ci переключаются сразу несколько триггеров. Однако переключение этих триггеров происходит не одновременно, а с некоторой задержкой относительно друг друга. Это приводит к задержке в установлении выходного кода после поступления счетного импульса на вход С. При большом числе разрядов счетчика задержка выходного сигнала может быть значительной и сравнимой с периодом поступления счетных импульсов на вход Ci.
Как видно из временных диаграмм, приведенных на рис. 14.2 я, триггеры в асинхронном последовательном счетчике работают с различной частотой
Таблица 14.1 Состояния выходов четырехразрядного асинхронного двоичного счетчика
| я | а | а | Q, | Ci | п | Q, | 6, | Q, | 6, |
| о | о | о | 0 | 0 | 8 | 1 | 0 | 0 | 0 |
| 1 | о | о | 0 | 1 | 9 | 1 | 0 | 0 | 1 |
| 2 | о | о | 1 | 0 | 10 | 1 | 0 | 1 | 0 |
| 3 | о | о | 1 | 1 | 11 | 1 | 0 | 1 | 1 |
| 4 | о | i | 0 | 0 | 12 | 1 | 1 | 0 | 0 |
| 5 | о | i | 0 | 1 | 13 | 1 | 1 | 0 | 1 |
| 6 | о | i | . 1 | 0 | 14 | 1 | 1 | 1 | 0 |
| 7 | о | i | 1 | 1 | 15 | 1 | 1 | 1 | 1 |

Рис. 14.3 Схемы одноразрядных синхронных счетчиков' суммирующего (а) и вычитающего (б)
Синхронные счетчики. Для построения синхронных счетчиков используют различные типы счетных синхронных триггеров. Схемы одноразрядных синхронных счетчиков приведены на рис. 14.3. Эти схемы реализованы на синхронных счетных триггерах и логических элементах И для формирования сигналов переноса Р или займа Z. Схема одноразрядного синхронного суммирующего счетчика, приведенная на рис. 14.3 а, реализована подключением счетного входа С, к счетному входу триггера, а для формирования сигнала переноса Р использовано логическое произведение сигнала разрешения счета V и выходного сигнала Q, т. е. Р= VQ. Переключение триггера происходит по положительному перепаду сигнала на входе С и при наличии сигнала разрешения на входе V. При этом на выходе триггера Q и выходе переноса Р устанавливаются уровни логической единицы. При отрицательном перепаде сигнала на входе С состояние триггера не изменяется. Очередное переключение триггера произойдет только по новому положительному перепаду импульса на входе С, при наличии сигнала разрешения на входе V. Таким образом, счетная ячейка обеспечивает синхронное деление на два частоты входных импульсов.
Двоичная вычитающая ячейка отличается от суммирующей тем, что прямой выход Q заменен на инверсный выход Q. На выходе такой ячейки формируется сигнал займа Z = VQ.
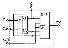
Одноразрядный реверсивный счетчик реализуется по схеме, приведенной на рис. 14.4. Для изменения направления счета и формирования сигналов переноса или займа использована логическая схема 2И-ИЛИ. Для изменения направления счета введен специальный вход UID (Up/Down): при UID= схема работает аналогично счетчику, изобра-

Рис. 14.4 Одноразрядный синхронный реверсивный счетчик
женному на рис. 14.3 б, т. е. является суммирующим счетчиком, а при U/D= 0 она аналогична схеме, изображенной на рис. 14.3 б, т. е. переходит в режим вычитания. Использование этих ячеек позволяет реализовать многоразрядные синхронные счетчики.
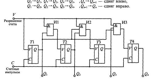
Схема четырехразрядного суммирующего двоичного синхронного счетчика с параллельным переносом приведена на рис. 14.5. Она отличается от счетчиков с каскадным соединением разрядов тем, что счетные импульсы поступают на тактовые входы С всех триггеров счетчика одновременно. При этом сигналы разрешения счета формируются в логических элементах И как произведение сигнала разрешения счета V и сигналов Q с прямых выходов всех предыдущих триггеров.
Быстродействие счетчиков с параллельным переносом выше быстродействия декадных счетчиков. Минимальный период следования синхроимпульсов определяется суммой

где Тт — время задержки триггера, Тд — время задержки логической схемы. По сравнению с последовательным счетчиком максимальная частота счета параллельного счетчика увеличивается примерно в (и-1) раз и не зависит от числа каскадов. В некоторых случаях функцию логических элементов можно реализовать на внутренних элементах триггера, тогда можно считать, что т„ = 0 и быстродействие счетчика зависит только от задержки триггера, т. е. 7ст=Тт.
Регистры сдвига. Триггерным регистром сдвига называют совокупность триггеров с определенными связями между ними, при которых они действуют как единое устройство. В регистрах сдвига организация этих связей такова, что при подаче тактового импульса, общего для всех триггеров, выходное состояние каждого триггера сдвигается в соседний. В зависимости от организации связей этот сдвиг может происходить влево или вправо:

Рис. 14.5. Схема четырехразрядного синхронного счетчика с параллельным переносом
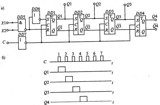
Ввод информации в регистр может выполняться различными способами, однако наиболее часто используют параллельный или последовательный ввод, при которых ввод двоичного числа осуществляется или одновременно во все разряды регистра, или последовательно во времени по отдельным разрядам. В счетчиках импульсов находят применение сдвигающие регистры с последовательным вводом и выводом и со сдвигом вправо. На рис. 14.6 а приведена схема четырехразрядного регистра сдвига, выполненного на ^-триггерах. В этой схеме каждый выход Q триггера соединен со входом S последующего разряда, а каждый выход Q — с входом R. Тактовые входы всех триггеров соединены вместе, и поступление сигнала синхронизации осуществляется одним общим импульсом через логический элемент И-НЕ (DD7). Состояние первого триггера определяется входными сигналами на входах Х и XI логического элемента И-НЕ (DD5). На вход XI подается текущая информация, а на вход Х2 сигнал разрешения ее передачи. Логические элемент НЕ (DD6) используется для инвертирования входного сигнала, подаваемого на вход S.
На рис. 14.6 б приведены временные диаграммы выходных сигналов триггеров, а в табл. 14.2 — состояния регистра сдвига при записи в первый разряд регистра единичного сигнала. Если при поступлении первого тактового импульса на входах XI и XI установлены сигналы Х~=Х1=, которые затем снимаются к приходу второго тактового импульса, то в результате в первый триггер будет записан сигнал Q = 1. С приходом второго тактового импульса в первый триггер

Рис. 14.6. Схема регистра сдвига (а) и его выходные сигналы (б)
Таблица 142
Состояние выходов четырехразрядного счетчика Джонсона
| л | е, | Q, | Q, | Q, |
| о | i | о | о | о |
| 1 | о | i | о | о |
| 2 | о | о | 1 | о |
| 3 | о | о | о | i |

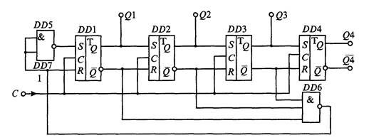
Рис. 14.8. Схема кольцевого счетчика с автоматической коррекцией начального состояния.
что и регистр сдвига, т. е. Кс=п. Для увеличения модуля счета можно или увеличивать количество триггеров в кольце, или включать счетчики последовательно. Так, например, счетчик на 10 импульсов (Л^Ю) можно реализовать последовательным соединением одного счетного триггера и кольцевого счетчика из пяти триггеров.
Основным недостатком кольцевых счетчиков является их низкая помехозащищенность. Например, если под действием помехи исчезнет записанная в счетчик единица, то все триггеры окажутся в нулевом состоянии и счетчик работать не сможет. Для устранения подобных сбоев используются различные способы коррекции состояния счетчика. Схема счетчика с автоматической коррекцией состояния приведена на рис. 14.8. В этой схеме независимо от того, в каком состоянии после включения окажутся триггеры, после четырех тактовых импульсов на входе С установится требуемое выходное состояние (1000).
Счетчики Джонсона. Разновидностью кольцевых счетчиков являются счетчики Джонсона. В этих счетчиках вход регистра, соединен не с выходом б, а с инверсным выходом Q. В результате, когда на вход счетчика поступают тактовые импульсы, то вначале все разряды счетчика заполняются единицами, а затем — нулями. Схема четырехразрядного счетчика Джонсона приведена на рис. 14.9, а состояние его выходов приведено в табл. 14.3.
Таблица 14.3 Состояние выходов четырехразрядного счетчика Джонсона
| и | е. | е, | Q. | S. | п | е. | G, | е, | е, |
| о | i | •о | 0 | 0 | 4 | о | 1 | i | i |
| 1 | i | i | 0 | 0 | 5 | о | 0 | i | i |
| 2 | i | i | 1 | 0 | 6 | о | 0 | о | i |
| 3 | i | i | 1 | 1 | 7 | о | 0 | о | о |
Как следует из табл. 14.3, модуль счета счетчика Джонсона в два раза больше модуля счета простого кольцевого счетчика, т. е. -Кс=2". В счетчике Джонсона, как и в других кольцевых счетчиках, могут быть сбои, вызванные помехами. Для коррекции нарушений, вызванных сбоями, также используются способы, с помощью которых производится переход из любой запрещенной комбинации в одну из разрешенных.
Счетчики Джонсона широко используются в делителях частоты импульсов, генераторах случайных чисел, в устройствах памяти и др. На базе счетчика Джонсона можно легко реализовать счетчики с любым четным модулем счета. При необходимости иметь нечетное значение модуля счета можно на вход первого разряда подавать вместо сигнала g„ сигнал QnQn i, как показано на рис. 14.96. При этом из набора выходных состояний счетчика Джонсона исключается одна кодовая комбинация, составленная из нулей.
Двоично-десятичные, или декадные счетчики могут быть реализованы на базе двоичных счетчиков при помощи взаимной связи между отдельными триггерами, входящими в счетчик. Схема декадного счетчика, построенная на базе рассмотренного ранее четырехразрядного двоичного счетчика (рис. 14.2), изображена на рис. 14.10 а. В этом счетчике взаимные соединения триггеров выполнены так, что первые девять счетных импульсов повторяют выходные сигналы триггеров для двоичного счетчика. Последний счетный импульс возвращает с счетчик в исходное состояние. Сигналы на выходах такого триггера приведены на рис. 14.106.

Рис. 14.9. Схема четырехразрядного счетчика Джонсона с четным (а) и нечетным (б) модулем счета

Рис 14 10 Схема декадного счетчика на счетных триггерах (а) и сигналы на его выходах (б)
Как следует из временной диаграммы, сигналы на выходах счетчика для девяти импульсов совпадают с временной диаграммой, приведенной на рис 14 2 в. Однако десятый импульс, вместо того чтобы установить счетчик в состояние 1010, как у двоичного счетчика, через дополнительные элементы и обратные связи возвращает четвертый триггер в нулевое состояние (Q^O) и препятствует установке второго триггера в единичное состояние, сохраняя его нулевое состояние (Qt^O) В результате после десяти импульсов состояние декадного счетчика будет такое же, как и до начала счета
Это обеспечивается блокированием второго, а значит, и третьего триггера через элемент DD5 с выхода DD4, а также переключением триггера DD4 через элементы DD6 и DD7 отрицательным перепадом с выхода Q Выходные состояния декадного счетчика приведены в табл 144 Такой десятичный счетчик обозначают как «8 + 2», поскольку выход Q^ сохраняет нулевое состояние на протяжении первых восьми входных пульсов и переключается в единичное состояние во время действия двух последних импульсов. К таким счетчикам относятся многие интегральные десятичные счетчики, такие как К155ИЕ2 и др
Подобным образом можно сформировать счетчик с любым модулем счета Кс Если используется счетчик из п триггеров на 2" возможных состояний, то за счет 
Рис 14 10 Схема декадного счетчика на счетных триггерах (а) и сигналы на его выходах (б)
Как следует из временной диаграммы, сигналы на выходах счетчика для девяти импульсов совпадают с временной диаграммой, приведенной на рис 14 2 в. Однако десятый импульс, вместо того чтобы установить счетчик в состояние 1010, как у двоичного счетчика, через дополнительные элементы и обратные связи возвращает четвертый триггер в нулевое состояние (Q^O) и препятствует установке второго триггера в единичное состояние, сохраняя его нулевое состояние (Qt^O) В результате после десяти импульсов состояние декадного счетчика будет такое же, как и до начала счета
Это обеспечивается блокированием второго, а значит, и третьего триггера через элемент DD5 с выхода DD4, а также переключением триггера DD4 через элементы DD6 и DD7 отрицательным перепадом с выхода Q Выходные состояния декадного счетчика приведены в табл 144 Такой десятичный счетчик обозначают как «8 + 2», поскольку выход Q^ сохраняет нулевое состояние на протяжении первых восьми входных пульсов и переключается в единичное состояние во время действия двух последних импульсов. К таким счетчикам относятся многие интегральные десятичные счетчики, такие как К155ИЕ2 и др
Подобным образом можно сформировать счетчик с любым модулем счета Кс Если используется счетчик из п триггеров на 2" возможных состояний, то за счет Таблица 14.4 Состояние выходов десятичного счетчика
| п | а | Q, | 0-г | е, | п | е. | Q, | <2г | е, |
| о | о | о | о | о | 5 | о | 1 | 0 | i |
| 1 | о | о | о | 1 | 6 | 0 | 1 | 1 | о |
| 2 | о | о | 1 | о | 7 | 0 | 1 | 1 | i |
| 3 | о | о | 1 | 1 | 8 | 1 | 0 | 0 | о |
| 4 | о | 1 | о | о | 9 | 1 | 0 | 0 | i |
обратных связей с дополнительными логическими элементами можно получить любое значение Кс<2".
Интегральные микросхемы счетчиков. Промышленность выпускает большое количество интегральных микросхем счетчиков, построенных на транзисторно-транзисторной логике (ТТЛ), эмиттерно-связанной логике (ЭСЛ) и комплементарных полевых транзисторах (КМОП). В табл. 14.5 приведены основные типы счетчиков различных серий интегральных микросхем. Условное обозначение интегральных микросхем счетчиков состоит из обозначения серии (трех или четырех цифр), функционального назначения (двух букв ИЕ) и порядкового номера разработки (от одной до трех цифр).
Основные параметры интегральных микросхем счетчиков можно разделить на две группы: статические и динамические. К статическим параметрам относятся входное напряжение высокого U^ и низкого t/2x уровней, ток потребления от источника питания, напряжение питания, коэффициент разветвления Л'раз и модуль счета Кс. К динамическим параметрам счетчиков относятся: время г0'' переключения из низкого уровня в высокий, время переключения г1'0 из высокого уровня в
Таблица 14.5 Параметры интегральных микросхем счетчиков импульсов
| Наименование счетчика | Тип логики | Функциональное назначение | Модуль счета К^ | Максимальная частота / ., МГц"" |
| К155ИЕ5 | ТТЛ | Асинхронный двоичный | 16 | 10 |
| К555ИЕ18 | ттлш | Синхронный двоичный | 16 | 25 |
| К155ИЕ7 | ТТЛ | Реверсивный двоичный | 16 | 25 |
| К561ИЕ8 | КМОП | Счетчик Джонсона с дешифратором | 10 | 2 |
| К561ИЕ11 | КМОП | Двоичный реверсивный | 16 | 5 |
| К500ИЕ137 | ЭСЛ | Синхронный реверсивный десятичный | 10 | 125 |
Таблица 146 Параметры интегральных микросхем регистров
| Наименование регистра | Тип логики | Функциональное назначение | Максимальная тактовая частота, МГц |
| К155ИР1 | ТТЛ | Четырехразрядный сдвиговой | 25 |
| К155ИР13 | ТТЛ | Универсальный восьмиразрядный синхронный сдвиговой | 30 |
| К531ИР11 | ттлш | Четырехразрядный сдвиговой | 70 |
| К561ИР9 | кмоп | Четырехразрядный последовательно-параллельный | 5 |
| Лекция "5.5 Художественная культура и искусство средних веков" также может быть Вам полезна. К500ИР141 | эсл | Универсальный четырехразрядный сдвиговой | 150 |
низкий и максимальная частота счета /„акс- Большинство перечисленных параметров определяется серией микросхем и типом применяемой логики.
Интегральные микросхемы регистров. В наименовании регистров их функциональное назначение обозначается буквами ИР. В остальном условное обозначение регистров совпадает с обозначением счетчиков. В табл. 14.6 приведены некоторые типы регистров различных серий




















