Коммутаторы аналоговых сигналов
Лекция 11. Коммутаторы аналоговых сигналов
Устройство аналоговых ключей и коммутаторов сигналов. Коммутация сигналов является распространенным методом, с помощью которого сигналы, поступающие от нескольких источников, объединяются в определенном порядке в одной линии После соотвествующей обработки эти сигналы при помощи другого коммутатора могут быть направлены в различные исполнительные устройства. Упорядоченный ввод и вывод сигналов осуществляется, как правило, при помощи адресации источников и приемников сигналов, а также связанных с передачейсигналов коммутаторов Общая структурная схема связи источников и приемников сигналов через коммутатор показана на рис 111
Коммутатор состоит из определенным образом связанных электронных ключей, выполненных на диодах или транзисторах Ключи аналоговых сигналов должны обеспечить неискаженную передачу сигналов от источников к приемникам. Однако в процессе передачи ключи могут исказить передаваемый сигнал Эти искажения в первую очередь зависят от свойств самих ключей, но также и от сигналов управления Сигналы из цепи управления могут наложиться на передаваемый сигнал, иначе говоря, возможны помехи из цепи управления на линии передачи сигналов
Обычно устройство управления коммутатором является цифровым и действует либо по заранее установленной программе, либо под управлением микропроцессоров или мини-ЭВМ В последнем случае программа управления коммутатором может быть изменена Для выбора определенного ключа и назначения его функции (т е включения или отключения) используется адресный дешифратор команд Кроме этого, при передаче сигналов возможны временные задержки, связанные или с быстродействием самих ключей, или с быстродействием устройства управления И в том, и в другом случае возможны потери частей передаваемых сигналов или их искажение, например, растягивание фронтов сигналов или изменение их длительности
Для исключения потерь при передаче сигналов, а также для согласования сопротивлений источников и приемников сигналов в состав коммутаторов могут входить различные согласующие или нормирующие усилители Коэфициент передачи этих усилителей может быть или фиксированным, или устанавливаемым при помощи устройства управления
Если источники и приемники сигналов могут меняться местами, то коммутатор должен быть двунаправленным, т е обеспечивать передачу сигналов в обоих направлениях Такая проблема возникает, например, при записи аналоговых сигналов в устройстве памяти, которое в этом случае является приемником информации, и считыванием сигналов из устройства памяти, которое становится тогда источником сигнала

Рис 11 1 Структурная схема коммутации источников и приемников сигналов
Упрощенные схемы идеальных и реальных ключей в замкнутом и разомкнутом состояниях приведены на рис. 11.2. Эти схемы отражают работу ключей в статическом режиме и не могут быть использованы для анализа помех из цепи управления или динамических режимов самих ключей. Замкнутый ключ (рис. 11 2 а) имеет некоторое внутреннее сопротивление /о, которое не является постоянным, а сложным образом может зависеть от тока г„ через ключ. Последовательно с сопротивлением действует источник остаточного напряжения ео, который в общем случае также зависит от тока.
Рекомендуемые материалы
Разомкнутый ключ (рис. 11.26) можно заменить сопротивлением утечки г, и источником тока утечки ;„ которые в общем случае могут зависеть от напряжения на разомкнутом ключе С/к.
Динамические модели ключей могут включать различные паразитные емкости и индуктивности С помощью этих схем замещения возможен анализ быстродействия ключей или расчет коммутационных помех из цепи управления. Индуктивности ключей могут сказываться на довольно высоких частотах и, в основном, обусловлены их выводами.
В качестве примера на рис. 11.3 приведена схема ключа на полевом транзисторе с изолированным затвором. Очевидно, что при подаче на затвор ключа импульсного сигнала управления Uy помехи через паразитные емкости ключа Сдс и Сш будут появляться на сопротивлении открытого ключа. Кроме того, на прохождение сигнала через ключ будут влиять переходные процессы в транзисторном ключе, рассмотренные в Лекции 5
При коммутации источника сигнала и нагрузки можно использовать как одиночные ключи, так и их различные комбинации. Способы подключения источника сигнала к нагрузке зависят от свойства источника сигнала и нагрузки. На рис. 11.4 приведены четыре различных способа подключения сигнала к нагрузке. Штриховыми линиями на схемах показаны элементы неидеального ключа, соотве-ствующие схемам замещения, приведенным на рис. 11.2.
Если источник сигнала имеет характеристики, близкие к характеристикам идеального источника напряжения (т. е. имеет малое внутреннее сопротивление /•,^7?,,), то для его коммутации целесообразно использовать последовательный

Рис 11 2 Схемы замещения ключа в замкнутом состоянии (а) и разомкнутом состоянии (б)

Рис. 11.3. Схема ключа на полевом транзисторе с изолированным затвором (а) и его упрощенная схема замещения (6)
(рис. 11.4 о) или последовательно-параллельный ключ (рис. 11.4 б). Если же источник сигнала имеет характеристики, близкие к характеристикам идеального источника тока (т. е. имеет малую внутреннюю проводимость gi^R^), то для его коммутации лучше использовать параллельный ключ (рис. 11.4 в) или параллельно-последовательный ключ (рис. 11.4г).
Погрешности, вносимые конечными значениями сопротивлений ключа в замкнутом и разомкнутом состоянии для схемы, изображенной на рис. 11.4 а, определяются формулами


Рис. 11.4. Схемы подключения источника сигнала к нагрузке при помощи последовательного <люча (а), последовательно-параллельного ключа (б), параллельного ключа (в) и параллельно-последовательного ключа (г)
Аналогичным образом можно определить погрешности для других схем включения, приведенных на рис 114.
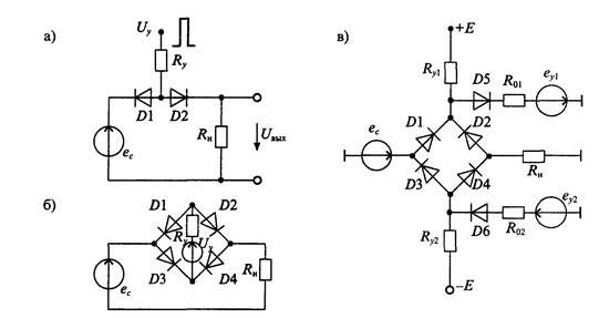
Диодные ключи применяются для точного и быстрого переключения напряжений и токов Схемы различных диодных ключей приведены на рис 115 Двух-диодный ключ, приведенный на рис 11.5 а, при отсутствии управляющего напряжения заперт При подаче на аноды диодов положительного управляющего напряжения диоды отпираются и ключ замыкается. Напряжение смещения такого диодного ключа определяется разностью прямых напряжений на диодах D и D2 При подобранных диодах напряжение смещения лежит в пределах 1 5 мВ Время коммутации определяется быстродействием диодов Для диодных ключей обычно используются диоды Шотки или кремниевые эпитаксиальные диоды с тонкой базой В этих диодах слабо выражены эффекты накопления носителей и их инерционность в основном определяется перезарядом барьерной емкости Дифференциальное сопротивление открытого диодного ключа равно сумме дифференциальных сопротивлений диодов и может лежать в пределах от 1 до 500м
Основным недостатком такого ключа является прямое прохождение тока управляющего сигнала через нагрузку Rn и источник сигнала ее Для снижения напряжения помехи эту схему целесообразно использовать при малых сопротивлениях источника сигнала и сопротивления нагрузки Кроме того, желательно увеличивать сопротивление Ry для снижения тока в цепи управления Однако следует учесть, что снижение тока управления приведет к увеличению дифференциального сопротивления диодов
Для снижения помех из цепи управления можно использовать мостовую схему, приведенную на рис. 11.5 б. В этой схеме цепь управления развязана от цепи

Рис 11 5 Схемы диодных ключей на двух диодах (а), мостового (б) и на шести диодах (в)
передачи сигнала. Если напряжение управления равно нулю или имеет полярность, запирающую диодный мост, то ключ разомкнут. При положительной полярности источника управляющего сигнала ключ замыкается, а ток управления проходит только через диоды и сопротивление Ry. Учитывая, что для цепи передачи сигнала диодные пары Dl, D2 и D3, D4 включены встречно, напряжение смещения также будет равно разности прямых падений напряжений на диодах, т. е. примерно равно напряжению смещения двухдиодного ключа.
Недостатком схемы, приведенной на рис. 11.56 является отсутствие общей точки у источника сигнала и источника управления. Схема, изображенная на рис. 11.5 в, лишена этого недостатка. В этой схеме используются два симметричных источника сигналов управления ву и е^. Сигналы этих источников подводятся к диодному мосту через разделительные диоды D5, D6. Для поддержания диодного моста в запертом состоянии при отсутствии сигналов управления на него подается через резисторы Ry и Ryi запирающее напряжение от источников постоянного напряжения ±Е. В этой схеме, так же как и в предыдущей, обеспечивается развязка источника управления от цепи источника сигнала.
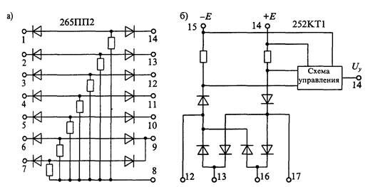
Схемы двухдиодных ключей использованы в микросхемах диодных коммутаторов серии 265ПП1 и 265ПП2. Эти коммутаторы отличаются только полярностью управляющего напряжения. Схема коммутатора 265ПП2 приведена на рис. 11.6 а. Она представляет собой семиканальный переключатель с общим сигналом управления. Мостовые диодные ключи использованы в интегральных микросхемах К252КТ1 и 265КН1. Упрощенная схема одного ключа микросхемы 252КТ1 приведена на рис. 11.66. Питание этой микросхемы осуществляется от двух источников +Е и -Е с напряжением б В. Каждый ключ этой микросхемы

Рис 11.6. Схема диодного коммутатора 265ПП2 (а) и упрощенная схема мостового диодного ключа четырехканального коммутатора К252КТ1
имеет напряжение смещения ЗмВ, время переключения 40нс, ток утечки 10 нА и сопротивление в замкнутом состоянии около 1000м.
Приведенные выше микросхемы диодных коммутаторов являются гибридными, в которых использованы специальные диодные матрицы, например, матрица 2ДС408 или КДС523. Диоды таких матриц имеют весьма малый разброс параметров, что позволяет получить напряжение смещения меньше 5мВ Собственные емкости диодов матриц имеют значение 1 .2 пФ, что позволяет снизить импульсные помехи от цепей управления. В настоящее время диодные коммутаторы вытесняются более совершенными транзисторными ключами
Ключи на биполярных транзисторах более совершенны, чем диодные ключи и значительно чаще используются в электронных схемах. Простейший ключ на одном биполярном транзисторе приведен на рис. 11 7 а. Он состоит из ключевого транзистора Т и схемы управления на транзисторе 72 По структуре транзисторный ключ похож на двухдиодньгй ключ, изображенный на рис 11.5 я. При отсутствии тока базы Л закрыт и ключ разомкнут, а при протекании через базу тока управления i^ismc: ключ замкнут В этом случае коллекторный и эмиттерный переходы открыты и действуют так же, как открытые диоды в схеме рис. 11.5 а

Рис 11.7. Схема простого (а) и компенсированного (б) транзисторных ключей
Некоторое отличие заключается в площадях этих переходов, а следовательно, и в падениях напряжений на них. Разность напряжений на переходах создает напряжение смещения. Кроме того, следует учитывать различие токов в переходах, что также влияет на напряжение смещения. Это напряжение смещения для ключей на одиночных транзисторах составляет 0,1... 0,2 В, а сопротивление замкнутого ключа колеблется от 10 до 1000м. Время переключения зависит от степени насыщения и для высокочастотных транзисторов с тонкой базой обычно не превышает 0,1мкс.
Для снижения напряжения смещения используют инверсное включение транзистора, т. е. напряжение управления прикладывают между базой и коллектором. При этом напряжение смещения можно понизить до 5... 10 мВ. Схема транзисторного ключа с инверсным включением транзистора приведена на рис. 11.7 б. В этой схеме для снижения остаточного напряжения два инверсно включенных транзистора Л и 72 включены последовательно, что приводит к дополнительному снижению остаточного напряжения, которое будет равно разности напряжений смещения транзисторов Т1 и 72. Такой транзисторный ключ называется компенсированным. Остаточное напряжение компенсированных ключей лежит в пределах 10...50мкВ. Недостатком компенсированных ключей является их увеличенное сопротивление во включенном состоянии.
Иногда для создания компенсированных ключей используют так называемые двухэмиттерные транзисторы. Такие транзисторы во включенном состоянии имеют достаточно малое остаточное напряжение. Так, например, двухэмиттерный транзистор КТ118 имеет остаточное напряжение 0,1... 0,2 мВ, а компенсированный транзисторный ключ КР162КТ1 имеет остаточное напряжение 0,3 мВ.
Следует отметить еще одну особенность ключа, приведенного на рис. 11.7 а. Если напряжение управления равно нулю, то транзистор 72 заперт и напряжение источника +Е через резистор R^ запирает транзистор П. При положительном напряжении на базе транзистора 72 база транзистора Л через насыщенный транзистор 72 соединяется с общей шиной. В этом случае переход коллектор-база может быть открыт только при положительном напряжении на коллекторе и, следовательно, такой ключ является однополярным.
В схеме компенсированного транзисторного ключа, приведенного на рис. 11.7 б, в исходном состоянии, когда управляющие напряжения С/,, и Uy^ равны нулю, источники постоянного напряжения Е и Е^ отпирают транзисторы 73, 74 и диоды D и D2 соответственно. При этом через диоды D и D2 базы транзисторов Л и 72 замкнуты с их коллекторами и ключ оказывается разомкнутым.
При запирании диодов D и D2 от источников Uy и Uy-i ток транзистора 73 проходит через открытые переходы база-коллектор ключевых транзисторов Л, 72 и далее через транзистор 74 и источник Е^. В результате оба транзистора Л и 72 оказываются в насыщенном состоянии и ключ замыкается. В результате такой ключ будет двухполярным.
Компенсированные транзисторные ключи входят в состав различных микросхем серий 124, 129, 162. Кроме того, транзисторные ключи используются в оптронах типа АОТ122, АОТ126, АОТ128 и др. Оптронные транзисторные ключи имеют гальваническую развязку входной и выходной цепей, однако у нихболее высокое остаточное напряжение и более высокий ток утечки в запертс состоянии.
Пример двунаправленного транзисторного коммутатора с нормирующил усилителями приведен на рис. 11.8. На нем изображен фрагмент микросхем КС1054ХА4, предназначенной для двусторонней передачи телевизионных виде^ сигналов. Направление передачи определяется устройством управления коммут] рующими ключами.
Ключи на полевых транзисторах с управляющими ^-«-переходами и с изолирс ванным затвором в настоящее время получили преимущественное распространена в различных интегральных микросхемах. Прежде всего это связано с такими достс инствами этих ключей, как малые токи утечки, низкое потребление по цепи ynpal ления, отсутствие напряжения смещения, технологичность производства.
В аналоговых ключах используются полевые транзисторы с каналами р- я-типа. Однако, поскольку подвижность электронов больше подвижности дырок то сопротивление канала во включенном состоянии у транзисторов с «-канало]^ ниже. На быстродействие ключей существенным образом влияют переходные про цессы в транзисторах. В этом отношении преимущественное применение находя! полевые транзисторы с изолированным затвором, паразитные емкости у которые меньше. Наибольшее распространение получили ключи на комплементарной (согласованной) паре полевых транзисторов, один из которых имеет канал р-типа, а другой — канал л-типа.
Особенностью ключей на полевых транзисторах с изолированным затвором является сильная зависимость сопротивления открытого канала от коммутируемого сигнала, что приводит к модуляции проводимости канала входным сигналом и возникновению дополнительных нелинейных искажений. Для снижения искажений, вызванных модуляцией проводимости канала, в таких ключах ограничивают уровень входных сигналов и используют сравнительно большое сопротивление нагрузки ключа. Аналогичный эффект имеется и в полевых транзисторах с управляющим jp-л-переходом, однако для его снижения на затвор подают сигнал уппав-
ления, зависящий от входного сигнала.
На рис. 11.9 я приведена схема ключа на полевом транзисторе Л с управляющим ^-и-переходом и каналом /»-типа. Схема управления ключом выполнена на транзисторе 72, а ее питание производится от источника напряжения Е. Диод D необходим для того, чтобы напряжение затвор—исток оставалось

Рис. 11.8. Использование транзисторных ключей с нормирующими усилителями в микросхеме КС1054ХА4

Рис. 11.9. Схема ключа на полевом транзисторе с управляющим />-я-переходом (а) и с изолированным затвором (б)
равным нулю при любых значениях входных сигналов. Для исключения модуляции проводимости канала входным сигналом затвор через сопротивление R, связан с напряжением источника сигнала ее. Устройство управления работает следующим образом. Если напряжение управления равно нулю, то транзистор 72 заперт и напряжение +Е через сопротивление R^ и диод D подводится к затвору транзистора П, запирая его. В результате этого ключ будет замкнут. Если напряжение управления включает транзистор 72, то анод диода D через насыщенный транзистор 72 соединяется с общей шиной, в результате чего напряжение на затворе 71 снижается почти до нуля и транзистор 71 отпирается, что эквивалентно замыканию ключа.
Ключи на полевых транзисторах с управляющим/»-/г-переходом входят в состав микросхем ряда серий: 284, КР504 и др. Так, например, микросхема 284 КН1 содержит три ключа на полевых транзисторах с управляющим ^-я-переходом и каналом тг-типа. Каждый ключ имеет следующие параметры: сопротивление замкнутого ключа 2500м, ток утечки ЮнА, максимальная частота коммутации 1МГц.
Ключи на полевых транзисторах с изолированным затвором и индуцированным каналом р- и и-типа получили самое широкое распространение при создании коммутаторов. Основной особенностью этих ключей является то, что в исходном состоянии при нулевом напряжении на затворе они заперты. Обогащение канала носителями зарядов происходит только при подаче на затвор напряжения, превышающего пороговое напряжение. Токи утечки ПТИЗ определяются токами, которые протекают в закрытом транзисторе от истока и стока к подложке и имеют значение 1... ЮнА при нормальной температуре. С повышением температуры они ведут себя как обратные токи /»-я-переходов, т. е. экспоненциально увеличиваются. Сопротивление между затвором и другими электродами в ПТИЗ достигает очень большого значения: 1011... Ю^Ом, что при малой толщине диэлектрика под затвором (около 1 мкм) приводит к необходимости защиты от статического электричества. Одной из таких мер явлется установка защитных стабилитронов или диодов между затвором и каналом, однако это приводит к увеличению тока утечки затвора, особенно с повышением температуры.
Схема простейшего ключа на полевом транзисторе с изолированным затвором и каналом/»-типа приведена на рис. 11.9 б. Для отпирания ключевого транзистора Т на его затвор необходимо подать напряжение отрицательной полярности, превышающее пороговое напряжение 1/пор. Для запирания ключевого транзистора Т напряжение на затворе должно быть положительным (или равным нулю). Устройство управления для схемы, изображенной на рис. 11.96, выполнено на компа-торе напряжения К (или операционном усилителе). Если напряжение управления равно нулю, то на выходе компаратора будет положительное напряжение, близкое по значению к напряжению питания Е. При положительном управляющем напряжении компаратор переключается и на его выходе появляется отрицательное напряжение, также близкое к напряжению питания Е.
Ключи на ПТИЗ с каналом /?-типа выпускаются как в виде отдельных элементов, так и в составе сложных коммутаторов. Так, например, микросхемы серии 168 содержат сдвоенные ключи без схем управления типа 168КТ2. Такие ключи имеют пороговое напряжение от 3 до б В, прямое сопротивление не более 100 Ом, время включения и выключения около 0,3...0,5мкс. Отсуствие в этой микросхеме устройств управления усложняет ее применение.
В серии К547 имеется четырехканальный переключатель К547КП1, аналогичный микросхеме 168КТ2. По основным параметрам этот переключатель близок к микросхеме К168КТ2.
Кроме отдельных транзисторов в качестве ключей широкое распространение получили схемы, содержащие параллельное соединение двух ПТИЗ с разным типом проводимости канала (комплементарные транзисторы). В таких ключах устранены многие недостатки ключей на одиночных транзисторах: устранена модуляция сопротивления канала входным сигналом, снижены помехи из цепи управления, снижено сопротивление ключа в открытом состоянии и уменьшен ток утечки. Схема ключа на комплементарных транзисторах приведена на рис. 11.10 я. Для одновременного переключения транзисторов из включенного состояния

Рис 11 10 Схема ключа на комплементарных транзисторах (а) и зависимость его сопротивления в открытом состоянии от входного напряжения (б)

Рис. 11.11. Упрощенная схема мультиплексора (а) и микросхема сбора данных AD7890 фирмы «Analog devices» (б)
в выключенное сигнал управления подается на затвор одного транзистора непосредственно, а на затвор другого — через инвертор.
При увеличении входного напряжения сопротивление /г-канального транзистора увеличивается, а и-канального транзистора уменьшается. В результате параллельное соединение этих транзисторов имеет почти неизменное сопротивление /о в открытом состоянии, как показано на рис. 10.11 б. Поскольку транзисторы ключа управляются сигналами противоположной полярности, то импульсы помех взаимно компенсируются, что позволяет снизить уровень входных сигналов.
Ключи на комплементарных транзисторах широко используются в интегральных микросхемах.Они входят в состав микросхем серии К590, К591, К176, К561 и 1564. Их сопротивление в открытом состоянии лежит в пределах 20... 1000м, они имеют время включения от 10 до 100нс, обеспечивают выходной ток до ЮмА и потребляют по цепи питания мощность менее 1 мкВт.
Многоканальные коммутаторы или мультиплексоры представляют собой интегральные микросхемы, имеющие много входов для аналоговых сигналов и один выход, на который можно подать последовательно во времени любой из входных сигналов. Мультиплексоры состоят из набора ключей, устройства управления этими ключами и выходного согласующего каскада. Упрощенная схема мультиплексора приведена на рис. 11.11 а. Такие мультиплексоры выпускаются в виде самостоятельных микросхем или входят в состав более крупных микросхем, называемых системами сбора данных. Кроме мультиплексоров в состав систем сбора данных входят устройства, обеспечивающие обработку поступающей информации. Практически все современные системы сбора данных ориентированы на совместную работу с микропроцессорами и содержат элементы интерфейса (т е сопряжения): устройства выборки и хранения сигналов, дешифратор адреса, регистры и др. Если имеются группы различных датчиков сигналов, то в состав таких микросхем могут входить несколько мультиплексоров, объединенных в группы. Такие микросхемы предназначены для работы с источниками потенциальных сигналов, например, температурными датчиками, датчиками промышленных установок различных аналитических приборов.
В качестве примера на рис. 11.11 б приведена структурная схема системы сбора данных AD7890 фирмы «Analog devices». Она содержит устройства масштабирования сигналов (МУ), восьмиканальный мультиплексор, устройство выборки и хранения (УВХ), аналого-цифровой преобразователь (АЦП), источник опорного напряжения (ИОН) и быстрый последовательный интерфейс сопряжения с микропроцессором.
Мультиплексор, входящий в систему, работает под управлением микропроцессора через систему последовательного интерфейса. Поскольку выход мультиплексора не подключен к остальным узлам микросхемы, то между выходом мультиплексора и входом УВХ можно включать различные устройство, например, фильтры или формирователи сигналов. в выключенное сигнал управления подается на затвор одного транзистора непосредственно, а на затвор другого — через инвертор.
Рекомендация для Вас - Система управления персоналом.
При увеличении входного напряжения сопротивление /г-канального транзистора увеличивается, а и-канального транзистора уменьшается. В результате параллельное соединение этих транзисторов имеет почти неизменное сопротивление /о в открытом состоянии, как показано на рис. 10.11 б. Поскольку транзисторы ключа управляются сигналами противоположной полярности, то импульсы помех взаимно компенсируются, что позволяет снизить уровень входных сигналов.
Ключи на комплементарных транзисторах широко используются в интегральных микросхемах.Они входят в состав микросхем серии К590, К591, К176, К561 и 1564. Их сопротивление в открытом состоянии лежит в пределах 20... 1000м, они имеют время включения от 10 до 100нс, обеспечивают выходной ток до ЮмА и потребляют по цепи питания мощность менее 1 мкВт.
Многоканальные коммутаторы или мультиплексоры представляют собой интегральные микросхемы, имеющие много входов для аналоговых сигналов и один выход, на который можно подать последовательно во времени любой из входных сигналов. Мультиплексоры состоят из набора ключей, устройства управления этими ключами и выходного согласующего каскада. Упрощенная схема мультиплексора приведена на рис. 11.11 а. Такие мультиплексоры выпускаются в виде самостоятельных микросхем или входят в состав более крупных микросхем, называемых системами сбора данных. Кроме мультиплексоров в состав систем сбора данных входят устройства, обеспечивающие обработку поступающей информации. Практически все современные системы сбора данных ориентированы на совместную работу с микропроцессорами и содержат элементы интерфейса (т е сопряжения): устройства выборки и хранения сигналов, дешифратор адреса, регистры и др. Если имеются группы различных датчиков сигналов, то в состав таких микросхем могут входить несколько мультиплексоров, объединенных в группы. Такие микросхемы предназначены для работы с источниками потенциальных сигналов, например, температурными датчиками, датчиками промышленных установок различных аналитических приборов.
В качестве примера на рис. 11.11 б приведена структурная схема системы сбора данных AD7890 фирмы «Analog devices». Она содержит устройства масштабирования сигналов (МУ), восьмиканальный мультиплексор, устройство выборки и хранения (УВХ), аналого-цифровой преобразователь (АЦП), источник опорного напряжения (ИОН) и быстрый последовательный интерфейс сопряжения с микропроцессором.
Мультиплексор, входящий в систему, работает под управлением микропроцессора через систему последовательного интерфейса. Поскольку выход мультиплексора не подключен к остальным узлам микросхемы, то между выходом мультиплексора и входом УВХ можно включать различные устройство, например, фильтры или формирователи сигналов.
Раздел 3 ЦИФРОВЫЕ ИНТЕГРАЛЬНЫЕ МИКРОСХЕМЫ






















