Конструктивные методы компенсации децентрировок
10. Конструктивные методы компенсации децентрировок: мениск
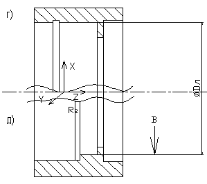
На рис 31, а показана схема базирования мениска, вверху рисунка базирование подводимой опорой по сферической поверхности – внизу – подводимой опорой по плоскости: специально сделанному кольцевому пояску. Мениск опирается сферической поверхностью на ребро выступа оправы – это контактная пара класса
.
Соединение для обоих вариантов базирования показано на рис 31 б и в.
В первом случае (рис 31, б) при малых расстояниях «в» между центрами сфер линзы
и
ее поворот относительно осей X и Y будет определяться главным образом величиной зазора
в посадке, в пределах которого возможен разворот
.
Во втором случае повороты мениска
относительно осей X и Y из-за возможных дефектов (биений, перекосов, зазоров в резьбе) опорных торцов деталей (кольца и линзы) будут меньше, благодаря базе В, ограничивающей указанные повороты, и тому, что обычно
и тогда
. Точностные требования к линзе также будут отличаться.

Рис. 31 Схема базирования и закрепления мениска. 

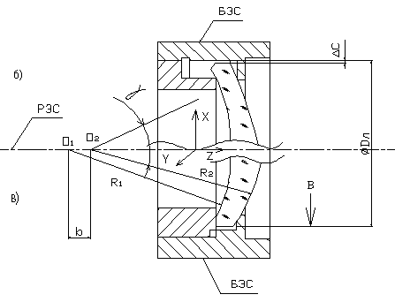
Рассмотрим влияние усилия закрепления от резьбового кольца на расположение линзы в оправе (рис 32).
Рекомендуемые материалы
Рис. 32. Схема к определению влияния усилия от резьбового кольца на расположение линзы.
Как видно из рисунка, со стороны кромки на линзу действует сила реакции N (обусловленная силой F со стороны резьбового кольца) имеющая составляющую T, сдвигающую линзу вдоль оси X (до момента, когда линза коснется противоположной стороны кромки), когда эта составляющая больше составляющей Т’ силы трения Fтр между линзой, кольцом и оправой. Таким образом, этот контакт ограничивая смещение линзы вдоль оси Z, отнимает еще перемещение линзы по осям Y и X.
Следует заметить, что смещение линзы будет происходить при выполнении условия α>2ρ или приближенно
D/2R>=2μ
0.3 (3),
где ρ – угол трения, R – радиус линзы, μ – коэффициент трения скольжения материалов оправы и линзы.
Теперь следует разобраться, какие базы ограничивают повороты линзы.
Видятся два возможных варианта. Первый, точность резьбы невелика, а точность в посадке по Ø Dл высокая, тогда поворот линзы будет ограничиваться контактом линзы по Ø Dл и угол β наклона оси равен arctg(
/l).
Второй вариант, точность резьбы выше точности посадки по Ø Dл, тогда угол
Вам также может быть полезна лекция "2.7 Связь квантовых и классических распределений Гиббса".
β=arctg(
/l) (4),
где
– зазор в резьбе, l – длина резьбы.
Когда условие (14) не выполняется, то линза не смещается по оси X и роль главной базы принимает на себя резьбовое кольцо, лишая линзу перемещения по Z и поворотов ωx, ωy. Точность этого «лишения» можно определить по выражению (15).
Анализ рассмотренных условий базирования позволяет сделать вывод о том, что требования (допуски) к параметрам оправы, резьбовому кольцу и линзе соединения будут разными и зависеть от конфигурации соединения и условия (14).
Например, при выполнении условия (14) в соединении, показанном на рис 32, а отверстие оправы Ø Dсв должно быть соосно с осью отверстия Ø Dб, а в соединении, показанном на рис 32, б этой соосности не требуется, но зато требуется соосность Ø Dб и Ø DН7. Допуск на диаметр линзы должен быть жесткий, а допуски на резьбовое кольцо свободные.
Следует обратить внимание на такие «мелочи», которые часто выпадают из поля зрения конструктора и технолога. Так, например, опорная кромка буртика оправы не должна иметь грата и заусениц, поэтому направление движения резца должны быть от кромки в «тело» детали (рис 33, а) при ее обработке, а когда для уменьшения деформации кромки оправы и линзы при закреплении последней кромку выполняют под углом 135˚, либо под углом касательным к сферической поверхности линзы рис 33, б, в). Необходимо обеспечить расположение вершин конической поверхности кромки на базовой оси оправы.



















