Особенности построения синхронной иерархии sdh
1. Особенности построения синхронной иерархии sdh.
1.1. Общие особенности построения синхронной иерархии.
Рассмотрим общие особенности построения синхронной цифровой иерархии SDH. Несмотря на очевидные преимущества сетей SDH перед сетями PDH, они не имели бы такого успеха, если бы не обеспечивали преемственность и поддержку стандартов PDH. Как мы уже отмечали при разработке технологии SONET обеспечивалась преемственность американской, а при разработке SDH - европейской иерархий PDH. В окончательном варианте стандарты SONET/SDH поддерживали обе указанные иерархии. Это выразилось в том, что терминальные мультиплексоры и мультиплексоры ввода/вывода сетей SONET/SDH, через которые осуществляется доступ в сеть были рассчитаны на поддержку только тех входных каналов, или каналов доступа, скорость передачи которых соответствовала объединённому стандартному ряду американской и европейской иерархий PDH, a именно: 1.5, 2, 6, 8, 34, 45, 140 Мбит/с. Цифровые сигналы каналов доступа, скорость передачи которых соответствует указанному ряду, будем называть трибами PDH (или в терминологии связистов компонентными сигналами), а сигналы, скорость передачи которых соответствует стандартному ряду скоростей SDH - трибами SDH.
Итак, первая особенность иерархии SDH - поддержка в качестве входных сигналов каналов доступа только трибов PDH и SDH.
Другая особенность - процедура формирования структуры фрейма.
Два правила относятся к разряду общих: при наличии иерархии структур структура верхнего уровня может строиться из структур нижнего уровня, несколько структур того же уровня, могут быть объединены в одну более общую структуру. Остальные правила отражают специфику технологии. Например, на входе мультиплексора доступа имеем трибы PDH, которые должны быть упакованы в оболочку фрейма так, чтобы их легко можно было ввести и вывести в нужном месте с помощью мультиплексора ввода-вывода. Для этого сам фрейм достаточно представить в виде некоторого контейнера стандартного размера (в силу синхронности сети его размеры не должны меняться), имеющего сопровождающую документацию - заголовок, где собраны все необходимые для управления и маршрутизации контейнера поля-параметры, и внутреннюю емкость для размещения полезной нагрузки, где должны располагаться однотипные контейнеры меньшего размера (нижних уровней), которые также должны иметь некий заголовок и полезную нагрузку и т. д. по принципу матрешки, или по методу последовательных вложений, или инкапсуляции.
Для реализации этого метода было предложено использовать понятие контейнер, в который и упаковывается триб. По типоразмеру контейнеры делятся на 4 уровня, соответствующие уровням PDH. На контейнер должен наклеиваться ярлык, содержащий управляющую информацию для сбора статистики прохождения контейнера. Контейнер с таким ярлыком используется для переноса информации, т.е. является логическим, а не физическим объектом, поэтому его называют виртуальным контейнером.
Итак, вторая особенность иерархии SDH - трибы должны быть упакованы в стандартные помеченные контейнеры, размеры которых определяются уровнем триба в иерархии PDH.
Виртуальные контейнеры могут объединяться в группы двумя различными способами. Контейнеры нижних уровней могут, например, мультиплексироваться (т. е. составляться вместе) и использоваться в качестве полезной нагрузки контейнеров верхних уровней (т.е. большего размера), которые, в свою очередь, служат полезной нагрузкой контейнера самого верхнего уровня (самого большого размера) - фрейма STM-1.
Рекомендуемые материалы
Такое группирование может осуществляться по жесткой синхронной схеме, при которой место отдельного контейнера в поле для размещения нагрузки строго фиксировано. С другой стороны, из нескольких фреймов могут быть составлены новые (более крупные) образования мультифреймы.
Из-за возможных различий в типе составляющих фрейм контейнеров и непредвиденных временных задержек в процессе загрузки фрейма положение контейнеров внутри мультифрейма может быть, строго говоря, не фиксировано, что может привести к ошибке при вводе/выводе контейнера, учитывая общую нестабильность синхронизации в сети. Для устранения этого факта, на каждый виртуальный контейнер заводится указатель, содержащий фактический адрес начала виртуального контейнера на карте поля, отведенного под полезную нагрузку. Указатель дает контейнеру некоторую степень свободы, т.е. возможность "плавать" под действием непредвиденных временных флуктуации, но при этом гарантирует, что он не будет потерян.
Итак, третья особенность иерархии SDH - положение виртуального контейнера может определяться с помощью указателей, позволяющих устранить противоречие между фактом синхронности обработки и возможным изменением положения контейнера внутри поля полезной нагрузки.
Хотя размеры контейнеров различны и емкость контейнеров верхних уровней достаточно велика, может оказаться так, что-либо она все равно недостаточна, либо под нагрузку лучше выделить несколько (в том числе и с дробной частью) контейнеров меньшего размера. Для этого в SDH технологии предусмотрена возможность сцепления или конкатенации контейнеров (составление нескольких контейнеров вместе в одну структуру, называемую связистами "сцепкой"). Составной контейнер отличается соответствующим индексом от основного и рассматривается (с точки зрения размещения нагрузки) как один большой контейнер. Указанная возможность позволяет с одной стороны оптимизировать использование имеющейся номенклатуры контейнеров, с другой стороны позволяет легко приспособить технологию к новым типам нагрузок, не известных на момент ее разработки.
Итак, четвертая особенность иерархии SDH - несколько контейнеров одного уровня могут быть сцеплены вместе, и рассматриваться как один непрерывный контейнер, используемый для размещения нестандартной полезной нагрузки.
Пятая особенность иерархии SDH состоит в том, что в ней предусмотрено формирование отдельного (нормального для технологий пакетной обработки в локальных сетях) поля заголовков размером 9x9=81 байт. Хотя перегруженность общим заголовком невелика и составляет всего 3,33%, он достаточно большой, чтобы разместить необходимую управляющую и контрольную информацию и отвести часть байт для организации необходимых внутренних (служебных) каналов передачи данных. Учитывая, что передача каждого байта в структуре фрейма эквивалентна потоку данных со скоростью 64 кбит/с, передача указанного заголовка соответствует организации потока служебной информации эквивалентного 5,184 Мбит/с.
Естественно, что при построении любой иерархии должен быть определен либо ряд стандартных скоростей этой иерархии, либо правило его формирования и первый (порождающий) член ряда. Если для PDH значение DS0 (64 кбит/с) вычислялось достаточно просто, то для SDH значение первого члена ряда можно было получить только после определения структуры фрейма и его размера. Схема логических рассуждений достаточно проста. Во-первых, поле его полезной нагрузки должно было вмещать максимальный по размеру виртуальный контейнер VC-4, формируемый при инкапсуляции триба 140 Мбит/с. Во-вторых, его размер: 9x261=2349 байт и определил размер поля полезной нагрузки STM-1, а добавление к нему поля заголовков определило размер синхронного транспортного модуля STM-1: 9x261+ 9x9=9x270=2430 байт или 2430x8=19440 бит, что при частоте повторения 8000 Гц позволяет определить и порождающий член ряда для иерархии SDH: 19440x8000=155,52 Мбит/с.
1.2 Обобщенная схема мультиплексирования потоков в SDH.
Указанная многовариантность и сложность формирования модуля STM-1, предложенная в первой редакции, ставила в трудное положение производителей оборудования SDH, и отрицательно сказалось на его унификации, а также номенклатуре поддерживаемых PDH трибов. Наименьшую поддержку получили трибы Е2 и Т2. Триб Е2 был исключен из списка обязательных уже во второй редакции (1991г.), а триб Т2 остался в третьей редакции (1993 г.) только в обобщенной схеме мультиплексирования SONET/SDH и был исключен комитетом ETSI из списка обязательных в европейском варианте обобщенной схемы мультиплексирования SDH. Показательным в этом плане является номенклатура трибов оборудования SDH. Из него видно, что триб Т2 не включен как обязательный ни в одну спецификацию восьми крупнейших производителей SDH оборудования. То же можно сказать и о девятом производителе - Nokia (Финляндия).
Другим фактором, порождающим многовариантность, было допущение кросс-мультиплексирования, т.е. отображения TUG-21 на VC-31, а также отображения TUG-21 и TUG-22 непосредственно на VC-4 с различными коэффициентами мультиплексирования: 5, 21 и 16. Для уменьшения многовариантности схема мультиплексирования в редакциях стандартов G.708 и G.709 была упрощена.
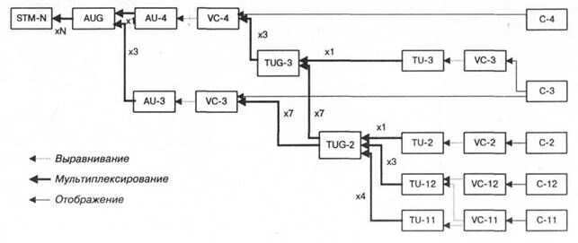
На рис. 1.1 представлена третья редакция (1993г.) схемы мультиплексирования SDH, предложенная в обобщенном виде в стандарте G.708 и в более подробном виде в стандарте G.709, который и показан на этом рисунке. Основными отличиями этой схемы от схемы первой редакции являются:
- отсутствие триба Е2 (отображаемого в контейнер С-22) и связанных с ним блоков VC-22 и TU-22 (контейнер С-21, виртуальный контейнер VC-21 и блок TU-21 представлены как С-2, VC-2 и TU-2 соответственно);
- появление блока TUG-3 и замыкание на него выхода блока TUG-2 (потеря симметрии, т.е. связей TUG-21 - VC-4 и TUG-22 - VC-4);
- несимметричное использование TU-3 в связке с VC-3 только для ветви: С-3 - триб ЕЗ/ТЗ (вместо симметричной схемы ТU-31/ТU-32 - VC-31/VC-32) и отсутствие в связи с этим возможности кросс-мультиплексирования, осуществляемого по связи TUG-21 - VC-31, ввиду ее отсутствия.
Указанные упрощения привели к тому, что теперь от семи возможных путей формирования STM-1 из трибов Е1 (2 Мбит/с) осталось только два:
1) Н12 - С-12 - VC-12 - TU-12 - TUG-2 - TUG-3 - VC-4 - AU-4 - AUG - STM-1
2) Н12 - С-12 - VC-12 - TU-12 - TUG-2 - VC-3 - AU-3 - AUG - STM-1

Рис. 1.1 Общая схема мультиплексирования PDH трибов в технологии SDH
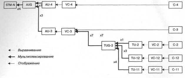
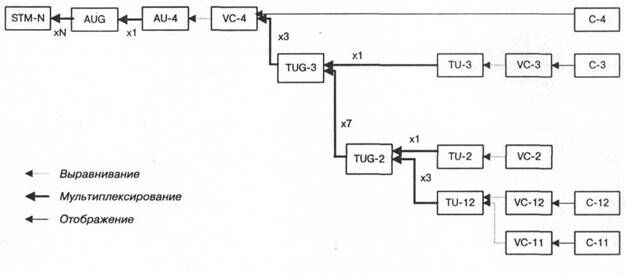
Эти упрощения становятся еще более очевидными, если учесть, что указанная схема является общей, объединяющей две схемы мультиплексирования: европейскую схему мультиплексирования SDH, предложенную Институтом стандартов ETSI (рис.1.2), и американскую схему мультиплексирования SONET/SDH, которую можно вычленить из общей схемы и представить в виде подсхемы на рис. 1.3. Эти две схемы отличаются тем, что у них отсутствует вариантность в формировании STM-1 из набора допустимых трибов.
|
|
Рис. 1.2 Схема мультиплексирования PDH трибов в технологии SDH
Для рассматриваемого нами примера с трибом Е1 вариант формирования STM-1 по схеме ETSI (рис. 1.2) имеет вид:
Вам также может быть полезна лекция "2 Предмет, метод и функции".
Е1 - С-12 - VC-12 - TU-12 - TUG-2 - TUG-3 - VC-4 - AU-4 - AUG - STM-1,
а по схеме SONET/SDH (рис. 1.3) имеет вид:
Е1 - С-12 - VC-12 - TU-12 –TUG-2 - VC-3 - AU-3 - AUG - STM-1.

Рис. 1.3 Схема мультиплексирования PDH трибов в технологии ONET/SDH
Итак, на сегодняшний день общая схема мультиплексирования SDH приобрела окончательный вид (рис. 1.1), зафиксированный в публикации так называемой Белой книги рекомендаций ITU-T (МСЭ-Т), а европейская интерпретация этой схемы (рис.1.2) зафиксирована в публикации ETSI.






















