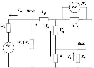
Схема с общим коллектором
Лекция № 5.
1. Схема с общим коллектором.
2. Отрицательно обратные связи в уменьшительных каскадах.
1. Этот каскад часто входит в схемы как каскад сопряжения, имея специфические Rвх и Rвых .
Не дает большого усиления по мощности и не дает усиления по напряжению.
![]() | ||||||||||||||
![]() | ||||||||||||||
![]() | ||||||||||||||
![]() | ||||||||||||||
![]() | ![]() | |||||||||||||
![]() | ||||||||||||||
![]() |



Рекомендуемые материалы

Эквивалентная схема:
![]() |

1) Rвх=R1//R2//rвх;
rвх=
=
;
Rвх=
;
β=50;
Rэ //Rн=1 кОм;
Rвх=51 кОм.
2). Rвых = Rэ // (rэ+
);
Так как
~ 0;
=> Rвых = Rэ // rэ.
3). KI=
;
Iн=(β+1)Iб
;
KI=(β+1) Iб
.
4). Кн= КI
β+1)
< 1;
Кн_-> 1не усиливает входного напряжения.
Фаза выходного напряжения.
2. Большинству эл. усилителей требуется отрицательная обратная связь, чтобы при изменении частоты, амплитуды входного сигнала, а также температуры; коэффициенты усиления оставались постоянны и для придания схеме спец. свойств.
![]() | |||
![]() |
Uд=Uвх-Uос;


Kнос=
;
Kнос=
;
dKнос=
;
Кн -> 20%;
Kн=50, j=0,1, Kнос->0,5%.
![]() |
С увеличением коэффициента отрицательной ОС равномерность частотной характеристики увеличивается, уменьшаются частотные искажения.
Uвх=Uу+Uoc;
Uoc=Uy k j.
Последовательная ООС по напряжению:
Rвхос=
(1+Кн*j)
;
Rвыхос=
.
Последовательная ООС по току:
увел. Rвх и Rвых.
Rвх=(1+Кjy
;
Rвых=(1+Кj
.

![]() | |||
![]() |
13 - Нарушители и вирусы - лекция, которая пользуется популярностью у тех, кто читал эту лекцию.



































