Диодный преобразователь частоты
Диодный преобразователь частоты
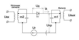
В большинстве СВЧ – приемников в качестве преобразующих элементов (ПЭ) преобразователями частоты (ПЧ) используются кристаллические диоды, обладающие малым временем пролета электронов (малой инерционностью) и сравнительно малыми шумами. Такие ПЧ применяют в РПУ КВ-диапазона. Схема диодного ПЧ приведена на рис.1.

Рис. 1 Диодный ПЧ.
27 Прессование - лекция, которая пользуется популярностью у тех, кто читал эту лекцию.
Фильтр настроен на промежуточную частоту (
). Частичное подключение диода к входному и выходному контурам снижает шунтирующее действие на них сопротивление диода. В реальных конструкциях диодных ПЧ СВЧ-входной контур выполняют в виде отрезка полосковых или коаксиальных линий, а также в виде объемных резонаторов. В некоторых ПЧ предусматривают источник напряжения смещения Е, оптимизирующий рабочий участок ВАХ диода.
Достоинства:
- простота схемы
Недостатки:
- отсутствие усилительных свойств
- цепь сигнала и гетеродина сильно взаимозависимы. На выходе должна быть сложная фильтрующая система, так как на выходе много комбинационных частот.






















