Основы расчета на прочность
Раздел 1. «основы расчета на прочность »
(Сопротивление материалов)
1.1. Внешние силы (нагрузки).
Усилия, действующие на детали механизма, делят на внешние нагрузки и внутренние силы упругости.
Внешние нагрузки делят на объемные и поверхностные. К объемным относятся силы веса, инерции, электромагнитные силы. Поверхностные нагрузки делятся на распределенные и сосредоточенные. Сосредоточенной называется нагрузка, действующая на площадке весьма малой по сравнению с общими размерами детали и условно считающаяся приложенной в точке. Сосредоточенные нагрузки измеряются в единицах силы (Н). Распределенная нагрузка может быть приложена на поверхности или по линии и соответственно измеряется в единицах давления (Па или МПа) и единицы погонной нагрузки (Н/м). Кроме этого, внешние нагрузки делят на заданные силы и реакции опор.
Внутренние силы упругости представляют собой силы межмолекулярного взаимодействия, возникающего при воздействии на упругое тело внешних нагрузок.
Учесть все многообразие силовых факторов, действующих на машину, а также особенности самой конструкции при расчете на прочность невозможно. Поэтому при расчетах и проектировании учитываются лишь главные факторы, и вместо реальной конструкции рассматривают ее упрощенный прототип, называемый расчетной схемой.
Деформации и перемещения.
Закрепленное и нагруженное внешними силами тело (или деталь конструкции) деформируется, т.е. изменяет свои размеры или форму, либо и то и другое одновременно.
Рекомендуемые материалы
Изменение линейных размеров тела или его частей называется линейной, а изменение угловых размеров – угловой деформацией.
Деформации, исчезающие после разгрузки тела, называются упругими, а свойство тел принимать после разгрузки первоначальную форму называется упругостью.
Деформации, сохраняемые телом и после удаления нагрузки, называются остаточными или пластическими, а свойство материалов давать остаточные деформации называется пластичностью.
Зная деформации тела во всех его точках и условия закрепления, можно определить перемещения всех точек тела, т.е. указать их положение (новые координаты) после деформации.
1.3. Метод сечений.
Для определения внутренних усилий (внутренних силовых факторов) применяется метод сечений.
Тело, нагруженное системой сил и находящееся в равновесии (рис. 1.1), мысленно рассечем плоскостью а-а на две части I и II . Рассмотрим равновесие одной из частей, например, I. Взаимодействие отброшенной части тела заменяется внутренними усилиями, которые уравновешивают внешние силы, действующие на отсеченную часть. Если внешние силы лежат в одной плоскости, то для их уравновешивания необходимо в общем случае приложить в сечении три внутренних усилия: силу N, называемую продольной силой, силу Q, называемую поперечной силой, и момент Mи, плоскость действия которого перпендикулярна плоскости сечения. Этот момент называется изгибающим моментом.

Рис.1.1
После этого составляют уравнения равновесия для отсеченной части тела (сумму проекций сил на оси и сумму моментов относительно какой-либо точки), из которых и определяют N, Q и Mи.
Если же внешние силы, к которым относятся также реакции опор, не лежат в одной плоскости (пространственная задача), то в поперечном сечении в общем случае могут возникать шесть внутренних усилий (рис. 1.2.): продольная сила N, перечные силы Qx, Qy и три момента – Mx, My и Mz, причем первые два из них являются изгибающими, а третий Mz, действующий в плоскости сечения, называется крутящим Ткр. Для определения этих шести усилий необходимо использовать шесть уравнений равновесия.
В частном случае в поперечном сечении стержня могут возникать:
1. Только продольная сила N. Этот случай нагружения называется растяжением (если сила направлена от сечения) или сжатием (если продольная сила направлена к сечению).
2. Только поперечная сила Qx или Qy. Это - случай сдвига.
3. Только крутящий момент Tкр. Это - случай кручения.
4. Только изгибающий момент My или Mz . Это – случай изгиба.
5. Несколько усилий. Это – случаи сложных деформаций (или сложного сопротивления).
Если число неизвестных усилий равно числу уравнений равновесия, задача называется статически определимой, если же число неизвестных усилий больше числа уравнений равновесия – статически неопределимой.
Для статически неопределимой задачи кроме уравнений равновесия необходимо использовать еще дополнительные уравнения, рассматривая деформации системы.

Рис. 1.2.
Напряжения
Интенсивность внутренних сил упругости называется напряжением.
Рассмотрим сечение некоторого тела (рис. 1.3). В окрестности точки В выделим элементарную площадку ∆А, в пределах которой выявлена равнодействующая внутренних сил ∆R.

Рис.1.3.
Тогда средняя величина внутренних сил, приходящихся на единицу площадки, будет равна
pср = ∆R/∆А. (1.1)
Величина pср называется средним напряжением. Уменьшая размеры площадки, в пределе получим
(1.2)
Векторная величина р представляет собой полное напряжение в точке В сечения тела. Напряжение измеряется в паскалях (Па) или в мегапаскалях (МПА), 1 МПА=106 Па.
Полное напряжение может быть разложено на три составляющие: по нормали к плоскости сечения и по двум осям в плоскости сечения (рис. 1.4). Составляющую вектора полного напряжения по нормали обозначают σ и называют нормальным напряжением. Составляющие в плоскости сечения называются касательными напряжениями и обозначаются τ с двумя индексами: первый из них указывает, какой оси параллельна нормаль к площадке действия данного напряжения, а второй – какой оси параллельно само напряжение.

Рис.1.4.
Разложение полного напряжения на нормальное и касательное имеет определенный физический смысл. Нормальное напряжение возникает, когда частицы материала стремятся отдалиться друг от друга или, наоборот, сблизиться. Касательные напряжения связаны со сдвигом частиц по плоскости рассматриваемого сечения.
Совокупность напряжений на всех элементарных площадках, которые можно провести через какую-либо точку тела, называется напряженным состоянием в данной точке.
Если по граням вырезанного кубика действуют одни только нормальные напряжения, тот они называются главными, а площадки, на которых они действуют – главные площадки.
Можно доказать, что в каждой точке напряженного тела существуют три главные взаимно перпендикулярные площадки.
Главные напряжения обозначаются σ1, σ2 и σ3, причем большие из них имеют индекс 1, а меньшие – 3.
В зависимости от числа возникающих главных напряжений различают следующие виды напряженного состояния:
- если отличны от нуля все три главных напряжения, то напряженное состояние называется трехосным или объемным;
- если равно нулю одно из главных напряжений, то напряженное состояние называется двухосным или плоским;
- если равны нулю два главных напряжения, то напряженное состояние называется одноосным или линейным.
1.5. Растяжение и сжатие
Деформацию растяжения (сжатия) исследуют на брусьях или стержнях – телах, отличающихся тем, что у них один размер значительно больше других. В зависимости от формы геометрической оси различают прямолинейные и криволинейные брусья. Стержнем обычно называют тонкий и длинный брус с прямолинейной осью. Размеры и форма поперечных сечений стержня могут быть постоянными или переменными.
Растяжение (сжатие) прямых стержней – достаточно простой вид напряженного состояния, который легко реализовать в лабораторных условиях.
Рассмотрим случай осевого (центрального) растяжения (сжатия), когда внешние силы действуют по оси стержня, площадь поперечного сечения которого равна А (рис.1.5).
Для определения внутренних усилий (продольных сил) применим метод сечений. Проведем какое-нибудь сечение, например а-а, и рассмотрим равновесие нижней отсеченной части. Воздействие верхней отброшенной части на нижнюю заменим продольной силой и предварительно направим ее от сечения, т.е. предположим, что сила является растягивающей. Составим уравнение равновесия:
N1+8F-5F= 0, откуда N1= - 3F.
Знак минус показывает, что направление силы N1 следует изменить на обратное, т.е. продольная сила не растягивающей, а сжимающей. Аналогично найдем продольную силу в сечении б-б: N2=5F (растягивающая). Условимся продольную растягивающую силу считать положительной.
Наглядное представление о законе изменения продольных сил по длине стержня дает график (эпюра сил).
Закон распределения нормальных напряжений σ по сечению устанавливается с помощью гипотезы плоских сечений: плоские поперечные сечения стержня при упругом растяжении (сжатии) смещаются параллельно исходным положениям, оставаясь при этом плоскими.

Следовательно, нормальные напряжения во всех точках текущего сечения должны быть одинаковыми и равными
σ= N/A. (1.3)
Опыты показывают, что при растяжении длина стержня увеличивается, а поперечные размеры уменьшаются, при сжатии – наоборот.
Для многих материалов при нагружении до определенных пределов справедлива линейная зависимость между нормальным напряжением σ и относительным удлинением ε
σ =Еε, (1.4)
где εz = ε=∆l/l – относительное удлинение стержня, ∆l – абсолютное удлинение стержня, l- длина стержня до деформации, Е – коэффициент пропорциональности, который называется модулем упругости, или модулем Юнга. Его величина зависит от механических свойств материала.
Эта зависимость носит название закона Гука.
Важной характеристикой прочности материала является также коэффициент Пуассона μ. Величина этого коэффициента определяется абсолютным значением отношения поперечной деформации εx или εy к продольной εz.
μ= abs(εx/εz) = abs(εy/εz). (1.5)
Численные значения коэффициента Пуассона также зависят от материала.
Закон Гука можно записать в другой форме. Из (1.4 и 1.5) следует, что
εz=σz/E , εx = εy = -μ (σz/E). (1.6)
Поскольку от действия одного нормального напряжения σ возникает в горизонтальном направлении удлинение и в вертикальном направлении сужение, то, суммируя эти деформации, получим
εx = σx/E –μ(σy/E + σz/E);
εy = σy/E –μ(σx/E + σz/E) ; (1.7)
εz = σy/E –μ(σx/E + σy/E).
Выражение (1.7) получило название обобщенного закона Гука.
1.5.1. Механические характеристики и испытания материалов
При расчетах на прочность необходимо знать механические характеристики материалов, для чего проводят испытания образцов.
Механические свойства определяются на специальных машинах и приборах при испытаниях образцов, изготовленных из данного материала. Различают испытания на растяжение, сжатие, изгиб, сдвиг, кручение и т.д. Большинство механических характеристик прямо или косвенно можно определить при испытании на растяжение.
На рис. 1.6 приведена типичная кривая, полученная при испытании на растяжение образцов из малоуглеродистой стали.
Диаграмма имеет ряд характерных точек. На участке ОА диаграмма прямолинейная – растяжение происходит с соблюдением закона Гука, а координаты точки А определяют предел пропорциональности. Участок ВС характеризуется появлением пластических деформаций, которые растут даже без приложения нагрузки. Это явление называется текучестью материала, а напряжение, соответствующее точке С - пределом текучести σт. На участке CD напряжение возрастает и в точке D достигает максимума. Дальнейшее удлинение приводит к разрушению материала. Напряжение, соответствующее точке D, называется пределом прочности σb .
Для материалов, у которых нет явно выраженной площадки текучести, используется понятие условного предела текучести, за который принимают напряжения, при которых остаточная деформация равна ε=0,002. Для хрупких материалов предела текучести нет.

Рис. 1.6.
Кроме указанных выше механических характеристик, диаграмма растяжения дает возможность определить энергетическую характеристику материала. Полная работа, затраченная на разрыв образца, может быть подсчитана как площадь диаграммы, ограниченной кривой OABCDE , линией EG и осью абсцисс.
В пределах упругости полная работа, произведенная силами упругости при статическом нагружении, превращается в потенциальную энергию деформированного тела и выражается площадью треугольника OAF.
. (1.8)
1.5.2. Допускаемые напряжения и условия прочности
Имея результаты испытаний материала на растяжение (сжатие), можно определить напряжения, обеспечивающие безотказную работу машины. Их называют допускаемыми напряжениями по текучести [σт] и по прочности [σb], величины которых рассчитываются по формулам
[σт] = σт/nт; (1.9)
[σb] = σb/nb,
где nт , nb - коэффициенты запаса прочности.
Одним из важнейших критериев расчета механической конструкции является условие прочности. Оно считается выполненным, если фактические действующие напряжения не превышают допускаемые
σ£ [σт]; (1.10)
σ£ [σb].
1.5.3. Напряжения в наклонных сечениях
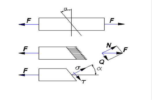
Рассмотрим напряжения, возникающие на площадке, наклоненной под углом α к оси бруса и растянутого силой F (рис. 1.7). Равнодействующая внутренних сил в этом сечении направлена вдоль оси стержня и равна внешней растягивающей силе F. Спроектируем эту силу на два взаимно перпендикулярных направления (в плоскости сечения и перпендикулярно к нему),
N=F cos α, Q=F sin α.
Если площадь поперечного сечения бруса обозначить через А, то площадь наклонной площадки равна Ан=А/cosα, а напряжения на этой площадке будут равны
σн= N/Ан = F cos2α /A =σ cos2α; τн = Q/Ан=1/2 σ sin 2α. (1.11)

Рис. 1.7
Нормальные напряжения, действующие на наклонной площадке, согласно (1.11) достигают максимальной величины при α=0, причем σmax=σ, а касательные напряжения равны нулю. Касательные же напряжения достигают максимального значения при α=π/4 и α=3π/4, τmax=σ/2. При этом нормальные напряжения по величине равны касательным.
Эксперименты показывают, что поверхности разрушения при растяжении стержней, как правило, наклонены под углом α=π/4, поэтому основной причиной разрушения материала являются наибольшие касательные напряжения.
Рассмотрим теперь напряжения по площадке, перпендикулярной рассматриваемой ранее. Нормаль к этой площадке будет составлять с направлением силы F угол 3π/2+α. Из формул (1.11) имеем
. (1.12)
Сравнивая формулы (1.11) и (1.12), получаем τ н = - τн1, т.е. на двух взаимно перпендикулярных площадках действуют равные по величине и обратные по знаку касательные напряжения (закон парности касательных напряжений). При этом касательные напряжения на двух взаимно перпендикулярных площадках направлены оба либо к ребру пересечения площадок, либо от ребра.
Закон парности касательных напряжений имеет силу не только для одноосного, но и для двухосного и объемного напряженного состояния.
1.5.4. Потенциальная энергия деформации
На основании выражения (1.8) и в соответствии с принципом суперпозиции потенциальная энергия деформации при объемном напряженном состоянии равна
. (1.13)
Воспользовавшись обобщенным законом Гука (1.7), исключим деформации и в результате получим
. (1.14)
1.6. Сдвиг
Если на гранях элемента действуют только касательные напряжения, то такой вид напряженного состояния называется чистым сдвигом.
Рассмотрим деформации при сдвиге. Элемент ABCD, прямоугольный до деформации (рис. 1.8), после деформации сдвига примет вид AB1C1D (грань AD считаем закрепленной).
Угол γ называется угловой деформацией или углом сдвига.
Опыты показывают, что для многих материалов между напряжениями и деформациями при сдвиге имеет место линейная зависимость
γ=τ/G , (1.15)
которая выражает закон Гука при сдвиге. Постоянную G называют модулем сдвига (модулем упругости второго рода), он характеризует способность материала сопротивляться деформации сдвига.
Линейная зависимость между τ и γ справедлива до тех пор, пока касательные напряжения не превзойдут предела пропорциональности при сдвиге.
В общем виде соотношение между модулем сдвига, модулем упругости первого рода и коэффициентом Пуассона выражается формулой
. (1.16)

Рис.1.8
При расчетах на сдвиг (срез) формула прочности имеет вид
, (1.17)
где Qy – поперечная сила, [τср ] – допускаемое напряжение на срез, чаще всего выбираемое как часть допускаемого напряжения на растяжение
[τср ] =(0,5…0,6) [σ]. (1.18)
1.7.Кручение
Кручение элемента конструкции происходит при нагружении его внешними моментами (парами сил), плоскости, действия которых нормальны к продольной оси этого элемента.
Стержень испытывает кручение, если в его поперечных сечениях возникают крутящие моменты, т.е. моменты, лежащие в плоскости сечения. Для определения крутящего момента в заданном сечении применяется метод сечений, с помощью которого легко установить общее правило: внутренний крутящий момент Мкр в любом сечении стержня (бруса) численно равен алгебраической сумме внешних моментов вращения Т, лежащих по одну сторону от рассматриваемого сечения. Принято считать, что если крутящий момент направлен против часовой стрелки относительно конца внешней к сечению нормали, то он положительный. Рассмотрим брус круглого сечения, жестко заделанный одним концом и нагруженный вращающим моментом Т на другом конце (рис.1.9,а). Действие момента приводит к закручиванию бруса по длине на угол γ. Проведя два поперечных сечения, выделим из трубы с внешним радиусом r участок длиной dz. Угол закручивания поперечного сечения обозначим через dϕ (рис. 1.9,б). При приложении вращающего момента Т точка b переместится в положение b1. Тогда из геометрических соображений получаем
γ dz = r dϕ, (1.19)
или
γ = r dϕ/ dz . (1.20)
Вводя в рассмотрение относительный угол закручивания ϑ единицы длины, равный ϑ= dϕ/dz из (1.19) получим
ϑ = γ/r . (1.21)

Рис.1.9
В соответствии с законом Гука при сдвиге можно записать
. (1.22)
Как видим, при кручении деформация сдвига и касательные напряжения прямо пропорциональны расстоянию от центра тяжести сечения.
Эпюра касательных напряжений по поперечному сечению бруса представлена на рис. 1.10.
В центре тяжести круглого сечения касательные напряжения равны нулю. Наибольшие касательные напряжения будут в точках сечения, расположенных у поверхности бруса,
. (1.23)

Рис.1.10
Воспользуемся методом сечений и рассмотрим равновесие части бруса длиной dz. Из условия равновесия, получим
, (1.24)
где τrdA – элементарный крутящий момент внутренних сил, действующий по площадке dA.
Подставив в (1.24) значение напряжений из формулы (1.22), получим
. (1.25)
Имея в виду, что
, (1.26)
где Iр – полярный момент инерции сечения, получим
. (1.27)
Для круглого сечения диаметра d полярный момент инерции равен
.
Подставив (1.27) в (1.22), получим
. (1.28)
Как видим из этой формулы, в точках, одинаково удаленных от центра сечения, напряжения τ одинаковы.
Наибольшие напряжения равны
, (1.29)
где
Wр = Ip/r. (1.30)
Геометрическая характеристика Wp называется полярным моментом сопротивления или моментом сопротивления при кручении.
Для круглого сплошного сечения
.
Для кольцевого сечения
, (1.31)
где С=d/D, d и D – внутренний и наружный диаметры кольцевого сечения.
Условие статической прочности вала при кручении имеет вид
τmax = Tкр/Wp < [τ], (1.32)
здесь [τ] – допускаемое касательное напряжение.
Из выражения (1.27) можно найти относительный угол закручивания
. (1.33)
Полный угол поворота одного сечения относительно другого, отстоящего от него на расстоянии l, получим, интегрируя (1.33) в пределах от 0 до ϕ и от 0 до l
, (1.34)
Произведение GIp называется жесткостью бруса при кручении.
1.8. Изгиб
Рассмотрим брус цилиндрической или призматической формы с прямолинейной осью, на который действуют поперечные силы и моменты. При этом в поперечных сечениях возникают изгибающие моменты, т.е. внутренние моменты, плоскость действия которых перпендикулярна плоскости поперечного сечения бруса. При действии такой нагрузки ось стержня искривляется. Указанный вид нагружения называется изгибом.
Горизонтальный брус, закрепленный на опорах и испытывающий деформацию изгиба, называется балкой. Различают статически определимые и статически неопределимые балки.
Опоры балок, рассматриваемых как плоские системы, бывают трех основных типов.

а б в
Рис.1.11
1. Подвижная шарнирная опора (рис. 1.11,а). Такая опора не препятствует вращению конца балки и его перемещению вдоль плоскости качения. В ней может возникать только одна реакция, которая перпендикулярна плоскости качения и проходит через центр катка.
Подвижные опоры дают возможность балке беспрепятственно изменять свою длину при изменении температуры и тем самым устраняют возможность появления температурных напряжений.
2. Неподвижная шарнирная опора (рис. 1.11,б). Такая опора допускает вращение конца балки, но устраняет поступательное перемещение ее в любом направлении. Возникающую в ней реакцию можно разложить на две составляющие – горизонтальную и вертикальную.
3. Жесткая заделка, или защемление (рис. 1.11,в). Такое закрепление не допускает ни линейных, ни угловых перемещений опорного сечения. В этой опоре может в общем случае возникать реакция, которую обычно раскладывают на горизонтальную и вертикальную составляющие, и момент защемления (реактивный момент).
Балка с одним заделанным концом называется консольной балкой или просто консолью.
Если опорные реакции могут быть найдены из одних уравнений статики, то балки называют статически определимыми. Если же число неизвестных опорных реакций больше чем число уравнений статики, возможных для данной задачи, то балки называют статически неопределимыми. Для определения реакций в таких балках приходится составлять дополнительные уравнения – уравнения перемещений.
1.8.2. Определение внутренних усилий при изгибе
При плоском поперечном изгибе в поперечных сечениях балки возникают два внутренних усилия (внутренних силовых фактора) – изгибающий момент Ми и поперечная сила Q. Для их определения применим метод сечения. В интересующем нас месте сделаем мысленный разрез балки, например, на расстоянии z от левой опоры (рис. 1.12,а). Отбросим, например, правую часть и рассмотрим равновесие левой части.
Взаимодействие частей балки заменим внутренними усилиями Ми и Q (рис.1.12б).

а)
б)
Рис. 1.12
Запишем уравнения равновесия
1. åY = 0 RA – F1 +Q =0; Q = F1 - RA
Q = å(Fi)y.
2. åMo =0 RA×z –F1(z-a1) –Mи =0
Ми = RA×z - F1(z-a1); Mи=åmo(Fi).
Таким образом,
1) поперечная сила Q в поперечном сечении балки численно равна алгебраической сумме проекций на плоскость сечения всех внешних сил, действующих по одну сторону от сечения;
2) изгибающий момент в поперечном сечении балки численно равен алгебраической сумме моментов (вычисленных относительно центра тяжести сечения) внешних сил, действующих по одну сторону от данного сечения.
Поперечная сила в сечении считается положительной, если равнодействующая внешних сил слева от сечения направлена снизу вверх.
Изгибающий момент считается положительным, если в рассматриваемом сечении балка изгибается выпуклостью вниз.
1.8.3. Построение эпюр
Графики изменения поперечных сил и изгибающих моментов вдоль центральной оси балки называются эпюрами. При построении эпюр поперечных сил и изгибающих моментов необходимо начинать с определения реакций опор.
Порядок построения эпюр рассмотрим на примерах.
На рис. 1.13 изображена балка длиной l, один конец которой неподвижен, а другой опирается на шарнирно подвижную опору. Балка нагружена сосредоточенной силой F.
Из уравнений равновесия балки находим реакции в опорах
RA=F×b/l; RB=F×a/l.
Рассмотрим участок балки AC, для которого общее выражение для поперечной силы и изгибающего момента будут следующие
Q(z)1=RA=F×b/l;
Mи1=RA×z = F×b×z /l.
Отсюда следует, что поперечная сила в пределах участка сохраняет постоянное значение, а изгибающий момент изменяется по линейному закону от Ми(0)=0 до Ми(а)=F×b×a /l на границе участка в точке С.
На втором участке СВ общие выражения для произвольно взятого поперечного сечения
Q(z)2=RA-F=F×b/l – F = - F×a/l;
Mи2=RA×z –F(z-a)= F×b×z /l – F(z-a) = F×a - F×z×a/l,
т.е. поперечная сила имеет постоянное значение, а изгибающий момент убывает по линейному закону от М(а)= F×b×а /l в начале участка (точка С) до нуля (в точке В при z=l).
Рис. 1.13
Следовательно, эпюра поперечной силы на границе участков в точке, где приложена сосредоточенная сила F, имеет скачок на величину F. Изгибающий момент М(z) на первом участке увеличивается, а на втором уменьшается. В точке приложения сосредоточенной силы эпюра изгибающего момента имеет излом.
Рассмотрим консольную балку, нагруженную равномерно распределенной нагрузкой (рис.1.14). Используя уравнения равновесия, найдем опорные реакции
MA=q×l2/2; RA=q×l.
Так как нагрузка на балку на всем пролете однородная, то выражение для поперечной силы и изгибающего момента в произвольном сечении будут следующие
Q(z)=RA – q×z = q×l - q×z;
M(z)=RA×z – q×z×z/2 – MA= q×l×z – q×z2/2 –q×l2/2.
Из полученных выражений следует, что поперечная сила уменьшается по линейному закону от Q(0)=ql в месте защемления консоли до Q(l)=0 на конце ее. Изгибающий момент изменяется по закону квадратной параболы от значения M(0) = -ql2/2 в опорном сечении до M(l)=0 в концевом.

Рис. 1.14
1.8.4. Нормальные напряжения при чистом изгибе
При чистом (простом) изгибе в поперечных сечениях балки возникают только изгибающие моменты в плоскости, проходящей через одну из главных осей поперечного сечения балки.
Изгибающий момент представляет собой равнодействующий момент внутренних нормальных сил, распределенных по сечению.
Чтобы установить закон распределения и величину внутренних сил, возникающих в поперечном сечении балки, уравнений статики недостаточно. Необходимо использовать условия деформации балки.
Если балку постоянного сечения нагрузить внешними моментами, приложенными к торцам, то балка изогнется, ее верхние волокна укоротятся, а нижние удлинятся (рис. 1.15). В среднем по высоте части сечения балки находится слой волокон, который не будет изменять свою длину – нейтральный слой. Положение этого слоя NN заранее не известно. Линия пресечения нейтрального слоя с поперечным сечением балки называется нейтральной осью или линией.
При изгибе справедлива гипотеза плоских сечений: сечения, бывшие плоскими до деформации, считаются плоскими и после деформации и лишь поворачиваются относительно соответствующих нейтральных линий.
Выделим элемент балки длиной dz и рассмотрим волокно n-n, расположенное на нейтральном слое, и волокно m-m на расстоянии y от n-n. До деформации mm = nn = dz. В процессе деформирования сечение ab и a1b1 повернутся одно относительно другого на угол dϕ. Если радиус кривизны нейтрального слоя обозначить через ρ, то радиус кривизны волокна m-m будет ρ+y. После деформации волокно n-n сохранит свою длину неизменной
nn = dz = ρdϕ,
а волокно m-m удлинится
mm = (ρ+y)dϕ.
Абсолютное удлинение волокна m-m
∆dz = (ρ+y)dϕ - ρdϕ = ydϕ.
Относительное удлинение этого волокна
. (1.35)
Мысленно отбросим часть балки, лежащую справа от сечения a1b1 и рассмотрим равновесие оставшейся части (см. рис.1.15). По сечению a1b1 будет действовать напряжение, которое можно разложить на нормальную σ и касательную τ составляющие. По элементарной площадке dA действует нормальная сила σdA, момент которой относительно нейтральной оси будет равен σydA =dM. Предположим, что волокна балки не оказывают давления друг на друга, тогда напряжения в направлении, перпендикулярном оси балки, равны нулю τ = 0. Следовательно, каждое волокно испытывает одноосное растяжение или сжатие, (такое предположение хорошо согласуется с результатами экспериментов). Тогда, по закону Гука для одноосного напряженного состояния, получим
σ= Eε =Ey/ρ, (1.36)
т.е. нормальные напряжения изменяются по высоте поперечного сечения балки пропорционально расстоянию от нейтральной оси. Наибольшие напряжения будут у верхнего и нижнего краев сечения.
Запишем уравнения равновесия для левой части балки
(1.37)
где y – расстояние от центра тяжести площадки до оси.

Рис.1.15
Подставляя (1.36) в первое уравнение (1.37), получим
,
откуда
(1.38)
Выражение (1.38) является статическим моментом площади сечения балки относительно нейтральной оси. Он равен нулю, и, следовательно, нейтральная ось при изгибе проходит через центр тяжести сечения.
В соответствии со вторым уравнением (1.37)внешний момент оказывается равным изгибающему моменту от действия нормальных напряжений
,
откуда
(1.39)
где
- осевой момент инерции сечения относительно нейтральной оси Х.
Центробежным моментом инерции относительно двух взаимно перпендикулярных осей называется интеграл
. (1.40)
Размерность моментов инерции – м4 . Осевые моменты инерции всегда положительные, центробежный момент инерции может быть положительным, отрицательным или равным нулю (если хотя бы одна из осей является осью симметрии сечения).
В соответствии с выражением (1.39) можно записать
. (1.41)
Величина 1/ρ представляет собой кривизну нейтрального слоя балки.
Кривизна балки при изгибе пропорциональна изгибающему моменту и обратно пропорциональна величине EJx, называемой жесткостью балки.
На основании (1.36), получим
. (1.42)
Из формулы (1.42) видно, что нормальные напряжения по высоте сечения изменяются по линейному закону и, следовательно,
где Wx =Jx/ymax – осевой момент сопротивления или момент сопротивления при изгибе.
Момент сопротивления является геометрической характеристикой поперечного сечения балки, определяющей ее прочность при изгибе.
Для прямоугольного сечения высотой h и шириной b Wx = bh2/6, для круга Wx = πd3/32.
Моменты инерции при преобразовании системы координат.
Рассмотрим изменения моментов инерции при параллельном переносе осей.
Если оси координат, проходящие через центр тяжести (центр масс) сечения (xc, yc), перемещаются параллельно на x и y соответственно, то координаты текущей точки в новой системе координат равны xc+x и yc+y. Тогда осевой момент инерции Ix принимает вид
,
т.к.
,
,
то в результате получим, учитывая, что статический момент относительно центра тяжести сечения равен нулю
. (1.43)
Аналогично
(1.44)
. (1.45)
1.8.5. Касательные напряжения при поперечном изгибе
В общем случае изгиба (при поперечном изгибе) в поперечных сечениях балки возникают изгибающие моменты и поперечные силы. Наличие изгибающего момента связано с возникновением в поперечных сечениях балки нормальных напряжений, определение которых было рассмотрено выше.
Наличие поперечной силы связано с возникновением касательных напряжений в поперечных сечениях балки, а по закону парности касательных напряжений - и в ее продольных сечениях (рис. 1.16). Рассмотрим шарнирно опертую балку прямоугольного сечения. Вырежем из балки элемент длиной dz и шириной, равной ширине балки b.

Рис. 1.16
При поперечном изгибе моменты, возникающие в левом и правом сечениях элемента, не одинаковы и отличаются на dM. Продольным горизонтальным сечением, проведенным на расстоянии y от нейтрального слоя (рис.1.17), разделим элемент на две части и рассмотрим условие равновесия верхней части. Равнодействующая нормальных сил σ×dA в левом сечении в пределах заштрихованной площади А равна
,
или, согласно формуле (1.42),
,
где y1 - текущая ордината площадки dA . Полученный интеграл представляет собой статический момент относительно оси x части площади, расположенной выше продольного сечения (выше уровня y). Обозначим этот статический момент через Sx. Тогда
.
В правом сечении нормальная сила будет другой
.

Рис. 1.17
Разность этих сил

должна уравновешиваться касательными силами, возникающими в продольном сечении элемента (рис.1.18).
В качестве первого приближения примем, что касательные напряжения распределены по ширине сечения b равномерно. Тогда
,
поскольку dM/dz=Q , то
. (1.43)
Полученная формула носит название формулы Журавского и справедлива для балок (брусьев), у которых высота сечения больше его ширины.
Выражение (1.43) позволяет вычислить касательные напряжения, возникающие в продольных сечениях балки. Напряжения, образующиеся в поперечных сечениях балки равны им, как парные. Зависимость τ от y в сечении определяется через статический момент Sx .
При подходе к верхней кромке сечения площадь его заштрихованной части уменьшается до нуля. Следовательно, здесь Sx=0. При подходе к нижней кромке заштрихованная часть охватывает все сечение. Так как ось х – центральная (проходит через нейтральное сечение), то и здесь Sx=0.
Рис. 1.18
Для прямоугольного сечения со сторонами b и h (рис. 1.19)
,
Следовательно
,

Рис. 1.19.
и эпюра касательных напряжений по высоте сечения изображается квадратной параболой. Наибольше напряжения имеют место при y=0
.
1.8.6. Перемещения при изгибе
Из курса математики известна формула кривизны


Ограничимся рассмотрением малых перемещений. Тогда tgϑ мал, поэтому
можно пренебречь по сравнению с единицей. Тогда 1/ρ
.
Рис.1.20
Выше получили (см. 1.41) 1/ρ =M/EJx или
- уравнение упругой линии балки.
Рассмотрим балку, нагруженную силой Р (рис.1.20). Найдем значение прогиба балки в сечении 1-1, расположенном на расстоянии z.
Постоянные интегрирования найдем из граничных условий:
при z = 0 , y = 0, y’ = 0, C1 = 0, C2 = 0;
при z = l,
.
1.9. Гипотезы прочности
Зная напряженное состояние в любой точке детали, можно оценить прочность этой детали. Задача прочности может быть сформулирована так: при каких значениях главных напряжений наступит предельное состояние материала, т.е. произойдет его разрушение или возникнут пластические деформации. Решив эту задачу, можно определить безопасные (допускаемые) значения главных напряжений.
Поставленная задача является довольно сложной. Наиболее надежный способ ее решения состоял бы в том, чтобы испытать образец при заданном уровне напряжений до разрушения или до начала текучести и установить, таким образом предельные, а затем и допускаемые значения главных напряжений. Однако такие испытания требуют сложных машин и приборов, поэтому необходимо иметь какую-то гипотезу (теорию), которая позволила бы оценивать опасность перехода материала в предельное состояние, не прибегая к трудоемким испытаниям, а используя данные лишь простых опытов с одноосным напряженным состоянием.
Гипотез прочности предложено несколько, и исследования в этой области продолжаются. Это объясняется сложностью природы разрушения.
Идея рассматриваемых далее гипотез прочности состоит в том, что каждая из них из большого числа факторов, влияющих на прочность материала, выбирает какой-нибудь один, игнорируя все остальные. Надежность той или иной гипотезы прочности проверяется опытным путем.
1.9.1. Гипотеза наибольших нормальных напряжений.
Предельное состояние материала при сложном напряженном состоянии наступит тогда, когда наибольшее нормальное напряжение достигает величины предельного напряжения при одноосном напряженном состоянии
σ1п =σп , (1.44)
где σ1п – предельное значение наибольшего нормального напряжения (в момент разрушения), σп – предельное напряжение при одноосном сжатии или растяжении (предел прочности).
Разделив обе части равенства (1.44) на коэффициент запаса прочности, получим
σ1 £ [σп], (1.45)
где σ1 – фактическое значение наибольшего главного напряжения, возникающего в опасной точке детали, [σп] – допускаемое значение нормального напряжения, принимаемое для одноосного растяжения или сжатия.
Если материал имеет различные допускаемые напряжения на растяжение и сжатие, то вместо одного условия прочности будем иметь два условия – по наибольшим растягивающим и сжимающим напряжениям:
σр £ [σр], (1.46)
σс £ [σс]. (1.47)
1.9.2. Гипотеза наибольших касательных напряжений.
Прочность материала при сложном напряженном состоянии считается обеспеченной, если наибольшее касательное напряжение не превосходит допускаемого касательного напряжения, установленного для одноосного напряженного состояния
τmax=σэ/2£[τ], (1.48)

а б
Рис.1.21
В случае объемного напряженного состояния (рис.1.21,а)

Считая эти напряженные состояния равно опасными, запишем
,
величина [τ] определяется из опыта на растяжение. В тот момент, когда в поперечных сечениях σ становится равным [σ], на площадках сдвига при α=45о τ принимает значение [τ] = [σ]/2. Тогда условие прочности сводится к
(1.49)
1.9.3. Энергетическая гипотеза Хубера-Мизеса
(энергетическая теория прочности)
При нагружении тела внешней нагрузкой потенциальная энергия его увеличивается. Как показывают эксперименты, при нагружении образца сжимающей силой в трех взаимно перпендикулярных плоскостях при неограниченном возрастании потенциальной энергии разрушение образца не происходит. Можно сказать, что изменение объема не приводит к изменению формы. Следовательно, опасное состояние связано не с энергией изменения объема, а с энергией формоизменения.
В соответствии с энергетической теорией два напряженных состояния считаются равнопрочными, если они имеют одинаковые энергии формоизменения.
Выведем выражение для энергии изменения формы и энергии изменения объема. Деление внутренней потенциальной энергии на две составляющие условно. Каждое из главных напряжений представим в виде суммы
σ1 = p + σ11 ; σ2 = p + σ21 ; σ3 = p + σ31 (1.50)
В результате напряженное состояние разбивается на два: первое – всестороннее растяжение, второе – дополнительное к нему до заданного напряженного состояния (рис. 1.22).
Напряжения р подбирают таким образом, чтобы изменение объема в дополнительном напряженном состоянии отсутствовало, т.е.
σ11 + σ2 1 + σ31 = 0.
Складывая (1.50), получим
p = 1/3(σ1 + σ2 + σ3) (1.51)
Рис. 1.22
При указанном условии взаимные работы систем сил на взаимных перемещениях отсутствуют, поэтому внутреннюю энергию разбивают на две части
Uo = Uo об +Uо ф,
U об – энергия изменения объема, U ф – энергия изменения формы.
Подставляя в (1.14) вместо всех главных напряжений величину р из (1.51), получим
(1.52)
Энергию формоизменения найдем
Uф = Uo - Uоб,
(1.53)
Для одноосного напряженного состояния, при котором σ1= σэ, σ2= σ3=0, энергия формоизменения равна
(1.54)
Приравнивая правые части (1.53) и (1.54), находим
В лекции "6 Фепрозиднин" также много полезной информации.
(1.55)
Переход в (1.55) от главных напряжений к текущим дает
(1.56)
В частном случае плоского напряженного состояния (одноосное растяжение со сдвигом), когда σx= σy=0, σz= σ, τxy= τzx=0, τzy= τ, выражение (1.56) переписывается в виде
(1.57)





















