Общие принципы построения синхронных цифровых устройств
4. Общие принципы построения синхронных цифровых устройств
4.1.Риски сбоя в комбинацинных схемах
Выходные величины КС зависят только от текущего значения входных сигналов (аргументов). Предыстория значения не имеет. После завершения переходных процессов в КС на их выходах устанавливаются значения сигналов, на которые характер переходных процессов влияния не оказывает. С этой точки зрения переходные процессы в КС не опасны. Но в цифровых устройствах ( ЦУ) КС функционируют совместно с элементами памяти (ЭП). Во время переходных процессов в КС на их выходах могут появляться временные сигналы, не предусмотренные описанием работы КС, которые называются рисками сбоя. Со временем они исчезают, и выходы КС приобретают значения, предусмотренные логическими уравнениями, описывающими функционирование выходов. Однако риски сбоя могут быть восприняты элементами памяти, изменение состояния которых может радикально изменить работу ЦУ, несмотря на то, что сигналы рисков на выходе КС со временем исчезнут.
Различают статические и динамические риски сбоя. Статические риски — это кратковременные изменения сигнала, который должен был бы оставаться неизменным (единичным или нулевым, соответственно чему говорят о 1-риске или 0-риске). Если согласно логике работы КС состояние выхода должно измениться, но вместо однократного перехода происходят многократные, то имеет место динамический риск. При динамических рисках сбоя первый и последний переходы всегда совпадают с теми, которые предусмотрены логикой работы схемы. Статический риск такого свойства не имеет и считается более неблагоприятным.
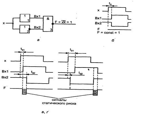
Простейший пример (рис. 4.1, а) соответствует выработке функции "константа 1" по формуле
. В статике при любом значении х на одном из входов элемента И-НЕ имеется логический нуль, обеспечивающий единичное значение выхода. Во время переходного процесса возможен статический риск сбоя в «1» (1-риск).

Рис.4.1. Статические риски сбоя в комбинационных схемах: а) схема, реализующая функции "константа 1", и временные диаграммы ее работы: б) при t31 = t32; в) при t31 < t32 ; в) при t31 > t32
Задержка элемента 3 на рис. 4.1 для удобства рассмотрения переходных процессов в схеме считается равной нулю. На временных диаграммах переходных процессов видно, что при неодинаковых значениях задержек первого и второго элементов возникает статический 0-риск после положительного или отрицательного перепада входного сигнала в зависимости от того, задержка какого элемента больше.
Для исключения возможных нарушений в работе ЦУ из-за явлений рисков сбоя имеются два подхода.
Первый состоит в синтезе схем, свободных от рисков (в частности использование методов противогоночного кодирования). На практике применяется для проектирования небольших по объему стандартных схем (триггеры, счетчики и т.д.).
Второй подход является основным для современной схемотехники, и предусматривает запрещение восприятия сигналов КС элементами памяти на время переходных процессов. Запись информации с выходов КС производится только по разрешающему сигналу синхронизации, который подается на элементы памяти после окончания переходных процессов в КЦ. Таким образом, исключается воздействие ложных сигналов на элементы памяти. Иными словами, основная идея применения синхронизации может быть выражена словами "переждать неприятности". Соответствующие ЦУ называются синхронными.
Рекомендуемые материалы
Для определения временного интервала, на котором проходят переходные процессы, следует оценить задержки на путях распространения сигналов от входов к выходам КС. Например, рассмотрим схему на рис. 4.2, в которой нужно выбрать пути с минимальной и максимальной задержками сигналов. Если на входе КС изменение сигналов произошло в нулевой момент времени, то по самому короткому пути до выхода F3 сигнал от входа Х5 или Х6 может пройти за время tксmin= tз2min . Это время и обозначит начало интервала переходных процессов. На самом длинном пути до выхода f1 сигнал от Х3 или Х4 задержится не более чем на время tксmaх= tз1max + tз3max + tз4max .
По истечении этого времени переходные процессы в схеме завершатся.

Рис. 4.2. Нахождение минимального и максимального пути распространения сигналов в комбинационной схеме для определения длительности переходного процесса в ней
Таким образом, для нахождения минимального и максимального пути распространения сигналов в КС нужно оценить задержку сигнала на самом коротком пути как сумму минимальных задержек элементов, составляющих этот путь, и задержку на самом длинном пути как сумму максимальных задержек.
4.2 Синхронизация в цифровых устройствах
Синхронизация в ЦУ осуществляется тактовым генератором, сигналы которого распределяются по всем частям устройства и разрешают прием данных элементам памяти — синхронным триггерам. Она упорядочивает во времени последовательность операций при обработке информации в ЦУ. Темп обработки задается частотой тактовых сигналов.
Обобщенный тракт обработки информации при синхронной организации процессов можно представить чередованием комбинационных схем и элементов памяти, что отражает работу ЦУ как при пространственном чередовании КС и ЭП (рис. 4.3, а), так и при последовательном выполнении различных операций в разных временных тактах на одном и том же оборудовании (рис. 4.3, б).
При работе устройства КС преобразуют данные по тем или иным логическим зависимостям, а ЭП принимают их после окончания переходных процессов, т. е. установления на выходах КС истинных значений сигналов.
В КС пути от входов к различным выходам не одинаковы. Для расчета системы синхронизации нужно оценить минимальную и максимальную задержки сигналов в КС. Для оценки минимальной задержки следует учесть минимальные задержки элементов (т. е. учесть разброс задержек для элементов данного типа) и найти самый короткий путь от входов к одному из выходов КС (короткий в смысле времени его прохождения сигналом). С учетом максимальных задержек элементов оценивается самый длинный путь сигнала к выходу КС. Таким образом, должны быть определены задержки tксmax и tксmin .
Для упрощения устранения критических временных состояний сигналов в КС желательно, чтобы задержки всех путей от ее входов к выходам были одинаковы.
![]() |
Рис. 4.3. Обобщенная структура тракта обработки информации в цифровых устройствах: а) пространственное разделение процессов обработки; б) временное разделение процессов обработки
4.3. Паметры тактовых импульсов
Период тактовых импульсов (синхроимпульсов) складывается из длительности импульса и паузы. Длительность импульса должна быть достаточной для надежной записи информации в триггер, этот параметр задается в паспортных данных триггера. Обозначив его через
можем записать условие
Новое состояние триггеры примут по истечении максимальной из задержек
их переключения. Параметры
и
зачастую близки, но могут и отличаться в два и более раз. Разность
обозначим через Δtтг (рис. 4.4).

Рис.4.4. Определение параметров синхросигналов
Приняв новое состояние, триггеры тем самым формируют на входах следующей КС новые значения сигналов. После этого, до нового приема данных должно пройти время, достаточное для прохождения сигнала по самому длинному пути в КС плюс время предустановки триггера tsu. Поэтому для длительности паузы имеем соотношение:
(4.1)
Минимальный период тактовых импульсов Тmin= t и.min + t п.min, a их частота
(4.2)
На интервале от tксmin до tксmax после переключения триггеров выходные сигналы КС не соответствуют ни старому, ни новому значению (данные нестабильны).
Для многих схем, особенно для БИС/СБИС, большую роль играют задержки сигналов в линиях связи, которые следует оценивать с учетом топологии межсоединений. Поэтому на ранних стадиях проектирования расчет параметров синхросистемы может быть только ориентировочным.
В системах с постоянной тактовой частотой часто используют генераторы с кварцевой стабилизацией, позволяющие без затруднений обеспечить относительную нестабильность частоты порядка 10-4…10-5. В более простых генераторах нестабильность частоты существенно выше. Она, в конечном счете, приводит к потере быстродействия устройства. Действительно, частоту синхроимпульсов можно выразить соотношением: f= fo(1±δf), где fo — номинальное значение частоты и
— ее относительный уход. Ширина поля допуска на частоту равна 2δf. Даже максимальная частота не должна превышать допустимого значения. Если же частота будет равна нижнему пределу, то она окажется на 2δf ниже допустимой. То есть возможная потеря быстродействия устройства из-за нестабильности частоты синхроимпульсов составляет 2δf.
Различают следующие системы синхронизации:
однофазную;
двухфазную;
многофазную.
4.4. Однофазная синхронизация
Однофазная синхронизация использует минимальное число последовательностей синхросигналов и обеспечивает высокое быстродействие. В то же время ее применение сопровождается специфическими проблемами.
При однофазной синхронизации на все элементы памяти подаются одни и те же синхроимпульсы.
Рассмотрим однофазную синхронизацию для систем с одноступенчатыми триггерами —, управляемыми уровнем. Поступающие на входы триггеров синхроимпульсы должны иметь длительность, достаточную для их надежного переключения
После переключения триггеров на входах КС появляются новые значения аргументов, а по истечении
изменятся сигналы на входах триггеров, но эти изменения не должны восприниматься триггерами. Если к указанному моменту синхроимпульс еще не закончился, то триггеры могут повторно переключиться в одном и том же такте, что недопустимо. Поэтому должно соблюдаться следующее условие работоспособности
(4.3)
где
— минимальное время переключения триггера.
Как видно, в данном случае необходимо строгое ограничение длительности импульсов снизу и сверху, т. к. за время существования импульса должен переключиться даже самый инерционный триггер и, в то же время, информация не должна успеть пройти через самый быстродействующий каскад обработки данных (триггер плюс КС). Это условие должно соблюдаться во всем диапазоне изменений условий эксплуатации устройства. Расчету условий работоспособности данного варианта системы синхронизации препятствует также то, что сведения о минимальных задержках элементов могут отсутствовать.
Полученная формула определяет возможность применения однофазной синхронизации в схеме с одноступенчатыми триггерами, управляемыми уровнем, и показывает, что с ростом минимальной логической глубины КС реализация такой системы облегчается. Это обстоятельство подтверждает отмеченную ранее желательность выравнивания задержек сигналов в различных путях прохождения их на выход КС.
На практике однофазная синхронизация чаще всего применяется в схемах с триггерами, имеющими динамическое управление, или с двухступенчатыми триггерами.

Рис.4.5. Общая схема тракта обработки информации в устройствах, построенных на динамических триггерах , с однофазной синхронизацией
При использовании триггеров с динамическим управлением (рис. 4.5) информация принимается по фронту синхроимпульса, а чувствительность триггера к информационным сигналам сохраняется лишь в малом интервале времени в окрестности фронта (в течение времени выдержки). Триггеры должны потерять чувствительность к изменениям информационных сигналов, прежде чем они успеют дойти до входов триггеров по кратчайшему пути. Если это не обеспечивается, возможен сбой. Таким образом, и в этом варианте однофазной системы синхронизации требуется соблюдение определенного условия работоспособности:
tтр + tкс ³ tH (4.4)
Условие работоспособности (4.4.) гораздо проще, чем предыдущее (4.3), т. к. величина
мала. Более того, для ряда триггеров, в частности, для JK-триггеров, реализованных по схеме с внутренними задержками, tH = 0. А это значит, что при их применении работоспособность систем с однофазной синхронизацией всегда гарантирована.
В системах однофазной синхронизации с двухступенчатыми триггерами один уровень синхросигнала (например, высокий ) открывает входные ступени триггеров, оставляя неизменными их выходные сигналы. При этом данные с предыдущих каскадов записываются во входные ступени следующих. Такую запись можно вести в течение необходимого времени без каких-либо опасностей временных состязаний сигналов. Переход синхросигнала на другой (например, низкий )уровень переносит состояния входных ступеней в выходные, изменяет тем самым переменные на входе КС, которые вырабатывают новые сигналы для триггеров следующего каскада. Этот процесс также можно вести достаточно длительное время без каких-либо опасений, поскольку входные ступени всех триггеров закрыты. Когда на выходах КС установится новая информация , входные ступени триггеров снова откроются и цикл повторится. При правильном выборе параметров синхросигналов временные состязания сигналов в системе с двухступенчатыми триггерами вообще отсутствуют, работоспособность ее обеспечивается при сколь угодно малых минимальных задержках.
В то же время усложняются сами триггеры, и увеличивается длительность паузы (необходимо дополнительное время на переключение выходных ступеней триггеров).
Расчетные соотношения для проектирования однофазной системы синхронизации
Такие соотношения для системы с триггерами, имеющими динамическое управление (для примера, по переднему фронту), получим, приняв следующие условия. Частота синхроимпульсов постоянна (обоснованность этого условия связана с возможностью стабилизировать частоту генератора с точностью, намного превышающей точность задания других параметров импульсов). Положение фронтов синхроимпульсов во времени задается с допусками Δ : при номинальном времени появления фронта to , он может появиться в интервале от to - Δ до to + Δ. В этих допусках отражены все причины неточностей задания синхросигналов (сдвиги фронтов в схеме размножения синхросигналов, задержки в связях, разброс моментов срабатывания триггеров из-за разброса их пороговых напряжений и др.).
Цель расчета — минимизировать период синхросигналов при соблюдении условий надежной работы устройства и заданных разбросах параметров.
На временной диаграмме синхросигнала (рис. 4.6) отмечены следующие временные интервалы. Номинальный момент начала первого импульса t = 0 и номинальный момент начала второго импульса t = Т, разбросы возможных моментов поступления импульсов относительно номинальных моментов Δ, времена предустановки и выдержки для используемого типа триггера tsu и tн, суммарные длительности переключения триггера по цепи "синхровход — выход" и прохождения сигнала через комбинационную схему tтг + tКС для их максимального и минимального значений.

Рис. 4.6. Временные диаграммы синхросигналов в однофазной системе синхронизации
Чтобы соблюдалось требование неизменности информационного сигнала на интервале предустановки, входной сигнал триггера должен устанавливаться не позднее момента времени — (Δ + ts) для первого импульса и момента Т - Δ - ts для второго импульса. Изменение информационного сигнала становится допустимым не раньше момента времени Δ + tн для первого импульса и Т + Δ + tн для второго. Наиболее позднее появление входного информационного сигнала (максимальная задержка в КС и триггере) в интервале между импульсами происходит в момент Δ + tтг mах + tКС. мax, а наиболее раннее (минимальная задержка в КС и триггере) в момент — Δ + tтг min + tКС. мin.
Чтобы наиболее позднее поступление информационного сигнала оказалось в допустимой области, необходимо соблюдение условия

Из этого неравенства следует
(4.5.)
Условие (а) обеспечивает неизменность информационного сигнала на входе триггера в течение интервала ts при наихудшем случае разброса параметров.
Следует также обеспечить соблюдение неизменности информационного сигнала на интервале
Чтобы это изменение оказалось в допустимом интервале, необходимо выполнить требование

из которого следует условие
(4.6.)
Еще одним необходимым условием является требование минимально допустимой длительности импульса, достаточной для надежного переключения триггера
tи -2Δ ³ t тр max
tи ³ 2Δ +t тр max (4.7.)
Слагаемое 2Δ в выражении (4.7) отражает возможность запаздывания переднего и опережения заднего фронта синхроимпульсов. Нарушение условия (4.6.) может потребовать введения задержек в соответствующие цепи, в частности, на выходах некоторых триггеров. Задержки в связях в расчетных зависимостях отдельно не фигурируют — подразумевается, что они суммируются вместе с задержками элементов.
Таким образом, последовательность определения параметров синхроимпульсов следующая:
выбор
по .условию (4.7.),
выбор Т по условию (4.5.),
проверка выполнения условия (4.6.).
4.4. Двухфазная и многофазная синхронизация
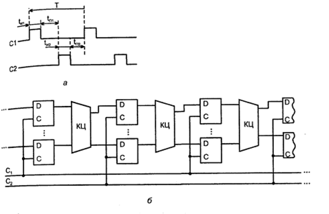
Такая синхронизация характеризуется использованием двух последовательностей синхроимпульсов (рис. 4.7, а), сдвинутых во времени друг относительно друга. Интервал между импульсами обеих последовательностей отводится для работы комбинационных цепей. Соседние каскады получают разноименные серии синхроимпульсов (рис. 4.7, б).
При возбуждении фазы С2 данные с триггеров фазы С1 через соответствующие КС передаются на триггеры фазы С2. При возбуждении фазы С1 триггеры этой фазы через КС принимают данные от триггеров фазы С2. Поочередное возбуждение фаз обеспечивает передачу данных по тракту их обработки без каких-либо временных состязаний, т. к. выдача данных производится триггерами, не изменяющими своих состояний в данной фазе, а прием данных осуществляется после завершения переходных процессов в КС.
Достоинством двухфазной системы является возможность применения простых одноступенчатых триггеров с управлением уровнем. В то же время наличие двух фаз синхроимпульсов усложняет схему устройства.
![]() |
Рис.4.7. Двухфазная синхронизация: а) временная диаграмма синхросигналов; б) Общая схема тракта обработки информации
Расчет параметров синхроимпульсов для двухфазной системы основан на той же стратегии, что и расчет для однофазной, т. е. на обеспечении неизменности информационных сигналов на входах триггеров в интервалах tSu и tH даже при наихудшем сочетании допусков на положения фронтов синхросигналов и задержек в КС.
В разработках ЦУ встречаются разные системы синхронизации, выбор которых определяется конкретными условиями. В последнее время широко распространена однофазная система с триггерами, имеющими динамическое управление.
Многофазная синхронизация характеризуется использованием более чем двух серий синхроимпульсов и применяется для увеличения быстродействия систем путем организации работы их частей с разной скоростью. Это осуществляется разбиением периода основной частоты на части и использованием в отдельных блоках системы более высокочастотных синхросигналов. Для узлов и устройств применение многофазной системы синхронизации не характерно.
Вам также может быть полезна лекция "1 Конфликтные точки".
Простейшая схема умножителя частоты на 2 показана на рис. 4.8.
![]() |
Рис. 4.8. Схема умножителя частоты на 2
Элементы DD1, DD2, DD3 реализуют задержку входного синхросигнала на половину такта без инверсии, а элемент DD4 – выделяет импульсы в соответствии с функцией «Исключающее ИЛИ – НЕ». Временные диаграммы показаны на рис. 4.9.
![]() |
Рис. 4.9. Временные диаграммы работы умножителя частоты на 2



























