Конструктивные и технологические мероприятия, повышающие прочность резьбовых соединений
Лекция №20
Конструктивные и технологические мероприятия, повышающие прочность резьбовых соединений
1. Снижение амплитудных напряжений. Ранее мы получили
, где
.
Отсюда видно, что для уменьшения амплитудных напряжений (уменьшения доли внешней нагрузки, приходящейся на болт) нужно увеличить податливость болта. Податливость болта можно увеличить путем увеличения его длины или уменьшения его диаметра (рис. 20.1). Для увеличения длины болта применяют специальные дистанционные втулки. Уменьшение диаметра болта производят в ненарезанной части, за счет чего удается увеличить допустимую пульсирующую нагрузку на соединение более чем в 1,5 раза. Уменьшить х можно и за счет увеличения жесткости соединенных деталей (снижение
) и стыка (улучшением пригонки, увеличением жесткости прокладок).
2 Уменьшение концентрации напряжений. Это достигается за счет тщательной обработки и введения галтелей при переходе от одного диаметра болта к другому и при переходе стержня болта в головку. Закругление под головкой в стандартном болте
r/d=0,016…0,05.
Изготовление резьбы методом накатки также снижает концентрацию напряжений при этом не нарушается структура металла, не перерезаются его волокна.
3. Выравнивание нагрузки по виткам. Это достигается применением гаек улучшенной конструкции. Такие конструкции приведены выше.
Расчет группы болтов
Расчет таких соединений сводится к определению нагрузки для наиболее нагруженного болта. Затем рассчитывают прочность этого болта по формулам одного из случаев, рассмотренных выше.
Рекомендуемые материалы
В расчетах приняты следующие допущения:
1. Поверхности стыка остаются плоскими (недеформируемыми) при всех фазах нагружения;
2. Поверхности стыка имеют минимум две оси симметрии, а болты расположены симметрично относительно этих осей;
3. Все болты соединения одинаковы и ровно затянуты.
С некоторым приближением перечисленные условия справедливы для большинства конструкций.
Различают три характерных случая расчета соединений, включающих группу болтов.
I. Расчет группы болтов, нагруженных сдвигающей силой, проходящей через центр жесткости соединения и лежащей в плоскости стыка:
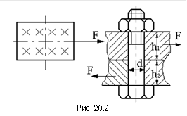
а) болт в отверстие поставлен без зазора (рис. 20.2). Расчет производится по напряжениям среза и смятия
,
где z – число болтов, i – число плоскостей среза.

- для верхней детали;
- для нижней детали.
б) болт поставлен в отверстие с зазором (рис. 20.3). Условие равновесия

или
.
Расчетная нагрузка
.
Условие прочности
,
откуда
.
II Расчет группы болтов, нагруженных моментом, приложенным в плоскости стыка (рис. 20.4).
Внешний момент Т должен уравновешиваться моментами внутренних сил трения, которые вызываются затяжками болтов и лежат в плоскости стыка.
Расчетная нагрузка
.
Условие равновесия
.
Усилия затяжки равны, следовательно
,
тогда
или
.
Здесь zn – число болтов, равноудаленных от центра симметрии стыка.
Частный случай - фланцевое крепление.
В этом случае
(рис. 20.5) и тогда
.
Затем болты рассчитываются по эквивалентному напряжению. Если группа болтов поставлена без зазора, то внешняя нагрузка воспринимается непосредственно болтами и они рассчитываются по напряжениям среза и смятия.
II. Расчет группы болтов нагруженных моментом приложенным перпендикулярно плоскости стыка.
Нагрузка соединения раскрывает стык деталей. При раскрытии стыка ось поворота смещается от оси симметрии к кромке стыка. Определим наибольшую нагрузку на болт по этой нагрузке. Условие равновесия соединения (рис. 20.6)
, (20.1)
где zn – число болтов равноудаленных от оси поворота;
- деформация n-го болта; ln – плечо силы n-го болта.
Из подобия треугольников (рис. 20.6)
, но по закону Гука
~ F, тогда
Рекомендуем посмотреть лекцию "72 Исследования ментальностей".
.
Выразим все усилия через максимальное усилие F1.
, тогда уравнение (20.1) перепишется в виде
,
где k – коэффициент запаса.
Отсюда
. Расчетная нагрузка Fp=1,3F1.




















