Циклы криогенных установок
3. Циклы криогенных установок
В криогенной технике используют разнообразные циклы криогенных установок. Они
классифицируются по различным принципам. В соответствии с этим можно выделить
основные циклы криогенных установок:
1. Простые и сложные дроссельные циклы
2. Простые и сложные детандерные циклы
3. Комбинированные циклы
4. Газовые циклы
Для описания энергетических характеристик этих циклов пользуются различными величинами: холодопроизводительность, работа, холодильный коэффициент и коэффициент ожижения.
3.1. ЦИКЛ С ОДНОКРАТНЫМ ДРОССЕЛИРОВАНИЕМ
Рекомендуемые материалы
1. ЦИКЛ БЕЗ РЕГЕНЕРАЦИИ
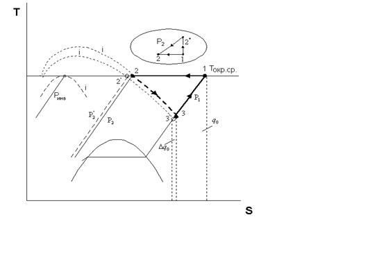
Рассмотрим цикл с однократным дросселированием без регенерации, т.е. будем полагать, что дросселируется сжатый газ от температуры окружающей среды внутри кривой инверсии (при этом будет наблюдаться охлаждение). На рисунке 3.1 дано изображение рассматриваемого цикла: 1 – 2 - изотермическое сжатие; 2 – 3 - дросселирование; 3 – 1 –
изобарный нагрев. В действительности процесс 1 – 2 – это совокупность двух процессов: 1 – 2* - адиабатное сжатие и 2* - 2 – изобарное охлаждение. В реальных установках используется многоступенчатое сжатие с промежуточным охлаждением.
Для рассматриваемого цикла величина холодопроизводительности q0 записывается в виде
q0 = i1 – i2 =D iT (3.1)
Холодопроизводительность цикла с однократным дросселированием без регенерации определяется величиной интегрального изотермического дроссель-эффекта.
Из рассмотрения цикла видно, что параметры лишь двух точек 1 и 2 определяют энергетические характеристики цикла. Точка 1 чаще всего определяется параметрами окружающей среды и поэтому является как бы фиксированной. Таким образом,фактически, лишь положением точки 2 определяются энергетические характеристики цикла. Положение точки 2, в свою очередь, определяется Т окр.ср. и давлением Р2. Следовательно, лишь одна величина -давление сжатия Р2 влияет на энергетические характери
![]() |
стики цикла .
Рис. 3.1. Цикл с однократным дросселирование без регенерации
При заданной температуре Т окр.ср. максимальное давление, при котором холодопроизводительность цикла будет максимальной, соответствует давлению инверсии Ринв., которое определяется изобарой, проходящей через точку касания изоэнтальпы и изотермы окружающей среды. Например, для воздуха при Т окр.ср. = 300 К значение Ринв. = 400 бар. На приводимом рисунке видно, что с ростом давления сжатия Р2 холодопроизводительность цикла возрастает, если давление сжатия, разумеется, не превышает давления инверсии.
Таким образом, в рассматриваемом цикле холодопроизводительность растёт с ростом давления сжатия Р2 до тех пор, пока оно не превышает давления инверсии Ринв.
Для криогенных веществ, у которых максимальная температура инверсии меньше температуры окружающей среды (например, для гелия, неона, водорода) невозможно получить холод в цикле с однократным дросселированием, т.к. при дросселировании от температуры окружающей среды будет наблюдаться нагрев, а не охлаждение.
Если в качестве рабочего тела для этого цикла использовать идеальный газ, то холодопроизводительность q0 = 0 ( точка 3 совпадает с точкой 1). Напомним, что для идеального газа ai = 0, а следовательно, aT = 0 и DiT = 0.
Выражения для работы и холодильного коэффициента имеют вид

(3.2 )
Вместо точного выражения для работы, приведенного выше,часто используют приближенное выражение, полагая, что сжимаемый газ при температуре окружающей среды следует законам идеального газа
l = R Tокр.ср. ln (P2/P1) ( 3.3 )
Ошибка, возникающая при этом, например, для воздуха составляет около 10%, если
Р2 = 200 бар.
C ростом Р2 увеличивается холодопроизводительность q0 и работа цикла l. Вблизи кривой инверсии, однако, рост холодопроизводительности q0 замедляется . Работа цикла l c ростом Р2 увеличивается . Анализ показывает, что максимум холодильного коэффициента лежит при давлении более низком, чем давление, соответствующее максимуму холодопроизводительности. Рассмотрим влияние регенерации на энергетические характеристики цикла с однократным дросселированием.
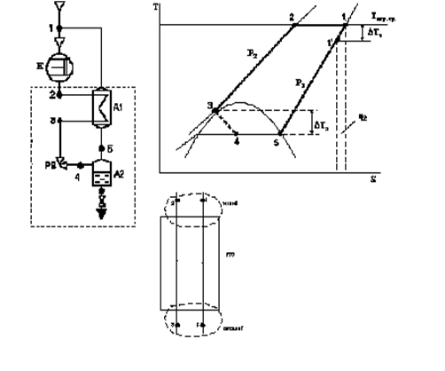
2. ЦИКЛ С РЕГЕНЕРАЦИЕЙ
Рассмотрим цикл с однократным дросселированием и регенерацией (рис. 3.2). Этот цикл был первым криогенным циклом, который нашёл практическое применение в технике. Цикл с регенерацией (в виде отдельной ступени с дросселированием) является элементом большей части современных криогенных установок. Впервые цикл реализовали в 1895 г. независимо друг от друга Линде в Германии и Хэмпсон в Англии.
Рассмотрим контур, выделенный пунктиром, на рис. 3.2. Запишем энергетический баланс для выделенного контура
![]() |
Рис. 3.2. Цикл с однократным дросселированием и регенерацией
1 – 2 – изотермическое сжатие; 2 – 3 – изобарное охлаждение прямого потока обратным;
3 – 4 – дросселирование; 4 – 5 – процесс подвода тепла (в рефрижераторных циклах);
5 – 1 – изобарный подогрев обратного потока.
(3.4)
Из полученного выражения следует, что и в цикле с регенерацией (как и в цикле без регенерации) холодопроизводительность цикла q0 определяется величиной интегрального изотермического дроссель-эффекта. Следовательно, включение регенеративного теплообменника, не изменив численно количество получаемого холода q0, понизило его температуру, т.е. сделало холод более ценным. Используя очевидное выражение для теплового баланса регенеративного теплообменника, можно привести и иную запись для холодопроизводительности цикла
(3.5)
Последнее выражение, где холодопроизводительность определяется положением точек 5 и 4 рассматриваемого цикла , более привычно для выражения холодопроизводительности при рассмотрении циклов установок умеренного холода. По сравнению с выражением (3.4) оно менее информативно, так как прямо не указывает на источник производства холода. Приведём также выражения для работы и холодильного коэффициента
(3.6)
Перепишем тепловой баланс для регенеративного теплообменника, выразив разность энтальпий потоков через величины соответствующих темлоёмкостей (прямого и обратного потоков) и разностей температур на концах теплообменика. Исходя из того, что изобарная теплоёмкость растёт с ростом давления, можно заключить, что Ср2 большая величина (условно "б"), а Ср1 малая величина (условно "м"). Отсюда, как следствие, получаем неравенства, приведенные в (3.7)
(3.7)
Уменьшение необратимости процесса дросселирования, таким образом, связано с тем, что при низких температурах изоэнтальпы идут круто, приближаясь к адиабатам; при высоких
температурах, наоборот, изоэнтальпы идут полого, приближаясь к изотермам, поэтому процесс 3 – 4 (рис. 3.2) более обратим, чем процесс 2 – 3 (рис. 3.1).
3. АНАЛИЗ ЭНЕРГЕТИЧЕСКИХ ХАРАКТЕРИСТИК ЦИКЛА ЛИНДЕ
Запишем выражения для основных энергетических показателей цикла Линде

(3.8) 
Анализ выражения для холодопроизводительности цикла с однократным дросселированием и регенеративным теплообменом показывает, что величина холодопроизводительности цикла является функцией давления сжатия, растёт с ростом Р2 и достигает максимума, если давление сжатия (давление прямого потока) становится равным давлению инверсии. Последнее связано с характером изменения интегрального изотермического дроссель-эффекта. Можно показать, что в диаграмме энтальпия – энтропия линии инверсии дроссель – эффекта и изотермического дроссель – эффекта совпадают и проходят через точки минимума изотерм.
Значение давления прямого потока, соответствующего максимуму холодильного коэффициента может быть определено путём вариантных расчётов ряда циклов, в которых все параметры являются фиксированными , за исключением давления сжатия. Такой метод определения давления прямого потока использовался до последнего времени. Метод, хотя и приводил к требуемым результатам, однако, являлся громоздким.
Рассматриваемая задача может быть решена аналитически и представлена графически.
Определение оптимального давления, соответствующего максимуму холодильного коэффициента, может быть осуществлено аналитически и достаточно наглядно представлено графически в тепловой диаграмме i – s.
Для определения давления, соответствующего максимуму холодильного коэффициента,
найдём производную холодильного коэффициента по давлению сжатия и приравняем её
нулю.
(3.9 )
Анализ полученного дифференциального уравнения показывает, что оно может быть решено как аналитически ( с использованием термического или теплового уравнения состояния ), так и графически ( с использованием тепловой диаграммы энтальпия – энтропия ).
Графическая интерпретация результатов, полученных выше, состоит в том, что для определения давления, соответствующего максимуму холодильного коэффициента, следует из точки 1 к изотерме Токр.ср. провести касательную; изобара, проходящая через полученную точку, и будет определять искомое давление ( рис. 3.3 ).
На рисунке 3.3 изображён произвольный цикл с однократным дросселированием и регенеративным теплообменом 1-2-3-4-5-1; прямой поток имеет давление Р2, а обратный поток давление Р1.
Как видно из рисунка, давление Р2q0max, при котором наблюдается максимум холодопроизводительности, соответствует изобаре, проходящей через точку пересечения линии инверсии и изотермы окружающей среды Токр.ср. .
![]() |
Рис. 3.3. Определение давления, отвечающего максимуму холодильного
коэффициента, в диаграмме энтальпия-энтропия
Анализ полученных уравнений и графическая интерпретация их в диаграмме энтальпия –энтропия показывает , что давление P2', соответствующее максимуму холодильного коэффициента, меньше давления инверсии Pинв..
3.2. ПОТЕРИ ХОЛОДА В ЦИКЛАХ КРИОГЕННЫХ УСТАНОВОК
Рассмотрим этот общий вопрос на примере цикла с однократным дросселированием и регенеративным теплообменом (простой цикл Линде). В циклах криогенных установок существует два вида потерь: потери от недорекуперации – q2; потери от теплообмена с окружающей средой – q3.
Потери от недорекуперации q2 определяются выражением
![]() |
(3.10)
Из выражения (3.10) следует, что величина потерь от недорекуперации определяется разностью температур на теплом конце регенеративного теплообменника. Эта разность температур не может выбираться произвольно, а определяется из технико-экономических соображений (минимизации затрат) путём совместного решения уравнения (3.10) и основного уравнения теплопередачи
Q = k F DTt (3.11)
В большинстве циклов разность температур на теплом конце регенеративного теплообменника рекомендуется выбирать в интервале 3...8 С.
Потери от теплообмена с окружающей средой q3 определяются качеством и толщиной изоляции, а также «качеством» проектирования и минимально возможной площадью поверхности всей установки. Удельная потеря q3 тем меньше, чем больше производительность криогенной установки.
В итоге, для величины действительной холодопроизводительности получаем
(3.12)
3.3. ЦИКЛ С ОДНОКРАТНЫМ ДРОССЕЛИРОВАНИЕМ И
ПРОМЕЖУТОЧНЫМ ОХЛАЖДЕНИЕМ
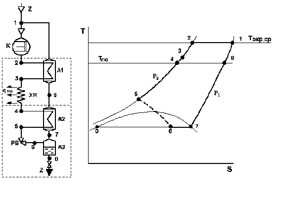
Как было показано ранее, холодопроизводительность простого цикла Линде определяется величиной интегрального изотермического дроссель-эффекта DiT , который существенно зависит от температуры. С понижением температуры его значение увеличивается. Исходя из этих соображений, Линде рассмотрел цикл с однократным дросселированием и промежуточным охлаждением.
В этом цикле (рис. 3.4) прямой поток (поток высокого давления P2) охлаждается последовательно в регенеративном теплообменнике А1 ( процесс 2 – 3 ) обратным потоком низкого давления P1( процесс 8 – 1 ); в испарителе холодильной машины (ХМ), где от газа высокого давления отнимается количество тепла, равное холодопроизводительности холодильной машины q0 хм (процесс 3 – 4 ); в регенеративном теплообменнике А2 ( процесс 4 – 5 ) обратным потоком низкого давления ( процесс 7 – 8 ). На схеме, реализующей цикл с однократным дросселированием и промежуточным охлаждением, показана не вся схема холодильной машины, а только ее испаритель. В простейшем случае схема холодильной машины содержит, кроме испарителя, компрессор, конденсатор и дроссельный вентиль. В рассматриваемой на рисунке 3.4 схеме элемент схемы А3 выполняет роль испарителя криогенной установки, если установка работает в рефрижераторном режиме, или роль сборника сжиженного газа, если установка работает в ожижительном режиме.
Составим энергетический баланс для контура, исключающего компрессор К:
(3.13
![]() |
Рис. 3.4. Цикл с однократным дросселированием и промежуточным охлаждением
и схема установки
Получим иное выражение для q0 , рассмотрев контур, исключающий компрессор К, теплообменник А1 и холодильную машину ХМ:
(3.14)
Анализ показывает, что использование умеренного холода в криогенных установках экономически выгодно, так как его получение требует на порядок меньшей затраты работы, и, как следствие, холодильный коэффициент цикла Линде с промежуточным охлаждением оказывается выше, чем холодильный коэффициент простого цикла Линде.
3.4. ДЕТАНДЕРНЫЕ ЦИКЛЫ
Как было показано ранее, детандирование эффективнее, чем дросселирование (при детандировании достигается более низкая температура, производится больше холода и возвращается работа). Выражение «детандерные циклы» означает, что основное количество холода «производится» в детандере.
3.5. ДЕТАНДЕРНЫЙ ЦИКЛ СРЕДНЕГО ДАВЛЕНИЯ
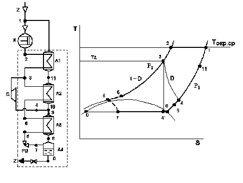
Исторически первым детандерным циклом явился цикл, предложенный Клодом. Схема установки, реализующей цикл Клода, и изображение цикла в диаграмме приведены на рис. 3.5.
![]() |
Рис. 3.5. Схема установки и детандерный цикл среднего давления
А 1 - предварительный теплообменник
А 2 - детандерный теплообменник
А 3 - ожижительный теплообменник
Составим уравнение энергетического баланса для выделенного контура.
(3.15)
где z – коэффициент ожижения. Приведенное выше соотношение показывает, какова доля жидкости (z < 1) может быть ожижена из массы газа, сжимаемого в компрессоре. Знаменатель – это количество тепла, которое нужно отвести от газа, при давлении и температуре среды, чтобы перевести его в жидкость.Числитель – количество тепла, которое может быть отведено в данном цикле.
Энергетические характеристики определяются следующими уравнениями
(3.16)
Из выражения для холодопроизводительности детандера, на первый взгляд, следует, что целесообразно направлять в детандер возможно большее количество газа ( в связи с тем, что холодопроизводительность детандера пропорциональна количеству газа, направляемого в детандер D ) при сравнительно высокой температуре Т3 ( так как адиабатический перепад энтальпий в детандере, а следовательно и его холодопроизводительность, растут с увеличением Т3 ).
Анализ работы схемы, однако, показывает, что выбор D и Т3 не может быть произвольным, т.к. следует принимать во внимание условие теплообмена. Действительно, если, например, зафиксировать долю газа, направляемого в детандер D, и увеличивать температуру газа перед детандером Т3, то могут возникнуть затруднения с передачей детандерного холода потоку газа высокого давления Р2.
Из рассмотрения работы детандерного теплообменника следует, что, если в точке 3 отбирается значительная доля детандерного потока D, то этим самым уменьшается доля прямого потока, идущего на дросселирование. Количество детандерного холода вместе с холодом обратного потока окажется столь большим, что часть его уже не сможет быть передана газу высокого давления. В итоге обратный поток уйдет из предварительного теплообменника с большой недорекуперацией даже при самом идеальном теплообмене. Для уменьшения потерь от недорекуперации необходимо сокращать долю газа D, направляемого в детандер, до тех пор, пока условия теплообмена не будут выполнены.
Анализ рассматриваемого цикла показывает, что каждому значению давления Р2 соответствуют оптимальная доля газа D, направляемая в детандер, и оптимальная температура Т3 газа перед детандером. С увеличением Р2 уменьшается D и возрастает Т3.
Эффективность работы детандера характеризуется величиной адиабатического коэффициента, который определяется выражением
(3.17)
Таким образом, оптимальные значения Т3, Р2 и D определяются с помощью вариантных расчетов.
3.6. ДЕТАНДЕРНЫЙ ЦИКЛ ВЫСОКОГО ДАВЛЕНИЯ
При повышении Р2 (до 200 бар для воздуха) оказывается , что температура перед детандером возрастает до температуры окружающей среды. В этом случае отпадает необходимость в предварительном теплообменнике, так что газ после сжатия в компрессоре до давления P2 сразу же распределяется на две части – доля D (~0,6 ) расширяется в детандере (процесс 3-4'), а доля (1–D) направляется в детандерный теплообменник, где охлаждается обратным потоком газа низкого давления P1 . Такой цикл был предложен Гейландтом. Схема установки, реализующей цикл высокого давления, представлена на рисунке 3.6).
Детандер в цикле Гейландта ( детандерном цикле высокого давления ) работает на более высоком температурном уровне, чем в цикле Клода, и поэтому отпадают многие затруднения, связанные с его работой при низких температурах. В частности, имеется возможность использования обычного смазочного масла и снижаются трудности с теплоизоляцией детандера.
Последовательность энергетических расчетов такая же, как в цикле Клода, а схема и изображение цикла в T- S диаграмме отличается лишь отсутствием предварительного теплообменника (рис. 3.6). Схема включает лишь детандерный теплообменник А2 и сбоник сжиженного газа А3.
![]() |
Рис. 3.6. Схема установки и детандерный цикл высокого давления
Следует обратить внимание на то, что в цикле Гейландта (детандерный цикл высокого давления) недорекуперацию следует выбирать более высокой ( 12 – 14 градусов) по сравнению с другими циклами, что является целесообразным по двум причинам - условиям теплообмена и возможности пропускать через детандер несколько большее количество газа высокого давления, в результате, чего несколько возрастает холодопроизводительность и коэффициент ожижения.
3.7. ДЕТАНДЕРНЫЙ ЦИКЛ НИЗКОГО ДАВЛЕНИЯ
При понижении Р2 (до 6 – 7 бар для воздуха), оказывается, что температура газа перед детандером Т3 существенно снижается и значительно возрастает доля газа, направляемого в детандер. Установка, реализующая такой вариант цикла Клода, была предложена академиком Капицей П.Л. для ожижения воздуха в схеме воздухоразделительной установки для получения технического кислорода. Такой вариант цикла Клода называется циклом Капицы или детандерным циклом низкого давления. Схема установки, реализующей цикл Капицы, и изображение цикла в диаграмме приведены на рис. 3.7 , где А1- теплообменник-конденсатор и P – регенератор. В диаграмме температура – энтропия процесс 2 – 3 – охлаждение в регенераторе, 3 – 5 и 5 – 6 – соответственно охлаждение и конденсация в теплообменнике-конденсаторе А1.

Рис. 3.7. Схема установки и детандерный цикл низкого давления
Температура газа перед детандером Т3 выбирается такой, чтобы после расширения (процесс 3 – 4 ) получить пар несколько перегретый (на 3 – 4 град.) по сравнению с температурой в точке 8, чтобы исключить выпадение жидкости в турбодетандере ТД. Коэффициент ожижения составляет z = 0,05 – 0,06 при Р2 = 6 – 7 бар.
3.8. Газовые криогенные циклы
Обобщенный цикл Карно
Рассмотрим ряд циклов, рабочим телом которых является идеальный газ. Кроме цикла Карно в качестве примера рассмотрим циклы, состоящие из двух изотерм и двух изобар – цикл Эриксона - или двух изотерм и двух изохор – цикл Стирлинга. На рисунке 3.8 изображены : 12341 – цикл Карно; 1'234'1' – цикл Стирлинга ; 1''234''1''– цикл Эриксона.
![]() |
Рис. 3.8. Циклы Карно, Стирлинга и Эриксона
Рис. 3.8. Циклы Карно, Стирлинга и Эриксона
Для рассматриваемых циклов (Карно, Стирлинга и Эриксона) можно записать

(3.18)
Обобщенным циклом Карно будем называть цикл, состоящий из двух изотерм и двух политроп.
Рекомендуем посмотреть лекцию "11. Сажа".
Рассматривая реальное вещество в качестве рабочего тела газового криогенного цикла, следует ответить на вопрос: какие из линий (например, изобары или изохоры) наиболее эквидистантны (эквидистантность рассматриваемых линий напрямую связана с полнотой регенеративного теплообмена). Так как наклон этих линий в диаграмме T-S определяется теплоёмкостью, то предстоит ответить на вопрос - какая из теплоёмкостей изобарная Ср или изохорная Сv менее существенно меняется с изменением параметров состояния. Опыт показывает, что Сv является весьма слабой функцией параметров состояния, в то время как Сp существенно изменяется с изменением параметров состояния и достигает бесконечно больших значений в двухфазной области и в критической точке. Таким образом, оказывается, что для реального вещества холодильный коэффициент цикла Стирлинга будет выше, чем холодильный коэффициент цикла Эриксона. Из реальных веществ наилучшим рабочим телом для газовых циклов является гелий, вследствие весьма низкой критической температуры ( Ткр = 5,2 К ) и близости его свойств в интересующем диапазоне температур и давлений к свойствам идеального газа.
![]() |
Рис. 3.9. Цикл Стирлинга в диаграмме P - V
Принцип работы цикла Стирлинга представлен в Р-V диаграмме ( рис. 3.9), где 1 – 2 - изотермическое сжатие с отводом тепла qотв.; 2 – 3, 4 – 1 - процессы изохорного регенеративного теплообмена; 3 – 4 - изотермическое расширение с подводом тепла q0 при температуре Т0..
Принципиальный способ реализации обратного цикла Стирлинга в поршневой машине состоит в следующем. Два поршня движутся в цилиндре прерывисто с углом сдвига по фазе. В рабочем пространстве между поршнями размещён регенератор, который делит рабочую полость на две части – тёплую и холодную. Иногда их условно называют полостями сжатия и расширения. В тёплой полости поддерживается постоянная температура равная температуре окружающей среды Т окр. ср. за счёт отвода теплоты qотв. в холодильнике. В холодной полости температура Т0. постоянна (за счёт подвода теплоты q0 через охладитель). В действительности цикл чаще всего реализуют в машине с гармоничным движением поршней, причём существует несколько конструктивных схем подобной машины.
![]() |
Рис. 3.10. Принципиальная схема реализации цикла Стирлинга
Принципиальная схема реализации цикла Стирлинга представлена на рис. 3.10.































