Тепловое реле
Лекция №13.
Тема лекции:
14. Тепловое реле. Устройство, характеристики. Реле времени.
1.ТЕПЛОВЫЕ РЕЛЕ.
Тепловые реле основаны на принципе изменения физических свойств тел при их нагревании электрическим током или другими источниками тепла. Они срабатывают при определённой температуре нагрева основного чувствительного элемента.
В качестве основного чувствительного к температуре элемента применяют материалы с изменяющимся электрическим сопротивлением, материалы с различными коэффициентами линейного расширения, «термобиметаллы» и др.
Нагрев элемента осуществляется электрическим током, протекающем непосредственно в элементе, в специальном нагревательном элементе, устройстве или окружающей среды.
Тепловые реле являются основными представителями термических реле, к которым относятся реле, работающие в функции температуры окружающей среды – термореле, термостаты и др.
В качестве нагреваемых тел – рабочих органов тепловых реле – наибольшее применение получили биметаллические механизмы с непосредственным, косвенным или комбинированным нагревом. В конструкциях этих реле биметаллический механизм, нагреваясь под действием тепла, выделяемого в нем или в специальном нагревательном элементе, воздействует на контакты реле, замыкая или размыкая их.
Рекомендуемые материалы
Тепловые реле имеют исполнения: токовые реле для защиты при перегрузках и токах короткого замыкания, пусковые реле в функции тока, реле времени.
К тепловым реле относятся терморасцепители, входящие в конструкции автоматических воздушных выключателей, где они удерживают рычажную систему в рабочем положении во включенном положении выключателя, а при соответствующей деформации биметалла освобождают ее от зацепления и выключатель отключается.
Тепловые реле с биметаллическими механизмами в большинстве случаев предназначаются для защиты электрических установок, главным образом электрических машин, от недопустимого перегрева при длительных перегрузках. Защитное действие реле обеспечивается тем, что ток защищаемого объекта, проходя по реле, нагревает биметаллический механизм; в тот момент, когда температура защищаемого объекта (обмотки машины и др.) достигнет предельно допустимой величины, биметаллический механизм должен нагреться до температуры срабатывания, то есть до температуры, при которой реле замыкает или размыкает свои контакты. Время срабатывания реле, начиная с момента появления нагрузки, зависит от начальной температуры, величины тока и от конструкции реле.
Основным рабочим элементом тепловых реле являются биметаллические или, точнее, термобиметаллические пластины или спирали.
Биметаллический элемент представляет собой жёсткое соединение двух металлов с разными коэффициентами линейного расширения
и
. Если
, то при нагреве такой элемент изгибается в сторону металла с меньшим значением
.
Такая конструкция имеет значительно большую деформацию и, следовательно, большую чувствительность в сравнении с отдельной пластиной при том же изменении температуры.
Так, латунная пластина длиной 100 мм при нагреве до 100º С удлиняется на 0,18 мм. Прогиб такой же пластины, выполненной в виде биметалла со стальной пластиной равной толщины, составляет при том же нагреве 17 мм, т.е. почти в 100 раз больше, причём этот выигрыш в чувствительности достигается без дополнительных передаточных звеньев, усложняющих конструкцию. Благодаря исключительной простоте конструкции, высокой устанавливающей силе и чувствительности, биметалл (термобиметалл) находит весьма широкое применение в электроаппаратостроении.
Появление биметалла относится к началу XIX века, когда впервые был изготовлен биметаллический термометр в виде спирали со стрелочным указателем, приспособленным также и для записи температуры.
Для увеличения работоспособности биметалла, его компоненты должны иметь высокое значение модуля упругости Е на растяжение и сжатие. Работоспособность биметалла определяется зависимостью:


где Q – сила, развиваемая биметаллом при его тепловой деформации,
– элементарная деформация биметалла.
Напряжение сжатия и растяжения в биметалле определяется выражением:

и величина
определяется следующим соотношением:

где s- напряжение растяжения или сжатия в биметаллах,
относительная деформация биметалла,
– удлинение биметалла,
т.е
.
Из представленных выражений и интегрирования работоспособность биметалла равна

Из этой зависимости следует, что значение А тем больше, чем выше модуль упругости компонентов биметалла при прочих равных условиях.
Термобиметалл состоит из двух компонентов: пассивного с относительно малым значением
и активным с большим значением
.Для получения максимальной деформации необходимо, очевидно, иметь наибольшее значение разности
.
До начала CIC века термобиметалл изготавливался путем спайки или склепки различных металлов, чаще всего стали с цинком или стали с медью. Такой биметалл мог работать в малом диапазоне температур и имел низкую работоспособность.
Широкое распространение термобиметалла связано появлением никелевых сталей, имеющих высокие механические качества, и усовершенствованием технологии изготовление биметалла. Коэффициент линейного расширения стали зависит от содержания в ней никеля. В качестве пассивного слоя обычно применяется сталь с содержанием никеля от 36 до 46%. Наибольшее распространение имеет сплав с содержанием
36.1%Ni + 63.1%Fe + 0.4%Mn + 0.4%Cu,
имеющий
; 1/°c. При уменьшении содержания никеля до 25% коэффициент линейного расширения возрастает до
.
В качестве активного слоя могут применяться как черные так и цветные металлы и их сплавы.
Чистое железо применяется редко из-за малого значения коэффициента линейного расширения и низкого модуля упругости. Наиболее часто применяются никель-молибденовые стали
27%Ni Fe +5%Mo
с рабочей температурой 400-500°с и
42%Ni Fe +5%Mo
с рабочей температурой 150-350°С, для этих сталей L=(18-19)×10, 1/°c; и модуль упругости Е=(20-24)×10 кг/мм
В качестве цветных металлов для изготовления активного слоя применяются никель и сплавы на медной основе: латунь, бронзы, томпак, монель-металл.
В нашей стране в основном применяются следующие марки термобиметалла:
1)Инвар–маломагнитная сталь (ИС) применяется при рабочей температуре до 170°C. Компоненты имеют высокие механические свойства. Этот термобиметалл имеет высокое удельное сопротивление r=0.8
, что позволяет осуществлять прямой подогрев.
2)Инвар-томпак (ИТ)- максимальная допустимая температура до 100°С. Имеет низкое r, что требует косвенного подогрева.
3)Существуют марки термобиметаллов по номерам: N 1,2,3,4,5,6; применяемые в диапазоне температур от –60 до +375°с.
Термобиметалл изготавливается следующим образом. Компоненты биметалла выплавляются в высокочастотной электрической печи и полученные слитки разрезаются на бруски размером 15х115х330 мм. С целью улучшения качества сварки производится электролитическое железнение брусков (толщина слоя 0,015 мм) и затем их сварка по периметру. Полученные таким образом биметаллические бруски нагреваются до температуры 1150-1200
C и прокатываются до толщины 3,5 мм. Полученные таким образом биметалл служит основной заготовкой и в дальнейшем прокатывается до требуемой толщины.
Основная способность биметалла – изменять свою форму под воздействием температуры – используется для производства многочисленных электрических аппаратов: реле тепловой защиты, реле – указателей, автоматических ограничителей, терморегуляторов, автоматов и др.
Все многообразные биметаллические механизмы классифицируются по способу теплового воздействия, по выполняемым функциям и по конструктивной форме исполнения.
По способу теплового воздействия различают механизмы с непосредственным нагревом биметалла (рис. 14.1,а), косвенным (рис.14.1,б) и комбинированным (рис.14.1,в) нагревами. Часто ток на нагрев подается через промежуточный трансформатор.
По конструктивным исполнениям и функциям выполнения устройства с термобиметаллом весьма многообразны:
1. Механизм с биметаллической защелкой (рис.14.2).
Находит применение в автоматах, пускателях и др. Принцип действия основан на освобождении нагретым биметаллическим элементом оттягиваемого пружиной контакта. В этом случае биметалл совершает только минимальную работу, необходимую для освобождения контакта, всю остальную работу выполняет вспомогательный привод. Возврат механизма в исходное положение чаще совершается вручную.
2. Механизм теплового реле времени. (рис.14.3)
Биметаллический механизм используется для получения определенной выдержки времени. Принцип действия заключается в следующем.
Биметаллическая пластина, неподвижно закрепленная одним концом, несет на другом конце небольшой стальной якорек с подвижным контактом(рис.14.3). В холодном состоянии якорек притягивается и удерживается небольшим постоянным магнитом. При нагревании током биметаллическая пластина развивает усилие, которое стремится оторвать якорек от полюсов магнита. При температуре срабатывания, наступающей через некоторое время после включения тока, усилие пластины преодолевает притяжение магнита и пластина скачком переходит в нижнее положение, замыкая контакты. Выдержка времени может в некоторых пределах регулироваться током биметаллического элемента или нагревателя. Возврат реле в исходное положение происходит автоматически, через промежуток времени, необходимый для охлаждения машины.
3.Измерительный орган регулятора температуры (рис. 14.4).
Биметаллическая пластина касается концом изоляционного штифта, укрепленного на плоской пружине, несущей подвижный контакт. При повышении температуры окружающей среды биметаллическая пластина изгибается вверх и размыкает контакты регулятора. Этот механизм регулятора имеет медленное размыкание контактов, незначительную скорость движения их и непостоянство контактного давления при включенном положении регулятора, что приводит к искрению в контактах, привариванию и быстрому выходу их из строя.
4. Биметаллический термометр (рис.14.5).
Биметаллический термометр представляет собой одно из первых применений биметалла. Этот термометр в сравнении со ртутным имеет следующие преимущества:
а. наличие круговой шкалы со стрелкой, что позволяет делать дистанционные измерения;
б. отсутствие хрупких частей, что позволяет использовать его в тяжелых производственных условиях.
Биметаллический термометр представляет собой биметаллическую ленту, свернутую в виде плоской или винтовой спирали (рис.14.5, а и б). Недостатком плоской спирали является смещение её центра при закручивании, что усложняет форму шкалы. Недостаток винтовой спирали – большой габарит прибора.
5. Механизм с «прыгающим контактом» (рис. 14.6).
Этот механизм используется для ускорения размыкания и замыкания контактов. Принцип действия заключается в использовании усилия дополнительной плоской пружины, шарнирно закрепленной одним концом в неподвижной опоре, а другим на биметаллической пластине. Благодаря этому не нагретая биметаллическая пластина всегда прижимается к неподвижному контакту с некоторым постоянным усилием. По мере нагревания пластина развивает усилие, направленное к противоположному упору, а при температуре срабатывания преодолевает усилие пружины и скачком переходит в крайне правое положение и размыкает контакты.
6. Механизм с прыгающей биметаллической
пластиной (рис.14.7).
Используется для создания постоянного контактного давления. Биметаллическая пластина упирается и призматические опоры В и С, одна из которых (В) неподвижна, а другая (С) может поворачиваться в шарнире О. В холодном состоянии биметаллическая пластина слегка выгнута вверх и используется для создания постоянного контактного давления. Биметаллическая пластина упирается в призматические опоры В и С, одна из которых (В) неподвижна, а другая (С) может удерживается пружиной П, которая прижимает подвижную опору С к упору А. При нагревании биметаллическая пластина изгибается вниз. При температуре срабатывания она скачком переходит в нижнее, также выгнутое положение, встречает штифт размыкающего контакта и размыкает контакты. После остывания пластина, также скачком, возвращается в исходное положение и контакты замыкаются. В этой конструкции контактное давление остается неизменным до момента размыкания контактов.
7. Механизм Алексеевского В. В. (рис.14.8)
Механизм представляет собой оригинальную конструкцию с ,,прыгающей” контактной группой.
Биметаллический элемент выполнен в виде плоской пластины 1, конец которой закреплен неподвижно, а другой может перемещаться между упорами 4 и 5 (рис.14.8). В холодном состоянии пластина удерживается у верхнего упора плоской изогнутой пружинной рессоркой 2, которая одновременно прижимает к нижнему контактному колодку 3, несущую контакты. На концах рессорки имеются специальные просечки, которыми она надевается на соответствующие выступы пластины и колодки. Благодаря этому рессорка может свободно поворачиваться вокруг опорных ребер биметаллической пластины и колодки.
Нагревание биметаллической пластины может быть косвенным, непосредственным или комбинированным. Усилие, развиваемое при этом пластиной, направлено противоположно удерживающему усилию рессорки.
При некоторой температуре пластины её усилие
становится больше удерживающего усилия
, создаваемой рессоркой, и пластина отходит от верхнего упора. При этом и усилие рессорки и усилие биметаллической пластины
будут уменьшаться, но выключающее усилие механизма
может быть получено возрастающим, вследствие чего биметаллическая пластина, отойдя от верхнего упора, обязательно дойдет до нижнего упора.
В зависимости от конкретного назначения механизма можно выбрать усилие рессорки и положение упоров такими, что его возвращение будет автоматическим или ручным.
Этот механизм успешно используется в ряде электрических аппаратов: автоматических предохранителях, тепловых реле и многих других.
Одной из основных характеристик тепловых реле является токовременная характеристика, представляющая зависимость времени срабатывания реле от тока, протекающего через него. Обычно для удобства сравнения этих характеристик между собой, ток реле выражают в относительных единицах – в виде отношения тока реле
к допускаемому току
, т. е.


Под допустимым током
понимается такой ток, длительное протекание которого через реле не приводит к срабатыванию его при заданной неизменной температуре окружающей среды и выбранной уставке.
![]() |
Рис.14.1.Способы нагрева биметалла.

Рис.14.2.Механизм с биметаллической защелкой
.
![]() |
Рис.14.3.Механизм теплового реле времени.
![]() |
Рис.14.4.Измерительный орган регулятора температуры.
![]() |
Рис.14.5.Биметаллический термометр.
![]() |
|
|
|
|
|
|
|
|
|
|
|
Рис.14.6.Механизм с «прыгающим»
контактом
Рис.14.7.Механизм с «прыгающей»
биметаллической пластиной

Рис.8.Механизм В.В. Алексеевского

Рис.14.9. Типовые токовременные характеристики тепловых реле ТРА и ТРВ, снятые от «холодного» состояния реле.
![]() |
Рис.14.10.Схематичное устройство реле ТТ-10
На рис. 14.9 представлены типовые токовременные характеристики тепловых реле, предназначенных для защиты электрических машин от перегрузок.
Тепловые реле, защищающие электрические машины от перегрузок, должны иметь определенные токовременные характеристики, отвечающие следующим основным требованиям:
а) промежуток времени отключения при перегрузках должен быть таким, в течение которого перегрев защищаемой машины не превышает допустимой величины;
б) время срабатывания реле не должно быть слишком мало с тем, чтобы полнее использовать перегрузочную способность защищаемой машины;
в) возможность прямого пуска от сети асинхронных двигателей.
Для надежной защиты электрической машины от перегрузок необходимо, чтобы токовременная характеристика реле как можно ближе располагалась к тепловой (перегрузочной) характеристике машины, проходя ниже и не пересекаясь с ней.
Существенным недостатком тепловых реле является зависимость их характеристик от температуры окружающей среды. Такая зависимость может привести к тому, что, например, при температуре 80 – 90° С реле может сработать даже при отсутствии тока. Поэтому для получения благоприятной защитной характеристики необходимо, чтобы температура окружающей среды для защищаемого объекта (электрической машины) и для реле совпадала, или чтобы биметаллический механизм реле работал при более высоких температурах – порядка110 - 120° С.
Среди конструкций тепловых реле с биметаллом наибольшее распространение получили реле с биметаллическими пластинами. Так на рис.14.10 представлено схематическое устройство теплового реле с биметаллической пластинкой. При нагреве от обтекаемого током элемента 2, биметаллическая пластинка 1 изгибается. При определенной температуре (температуре срабатывания) пластинка изгибается настолько, что освобождает защелку 3 подвижного контакта, который под действием пружины 4 поворачивается и размыкает контакты 5 реле. Реле же не имеет самовозврата, возврат контактов ручной, осуществляется кнопкой 6 и может быть произведен только после достаточного остывания биметаллической пластинки (через 15 – 90 с.). Нагревательный элемент является сменным, и подбором соответствующего элемента осуществляется настройка реле. Так для реле ТТ – 10, 11, 12 имеется 54 стандартных нагревательных элемента на токи от 0,6 до 150 А.
В большинстве случаев такие тепловые реле не обеспечивают защиты от токов короткого замыкания, и их нагревательные элементы могут перегореть от токов короткого замыкания до того, как реле сработает. Имеются конструкции тепловых реле со встроенными электромагнитными элементами, срабатывающими без выдержки времени от токов короткого замыкания.
Некоторые конструкции реле, встраиваемые в магнитные пускатели, снабжаются регулировочными устройствами, предназначенными для компенсации производственных отклонений. Такими являются реле типа РТ.
Современные электротепловые токовые реле РТЛ-1000 и РТЛ-2000 предназначены для защиты трехфазных асинхронных электродвигателей с короткозамкнутым ротором от перегрузок недопустимой продолжительности и от токов, возникающих при выпадении одной из фаз. Применяются в схемах управления электроприводами переменного тока с f=50;60Гц, напряжением до 660В, постоянного тока до 440В. Реле пригодны в системах управления с применением микропроцессорной техники.
Различные типы РТЛ-1000 с номинальным током 25А позволяют иметь регулируемый ток несрабатывания от (0,1….0,17) Iн в реле типа РТЛ-1001 до (18…25) Iн в реле РТ2053до (663…86) в реле РТЛ-2063/4/.
ЭЛЕКТРОМЕХАНИЧЕСКИЕ РЕЛЕ ВРЕМЕНИ
ОБЩИЕ СВЕДЕНИЯ
В схемах защиты и автоматики часто требуется выдержка времени между срабатыванием двух или нескольких аппаратов. При автоматизации технологических процессов также может возникнуть необходимость в определенной временной последовательности операций. Для создания выдержки времени служат электрические аппараты, называемые реле времени.
Общими требованиями для реле времени являются:
а) стабильность выдержки времени при колебаниях напряжения, частоты питания, температуры окружающей среды и воздействии других факторов;
б) малые потребляемая мощность, масса и габариты.
Возврат реле в исходное положение происходит, как правило, при его обесточивании. Поэтому коэффициент возврата может быть очень низким.
В зависимости от назначения к реле времени предъявляются различные специфические требования. Для схем автоматического управления электроприводом при большой частоте включений требуются реле с высокой механической износостойкостью — до
срабатываний. Требуемые выдержки времени находятся в пределах 0,25—10 с. К этим реле не предъявляются требования относительно высокой стабильности выдержки времени. Разброс времени срабатывания может достигать 10 %. Реле должны работать в производственных условиях при наличии интенсивных механических воздействий.
Реле для защиты энергосистем должны иметь большую точность выдержки времени. Эти реле работают относительно редко, поэтому к ним не предъявляются особые требования по износостойкости. Износостойкость реле времени защиты порядка
срабатываний. Выдержки времени таких реле составляют 0,1—20 с.
Для автоматизации технологических процессов необходимы реле с большой выдержкой времени — от нескольких минут до нескольких часов. В этом случае, как правило, используются моторные реле времени. В настоящее время созданы также полупроводниковые реле с таким же большим диапазоном выдержки времени.



РЕЛЕ ВРЕМЕНИ С ЭЛЕКТРОМАГНИТНЫМ ЗАМЕДЛЕНИЕМ
а) Устройство реле и влияние различных факторов на его работу.
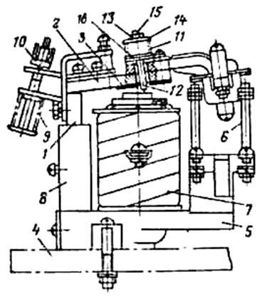
Принцип электромагнитного замедления рассмотрен выше. Конструкция реле с таким замедлением типа РЭВ-800 (рис.14.11) содержит П-образный магнитопровод 1 и якорь 2 с немагнитной прокладкой 3. Магнитопровод укрепляется на плите 4 с помощью литого алюминиевого цоколя 5, на котором устанавливается контактная система 6.
На магнитопроводе установлена намагничивающая обмотка 7 и короткозамкнутая обмотка в виде овальной гильзы 8. Усилие возвратной пружины 9 изменяется с помощью регулировочной гайки 10 которая фиксируется шплинтом.

Рис.14.11. Реле времени.
Для получения большой выдержки времени при отпускании необходима высокая магнитная проводимость рабочего и паразитного зазоров в замкнутом состоянии магнитной системы .С этой целью все соприкасающиеся детали магнитопровода и якоря тщательно шлифуются. Литой алюминиевый цоколь создает дополнительный коротко-замкнутый виток, увеличивающий выдержку времени.
У реальных магнитных материалов после отключения намагничивающей обмотки поток спадает до
, который определяется свойствами материала магнитопровода, геометрическими размерами магнитной цепи и магнитной проводимостью рабочего зазора .
Чем меньше коэрцитивная сила магнитного материала при заданных размерах магнитной цепи и магнитной проводимости рабочего зазора, тем ниже остаточная индукция, а следовательно, и остаточный поток. При этом возрастает наибольшая выдержка времени, которая может быть получена от реле. Применение стали с низким значением
позволяет увеличить выдержку времени.
Выдержка времени при отпускании для насыщенной магнитной системы с короткозамкнутым витком или обмоткой может быть найдена с помощью формулы

где w — число витков короткозамкнутой обмотки; R — ее сопротивление; i — ток в короткозамкнутой обмотке;
— значение магнитного потока, при котором происходит отпускание якоря; Ф0 — установившееся значение магнитного потока в магнитопроводе при включенной намагничивающей обмотке;
—МДС первичной обмотки. Можно показать, что для получения большой выдержки времени материал магнитопровода должен иметь высокую магнитную проницаемость на ненасыщенном участке кривой намагничивания.
б) Схемы включения реле.
Время срабатывания реле с электромагнитным замедлением очень мало, так как постоянная времени мала из-за большого начального рабочего зазора, и трогание реле происходит при малом значении МДС обмотки. МДС трогания значительно меньше установившегося значения. Это время составляет 0,05— 0,2 с при наличии короткозамкнутого витка и 0,02—0,05 с при его отсутствии. Таким образом, возможности электромагнитного замедления при срабатывании весьма ограничены. Поэтому используются специальные схемы включения электромагнитных реле (рис.14.12).
Если необходима большая выдержка времени при замыкании контактов, то целесообразна схема с промежуточным реле К (рис. 6, а). Обмотка реле времени КТ все время подключена к напряжению через размыкающий контакт реле К. При подаче напряжения на обмотку К последнее размыкает свой контакт и обесточивает реле КТ. Якорь КТ отпадает, и его размыкающие контакты срабатывают с необходимой выдержкой времени, обусловленной временем срабатывания реле К и временем отпускания реле КТ.
В схеме рис. 6, б роль короткозамкнутого витка играет сама намагничивающая обмотка, которая питается через резистор
. Напряжение, приложенное к обмотке, должно быть достаточным для насыщения магнитной цепи при притянутом якоре. При замыкании управляющего контакта S обмотка реле закорачивается и обеспечивается медленный спад потока в магнитной цепи. Отсутствие специальной короткозамкнутой обмотки позволяет все окно магнитопровода занять намагничивающей обмоткой и создать большой запас по МДС. При этом выдержка времени неизменна при снижении питающего напряжения на обмотке до
. Такая схема широко применяется в электроприводе. Обмотка реле включается параллельно ступени пускового реостата в цепи якоря. При закорачивании этой ступени обмотка реле замыкается, а его контакты с выдержкой времени включают контактор, шунтирующий следующую ступень пускового реостата.
Применение полупроводникового вентиля также позволяет использовать реле без короткозамкнутого витка (рис. 6,в). При включении обмотки ток через вентиль практически равен нулю. При отключении управляющего контакта S поток в магнитной цепи спадает и в обмотке наводится ЭДС с полярностью, указанной на рис. 6, в. При этом через вентиль протекает ток, определяемый этой ЭДС, активным сопротивлением обмотки и вентиля и индуктивностью обмотки.
Для того чтобы прямое сопротивление вентиля не приводило к уменьшению выдержки времени (растет активное сопротивление короткозамкнутой цепи), оно должно быть на один-два порядка ниже сопротивления обмотки.
При любых схемах обмотки реле питаются от источника либо постоянного, либо переменного тока с мостовой схемой выпрямления.

Рис. 14.12. Схемы включения реле с выдержкой времени
в) Регулирование выдержки времени.
Время срабатывания реле можно плавно регулировать с помощью возвратной пружины 9 (рис. 14.12). С увеличением сжатия этой пружины увеличивается электромагнитное усилие, необходимое для трогания якоря и определяемое потоком в магнитной цепи. При большем сжатии пружины поток трогания возрастает. Следовательно, возрастает время трогания.
При разомкнутой магнитной цепи постоянная времени обмотки мала и максимальная выдержка времени также незначительна (около 0,2 с). Выдержка времени значительно увеличивается, если поток трогания близок к установившемуся значению. Однако в этом случае реле работает на пологой части кривой
что вызывает большие разбросы времени срабатывания.
Для получения выдержки времени 1 с и более, необходимо использовать отпускание якоря. Регулировка выдержки реле при отпускании может производиться плавно и ступенчато (грубо).
Плавное регулирование выдержки времени производится изменением усилия пружины 11 (рис.14.12). Эта пружина верхним концом упирается в шайбу 14, которая удерживается шпилькой 15, ввернутой в якорь реле. Нижний конец пружины посредством специальной пластины 16 передает силу через два латунных штифта 12, которые могут свободно перемещаться в отверстиях якоря. Оси латунных штифтов 12 смещены относительно оси пружины. В притянутом положении якоря 2 штифты 12 перемещаются вверх и пружина 11 дополнительно сжимается. Пружина 11 создает основную силу, отрывающую якорь от сердечника. Начальное сжатие пружины изменяется с помощью гайки 13. С увеличением силы пружины 11 электромагнитное усилие, при котором происходит отрыв якоря, увеличивается и возрастает поток отпускания
При этом время отпускания уменьшается (рис. 7). Чем меньше сила пружины, тем больше выдержка времени. Следует отметить, что при
близком к
, якорь реле вообще может не отпадать от сердечника.
Возвратная пружина 9 регулируется так, чтобы обеспечить необходимое нажатие размыкающих контактов реле и четкий возврат якоря.
Грубое регулирование выдержки времени осуществляется изменением толщины немагнитной прокладки
. Поскольку при притянутом якоре магнитная цепь насыщена, толщина немагнитной прокладки мало сказывается на установившемся потоке. С уменьшением толщины немагнитной прокладки
растет индуктивность катушки при ненасыщенном магнитопроводе и уменьшается скорость спадания магнитного потока. В результате при неизменном усилии пружины 11 (рис.14.12) выдержка времени увеличивается. Толщину немагнитной прокладки не рекомендуется брать менее 0,1 мм. В противном случае при повторно-кратковременном режиме работы якорь расклепывает немагнитную прокладку и толщина ее уменьшается, что ведет к изменению выдержки времени. При толщине прокладки
мм этим явлением можно пренебречь.
Следует отметить, что электромеханические реле времени достаточно просты по конструкции и обладают большой ударо-, вибро- и износостойкостью. Допустимое число включений достигает 600 в час. Они могут использоваться в схемах автоматики и электропривода как реле тока, напряжения и промежуточные. Коэффициент возврата их низок и составляет 0,1—0,3. Короткозамкнутые витки создают электромагнитное замедление как при притяжении, так и при отпускании якоря. Поэтому токовые реле с короткозамкнутым витком не реагируют на кратковременные перегрузки. При кратковременных перегрузках МДС обмотки пропорциональна этим перегрузкам.
Поток в магнитопроводе нарастает с постоянной времени
, определяемой параметрами короткозамкнутого витка
. Если перегрузка кратковременна и ее длительность
, то поток к моменту
не достигнет значения потока срабатывания и якорь останется неподвижным. Если
, то реле сработает. Таким образом, предотвращается отключение нагрузки (двигателя) при больших, но кратковременных токовых перегрузках, не опасных для двигателя.


Рис.7. Регулирование времени отпускания с помощью пружины и регулирование времени отпускания изменением немагнитного зазора
Промышленностью выпускаются многочисленные модификации реле с электромагнитным замедлением и выдержкой времени при отпускании 0,3—5 с.
Современные реле имеют один или два унифицированных контактных узла. Каждый узел имеет один замыкающий и один размыкающий контакты с общей точкой. Постоянный ток включения контактов составляет 10 А при напряжении 110 В и 5 А при 220 В. Ток отключения для индуктивной нагрузки (катушки реле, контакторов) составляет 0,2, для активной 0,5 А.
Возникновение и особенности буддизма - лекция, которая пользуется популярностью у тех, кто читал эту лекцию.
Реле с электромагнитным замедлением выполняют только на постоянном токе путем замедления времени нарастания магнитного потока при срабатывании реле и времени спадания тока при отпускании.
Реле с электромагнитным замедлением РЭ-100 – РЭ-570.
Принцип электромагнитного замедления используется в ряде конструкций реле (реле типа РЭ-100, РЭ-180, РЭ-500, РЭ-570 и др.). Реле типа РЭ имеют магнитную систему клапанного типа с короткозамкнутым витком (втулкой), и только реле РЭ-100 может выполняться и без короткозамкнутого витка. Эти реле выпускаются на напряжения 48, 110 и 220В. Мощность, потребляемая обмотками, 20—25 Вт, мощность контактов реле дана в табл. 1.
При работе реле используется выдержка времени, даваемая ими при отпускании якоря. Для реле РЭ-100 и РЭ-500 может быть получена выдержка порядка 0,25—0,9 сек. Для реле РЭ-180 и РЭ-560 выдержка времени 1—3 и 3—5 сек.
Собственное время притяжения якоря реле при наличии короткозамкнутого витка примерно в 3 раза больше, чем без него.





























